Расчет задачи в онлайн программе — КиберПедия
«Расчет рамы, фермы, балки онлайн»
1. Для доступа к программе «Расчет рамы, фермы, балки онлайн» необходимо ввести в адресной строке вашего браузера http://rama.sopromat.org (рис. 30).
Рисунок 30 – Адресная строка
2. На главной странице сайта выбираем пункт «Начать расчет рамы, фермы» (рис. 31).
Рисунок 31 – Главная страница
3. В зависимости от размеров стержней назначаем шаг ячейки. Для этого в разделе «Настройки» вводим удобный для построения шаг ячейки. В нашем случае шаг принимаем равный 0,1м(рис. 32).
Рисунок 32 – Назначение шага ячейки
Настройки программы по умолчанию позволяют производить расчет с учетом деформации (продольного сжатия-растяжения) стержней. Однако при решении задач дисциплины «Теоретическая механика» рассматривают абсолютно твердые, т.е. недеформируемые тела. Поэтому учет деформаций будет вносить ошибку при определении реакций и усилий в стержнях. В соответствии с рекомендациями авторов программы для расчёта недеформируемых тел, в разделе «
4. Для построения стержней используем команду Добавить стержень (рис. 33).
Рисунок 33 – Построение стержневой системы
В графическом поле, имеющем сетку с назначенным шагом, строим стержни заданной длины. Контролировать размер стержней позволяет параметр Длина стержня, изменяющийся в зависимости от положения курсора и находящийся сверху графического окна.
В результате построения каждого стержня в разделе Элементы появляется соответствующая строка с параметрами элемента.
Выстраивая последовательно стержни (рис. 16), получаем плоскую ферму (рис.34), а в разделе Элементы список стержней и соответствующих им узлов. В случае ошибки в построении элемента, его можно удалить при помощи кнопки Удалить и построить заново.
Рисунок 34 – Геометрическая схема фермы
5. Редактируем способ соединения в узлах фермы. Чтобы задать в узле А неподвижный шарнир (рис.16), в разделе Элементы выбираем Узел 1. В открывшемся окне в пункте Связь с землей выбираем Шарнир. Для подтверждения команды нажимаем кнопку Применить (рис. 35).

Рисунок 35 – Редактирование шарниров
В результате данной операции на чертеже в узле 1 появится неподвижный шарнир (рис. 36). Чтобы задать в узле В подвижный шарнир (рис.16), в разделе Элементы выбираем Узел 3 ив пункте Связь с землёй выбираем Подвижный шарнир. В случае подвижного шарнира существует возможность регулирования угла наклона опорной поверхности (рис. 37).
| Рисунок 36 – Неподвижный шарнир | Рисунок 37 – Регулирование
угла наклона
|
Для всех оставшихся промежуточных узлов в пункте Связь стержней выбираем Шарнир, например, узел 2 (рис. 38).

Рисунок 38 – Редактирование узлов
6. Внешнюю нагрузку задаем в разделе Элементы, выбирая узел, соответствующий точке приложения силы. В нашем примере это узел 4. В открывающемся окне авторы программы предлагают задавать силу по осям координат FХи FУ. В случае, когда сила приложена под углом к осям координат в пункте FХ, вводим проекцию силы Р на ось Х и соответственно в пункте FУ вводим проекцию силы Р на ось У (рис.39). Согласно заданию (рис.16) определим проекции силы Р на координатные оси Х и У:
PX=P·cosβ=5·cos30=4,4 кH,
PY=P·sinβ=5·sin30=2,5 кH.
Рисунок 39 – Задание внешней нагрузки
7. Для определения реакций связей в разделе Расчет выбираем пункт Реакции опор
Рисунок 40 – Определение реакция связей
В результате программного расчета реакция в шарнире В равна RB=–1,693кН, что лишь на 0,013кН отличается от результата аналитического расчета. Ошибка составляет в данном случае 0,7%. Реакцию в шарнире А программа выдает в виде проекций на координатные оси, поэтому чтобы сравнить ее с результатами аналитического расчета, надо определить модуль реакции.
.
Разница по сравнению с аналитическим расчетом (RА=4,4кН) составляет 1,5%.
8. Для определения продольных усилий в стержнях в разделе Расчет выбираем Эпюра N. В результате на схеме отобразятся графики распределения усилий для каждого стержня. Стержни, на которых отсутствуют графики, соответствуют нулевым усилиям (рис.41).
Рисунок 41 – Эпюры продольных усилий
Сравнивая результаты программного расчета усилий в стержнях видно, что знаки и величины соответствуют результатам аналитического расчета. Например, в результате аналитического расчета в первом стержне усилие S1=–1,68кН, а по результатам численного расчета S1=–1,674кН. Разница полученных результатов составляет 0,014кН (0,83%).
Расхождение результатов аналитических расчетов и численных расчетов является следствием погрешности построения геометрии стержневой системы, так как величина шага графического поля ограничена возможностями данной программы.
cyberpedia.su
Построение эпюр в рамах | Лекции и примеры решения задач механики
Рассмотрим подробно порядок построения эпюр внутренних силовых факторов в раме.
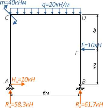
Задача
Построить эпюры внутренних продольных и поперечных усилий и изгибающих моментов для плоской П-образной рамы, нагруженной силой, моментом и распределенной нагрузкой:

Рис. 1
Решение
Рама состоит из трех частей (левая и правая вертикальные стойки соединенные горизонтальным ригелем), но при этом имеет четыре силовых участка – AC, CD, BE и DE, на каждом из которых нам потребуется определить величину и направление внутренних усилий.
Для заданной расчетной схемы рамы ранее мы уже определили опорные реакции.
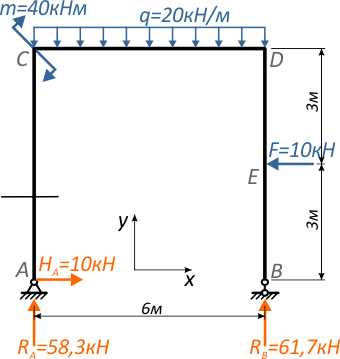
Рис. 2
Расчет значений
Обозначим силовые участки римскими цифрами.
Рис. 3
Для расчета значений, необходимых для построения эпюр, будем пользоваться методом сечений и соответствующими правилами знаков.
Начинаем с первого силового участка AC.
Мысленно рассекаем его в любом месте между крайними точками участка.
Рис. 4
Это сечение делит раму на две части:
- нижнюю часть стойки до точки A
- всю остальную часть, включая верхнюю от сечения часть левой стойки, ригель CD и правую стойку BD.
Можно рассмотреть любую из них, но для упрощения расчетов рекомендуется выбирать менее нагруженную часть конструкции.
Очевидно, что в данном случае проще рассматривать нижнюю часть стойки.
Расстояние от границы участка до сечения обозначим переменной y1, возможные значения которой находятся в пределах от нуля до длины участка.

Рис. 5
Действие отброшенной части рамы заменим внутренними усилиями NI, QI и MI.
Рис. 6
Рассчитаем их:
В выражении для MI переменная y1 в первой степени, а значит, эпюра на этом участке будет изображаться прямой. Для ее построения необходимы значения в двух точках.
Рассчитаем их на границах участка, в точках A и C:
В записанных выражениях:
NI – по правилу знаков для внутренних продольных сил – отрицательна, т.к. на участке имеет место сжатие;
QI – отрицательна, т.к. стремится повернуть рассматриваемую часть рамы против хода часовой стрелки;
Для изгибающих моментов M будем отмечать то, какие слои они стремятся сжать. В данном случае момент MI сжимает правую сторону стойки.
Расчет значений внутренних силовых факторов для остальных участков рамы выполняется аналогично.

Рис. 7
На втором участке, проведя сечение (рис. 7), выберем для рассмотрения левую часть рамы (левая часть ригеля со стойкой AC).
Рис. 8
Продольную силу NII здесь вызывает горизонтальная реакция HA, которая сжимает ригель.
Поперечную силу QII в сечении дают реакция RA и распределенная нагрузка q.
Изгибающий момент MII создается всеми нагрузками расположенными слева от рассматриваемого сечения.
Опорные реакции RA и HA создают момент силы. Для момента создаваемого силой HAплечо одинаково для любого положения сечения, и равно длине стойки AC, для момента реакции RA плечо переменное (y2).
О том, как рассчитать момент, создаваемый распределенной нагрузкой q можно прочитать здесь.
Записываем выражения:
это уравнение прямой, поэтому рассчитаем значения на границах участка:
Сразу следует обратить внимание, что значения на границах участка имеют противоположные знаки, т.е. эпюра Q на данном участке пересекает базовую (нулевую) линию, следовательно, на эпюре моментов MII в этом сечении будет экстремум (эпюры Q и M дифференциально зависимы).
Запишем выражение для изгибающих моментов:
получили уравнение параболы, для построения которой требуется минимум три точки.
Двумя из них будут граничные значения момента:
Третьей станет значение экстремума эпюры M на участке.
Рассчитаем его:
Выражение для QII приравниваем к нулю
откуда находим координату сечения рамы, где Q пересекает базовую линию.
подставляем ее в выражение для MII и находим значение экстремума.
Для третьего участка рамы выбираем нижнюю часть (рис. 7):
Рис. 9
Записываем выражения:
Здесь имеется только продольная сжимающая сила.
На четвертом участке (рис. 7) тоже рассмотрим нижнюю часть стойки
Рис. 10
Граничные значения изгибающего момента
Расчет значений окончен, переходим к графическим построениям.
Построение эпюр
Для горизонтальных и вертикальных участков рамы положительные значения эпюр продольных N и поперечных сил Q будем откладывать соответственно вверх и вправо.
Как строить эпюры по рассчитанным значениям показано в следующем видео:
Эпюра внутренних продольных сил N:
Эпюра внутренних продольных сил N рамы
Рис. 11
Эпюра внутренних поперечных сил Q:
Эпюра внутренних поперечных сил Q рамы
Рис. 12
Эпюра изгибающих моментов M строится на сжатых волокнах рамы:
Эпюра внутренних изгибающих моментов M рамы
Рис. 13
Здесь следует обратить внимание на линию эпюры второго участка.
При расчете значений, граничные моменты получились отрицательными (-20 и -30кНм), т.е. они должны располагаться по одну сторону от базовой линии.
Экстремум момента положителен, следовательно, его следует откладывать по другую сторону базовой линии.
Эпюры внутренних силовых факторов для рамы построены.
Теперь необходимо выполнить их проверку.
Другие примеры решения задач >
Лекции по сопромату >
isopromat.ru
Пять бесплатных программ для разработчика металлоконструкций
Проектирование металлических конструкций – одно из важнейших направлений строительной деятельности. Для определения требуемых параметров профилей используется дорогостоящее лицензионное программное обеспечение, требующее наличия профильного образования и навыков работы с конкретным программным комплексом.
При этом бывают ситуации, когда нужно сделать чертеж «на коленке», подобрать нужный прокат, подсчитать вес балки для определения стоимости и заказа металла. В тех случаях, когда воспользоваться специальными программами нет возможности, удобными помощниками при расчете металлоконструкций могут стать бесплатные онлайн- и десктоп- программы:
- калькулятор металлопроката Арсенал;
- онлайн калькулятор Metalcalc;
- онлайн-программа sopromat.org для расчета балок и ферм;
- расчет балок в Sopromatguru онлайн;
- desktop-программа «Ферма».
1. Калькулятор металлопроката Арсенал

Компания Арсенал предоставляет всем желающим возможность сэкономить свое время, воспользовавшись фирменной десктоп-программой для подсчета теоретического веса металлического профиля любых видов, в том числе – из черной и нержавеющей, а также — из цветного металла. На сайте доступна и онлайн-версия программы.
Для того чтобы выполнить расчет профиля нужно ввести информацию о толщине металла, длине отрезка, высоте и ширине. Можно также выбрать марку прокатного профиля из сортамента и задать требуемую длину. В этом случае программа определит его габаритные размеры и вес автоматически.
2. Онлайн-калькулятор металлопроката Metalcalc

Онлайн-калькулятор Metalcalc — удобный ресурс для определения веса и длины металлопроката. При задании основных технические параметров изделия (номер сортамента или габаритные размеры профиля, его длина) программа определит его вес. Расчеты выполняются на основании действующих ГОСТов и отличаются максимальной точностью.
Программа имеет также и функцию обратного пересчета. Если указать массу и типоразмер профиля – сервис высчитает его длину. Ресурс абсолютно бесплатен и удобен в использовании.
3. Бесплатная онлайн-программа sopromat.org для расчета балок и ферм

На сайте Sopromat.org представлена бесплатная онлайн-программа для расчета балок и ферм методом конечных элементов. Расчет может быть выполнен, в том числе, для статически неопределимых рам.
Сервис может быть полезен как студентам для выполнения курсовых работ, так и практикующим инженерам для определения параметров реальных металлоконструкций. Онлайн-ресурс позволяет:
- определить перемещения в узлах;
- рассчитать реакции опор;
- построить эпюры Q, M, N
- сохранить результаты расчетов и схему нагрузок;
- экспортировать результаты в формат чертежа DXF.
На сайте всегда находится самая свежая версия программы. Имеется версия Mini для скачивания и работы на мобильных устройствах. Мобильная программа обладает всеми преимуществами полноценной версии.
4. Расчет балок в Sopromatguru

Sopromatguru – частично бесплатная онлайн-программа, служащая для расчета балок. Ресурс подходит как для выполнения курсовых работ студентами, изучающими сопромат и строительную механику, так и для инженеров, задействованных в реальных проектах. На данном онлайн-сервисе можно:
- рассчитать статически определимую систему;
- определить перемещения в узлах;
- рассчитать реакции опор;
- построить эпюры реакций опор;
- сохранить ссылку на результаты расчетов.

В ближайшее время авторы планируют добавить в программу функцию расчета ферм. На сегодняшний день онлайн-ресурс позволяет бесплатно задать параметры балки, опоры, нагрузки и получить эпюру. За получение доступа к подробному расчету авторы программы просят перечислить символическую оплату. Стоит отметить, что онлайн-сервис красиво оформлен и оборудован понятным интерфейсом.
5. Бесплатная desktop-программа «Ферма»
Небольшая программа Ферма позволяет рассчитать плоскую статически определимую ферму и сохранить результаты. Для начала работы необходимо задать геометрические параметры фермы (размеры стержней, высоты, положения раскосов, нагрузки).
Расчет выполняется по методу вырезания узлов. Определяются усилия в стержнях фермы, а также реакции опор. Максимальное число панелей фермы – 16, число нагрузок – не более 20. Программный комплекс может также применяться и для расчета статически неопределимых ферм.

maistro.ru
Расчет конструкций
вернуться на главную страницу
ПРИСТУПАЯ К РАСЧЕТАМ
СПРАВОЧНЫЕ ДАННЫЕ
РАСЧЕТЫ СТРОИТЕЛЬНЫХ КОНСТРУКЦИЙ
РАСЧЕТЫ СТРОИТЕЛЬНЫХ КОНСТРУКЦИЙ — ОКОНЧАНИЕ
Для облегчения этого этапа разработаны следующие разделы:Выполнение различных расчетов конструктивных элементов зданий и сооружений является не только одним из самых ответственных этапов проектирования, но и требует высокого уровня подготовки специалиста, больших знаний, опыта и даже инженерной интуиции.Расчеты строительных конструкций.
1. КЛИМАТОЛОГИЯ
Первое с чего начинается расчет строительных конструкций это определение места положения объекта. Раздел климатология содержит справочную информацию о районировании территории РФ по различным климатическим характеристикам. Удобные карты и таблицы позволяют быстро получить необходимую информацию.
2. СБОР НАГРУЗОК
После определения места нахождения объекта, можно приступить к сбору нагрузок. В этом разделе будут собраны справочные данные и примеры сбора нагрузок на различные типы несущих конструкций.

3. РАСЧЕТ ОСНОВАНИЙ И ФУНДАМЕНТОВ
Расчет фундаментов, а также оснований обычно рассчитывают в последнюю очередь, т.к. нагрузки на эти конструкции передаются от расположенных выше конструкций и без их расчета, нельзя получить точных нагрузок на основания и фундаменты. Этот раздел содержит справочные данные для расчета оснований и грунтов.

4. РАСЧЕТ КМ И КЖ
(Расчет металлических конструкций и железобетонных конструкций)
Выполнение расчетов металлических и железобетонных конструкций временно объединим в один раздел, а по мере накопления материала, эти разделы будут разделены.

5. РАСЧЕТ КК И ДК
(Расчет каменных конструкций и деревянных конструкций)
Выполнение расчетов каменных и деревянных конструкций временно объединим в один раздел, а по мере накопления материала, эти разделы будут разделены
saitinpro.ru
Рисунок 37 – Регулирование
угла наклона