виды по СНиП и СП, расчет плиты, как рассчитать предельные и точечные значения, изгибающий момент, несущую способность, прочность ж/б элемента?
Плиты перекрытий – это несущие конструкции зданий, воспринимающие постоянные и временные нагрузки в пределах одного этажа.
Плиты укладываются в пролёте между вертикальными опорами – стенами, пилонами или колоннами.
Преимущественно работают на изгиб и выполняют роль жёсткого диска, объединяющего отдельные элементы каркаса сооружения в единую геометрически неизменяемую систему.
При расчёте плит перекрытий определяются такие важные параметры, как их толщина, армирование, прогиб и необходимость устройства дополнительных подпирающих элементов (балок или капителей).
Как провести расчет нагрузок на перекрытие, расскажем далее.
Содержание
- 1 Что это такое?
- 2 Виды нагрузок на плиты перекрытий по СНиП и СП
- 3 Расчёт пролетных конструкций
- 4 Как рассчитать значения?
- 4.1 Предельные
- 4.
2 Точечные - 4.3 Пересчёт на м2
- 4.3.1 Пример
- 4.4 Изгибающий момент
- 4.5 Как посчитать несущую способность?
- 4.6 Прочность ЖБ элемента
- 5 Возможные сложности и ошибки
- 6 Заключение
Что это такое?
Нагрузки, прикладываемые к перекрытию, представляют собой сочетание внешних сил, действующих на конструктивный элемент, вызывая в нём внутренние усилия. Несущая способность элемента определяется из условия равновесия, достигаемого при приложении нагрузок.
Виды нагрузок на плиты перекрытий по СНиП и СП
Нагрузки на пролётные конструкции определяются, исходя из требований нормативных документов – СНиП 2.01.07-85 и его обновлённой версии – СП 20.13330.2011 «Нагрузки и воздействия».
В соответствии с пунктами этих нормативов, нагрузки классифицируются на следующие виды:
- Полезные – нагрузки, необходимые для обеспечения комфортной эксплуатации помещения, в соответствии с его функциональным назначением.

Например, в жилых квартирах или частных домах – это нагрузки от мебели, бытовых приборов и самих жильцов.
В магазинах – от посетителей, персонала, прилавков, стеллажей и оборудования, необходимого для функционирования помещения.
- Допустимые – сочетание внешних сил, приложенных к перекрытию, при котором оно продолжает удовлетворять всем предъявляемым к нему эксплуатационным требованиям без наступления необратимых последствий.
- Постоянные – нагрузки, которые действуют на протяжении всего периода эксплуатации помещения. К таким видам загружения относятся собственный вес плит, масса пирога пола и штамповые нагрузки от конструктивных элементов, без которых эксплуатация помещения не представляется возможной.
- Временные – нагрузки от веса оборудования, мебели, людей и другие виды сил, которые прикладываются к несущему элементу на определённый промежуток времени.
- Предельные – максимальная величина нагрузки, при приложении которой в конструктивном элементе начинают происходить необратимые процессы – пластические деформации, бесконтрольное раскрытие трещин, а также обрушение перекрытия.

В зависимости от функционального назначения помещений, величины полезных нагрузок различаются.
В жилом помещении равномерно распределённые по площади временные нагрузки составляют 150 – 200 кгс/м2, а в общественных зданиях, в зависимости от особенностей технологического процесса они составляют уже 250 – 500 кгс/м2.
Расчёт пролетных конструкций
Расчёт пролётных конструкций ведётся по двум группам предельных состояний:
- 1 группа – подбирается такие параметры жёсткости конструктивного элемента, при которых оно не потеряет прочность под действие сочетания постоянных, временных и особых нагрузок;
- 2 группа – расчёт по деформациям, при котором определяется фактический прогиб перекрытия, после чего это значение сравнивается с предельно допустимыми значениями из СНиП.
На несущую способность плит перекрытий влияет величины постоянных и полезных нагрузок, толщина элемента, длина пролёта и условия эксплуатации помещения.
Как рассчитать значения?
Расчёт нагрузок на плиту перекрытия производится методом суммирования всех приложенных к конструктивному элементу внешних сил, с учётом различных коэффициентов запаса, принимаемых по указанному выше СНиП. Если рассмотреть теоретические выкладки, то расчёт нагрузок делится на следующие категории:
Предельные
Расчёт сводится к вычислению максимально допустимого значения приложенных на конструкцию внешних сил, при которых конструкция достигает предельного равновесия.
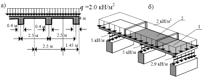
Например, на основании представленного ниже расчёта – при приложении суммарной расчётной нагрузки 900 кг/м2 на плиту перекрытия толщиной 200 мм, армированную прутками d10 A500s с шагом 200 мм, достигается фактический изгибающий момент М = 2812,5 кН*см при пролёте 5 м.
А сечение с такими параметрами остаётся в равновесии при достижении момента Мпред = 2988.5 кН*см, что всего на 5,8% выше предельного значения.
Учитывая, что момент в изгибаемом сечении под действием равномерно распределённой нагрузки равняется M = q х l2 / 8, то qпред = 8M/l2, или qпред = 8 х 2998.5 / 25 = 956.32 кг/м2 – при такой внешней силе сечение установленных параметров перестанет удовлетворять предельному равновесию, и данная нагрузка является предельной.
Точечные
Как правило, такие силы не прикладываются к перекрытию отдельно – всегда существуют постоянные нагрузки, и единичное точечное загружение суммируется с ними.
Приложенная точечная нагрузка влияет на значение опорных реакций и величину изгибающего момента в расчётном сечении. Усилия от точечного загружения определяется как произведение силы на плечо (расстояние от ближайшей точки опоры).
Например, если в комнате с пролётом 5 метров стоит декоративная колонна массой 500 кг на расстоянии от стены 2 м, то расчётная нагрузка с учётом коэффициента запаса (gn для постоянных сил = 1,05) составит 525 кг.
Момент в данной точке составит 525 кг х 2 м = 1050 кг * м, или 1050 кН * см.
Соответственно, при добавлении равномерно распределённого загружения, описанного выше, стандартное сечение плиты с армированием d10 A500s с шагом 200 мм не будет удовлетворять расчёту прочности, и данное место следует усилить дополнительными стержнями, например, d10 A500s ш. 200 + d12 A500s ш. 200.
Пересчёт на м
2Учитывая, что жб плита перекрытия работает по упруго-пластической схеме, все внутренние усилия в ней перераспределяются по площади и объёму.
СНиП допускает не производить расчёт временных нагрузок на плиту от конкретных предметов, а учитывать приведённую равномерно-распределённую по площади поверхности силу.
Например, вдоль стены комнаты, на протяжении 3 м стоит гарнитур общей массой 400 кг, напротив – диван массой 200 кг и другие предметы мебели с разными весами. По данному помещению каждый день передвигаются 4 человека с массами тела от 50 до 120 кг.
По факту, точно посчитать нагрузку не представляется возможным, но СП 20.13330.2011 допускает учитывать в статическом расчёте приведённую равномерно распределённую нагрузку для жилых помещений 150 кг/м2.
Пример
Ниже представлен пример сбора нагрузок на перекрытие в частном жилом доме. По условию задачи, габариты комнаты составляют 7 х 4 м, плита перекрытия 200 мм, поверх которой уложена ц/п стяжка толщиной 50 мм по подложке из экструдированного пенополистирола 30 мм, а в качестве чистового пола применяется керамогранитная плитка толщиной 12 мм с клеевым составом 3 мм.
Требуется собрать расчётные нагрузки на данную конструкцию для последующего расчёта. Задача решается с выполнением следующих этапов:
Собственный вес плиты – M1 = S x h x rбет, где:
- S – площадь поверхности перекрытия, равный 5 м х 4 м, или 2 м2,
- h – толщина плиты, которая составляет 200 мм, или 0,2 м,
- rбет – средняя плотность армированного бетона, которая равна 2500 кг/м2.
- M1 = 20 м2 х 0,2 м х 2500 кг/м2 = 10 000 кг.
Масса полов – M2 = mподл + mстяж + mплит, где:
- mподл = S x hподл х rпенопол = 20 м2 х 0,03 м х 40 кг/м2 = 24 кг,
- mстяж = S x hстяж х rц/п р-ра = 20 м2 х 0,05 м х 1800 кг/м2 = 1800 кг,
- mплит = S x hплит х rкерамогр = 20 м2 х 0,015 м х 2400 кг/м2 = 720 кг (значение принимается с учётом слоя плиточного клея).
M2 = 24 кг + 1800 кг + 720 кг = 2544 кг. В жилом помещении рекомендуемая по СНиП временная нагрузка составляет q = 150 кгс/м2.
Таким образом, суммарная полезная нагрузка на плиту составляет F = q x S = 150 х 20 = 3000 кг:
- Общая вертикальная нагрузка, приложенная к плите, равняется Fобщ = M1 + M2 + F = 10000 кг + 2544 кг + 3000 кг = 15544 кг, или 1554,4 кН.

- Как правило, нормативные нагрузки необходимо привести к расчётным величинам, учитывая коэффициенты надёжности. Данный показатель записывается как gn, и для постоянных загружений он составляет 1,1, а для полезной нагрузки – 1,4.
Таким образом, Fобщ расч = (M1 + M2) x gnс пост + F x gnврем = (10000 кг + 2544 кг) х 1,1 + 3000 кг х 1,4 = 13798,4 кг + 4200 кг = 17998.4 кг ~ 18000 кг, или 1800 кН.
Чтобы привести суммарное значение данной величины в равномерно распределённую нагрузку, достаточно разделить его на общую площадь комнаты. То есть Q общ расч = Fобщ расч / S = 1800 кН / 20 м2 = 90 кН/м2, или 900 кг/м2.
При наличии точечной или штамповой нагрузки от веса какого-либо оборудования, она участвует в расчёте отдельно, формируя линейную, а не квадратичную зависимость изгибающего момента.
В отдельных случаях допускается разложить точечную нагрузку на равномерно распределённую по площади, с учётом повышающего коэффициента, так как железобетон не является упругим материалом, и все усилия в нём перераспределяются в большей части его объёма.
Изгибающий момент
Безбалочная плита перекрытия должна удовлетворять расчёту по прочности, или первой группе предельных состояний. Чтобы определить несущую способность перекрытия, необходимо выполнить следующий алгоритм:
- Если соотношения габаритов перекрытия а/b или b/a > 2, то такая плита работает по короткой стороне.
Если данные показатель меньше 2, то плита считается опёртой по контуру, и расчёт ведётся относительно того пролёта, в котором возникает наибольший изгибающий момент.Значение момента прямо пропорционально величине пролёта, поэтому в рассматриваемом примере расчёт ведётся относительно стороны a = 5 м.
- Из плиты выделяется расчётная полоса шириной 1 м, которая будет рассматриваться как изгибаемый линейный элемент, или балка с приложенной к ней равномерно распределённой по длине нагрузкой.
В рассматриваемом примере балка имеет сечение b x h = 1 м х 0,2 м, и к ней приложена нагрузка qрасч = 900 кг/м, или 90 кН/м.
Величина изгибаемого момента для подобной конструкции составляет M = qрасч х l2 / 8, где l – величина пролёта, или 5 м. M = 90 кН/м х 5 х 5 / 8 = 281.25 кН*м, или 2812,5 кН*см.
Величина изгибающего момента может быть отображена на эпюре данного вида усилия, возникающего в конструкции.
Как посчитать несущую способность?
При известной величине изгибающего момента и габаритов (жёсткости сечения) можно определить несущую способность данного пролётного элемента по следующим формулам:
Высота сечения плиты складывается из двух величин h = h0 + a, где h0 – рабочая высота от нижней арматуры, находящейся в зоне растяжения до верхней грани бетона. а – величина защитного слоя бетона. Как правило, этот показатель в тонких плитах варьируется в пределах от 15 до 25 мм. h0 = h – a = 200 мм – 20 мм = 180 мм.
В строительной механике, согласно по СП 63.13330.
2018 «Бетонные и железобетонные конструкции», существуют два условия, при которых конструкция достигает предельного равновесия под действием внешних сил.
Rs As = Rbbx, где:
- M = Rbbx (h0 – x/2),
- Rs – предел прочности арматурной стали заданного класса на растяжение,
- Rb – тот же показатель, но для бетона, на сжатие, зависящий от марки материала.
Если в плите принимается наиболее распространённая арматура класса A500s, то Rs = 43,5 кН/см2. Если бетон в рассматриваемом примере имеет класс B30, то Rb = 1,7 кН/см2.
В условии равновесия х – абсолютная величина сжатой зона бетона, которая равняется х = Rs Аs / gb1 Rbb (по СП 63.13330.2018 «Бетонные и железобетонные конструкции»):
- As – площадь всех стержней рабочей арматуры в растянутой зоне сечения плиты,
- gb1 – коэффициент запаса, зависящий от условий работы бетона в конструкции, для стандартных вариантов эксплуатации перекрытия принимается равным 0,9.

Требуемая площадь рабочей арматуры зависит от расчётных параметров сечения и величины внутренних усилий (в плите перекрытия – изгибающего момента).
Аs = gb1Rbbeh0/Rs (по СП 63.13330.2018):
- e – безразмерная величина, характеризующая относительную высоту сжатой части бетонного сечения, которая определяется из соотношения e = (1 – (1 – 2am)1/2),
- am – это показатель, описывающий отношение изгибающего момента к прочностным характеристикам жб сечения, определяемый по формуле СП,
- am = M / (gb1 Rbbh02) = 2812,5 / (0,9 х 1,7 х 100 х 324) = 2812,5 кН*см / 49572 = 0,057.
Аs = 0,9 х 1,7 х 100 х 0,057 х 18 / 43,5 = 3,61 см2.
Для предотвращения образования трещин от усадки бетона, в плитах перекрытий шаг рабочей арматуры, чаще всего, назначается 200 мм.
Таким образом, в расчётной полосе шириной 1 м располагается 5 рабочих стержней.
В данном примере допускается рассмотреть армирование из 5d10, и реальная площадь стержней составит 3,93 см2, что больше, чем требуемое значение, с учётом повышающих коэффициентов. При известных значениях площади армирования, можно определить величину х: х = Rs Аs / gb1 Rbb = 43,5 х 3,93 / (0,9 х 1,7 х 100) = 1,12 см.
На завершающем этапе из основного условия равновесия определяется предельно допустимый момент, который может возникнуть в сечении плиты перекрытия. M = gb1 Rbbx(h0 – x/2) = 0,9 х 1,7 х 100 х 1,12 х (18 – 1,12/2) = 2988.5 кН*см.
Далее остаётся сравнить предельно допустимый момент 2988.5 кН*см с фактическим усилием, возникающим после приложения нагрузок – 2812,5 кН*см, который оказался меньше, значит, условие прочности выполняется.
В случае, если условие предельного равновесия не достигается, толщина плиты, а также расчётное количество рабочей арматуры должны быть пересмотрены.
Прочность ЖБ элемента
В строительной механике понятия прочности и несущей способности практически не имеют различий. Однако, на практике это не совсем так. Прочность – это способность конструктивного элемента не разрушаться под действием внешних сил. Несущая способность – это способность конструктивного элемента удовлетворять предъявленным к нему эксплуатационным требованиям под действием сочетания нагрузок.
Таким образом, расчёт по предельным состояниям 1 группы, приведённый выше, показывает, что плита перекрытия остаётся в статическом положении не разрушается, (то есть, обеспечивается её прочность) и может эксплуатироваться в нормальных условиях (так как в расчёте были учтены все коэффициенты условий работы). Проведения дополнительных прочностных расчётов не требуется.
Возможные сложности и ошибки
При расчёте сечения плиты перекрытия на прочность, следует учитывать важные нюансы, чтобы не допустить серьёзных ошибок:
- Расчёты должны проводиться в строгом соответствии с требованиями нормативных документов.

- При вычислениях все единицы измерения должны быть приведены к единым значениям, а, в противном случае, результат будет далёким от истины.
- При определении изгибающего момента следует учесть характер опирания плиты перекрытия, так как формулы для жёсткой заделки или шарнирного сопряжения отличаются друг от друга.
- При сборе нагрузок не следует забывать коэффициенты надёжности, которые усугубляют теоретическую работу конструкции и приближают её к реальным условиям.
Последствия неверных расчётов могут привести к обрушению строительных конструкций, недопустимым прогибам и другим непоправимым проблемам во время эксплуатации сооружения.
Заключение
Перед назначением толщины и армирования плиты перекрытия необходимо провести расчёт прочности изгибаемого элемента. Вычисления выполняются после сбора постоянных и временных нагрузок и определения внутренних усилий в конструкции.
Если результаты расчёта не удовлетворяют условиям предельного равновесия, необходимо задать другую толщину плиты и провести вычисления заново.
Временная нагрузка на перекрытие для жилых зданий
Временные нагрузки на перекрытиях
Расчет выполнен по нормам проектирования “СНиП 2.01.07-85* с изменением №2”
Для расчета объекта в целом
1. Квартиры жилых зданий, спальные помещения детских дошкольных учреждений и школ-интернатов, жилые помещения домов отдыха и пансионатов, общежитий и гостиниц, палаты больниц и санаториев, террасы
Максимальное значение нормативной нагрузки :
Отчет сформирован программой ВеСТ (32-бит), версия: 11.5.1.1 от 03.05.2015
Погонная нагрузка в уровне подошвы ленточного фундамента
(Грузовая площадь = 1,0*3,0=3,0м 2 )
1)Монолитные железобетонные ленточные фундаменты – Рн=1,5т/м; Рр=1,65т/м;
2) Монолитные железобетонные стены подвала – Рн=1,388т/пм; Рр=1,526т/пм;
6) Наружные кирпичные стены – Рн=5,087т/м;Рр=7,421т/м;
Нагрузка в уровне подошвы фундамента под колонну
(Грузовая площадь = 6,0*6,0=36,0м 2 )
1)Монолитная железобетоннаяплита под колонну – Рн=13,5т; Рр=14,85т;
2) Монолитная железобетоннаяколонна подвала – Рн=0,74т; Рр=0,814т/м;
5) Монолитная железобетоннаяколонна1-го этажа – Рн=1,26т; Рр=1,386т;
6) Монолитная железобетоннаяколонна2-го этажа – Рн=1,24т; Рр=1,364т;
Расчет фундаментов
Фундамент под среднюю колонну здания
Результаты расчёта
Тип фундамента: – столбчатый на естественном основании
Исходные данные
Тип грунта в основании фундамента:- пылевато-глинистые, крупнообломочные с пылевато-глинистым заполнителем 0.
25 2
Максимальное напряжение под подошвой в основном сочетании 21,414 тс/м 2
Минимальное напряжение под подошвой в основном сочетании 21,414 тс/м 2
Результирующая вертикальная сила 124,671 тс
Сопротивление основания 179,926 тс
Выводы
Ширина подошвы ленточного фундамента под наружную стену– 1,0м.
Размеры подошвыфундамента под среднюю колонну здания– a=2,25 м b=2,25 м
РАСЧЕТ КАРКАСА
НАГРУЗКИ
Собственный вес
| Полное | 0,15 | Т/м 2 |
| Пониженное | 0,03 | Т/м 2 |
| Коэффициент надежности по нагрузке γf | 1,3 | |
| Нормативное значение | Расчетное значение | |
| Полное | 0,15 Т/м 2 | 0,195 Т/м 2 |
| Пониженное | 0,03 Т/м 2 | 0,039 Т/м 2 |
Отчет сформирован программой ВеСТ (32-бит), версия: 11.
5.1.1 от 03.05.2015
Временные нагрузки
Расчет выполнен по нормам проектирования “СНиП 2.01.07-85* с изменением №2”
Для расчета объекта в целом
16. Равномерно распределенные добавочные нагрузки на ригели и плиты перекрытий от веса временных перегородок
Максимальное значение нормативной нагрузки :
| Материал | Распределенная нагрузка (Т/м 2 ) | Объемный вес (Т/м 3 ) | Толщина (м) | γf |
| Линолеум | 0,009/0,011 | 1,8 | 0,005 | 1,2 |
| Битумы нефтяные | 0.004/0,005 | 1,4 | 0,003 | 1,2 |
| Стяжка цементно-песчаным раствором | 0,051/0,066 | 1,7 | 0,030 | 1,3 |
| Плиты п/ж минералловатные толщ.100мм | 0,01/0,012 | 0,1 | 0,100 | 1,2 |
| Пергамин кровельный в один слой | 0,001/0,002 | 1,4 | 0,001 | 1,2 |
| Тяжелый железобетон на гравии или щебне | 0,425/0,468 | 2,5 | 0,17 | 1,1 |
| Нормативная нагрузка | ||||
| Расчетная нагрузка | ||||
| Полное | 0,05 | Т/м 2 | ||
| Коэффициент надежности по нагрузке f | 1,3 | |||
| Нормативное значение | Расчетное значение | |||
| Полное | 0,05 Т/м 2 | 0,065 Т/м 2 | ||
| Пониженное | 0 Т/м 2 | 0 Т/м 2 |
Нагрузки от оборудования, людей, животных, складируюмых материалов и изделий
3.
1.
Нормы настоящего раздела распространяются на нагрузки от людей, животных, оборудования, изделий, материалов, временных перегородок, действующие на перекрытия зданий и полы на грунтах.
Варианты загружения перекрытий этими нагрузками следует принимать в соответствии с предусмотренными условиями возведения и эксплуатации зданий. Если на стадии проектирования данные об этих условиях недостаточны, при расчете конструкций и оснований необходимо рассмотреть следующие варианты загружения отдельных перекрытий:
сплошное загружение принятой нагрузкой;
неблагоприятное частичное загружение при расчете конструкций и оснований, чувствительных к такой схеме загружения;
отсутствие временной нагрузки.
При этом суммарная временная нагрузка на перекрытия многоэтажного здания при неблагоприятном частичном их загружении не должна превышать нагрузку при сплошном загружении перекрытий, определенную с учетом коэффициентов сочетаний yn
, значения которых вычисляются по формулам (3) и (4).
ОПРЕДЕЛЕНИЕ НАГРУЗОК ОТ ОБОРУДОВАНИЯ, СКЛАДИРУЕМЫХ МАТЕРИАЛОВ И ИЗДЕЛИЙ
3.2.
Нагрузки от оборудования (в том числе трубопроводов, транспортных средств), складируемых материалов и изделий устанавливаются в строительном задании на основании технологических решений, в котором должны быть приведены:
а) возможные на каждом перекрытии и полах на грунте места расположения и габариты опор оборудования, размеры участков складирования и хранения материалов и изделий, места возможного сближения оборудования в процессе эксплуатации или перепланировки;
б) нормативные значения нагрузок и коэффициенты надежности по нагрузке, принимаемые в соответствии с указаниями настоящих норм, для машин с динамическими нагрузками – нормативные значения инерционных сил и коэффициенты надежности по нагрузке для инерционных сил, а также другие необходимые характеристики.
При замене фактических нагрузок на перекрытия эквивалентными равномерно распределенными нагрузками последние следует определять расчетом и назначать дифференцированно для различных конструктивных элементов (плит, второстепенных балок, ригелей, колонн, фундаментов).
Принимаемые значения эквивалентных нагрузок должны обеспечивать несущую способность и жесткость элементов конструкций, требуемые по условиям их загружения фактическими нагрузками. Полные нормативные значения эквивалентных равномерно распределенных нагрузок для производственных и складских помещений следует принимая для плит и второстепенных балок не менее 3,0 кПа (300 кгс/м 2 ), для ригелей, колонн и фундаментов – не менее 2,0 кПа (200 кгс/м 2 ).
Учет перспективного увеличения нагрузок от оборудования и складируемых материалов допускается при технико-экономическом обосновании.
3.3.
Нормативное значение веса оборудования, в том числе трубопроводов, следует определять на основании стандартов или каталогов, а для нестандартного оборудования – на основании паспортных данных заводов-изготовителей или рабочих чертежей.
В состав нагрузки от веса оборудования следует включать собственный вес установки или машины (в том числе привода, постоянных приспособлений, опорных устройств, подливок и подбетонок), вес изоляции, заполнителей оборудования, возможных при эксплуатации, наиболее тяжелой обрабатываемой детали, вес транспортируемого груза, соответствующий номинальной грузоподъемности и т.
п.
Нагрузки от оборудования на перекрытия и полы на грунтах необходимо принимать в зависимости от условий его размещения и возможного перемещения при эксплуатации. При этом следует предусматривать мероприятия, исключающие необходимость усиления несущих конструкций, связанного с перемещением технологического оборудования во время монтажа или эксплуатации здания.
Число учитываемых одновременно погрузчиков или электрокаров и их размещение на перекрытии при расчете различных элементов следует принимать по строительному заданию на основании технологических решений.
Динамическое воздействие вертикальных нагрузок от погрузчиков и электрокаров допускается учитывать путем умножения нормативных значений статических нагрузок на коэффициент динамичности, равный 1,2.
3.4.
Коэффициент надежности по нагрузке
gt
для веса оборудования приведен в табл.
Коэффициент надежности по нагрузке gt
Характеристики перекрытий
Схема формулы определения несущей способность.
Для пустотных ЖБИ конструкций характерны следующие качества:
- прочность;
- жесткость и отсутствие возможности прогибаться, в противном случае изделие потрескается и разломается;
- огнеустойчивость – пожар не должен повредить перекрытие;
- минимальный вес при сохранении всех; характеристик;
- теплозащита;
- звукоизоляция;
- водоизоляция;
- газоизоляция.
Любые перекрытия должны обладать должной несущей способностью, за счет которой они могут выдерживать допустимые нагрузки. К примеру, для пустотных изделий характерна различная форма пустот, ширина и длина. Различают также плиты круглых пустот и вытянутые вверх. Армирование таких конструкций осуществляется в нижней их части, между пустотами и от нее зависят прочностные свойства изделия. Реже армирование осуществляется в верхней части пустотных плит с помощью металлической сетки. Таким образом увеличивается прочность верхней ее поверхности. Рассчитывать нагрузку перекрытия необходимо при проектировании.
Этот показатель зависит от геометрических параметров изделия и колеблется в пределах 800-1450 кгс/кв.м.
Если плиты смонтированы так, что они не опираются на две стороны, тогда арматура не сможет выполнять своих функций. Что касается несущей способности перекрытий, то в данном случае этот показатель будет незначительным. Нельзя опирать плиты и по третьей стороне, так как нарушается их работа и снижаются прочностные свойства.
Пример расчета деревянного перекрытия
Основной задачей расчета деревянного перекрытия является подбор сечения и шага деревянных балок. Шаг деревянных балок обычно принимают 0.5-1.5м, а сечение приходится рассчитывать. Непосредственно этой задачей мы и будем заниматься в данном примере.
Расчет перекрытия будем вести между 1-ым и 2-ым этажами. Зададимся исходными данными.
1. Размер перекрытия 4х6 м
(балки располагаем по стороне 4 метра) 2. Шаг балок –
0.6 м
3. Порода древесины –
сосна
4.
Сорт древесины –
2 сорт
5. Состав перекрытия:
a. Балка перекрытия (для примерного подсчета нагрузки от собственного веса возьмем сечение 200х100) b. Черепной брусок 40х40 (крепим к балке перекрытия) c. Щит наката толщиной 20 мм d. Шумоизоляция толщиной 140 мм (пусть плотность равна 100 кг/м3) e. Черновой пол толщиной 50 мм f. Чистовой пол толщиной 15 мм
Для начала соберем распределенную нагрузку на балку.
Все постоянные и временные нагрузки на балку сведем в таблицу:
Сперва найдем все нормативные нагрузки на площадь (кг/м2) – столбец №3.
3.1 Для определения нормативной нагрузки в кг/м2 для балок перекрытия воспользуемся следующим методом: найдем массу всех балок перекрытия и разделим на площадь, которую они перекрывают (4,8х4м). Масса одной балки
– 0.2м * 0.1м * 4м * 500 кг/м3 = 40 кг
Масса всех балок
– 40 кг * 9 шт = 360 кг
Нормативная нагрузка в кг/м2 от балок перекрытия
– 360 кг / 4,8м / 4м = 18,75 кг/м2
3.
2 Для определения нагрузки от черепного бруска воспользуемся тем же методом: Масса одного бруска
– 0,04м * 0,04м * 4м * 500 кг/м3 = 3,2 кг
Масса всех брусков
– 3,2 кг * 18 шт = 57,6 кг
Нормативная нагрузка в кг/м2 от черепного бруска
– 57,6 кг / 4,8м / 4м = 3 кг/м2
3.3 Щит наката
– 0,02 м * 500 кг/м3 = 10 кг/м2 3.4
Шумоизоляция
– 0,14 м * 100 кг/м3 = 14 кг/м2 3.5
Черновой пол
– 0,05 м * 500 кг/м3 = 25 кг/м2 3.6
Чистовой пол (паркет)
– 0,015 м * 650 кг/м3 = 9,75 кг/м2 3.7
Полезную нагрузку на перекрытие 2-ого этажа
найдем в СП 20.13330.2016 «Нагрузки и воздействия» таблица 8.3. Нормативное значения равномерно распределенной нагрузки будет как для квартир жилых зданий и равна 1,5 кПа или 150 кг/м2.
Максимально допустимая нагрузка на плиту перекрытия
Для обустройства перекрытий между этажами, а также при строительстве частных объектов применяются железобетонные панели с полостями.
Они являются связующим элементом в сборных и сборно-монолитных строениях, обеспечивая их устойчивость. Главная характеристика – нагрузка на плиту перекрытия. Она определяется на этапе проектирования здания. До начала строительных работ следует выполнить расчеты и оценить нагрузочную способность основы. Ошибка в расчетах отрицательно повлияет на прочностные характеристики строения.
Как маркируются плиты пустотные
Государственный стандарт регламентирует требования по маркировке продукции. Маркировка содержит буквенно-цифровое обозначение.
Маркировка пустотных плит перекрытия
По нему определяется следующая информация:
- типоразмер панели;
- габариты;
- предельная нагрузка на плиту перекрытия.
Маркировка также может содержать информацию по типу применяемого бетона.
На примере изделия, которое обозначается аббревиатурой ПК 38-10-8, рассмотрим расшифровку:
- ПК – эта аббревиатура обозначает межэтажную панель с круглыми полостями, изготовленную опалубочным методом;
- 38 – длина изделия, составляющая 3780 мм и округленная до 38 дециметров;
- 10 – указанная в дециметрах округленная ширина, фактический размер составляет 990 мм;
- 8 – цифра, указывающая, сколько выдерживает плита перекрытия килопаскалей.
Это изделие способно выдерживать 800 кг на квадратный метр поверхности.
При выполнении проектных работ следует обращать внимание на индекс в маркировке изделий, чтобы избежать ошибок. Подбирать изделия необходимо по размеру, уровню максимальной нагрузки и конструктивным особенностям.
Маркировка пустотных плит
Марка панели состоит из нескольких групп букв и цифр, разделенных дефисами. Первая часть – тип плиты, ее геометрические размеры в дециметрах (округленные до целого числа), количество сторон опоры, на которое рассчитана панель. Вторая часть – расчетная нагрузка на плиту в кПа (1 кПа = 100 кг/м²).
Внимание! В маркировке указана расчетная, равномерно распределенная нагрузка на бетонное перекрытие (без учета собственной массы изделия).
Дополнительно в маркировке указывают тип бетона, примененного для изготовления (Л – легкий; С – плотный силикатный; тяжелый бетон индексом не обозначают), а также дополнительные характеристики (например, сейсмологическую устойчивость).
Например, если на плиту нанесена маркировка 1ПК66.15-8, то это расшифровывается следующим образом:
1ПК – толщина панели – 220 мм, пустоты Ø=159 мм и она предназначена для установки с опорой на две стороны.
66.15 – длина составляет 6600 мм, ширина – 1500 мм.
8 – нагрузка на плиту перекрытия, которая составляет 8 кПа (800 кг/м²).
Отсутствие в конце маркировки буквенного индекса указывает на то, что для изготовления был применен тяжелый бетон.
Еще один пример маркировки: 2ПКТ90.12-6-С7. Итак, по порядку:
2ПКТ – панель толщиной 220 мм с пустотами Ø=140 мм, предназначенная для установки с упором на три стороны (ПКК означает необходимость установки панели на четыре стороны опоры).
90.12 – длина – 9 м, ширина – 1,2 м.
6 – расчетная нагрузка 6 кПа (600 кг/м²).
С – означает, что она изготовлена из силикатного (плотного) бетона.
7 – панель может быть использована в регионах с сейсмологической активностью до 7 баллов.
Преимущества и слабые стороны плит с полостями
Пустотелые плиты популярны благодаря комплексу достоинств:
- небольшому весу.
При равных размерах они обладают высокой прочностью и успешно конкурируют с цельными панелями, которые имеют большой вес, соответственно увеличивая воздействие на стены и фундамент строения; - уменьшенной цене. По сравнению с цельными аналогами, для изготовления пустотелых изделий требуется уменьшенное количество бетонного раствора, что позволяет обеспечить снижение сметной стоимости строительных работ;
- способности поглощать шумы и теплоизолировать помещение. Это достигается за счет конструктивных особенностей, связанных с наличием в бетонном массиве продольных каналов;
- повышенному качеству промышленно изготовленной продукции. Особенности конструкции, размеры и вес не позволяют кустарно изготавливать панели;
- возможности ускоренного монтажа. Установка выполняется намного быстрее, чем сооружение цельной железобетонной конструкции;
- многообразию габаритов. Это позволяет использовать стандартизированную продукцию для строительства сложных перекрытий.
К преимуществам изделий также относятся:
- возможность использования внутреннего пространства для прокладки различных инженерных сетей;
- повышенный запас прочности продукции, выпущенной на специализированных предприятиях;
- стойкость к вибрационному воздействию, перепадам температур и повышенной влажности;
- возможность использования в районах с повышенной до 9 баллов сейсмической активностью;
- ровная поверхность, благодаря которой уменьшается трудоемкость отделочных мероприятий.

Изделия не подвержены усадке, имеют минимальные отклонения размеров и устойчивы к воздействию коррозии.
Имеются также и недостатки:
- потребность в использовании грузоподъемного оборудования для выполнения работ по их установке. Это повышает общий объем затрат, а также требует наличия свободной площадки для установки подъемного крана;
- необходимость выполнения прочностных расчетов. Важно правильно рассчитать значения статической и динамической нагрузки. Массивные бетонные покрытия не стоит устанавливать на стены старых зданий.
Для установки перекрытия необходимо сформировать армопояс по верхнему уровню стен.
Расчет нагрузки на плиту перекрытия
Расчетным путем несложно определить, какую нагрузку выдерживают плиты перекрытия. Для этого необходимо:
- начертить пространственную схему здания;
- рассчитать вес, действующий на несущую основу;
- вычислить нагрузки, разделив общее усилие на количество плит.

Определяя массу, необходимо просуммировать вес стяжки, перегородок, утеплителя, а также находящейся в помещении мебели.
Рассмотрим методику расчета на примере панели с обозначением ПК 60.15-8, которая весит 2,85 т:
- Рассчитаем несущую площадь – 6х15=9 м 2 .
- Вычислим нагрузку на единицу площади – 2,85:9=0,316 т.
- Отнимем от нормативного значения собственный вес 0,8-0,316=0,484 т.
- Вычислим вес мебели, стяжки, полов и перегородок на единицу площади – 0,3 т.
- Сопоставимый результат с расчетным значением 0,484-0,3=0,184 т.
Многопустотная плита перекрытия ПК 60.15-8
Полученная разница, равная 184 кг, подтверждает наличие запаса прочности.
Плита перекрытия – нагрузка на м 2
Методика расчета позволяет определить нагрузочную способность изделия.
Рассмотрим алгоритм вычисления на примере панели ПК 23.15-8 весом 1,18 т:
- Рассчитаем площадь, умножив длину на ширину – 2,3х1,5=3,45 м 2 .

- Определим максимальную загрузочную способность – 3,45х0,8=2,76т.
- Отнимем массу изделия – 2,76-1,18=1,58 т.
- Рассчитаем вес покрытия и стяжки, который составит, например, 0,2 т на 1 м 2 .
- Вычислим нагрузку на поверхность от веса пола – 3,45х0,2=0,69 т.
- Определим запас прочности – 1,58-0,69=0,89 т.
Фактическая нагрузка на квадратный метр определяется путем деления полученного значения на площадь 890 кг:3,45 м2= 257 кг. Это меньше расчетного показателя, составляющего 800 кг/м2.
Достоинства и недостатки изделий
Основные преимущества применения пустотных железобетонных плит по сравнению с устройством монолитных перекрытий:
- Небольшой вес – позволяет минимизировать нагрузки на стены и фундамент.
- Быстрый монтаж и минимальная трудоемкость – укладка выполняется с привлечением автокрана и занимает считанные часы, заделка щелей и обкладка пустот тоже не отнимают много времени.
- Более низкая цена – обусловлена отсутствием необходимости в приобретении или аренде дополнительной оснастки и инструмента (опалубки, арматуры, вибрационного оборудования и т.
д.). - Дополнительная звуко- и теплоизоляция – воздух, содержащийся в технологических пустотах, способствует уменьшению теплопотерь и снижению уровня шума, проникающего извне.
- Широкий выбор плит по типоразмерам – ПК выпускаются длиной 1,6-7,2 м, а ПБ от 1,6 до 10,8 м.
Фото 4. Процесс монтажа плит автокраном
К числу недостатков относится необходимость привлечения грузоподъемной техники, требующей свободного подъезда к месту проведения монтажных работ. Перед установкой плит на стены из материалов низко плотности (газосиликат, пеноблок, пенополистиролбетон и т.д.) требуется соорудить армопояс по периметру несущих стен «коробки».
Также при выборе многопустотных железобетонных изделий для сооружения горизонтальных несущих и ограждающих конструкций учитывайте, что сбор нагрузок на плиту перекрытия производится в соответствии с требованиями СП 20.13330.2016 («Актуализированная редакция СНиП 2.01.07-85»). Подробнее расчет будет рассмотрен в следующих разделах нашей статьи.
Нагрузка на плиту перекрытия в панельном доме старой постройки
Определяя, какой вес выдерживает плита перекрытия в квартире старого дома, следует учитывать ряд факторов:
- нагрузочную способность стен;
- состояние строительных конструкций;
- целостность арматуры.
При размещении в зданиях старой застройки тяжелой мебели и ванн увеличенного объема, необходимо рассчитать, какое предельное усилие могут выдержать плиты и стены строения. Воспользуйтесь услугами специалистов. Они выполнят расчеты и определят величину предельно допустимых и постоянно действующих усилий. Профессионально выполненные расчеты позволят избежать проблемных ситуаций.
| Полное | 0,15 | Т/м 2 |
| Пониженное | 0,03 | Т/м 2 |
| Коэффициент надежности по нагрузке f | 1,3 | |
| Нормативное значение | Расчетное значение | |
| Полное | 0,15 Т/м 2 | 0,195 Т/м 2 |
| Пониженное | 0,03 Т/м 2 | 0,039 Т/м 2 |
Расчет железобетонной монолитной плиты перекрытия
Железобетонные монолитные плиты перекрытия, несмотря на то, что имеется достаточно большое количество готовых плит, по-прежнему востребованы.
Особенно если это собственный частный дом с неповторимой планировкой, в котором абсолютно все комнаты имеют разные размеры либо процесс строительства ведется без использования подъемных кранов.
Монолитные плиты достаточно востребованы, особенно в строительстве загородных домов с индивидуальным дизайном.
В подобном случае устройство монолитной железобетонной плиты перекрытия дает возможность значительно сократить затраты денежных средств на приобретение всех необходимых материалов, их доставку либо монтаж. Однако в данном случае большее количество времени может уйти на выполнение подготовительных работ, в числе которых будет и устройство опалубки. Стоит знать, что людей, которые затевают бетонирование перекрытия, отпугивает вовсе не это.
Заказать арматуру, бетон и сделать опалубку на сегодняшний день несложно. Проблема заключается в том, что не каждый человек может определить, какая именно арматура и бетон понадобятся для того, чтобы выполнить подобные работы.
Данный материал не является руководством к действию, а несет чисто информационный характер и содержит исключительно пример расчета.
Все тонкости расчетов конструкций из железобетона строго нормированы в СНиП 52-01-2003 “Железобетонные и бетонные конструкции. Основные положения”, а также в своде правил СП 52-1001-2003 “Железобетонные и бетонные конструкции без предварительного напряжения арматуры”.
Монолитная плита перекрытия представляет собой армированную по всей площади опалубку, которая заливается бетоном.
Касательно всех вопросов, которые могут возникать в процессе расчета железобетонных конструкций, следует обращаться именно к данным документам. В данном материале будет содержаться пример расчета монолитного железобетонного перекрытия согласно тем рекомендациям, которые содержатся в данных правилах и нормах.
Пример расчета железобетонной плиты и любой строительной конструкции в целом будет состоять из нескольких этапов. Их суть – подбор геометрических параметров нормального (поперечного) сечения, класса арматуры и класса бетона, чтобы плита, которая проектируется, не разрушилась под воздействием максимально возможной нагрузки.
Пример расчета будет производиться для сечения, которое перпендикулярно оси х. На местное сжатие, на действие поперечных сил, продавливание, на кручение (предельные состояния 1 группы), на раскрытие трещин и расчет по деформациям (предельные состояния 2 группы) производиться не будут. Заранее стоит предположить, что для обыкновенной плоской плиты перекрытия в жилом частном доме подобных расчетов не требуется. Как правило, так оно и есть на самом деле.
Следует ограничиться лишь расчетом нормального (поперечного) сечения на действия изгибающего момента. Те люди, которым не нужно давать пояснения касательно определения геометрических параметров, выбора расчетных схем, сбор нагрузок и расчетных предпосылок, могут сразу перейти к разделу, в котором содержится пример расчета.
Вернуться к оглавлению
Временные нагрузки (приложенные нагрузки) на здания
Временные нагрузки — это нагрузки, возникающие в результате использования и пребывания в здании. К ним относятся нагрузки от присутствия человека, мебели, транспортных средств, ожидаемых редких событий, таких как скопление людей и штабелирование материалов, передвижных машин и оборудования, складских помещений, работ по техническому обслуживанию и т.
д. Обычно определяются значения временной нагрузки для каждого типа здания. сводами правил, и именно поэтому использование любой конструкции должно быть определено до начала проектирования.
Временные нагрузки на этажи зданий определяются равномерно распределенной нагрузкой, линейной нагрузкой и сосредоточенной нагрузкой, которые, однако, не должны прикладываться одновременно. Равномерно распределенная нагрузка используется для всех глобальных проверок и общих расчетов, в то время как сосредоточенная нагрузка обычно используется для локальных проверок. Нагрузки на перекрытия, состоящие из временных и постоянных нагрузок, комбинируются при расчете перекрытий и перекрытий.
Временные нагрузки измеряются в фунтах на квадратный фут (psf) в Соединенных Штатах Америки, в то время как обычно они измеряются в килоньютонах на квадратный метр (кН/м 2 ) в Великобритании и большей части Европы. Иногда экологические нагрузки, такие как ветровые нагрузки, рассматриваются отдельно от динамических нагрузок.
В соответствии с EN 1991-1-1:2002 прилагаемые нагрузки следует учитывать как квазистатические воздействия. Однако динамические эффекты могут быть включены в модели нагрузки, если нет риска резонанса или других значительных динамических реакций конструкции. Если можно ожидать резонансных эффектов от синхронизированного ритмичного движения людей, танцев или прыжков, необходимо определить модель нагрузки для специального динамического анализа.
Типичные временные нагрузки на пол общественного здания Категории зданийДля определения приложенных нагрузок площади полов и крыш в зданиях следует разделить на категории в соответствии с их назначением (см. Таблицу 1). Площади в жилых, социальных, коммерческих и административных зданиях должны быть разделены на категории в соответствии с их конкретным использованием, как показано в таблице 6.1 EN 1991-1-1:2002.
| Категория | Специальное использование | Пример |
| A | Помещения для хозяйственной и жилой деятельности | Помещения в жилых зданиях и домах; спальни и палаты в больницах; спальни в гостиницах и общежитиях кухни и туалеты.![]() |
| B | Офисные зоны | |
| C | Области, где люди могут собраться (за исключением областей, определенных в категориях A, B и D. | C1: Помещения со столами и т. д., например. помещений в школах, кафе, ресторанах, столовых, читальных залах и приемных. C2: Помещения со стационарными сиденьями, напр. помещения в церквях, театрах или кинотеатрах, конференц-залы, лекционные залы, актовые залы, залы ожидания и железнодорожные залы ожидания. C3: Зоны без препятствий для передвижения людей, например. площади в музеях, выставочные залы и т. д., а также зоны доступа в общественных и административных зданиях, гостиницах, больницах и перед вокзалами. C4: Зоны с возможной физической активностью, напр. танцевальные центры, гимнастические залы и сцены. C5: Зоны с большим скоплением людей, напр. в зданиях для массовых мероприятий, таких как концертные залы, спортивные залы, включая трибуны, террасы и зоны доступа и железнодорожные платформы. |
| D | Торговые площади | D1: Помещения в магазинах розничной торговли D2: Помещения в универмагах |
| E | Складские помещения | E1: Зоны, подверженные скоплению товаров, включая зоны доступа E2: Промышленные зоны |
Значения временных нагрузок для зданий категории А (площади хозяйственно-бытового назначения) приведены в таблице 2.
| Подкатегория | Пример | q k (кН/м 2 ) | 9 0021 Q k (кН)|
| A1 | Все виды использования внутри себя — изолированные жилые помещения (жилые помещения, занимаемые одной семьей или модульные студенческие общежития с надежной входной дверью, включающие не более шести одноместных спален и внутренний коридор) Места общего пользования (в том числе кухни) в многоквартирных домах с ограниченным использованием (см. Примечание 1). Места общего пользования в других многоквартирных домах см. A5, A6 и C3 | 1,5 | 2,0 |
| A2 | Спальни и общие спальни, за исключением отдельных жилых единиц, гостиниц и мотелей | 1,5 | 2.0 |
| A3 | Спальни в отелях и мотелях ; больничные палаты; туалеты | 2.0 | 2.0 |
| A4 | Бильярдные/снукерные комнаты | 2.0 | 2.7 | 90 033
| A5 | Балконы в многоквартирных домах и помещения общего пользования в многоквартирных домах с ограниченным использованием ( см. Примечание 1) | 2.5 | 2.0 |
| A6 | Балконы в общежитиях, гостевых домах, жилых клубах и места общего пользования в многоквартирных домах, кроме указанных в примечании 1 | То же, что и комнаты, в которые они дают доступ, но с минимумом из 3,0 | 2,0 (сосредоточено на внешнем краю) |
| A7 | Балконы в отелях и мотелях | То же, что и номера, к которым они открывают доступ, но не менее 4,0 | 2. 0 (сосредоточено на внешнем крае ) |
Значения временных нагрузок для зданий категории B (офисные площади) представлены в таблице 3;
| Подкатегория | Пример | q k (кН /м 2 ) | Q k (кН) |
| B1 | Общего назначения, отличного от B2 | 2,5 | 2,7 |
| B2 | На уровне первого этажа или ниже | 3 .0 | 2,7 |
Значения временных нагрузок для зданий категории C (зоны, где могут собираться люди) приведены в таблице 4;
| Подкатегория | Пример | q k (кН/м 2 ) | Q k (k N) | |
| C1 | Помещения со столами | 2,0 | 3,0 | |
| C11 | Общественные, учреждения и коммунальные столовые и комнаты отдыха, кафе и рестораны (см. примечание 2) | 2,5 | 4,0 | |
| C12 | Читальные залы без хранения книг | 3.0 | 3.0 | |
| C13 | Классы | 4.0 | 3.6 | |
| Зоны с фиксированными сиденьями | 3.0 | 2.7 | ||
| C21 | Сборочные зоны с фиксированными сиденьями (см. Примечание 3) | 3.0 | 4.5 | |
| C22 | Места поклонения | 3.0 | 4.0 | 9003 3|
| C3 | Зоны без препятствий для движения людей | 4.0 | 4.5 | |
| C31 | Коридоры, вестибюли, проходы в зданиях институционального типа, не подверженные скоплению людей или колесному транспорту, общежитиях, гостевых домах, жилых клубах и местах общего пользования в многоквартирных домах, не охваченных Примечанием 1 | 5,0 | 4,5 | |
| C32 | Лестница, посадки в зданиях институционального типа, не подверженные толпам или колесным транспортным средствам, хостелам, гостевыми домами, жилыми клубами и коммунальными районами в блоках плодов, не покрытых ножками 1, гостевые дома, жилые клубы и общие области в блоках.![]() | 4.0 | 4.0 | |
| C33 | Коридоры, коридоры, проходы во всех зданиях, не охватываемых C31 и C32, включая гостиницы и мотели, а также административные здания, подверженные скоплению людей | 3 .0 | 2.0 | |
| С34 | Коридоры, коридоры, проходы во всех зданиях, не охватываемых С31 и С32, включая гостиницы и мотели, а также административные здания, подверженные влиянию колесных транспортных средств, включая тележки | 5,0 | 3.6 | |
| C35 | Лестницы, лестничные площадки во всех зданиях, не подпадающих под C31 и C32, включая гостиницы, мотели и административные здания, подверженные скоплению людей | 7,5 | 4,5 9 0024 | |
| C36 | Проходы — легкая нагрузка (доступ для одного человека, ширина прохода около 600 мм) | 4,0 | 4,5 | |
| C37 | Проходы – общего назначения (обычное двустороннее пешеходное движение) | 5. 0 | 3.6 | |
| C38 | Пешеходные дорожки – для тяжелых условий эксплуатации (высокая плотность пешеходного движения, включая пути эвакуации) | 7.5 | 4.5 90 024 | |
| C39 | Музейные этажи и художественные галереи для выставочных целей | 5.0 | 3.6 | |
| C4 | Зоны возможной физической активности | 2.0 | 3.0 | C41 | Танцевальные залы и студии, спортивные залы, сцены (см. примечание 5) | 2,5 | 4,0 |
| C42 | Буровые залы и помещения для бурения (см. Примечание 5) | 3,0 | 3,0 | 9 0033|
| C5 | Зоны с большим скоплением людей | 4,0 | 3,6 | |
| C51 | Помещения для собраний без фиксированных сидений, концертные залы, бары и места отправления культа (см. примечание 4 и примечание 5) площади (см. Примечание 5) | 7,5 | 4,5 |
Значения временные нагрузки для зданий категории Д (торговые площади) приведены в табл.
5;
| Подкатегория | Пример | q k (кН/м 2 ) | Q k (кН) |
| D1 | Помещения в магазинах розничной торговли | 4,0 | 3,6 | 90 033
| D2 | Помещения в универмагах | 4.0 | 3.6 |
ПРИМЕЧАНИЕ 1: Помещениями общего пользования в многоквартирных домах с ограниченным использованием являются многоквартирные дома высотой не более трех этажей и с не более чем четырьмя автономными жилыми единицами на этаже, доступными с одной лестницы.
ПРИМЕЧАНИЕ 2: Там, где области, описанные в C11, могут подвергаться нагрузкам из-за физической активности или перенаселенности, например.
в столовой отеля, используемой в качестве танцпола, нагрузки должны быть основаны на C4 или C5, в зависимости от ситуации. Следует также сделать ссылку на примечание 5.
ПРИМЕЧАНИЕ 3: Неподвижное сидение – это сидение, удаление которого и использование пространства для других целей маловероятно.
ПРИМЕЧАНИЕ 4: Для трибун и стадионов следует ссылаться на требования соответствующего органа по сертификации.
ПРИМЕЧАНИЕ 5: Для конструкций, которые могут быть подвержены – эффектам резонанса, следует ссылаться на NA.2.1. NA по BS EN 1991-1-1:2002.
Стадионы требуют динамического анализаЗначения временных нагрузок для зданий категории Е (складские и производственные здания) приведены в таблице 6;
| Подкатегория | Примеры | q k 2 ) | Q k (кН) |
| E11 | Общие зоны статического оборудования, не указанные в других рубриках (институциональные и общественные здания) 9 0024 | 2,0 | 1,8 |
| E12 | Читальные залы с книжным шкафом, напр. библиотеки | 4,0 | 4,5 |
| E13 | Общие складские помещения, кроме указанных (см. примечание) | 2,4 за метр высоты складского помещения | 7.0 |
| E14 | Картотеки, картотечные и складские помещения (офисы) | 5.0 | 4.5 |
| Стеллажи (книги) | 2,4 на метр высоты хранения, но не менее из 6,5 | 7,0 | |
| E16 | Бумагохранилище для типографий и канцелярских магазинов | 4,0 за метр высоты склада | 9,0 | E17 | Плотная передвижная укладка (книг) на передвижных тележках, в общественные и административные здания | 4,8 на метр высоты хранения, но не менее 9,6 | 7,0 |
| E18 | Плотная мобильная укладка (книгами) на передвижных грузовиках, на складах | 4,8 на метр высоты хранения, но не менее 15,0 | 7,0 |
| E19 | Холодильный склад | 5,0 за метр высоты хранения, но не менее 15,0 | 9,0 |
| E2 | См. PD 6688 для приложенных нагрузок на полы для зон промышленных использовать |
Для гаражей и зон движения транспортных средств, приложенная нагрузка для транспортных средств массой менее 30 кН (около 3000 кг), q k = 2,5 кН/м 2 и Q к = 7,0 кН. Для транспортных средств массой более 30 кН, но менее 160 кН, q k = 5 кН/м 2 , при этом сосредоточенная нагрузка должна определяться специально. Равномерно распределенная нагрузка и сосредоточенная нагрузка не должны применяться одновременно.
Нагрузки на пол в зданиях — Structville
Содержание
Нагрузки на пол — это нагрузки, действующие на полы зданий, такие как плиты, настилы и тротуары. Все перекрытия должны быть в состоянии выдерживать нагрузки, прикладываемые к ним в течение срока их службы, и инженер-строитель обязан обеспечить адекватную оценку ожидаемой нагрузки и ее учет во время проектирования.
В реальном смысле нагрузки, прикладываемые к полу здания, могут быть произвольными и динамическими, такими как собственный вес пола и отделки, вес мебели, присутствие людей, различные виды хранения и т. д. Однако, во время структурного анализа эти нагрузки часто идеализируются как равномерно распределенные нагрузки, сосредоточенные (точечные нагрузки), частично распределенные нагрузки или динамические нагрузки. Динамический анализ может потребоваться при проектировании этажей, подверженных воздействию толпы.
Различные виды нагрузок на перекрытия Типы нагрузок на перекрытияВ целях проектирования конструкций все нагрузки на перекрытия обычно подразделяются на постоянные и временные.
Статическая нагрузка (постоянные действия) Статическая нагрузка – это нагрузка, постоянно действующая на пол. Как правило, это включает в себя собственный вес пола, постоянную отделку пола, такую как плитка, стяжка, терраццо и т.
д., и другие постоянные крепления на полу, такие как оборудование. Кроме того, вес перегородок, таких как блочные стены или колонны, опирающиеся непосредственно на плиты, также являются постоянными нагрузками на пол.
Для расчета значения статической нагрузки на перекрытия необходимо знать удельный вес рассматриваемого материала. Например, для железобетонной плиты для бетона обычно принимается удельный вес 24 – 25 кН/м 3 .
Типичная нагрузка на пол в коммерческом зданииЕсли толщина плиты составляет 150 мм (0,15 м) и удельный вес составляет 25 кН/м 3 , собственный вес плиты составляет;
собственный вес плиты = 0,15 × 25 = 3,75 кН/м 2
Эта нагрузка действует как равномерно распределенная нагрузка на пол. Точно так же вес отделки можно рассчитать, учитывая удельный вес отделки, стяжку и толщину.
Для стационарного оборудования или тяжелой мебели на полу здания достаточно знать вес оборудования и способ его крепления к полу для структурного анализа и проектирования.
Способ его размещения и закрепления на полу определяет, следует ли рассматривать его как равномерно распределенную нагрузку, сосредоточенную нагрузку или частично распределенную нагрузку.
Может оказаться важным определить, требуется ли динамический анализ или виброизоляция для механического оборудования. Для некоторого стационарного медицинского оборудования в больницах такой анализ может не потребоваться.
Разделительные нагрузки на плиты обычно рассматриваются как линейные нагрузки или преобразуются в эквивалентные равномерно распределенные нагрузки. Вес перегородки и характер ее фиксации будут определять, можно ли ее преобразовать в эквивалентную UDL или смоделировать как линейную нагрузку.
Временная нагрузка (переменные действия) Временная нагрузка на перекрытия обычно представляет собой нагрузку от пребывания на перекрытии и считается нагрузкой, способной перемещаться по полу здания. Обычно это вес людей и домашних животных на полу, мебели, предметов домашнего обихода, оргтехники, складских помещений, вес транспортных средств в подвесных гаражах, библиотечных книг и полок и т.
д.
В результате использование здания должны быть четко определены, чтобы знать соответствующую динамическую нагрузку, которая будет использоваться в проекте. Временные нагрузки на перекрытия обычно представлены равномерно распределенными нагрузками и сосредоточенными нагрузками. Равномерно распределенные нагрузки обычно используются для общего проектирования и глобальных проверок, тогда как сосредоточенные нагрузки используются для локальных проверок и расчетов.
Типичная нагрузка на пол в магазине Например, использование равномерно распределенной динамической нагрузки на консольной лестнице может не давать эффекта обременительного действия по сравнению с использованием эквивалентной сосредоточенной динамической нагрузки. Значения временной нагрузки на перекрытия публикуются в различных сводах правил. Например, временная нагрузка для жилых зданий может составлять 1,5 кН/м 2 , а временная нагрузка для складских помещений может достигать 5 кН/м 2 .
Подразумевается, что здание, предназначенное для жилых целей, не должно быть преобразовано в складское здание без надлежащей оценки и укрепления.
Комбинация нагрузокПри расчете плиты перекрытия или настила постоянные и временные нагрузки на перекрытие обычно объединяются после применения соответствующего коэффициента запаса прочности. Значение частного коэффициента безопасности, применяемого для каждой комбинации нагрузок, зависит от оцениваемого предельного состояния. Более высокий коэффициент безопасности используется для проверки предельного состояния по несущей способности, а более низкий коэффициент безопасности используется для проверки предельного состояния пригодности к эксплуатации.
Ниже приведены некоторые распространенные комбинации нагрузок;
BS 8110 (СНЯТ)
ULS: 1,4 (постоянная нагрузка) + 1,6 (постоянная нагрузка)
SLS: 1,0 (постоянная нагрузка) + 1,0 (постоянная нагрузка)
ЕВРОКОД
ULS: 1,35 (постоянная нагрузка) + 1,5 (постоянная нагрузка)
SLS: 1,0 (постоянная нагрузка) + 1,0 (постоянная нагрузка)
ACI 318
ULS: 1,2 (постоянная нагрузка) + 1,6 (постоянная нагрузка)
IS 456 9 0014
УЛС: 1,5 (постоянная нагрузка) + 1,5 (постоянная нагрузка)
SLS: 1,0 (постоянная нагрузка) + 1,0 (постоянная нагрузка)
CSA A23.
2 Точечные

Момент в данной точке составит 525 кг х 2 м = 1050 кг * м, или 1050 кН * см.



Это изделие способно выдерживать 800 кг на квадратный метр поверхности.
При равных размерах они обладают высокой прочностью и успешно конкурируют с цельными панелями, которые имеют большой вес, соответственно увеличивая воздействие на стены и фундамент строения;


д.).

Примечание 1). Места общего пользования в других многоквартирных домах см. A5, A6 и C3
0 (сосредоточено на внешнем крае )
примечание 2)
0
библиотеки
PD 6688 для приложенных нагрузок на полы для зон промышленных использовать