6. Расчет монолитного столбчатого фундамента под колонну.
При выполнении расчета фундамента считается, что грунты основания не имеют пучинистых свойств. Поэтому глубина заложения фундамента не связывается с глубиной промерзания грунта. Также учитывается, что нагрузка на фундамент передается от колонны (Мmax=157,69 кНм, N=723,16 кН, Q=18,18 кН) и панелей ограждения (Nпанел.=(17,83+13,3)1,10,95+21,21,050,95=69,7+2,4=72,1 кН, М=72,10,4=28,84 кНм). Направление действия нагрузок см. рис.6.1.
Исходные данные:
усилия: N=723,16+72,1=795,26 кН, М=157,69+28,84=186,53 кНм, Q=18,18 кН,
материалы: бетон В15 (Rbt=0,75 МПа), арматура класса А400,
условное расчетное сопротивление грунта R0=0,25 МПа
Определение размеров подошвы фундамента
Площадь подошвы
фундамента: 
Nn=795,26/1,15=691,53 кНм
R0=0,20МПа— условное расчетное сопротивление грунта;
m=20кН/м3 – среднее значение объемного веса материала фундамента и грунта на обрезе фундамента,
Н=1м – предварительно назначенная высота фундамента.
стороны фундамента Размеры подошвы фундамента принимаютсяb=1,8 м, а=2,1м (а/b1,2). Площадь подошвы фундамента составляет А=1,82,1=3,78 м2, момент сопротивления – W=
Определение высоты фундамента
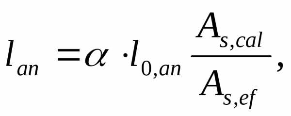
Высота фундамента назначается из условийанкеровки колонны и арматуры колонны в фундамент. Высоту фундамента составляет длина анкеровки плюс 250 мм (смотри рисунок 6.1).
Высота фундамента из условия анкеровки колонны:
Нф=hk+250=700+250=950 мм=0,95м
Высота фундамента из условия анкеровки арматуры колонны 20 А400 :
Нф=lan+250=300+250=550мм

,
.
При определении расчетного сопротивления сцепления арматуры с бетоном Rbond принимаются следующие значения коэффициентов: 1=2,5 (для класса арматуры А400) и 2=1 (для 20). Подставляя в формулу базовой длины анкеровки l0,an
),
преобразуем формулу:Длина анкеровки арматуры колонны при =0,75 (для сжатых стержней периодического профиля) и отношении площади поперечного сечения арматуры колонны требуемой по расчету и фактически установленной 0,68/12,56=0,054 составляет:
.
Вычисленную длину анкеровки арматуры необходимо сравнить с минимально допустимой: 0,3l0,an=0,3947=285 мм, 15d=15х20=300 мм и 200 мм.
Окончательно высота фундамента принимается — Нф=0,95 м. По высоте фундамент формируется из трех ступеней. Высота ступеней 350+300+300=950 мм. Минимальная толщина стенок неармированного стакана должна приниматься не менее 0,75 высоты верхней ступени, то есть 0,75300=225 мм (см. рис.6.1).
Проверка прочности основания под подошвой фундамента.
Нормативное значение нагрузок на уровне подошвы фундамента:
Мn=,
Gn=abНфmn=2,41,80,95200,95=77,98 кН,
Nn= 691,53+77,98=769,51 кН.
Максимальное значение давления под подошвой фундамента:
pmax=>1,2R0=
=1,2250=300 кН/м2, условие не выполняется. Требуется увеличение размеров подошвы фундамента: а=2,4 м, b=1,8 м. При этом изменяются A=4,32 м2, W=1,73 м3, Gn=77,98 кН, Nn= 691,53+77,98=769,51 кН.
Максимальное значение давления под подошвой фундамента:
pmax= — условие выполняется.
Минимальное значение давления под подошвой фундамента:
Pmin=- условие выполняется.
Определение площади рабочей арматуры.
Расчет ведется в плоской постановке: рассматривается сечение по фундаменту в плоскости рамы и в перпендикулярном плоскости рамы направлении (см. рис. 6.1).
Фундамент будет изгибаться под действием давления грунта р. Так как высота фундамента переменная, то расчет ведется в предположении изгиба как консоли нижней ступени (сечение 1-1), затем вместе нижней и средней ступеней (сечение 2-2) и, наконец, всего фундамента (сечение 3-3). На рис. 6.1 показаны ординаты эпюры давления грунта от расчетных нагрузок, необходимые для выполнения вычислений. Значения определены графически.
Момент в консоли
определяется по формуле М=
(нагрузка
равномерно распределенная со средним
значениемр в пределах длины консоли). Длина консоли l,
например при расчете нижней ступени,
равна
.
Размерностьр в формуле определения момента М — в кН/м, в
то время как до этого р было определено в кН/м2.
Для перехода к размерности плоской
задачи: p=pb (сечение в плоскости рамы), p=pа (сечение перпендикулярное
плоскости рамы)
М=.
Фундамент армируется сеткой, укладываемой с соблюдением защитного слоя 40 мм у подошвы фундамента. Для армирования фундамента диаметр арматурных стержней принимается не менее 12. Площадь рабочей арматуры определяется по формуле алгоритма расчета изгибаемых элементов по нормальному сечению:
.
Рабочая высота сечения составляет h0=h—a (a принимается 0,05 м, где а — расстояние от середины сечения продольной рабочей арматуры до нижней грани поперечного сечения фундамента).
Краевые ординат эпюры давления грунта (расчетные нагрузки):
М=,
G=abНфmnf=2,41,80,95200,951,1=85,78 кН,
Nn= 795,26+85,78=881,0 кН.
Максимальное значение давления под подошвой фундамента:
pmax=.
Минимальное значение давления под подошвой фундамента:
Pmin=.
Результаты расчета сведены в таблицу 6.1.
Таблица 6.1
№ сечения | Момент, кНм | h0, м | Площадь рабочей арматуры, см2 |
1-1 | М= 0,125307,0(2,4-1,8)1,8=41,44 | 0,30 | |
2-2 | М= 0,125294,7(2,4-1,3)1,8=72,94 | 0,60 | |
3-3 | М= 0,125275,7(2,4-0,7)1,8=105,45 | ||
4-4 | М= 0,125203,9(1,8-0,4)2,4=85,64 | 0,89* |
*-для верхних стержней сетки
Для сетки армирования фундамента принимаются стержни 10А400 с шагом S=300 мм (подбор сетки смотри в разделе 7).
|
Рис. 6.1. К расчету монолитного столбчатого фундамента под колонну
studfiles.net
Расчет фундамента под металлическую колонну, стальную: сбор нагрузок
Изображение металлической колонны на обустроенном фундаментеНесмотря на огромную популярность каркасных ленточных или монолитных фундаментов, в некоторых случаях они не могут использоваться из-за особенностей почвы, нагрузок на единицу площади конструкции, особенностей самого здания. Как правило, колонные фундаменты часто строятся для промышленных предприятий тяжелой энергетики, машиностроения и для военных нужд.
Такие бескаркасные фундаменты выдерживают огромные нагрузки, но расчет делается всегда каждой колонны отдельно, ведь тут проводится полный сбор всех допустимых нагрузок со стороны самого здания, почвы и климатических условий в регионе строительства.
Какие бывают колонны?
Эскиз обустройства фундамента под металлической колоннойЖелезобетонные. Они отличаются прочностью, производятся в промышленных условиях, поэтому соответствуют всем нормам качества, а также марке бетона. Внутри таких колонн уже предусмотрено несущее армирование, но колонны такого типа тяжелые и для их монтажа приходится использовать мощную строительную технику.
Металлические. Они более легкие, чем железобетонные, но при этом тут используются совсем иные методы монтажа. К тому же, при расчете нужно однозначно определиться изначально, какой тип колонны лучше использовать.
Какие данные нужно собрать для правильного расчета фундамента под колонны?
Схема соединения металлической колонны с арматурой фундаментаРасчет колонного фундамента провести довольно сложно, ведь тут проводится сбор сразу многих факторов. Понятно, что самостоятельно такие сложные вычисления сделать практически невозможно, нужно специальное образование и навыки. Поэтому, перед началом расчета колонного фундамента, нужно получить следующие данные:
- особенности климатических условий в регионе строительной площадки, тип и мощность ветров, а также периодичность ливней;
- создать подробную геодезическую карту, причем лучше делать скважинный анализ с целью получить данные о структуре почвы, толщине мягких и прочных пород. Также нужно получить данные о залегании грунтовых вод, их сезонном движении;
- масса самого здания. Чем она больше, тем и колонны должны быть мощнее. Понятно, что для железобетонных колонн используются фундаменты стаканного типа, а для металлических – совсем другие;
- тип колонны, ее несущие характеристики, степень растяжения и сжатия при воздействии повышенных и пониженных температур;
- тип бетона, его марка, состав и эксплуатационные характеристики;
- структура будущего сооружения, материал несущих стен и перекрытий, высота сооружения.
Раньше расчет колонного основания делали на глаз, используя стандартные показатели допустимых нагрузок. Например, стандартная глубина погружения подушки составляла до 200 мм, а верхняя ее часть выступала из грунта на высоту до 50 мм.
Такие колонны не способны выдерживать подвижки почвы, ведь подушка быстро вымывалась и основание разрушалось. Теперь в расчете четко указывается максимально допустимая глубина погружения подушки, она должна быть ниже глубины промерзания почвы, где нагрузок уже практически нет.
Как делается расчет колонного фундамента
Монолитный столбчатый фундамент под металлическую колоннуКак правило, расчет фундамента для металлической колонны подразумевает, способен ли грунт выдержать расчетную нагрузку фундамента, с которой он будет воздействовать на квадратном сантиметре площади, и сбор всех данных о будущем строительстве. Фактически, нужно получить полную информацию о здании, грунтах и грунтовых водах, провести сбор и систематизацию полученных данных и уже на их основании передать строителям готовый проект. Для этого нужно:
- получить от архитектора проект будущего здания, спецификацию строительных материалов и коммуникаций;
- рассчитать полную площадь опоры;
- сделать сбор всех параметров, систематизировать их и получить фактическое расчетное давление здания в целом.
Как узнать нагрузку, которая будет создавать само здание? Для этого нужно получить подробные данные о самом здании, сделать сбор массы и характеристик всех материалов, которые могут использоваться при его возведении, а также проектируемых коммуникаций, будущей мебели, количества снега на крыше. Такой расчет состоит из нескольких частей:
- Расчет перекрытий зданий и стальных колонн. Сначала нужно узнать массу самой металлической колонны, ведь она также, хоть и незначительно, создает давление на грунт. Для этого требуется посчитать объем конструкции. Делается это по геометрической формуле вычисления объема цилиндра. Так получится объем, который затем умножается на плотность металла для получения массы стальной колонны.
- Затем нужно узнать массу перекрытий. Как правило, это фабричные изделия и каждый производитель уже указывает их массу. Поэтому, достаточно связаться с поставщиками.
- Бывают случаи, когда на металлические колонны устанавливается ростверковая конструкция. Ее массу также не проблема рассчитать, ведь для этого достаточно знать, какое количество бетона или готовых бетонных конструкций пойдет на строительство ростверка.
- Расчет массы стен. Тут многое зависит от материала, ведь кирпич весит меньше, чем бетон, но больше, чем пеноблоки. Соответственно, стоит провести сбор данных обо всех строительных материалах, используемых при строительстве здания.
- Расчет крыши. Сюда входит спецификация материалов, из которых сделано чердачное помещение, а также спецификация всех материалов крыши, вплоть до внешнего покрытия. При проектировании сооружения архитектор предоставляет подробную спецификацию, поэтому посчитать суммарную массу конструкций не составит труда.
- После суммирования всех полученных данных будет вычислена цифра, которая характеризует максимально допустимую нагрузку на опоры фундамента.
Чтобы узнать, какая сила давит на единицу площади опоры, нужно знать ее габаритные размеры. Если стальной столб имеет квадратное сечение 50 х 50 см, то площадь опоры будет составлять 2500 см². Тогда давление, которое будет воздействовать на единицу площади грунта, вычисляется методом деления массы здания на площадь одной опоры.
Теперь самый важный этап расчета фундамента для стальной опоры – это исследование характеристик грунта и сбор данных о его расчетном сопротивлении. Такие данные предоставит геодезическая служба. Если сопротивление грунта будет больше, чем расчетное от самого здания, тогда опора выдержит нагрузку и не деформируется со временем. Если показатели меньше, тогда нужно увеличивать количество столбов.
Но всегда существует правило: большее количество опор не будет лишним, поэтому часто проектировщики устанавливают опоры с интервалом приблизительно 1,5 – 3 м. Это делается с целью предоставления необходимого резерва прочности на конструкции, связанные с несанкционированной достройкой, обустройством помещений или установкой тяжелого промышленного оборудования. Как правило, при расчетах предоставляют обязательный 50% резерв прочности на каждую опору.
Дополнительные расчеты фундаментов для металлических колонн
Расположение металлической колонны в колодцеТакже проводится дополнительный расчет под существующие и перспективные геодезические изыскания. Для правильного обеспечения геодезии проводится контроль анкерных соединений, а именно высотное расположение их головок. Для этого используются шаблоны или кондуктор.
Шаблон – это металлическая плоская рама с готовыми гнездами для болтовых соединений. Они соединяются на опалубке с основными осями фундамента, затем закрепляются. Для получения более точных данных, на колонне изначально указывается уровень установки шаблона с целью контроля степени его смещения.
Анкера шаблона рекомендуется приварить к арматуре колонны, чтобы устранить вертикальное смещение во время крепежа конструкций. После заливки бетоном основания колонны, проводится первичный контроль над месторасположением шаблона и при необходимости делается корректировка еще до того, как бетон застынет.
Сейчас, увеличения прочности каркаса основания для стальной колонны достигают с помощью соединения стали и размещения в специальных колодцах. Такие углубления изначально предусматриваются в чаше основания, оно постоянно остается открытым, и бетоном не заливается на первом этапе строительства. Только, когда болт будет установлен, зафиксирован и его расположение точно замерено, тогда колодец закрывают.
fundamentclub.ru
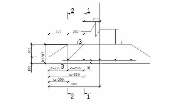
6.1.5 Пример расчета фундаментов на естественном основании под колонны зданий и сооружений
Пример 6.1. Определить размеры и площадь сеченая арматуры внецентренно нагруженного фундамента со ступенчатой плитной частью и стаканным сопряжением с колонной размером сечения lс × bс= 400 × 400 мм. Глубина заделки колонны 0,75 м. Отметки: низа колонны — 0,90 м, обреза фундамента — 0,15 м, низа подошвы — 2,65 м. Размер подошвы 3,3 × 2,7 м.
Расчетные нагрузки на уровне обреза фундамента приведены в табл. 6.1.
ТАБЛИЦА 6.1. К ПРИМЕРУ 6.1
| Расчетное сочетание | При γf = 1 | При γf > 1 | ||||||||
| N, кН | Mx, кН·м | Qx, кН | Mу, кН·м | Qy, кН | N, кН | Mx, кН·м | Qx, кН | Mу, кН·м | Qy, кН | |
| 1 | 2000 | 80 | 30 | 50 | 20 | 2400 | 96 | 36 | 60 | 24 |
| 2 | 800 | 110 | 50 | 70 | 30 | 960 | 132 | 60 | 84 | 36 |
| 3 | 1750 | 280 | 60 | 10 | 5 | 2100 | 336 | 72 | 12 | 6 |
Примечание. Индексы обозначают; х — направление вдоль большого размера подошвы; у — то же, вдоль меньшего.
Материалы: сталь класса А-III, Rs = 360 МПа (ø 6-8 мм), Rs = 375 МПа (ø 10 мм), бетон тяжелый класса В10 (В15).
Расчетные сопротивления приняты со следующими коэффициентами условий работы: γb1 = 1; γb2 = 0,9; γb4 = 0,85.
Решение. 1. Назначение предварительных геометрических размеров фундамента (рис. 6.12). Определим необходимую толщину стенок стакана по сочетанию 3:
е0 = Mx/ N = 336/2100 = 0,16 м, т.е. е0 < 2lc = 2 · 0,4 = 0,8 м.
Рис. 6.12. Размеры проектируемого фундамента
Толщина стенок должна быть δ > 0,2lс = 0,2 · 0,4 = 0,08 м, но не менее 0,15 м. Тогда размеры подколонника luc = buc = 2 · 0,15 + 2 ·0,075 + 0,4 = 0,85 м. Принимаем с учетом рекомендуемого модуля 0,3 м.
luc = buc = 0,9 м.
Высоты ступеней плитной части hi = 0,3 м. Площадь подошвы фундамента A = 3,3 · 2,7 = 8,92 м2. Момент сопротивления в направлении большего размера
Wx = l2b/6 = 3,32 · 2,7/6 = 4,9 м2.
Рабочая высота плитной части h = 0,3 · 2 – 0,05 = 0,55 м. Глубина стакана hg = 0,75 + 0,05 = 0,8 м.
2. Расчет фундамента на продавливание. Расстояние от верха плитной части до низа колонны 1,05 м, в то время как huc = (luc – 1c)/2 = 0,25 м, следовательно, проверка на продавливание плитной части производится от низа подколонника.
Максимальное краевое давление на грунт (6.9):
сочетание 1
pmax = N/A + (Mx+QxH)/Wx = 2400/8,92 + (96 + 36 · 2,4)/4,9 = 0,268 + 0,033 = 0,306 МПа;
сочетание 3
pmax = 2100/8,92 + (336 + 72 · 2,4)/4,9 = 0,339 МПа.
Принимаем наибольшее значение pmax = 0,339 МПа. Продавливающая сила F = А0pmax.
По формуле (6.6)
A0 = 0,5b(l – luс – 2h0) – 0,25(b – buc – 2h0)2 = 0,5 · 2,7(3,3 – 0,9 – 2 · 0,55) – 0,025(2,7 – 0,9 – 2 · 0,55)2 = 1,64 м2.
Тогда F = 1,64 · 0,339 = 556 кН.
Задаемся классом бетона В10 с Rbt = 0,57 МПа. С учетом γb2 = 0,9 и γb4 = 0,85 Rbt = 0,57 · 0,9 · 0,85 = 0,436 МПа.
По формуле (6.7) bр = bс+ h0 = 0,9 + 0,55 = 1,45 м.
Тогда
kRbtbph0 = 1 · 0,436 · 1,45 · 0,55 = 305 < 556 кН.
Следовательно, принятая высота плитной части фундамента недостаточна. Переход на бетон класса В15 повысит несущую способность на продавливание в 250/150 = 0,7/0,57 = 1,2 раза, чего также недостаточно. Следует либо увеличить высоту верхней ступени (например, с 0,3 до 0,45 м), либо внести еще одну (третью) ступень, т.е. принять высоту плитной части h = 0,9 м; h0 = 0,85 м.
Принимаем трехступенчатый фундамент. Проверку на продавливание производим (при разном числе ступеней плитной части) в двух направлениях по формулам (6.27) и (6.28):
A0 = 0,5b(l – luc – 2h0) – 0,25 [b – buc – 2(h0 – h3)]2 = 0,5 · 2,7(3,3 – 0,9 – 2 · 0,85) – 0,25[2,7 – 0,9 – 2(0,85 – 0,3)]2 = 0,85 м2;
F´ = 0,85 · 0,339 = 288 кН; b1p = buc + (h0 – h3) = 0,9 + (0,85 – 0,3) = 1,45 м.
Несущая способность фундаментов по формуле (6.26)
F = 0,436 [(0,85 – 0,3)1,45 + 0,3 · 0,9] = 465 кН > 288 кН.
Принятый фундамент удовлетворяет условию прочности на продавливание
Рассмотрим дополнительно вариант при двухступенчатом фундаменте с высотой верхней ступени 0,45 м. Тогда (при h0 = 0,7 м):
A0 = 0,5 · 2,7(3,3 – 0,9 – 2 · 0,7) – 0,25(2,7 – 0,9 – 2 · 0,7)2 = 1,31 м2;
F´ = 1,31 · 0,339 = 444,1 кН;
b1p =0,9 + 0,7 = 1,6 м.
Несущая способность фундамента по формуле (6.1)
F = 1 · 0,436 · 1,6 · 0,7 = 488,3 кН > 444 кН,
т.е. и такой фундамент удовлетворяет прочности на продавливание.
Покажем, однако, что последний вариант менее экономичен. Действительно, объем плитной части высотой 0,9 м при трехступенчатом фундаменте
V3 = 3,3 · 2,7 · 0,3 + 2,4 · 1,8 · 0,3 + 1,5 · 0,9 · 0,3 = 4,37 м3, а при двухступенчатом фундаменте с учетом дополнительного объема подколонника на высоте 0,9 – 0,75 = 0,15 м
V2 = 3,3 · 2,7 · 0,3 + 2,4 · 1,8 · 0,45 + 0,9 · 0,9 · 0,15 = 4,74 м3 > 4,37 м3.
Итак, принимаем трехступенчатый фундамент с высотой плитной части 0,9 м.
Проверим прочность нижней ступени при заданном ее выносе 450 мм и h01 = 0,25 м:
A0 = 0,5 · 2,7(3,3 – 2,4 – 2 · 0,25) – 0,25(2,7 – 1,8 – 2 · 0,25)2 = 0,5 м2;
P = 0,5 · 0,339 = 169 кН:
b1p = 1,8 + 0,25 = 2,05 м.
Несущая способность ступени F = 1 · 0,436 · 2,05 · 0,25 = 223 кН > 169,5 кН.
Размеры лежащих выше ступеней назначаются пересечением линии AB с линиями, ограничивающими высоты ступеней (рис. 6.13).
Рис. 6.13. К определению размеров ступеней
Определение площади сечений арматуры плитной части фундамента проведем на примере нижней арматуры (направленной вдоль большей стороны подошвы фундамента) класса А-II.
Расчетные усилия на уровне подошвы принимаем по сочетанию 3 без учета веса фундамента:
N = 2100 кН; M = 336 + 72 · 2,4 = 509 кН·м; е0x = 509/2100 = 0,242 м.
Определим давление на грунт в расчетных сечениях (см. рис. 8.12)
Pmax = N/ A + M/ W = 2100/8,92 + 509/4,9 = 370 кН/м2;
По формуле (6.33)
k´I = 1 – 2 · 0,45/3,3 = 0,73.
тогда
pI = N/A + k´IM/W = 236 + 0,73 · 135 = 345 кН/м2.
Аналогично получаем:
k´II = 1 – 2 · 0,9/3,3 = 0,45;
pII = 236 + 0,45 · 135 = 297 кН/м2.
k´III = 1 – 2 · 1,2/3,3 = 0,28
pIII = 236 + 0,28 · 135 = 274 кН/м2.
Изгибающие моменты:
кН·м;
кН·м;
кН·м.
Принимаем арматуру класса А-II с Rs = 285 МПа:
см2;
см2;
см2.
xn--h1aleim.xn--p1ai
6 Расчет и конструирование железобетонных фундаментов в заданном сечении, подбор арматуры
6.1 Расчет ленточного фундамента, подбор арматуры
Нужно рассчитать армирование сборной железобетонной фундаментной плиты. Ширина плиты b=2,0 м, класс бетона B20, с расчетными характеристиками Rb=11.5 МПа, Rbt=0.9МПа, арматура класса А-lll с RS=365 МПа и А-l с RS=225 МПа.
Так как фундамент работает внецентренно, то расчетные моменты и поперечные силы будут определятся по формулам:
(33)
(34)
Pmax=235,91 кПа, определено при расчете на осадку.
(35)

Рисунок 6,1–Расчетная схема ленточного фундамента
к1=1-2∙с1/l=1-2∙0.55/1= -0.1
k2=1-2∙c2/l=1-2∙0.3/1=0.4
hf=500 мм, h0=500-35=4,65 мм
Определяем площадь рабочей арматуры в сечении 1-1:

(36)
По
найденному значению
находимυ=1-0,5∙
=1-0,5∙0,0849=
=0,957
Примем по первому сечению 514А-lll с АS=7.69 см2
Определим площадь рабочей арматуры в сечении 2-2:
По
найденному значению
находимυ=1-0,5∙
=1-0,5∙0,0278=
=0,986
Примем по второму сечению 214А-lll с АS=7.69 см2
Так
как
<
,
то заармируем подушку пятью продольными
стержнями 514А-lll
с АS=7.69
см2,
поперечная арматура – стержни 6А-l
с шагом 200 мм.
Выполним поверку наклонного сечения 3-3. Для этого проверим условие:
(37)
Q=Q1-1=0.55/2∙(554.20+251.52)=221.573 кН
Требуется расчет на действие поперечной силы
Для сечения 3-3 длина проекции опасного наклонного сечения с3=255 мм, при этом а=550-255=295 мм. Высота сечения на расстоянии а от края плиты h1=10+29.5∙20/30=29.67 см; h0,1=29.67-3.5=26.17 см.
Величина расчетной поперечной силы:
Q1=q∙a=805.72∙0.295=237.69 кН.
Расчет железобетонных элементов без поперечной арматуры на действие поперечной силы для обеспечения прочности по наклонной трещине производится из условия:
(38)
Прочность по наклонному сечению 3-3 обеспечена.
6.2 Расчет фундамента под колонну, подбор арматуры
Нужно рассчитать армирование монолитного железобетонного фундамента стаканного типа. Сечение колонны bcxhc=0.4×0.4 м, hf=0.75 м, bxl=2,7×3,3 м. Расчетные нагрузки на обрез фундамента: Nl=1470 кН, Ml=300 кН∙м, Fh=0 кН. Бетон класса B15 Rb=8.7 МПа, Rbt=0,76 МПа. Арматура класса А-lll с RS=365 МПа.
Определим геометрические размеры фундамента.
е0= Ml/Nl=300/1470=0,2<2h=0.8 м.
Толщина стенок стакана.
Dh>0.2h=0.2∙0.4=0.08 м, но не менее 0,15 м.
Размер подколонника в плане:
lcf=bcf=2∙0.15+2∙0.075+0.4=0.85 мм, принимаем lcf=bcf=0.9 м.
Глубина стакана hh=0.75+0.05=0.8 м, bh=lh=0.5 м.
Принимаем высоту подколонника 2,4 м, hi=0.3 м, толщину защитного слоя принимаем 35 мм, h01=0,3-0,035=0,265 м, h02=0,6-0,035=0,565 м.

Рисунок 6,2– Расчетная схема фундамента под колонну
Выполним проверку фундамента на продавливание:
hb=Hf-hh=2.4-0.8=1.6>0.6+0.5∙(0.9-0.4)=.85 м.
Следовательно проверка на прочность производится от низа подколонника, Pср=215,37 кПа
Определим площадь призмы с которой собираются нагрузки:
Аfo=0.5∙b∙ (l-lcf-2∙h02)-0.25∙(b-bcf-2∙h02)2=0.5∙2.1∙(2.1-0.9-2∙0.6)-0.25∙(2.1-0.9-2∙0.6)2=0.072 м2
F=P∙Af0=215,37∙0.072=15,51 кН.
Проверяем выполнение условия:
Rbt∙bm∙h02=1.1∙760∙1.465∙0.565=691.98>35.48кН
Bm=bcf+h0=0.9+0.565=1.165 м
Прочность обеспечена.
Расчет на раскалывание.
Asb=Asl=1.8∙0.9∙+0.3∙2.1+0.3∙1.5-0.8∙0.5∙(0.5+0.55)=2.28 м2.
Asb/Asl=1
N=1280кН < 0.975∙(1+hc/bc) Asb∙Asl=0.975∙(1+1)∙760=3378.96кН.
Прочность фундамента на раскалывание обеспечена.
Подбор продольной и поперечной арматуры плитной части в 1 сечении будем производить по следующим формулам:01
Принимаем 1512А-lll с АS=1696мм2.
Подберем арматуру для второго сечения.
Принимаем арматуру по большей площади АSi. Окончательно принимаем 1516А-lll с АS=3015мм2.
Расчет арматуры в подколоннке.
Продольная арматура рассчитывается следующим образом:
(39)
е0= Ml/Nl=300/1470=0.2<0.3h03=0.3∙0.86=0.26 м;
e=0.004+0.9/2-0.04=0.414 м ;
S0=0.5∙(bcf∙
-lh∙hh∙zc)=
0.5∙(0.9∙0.862-0.5∙0.5∙0.82)=0.23
м3;
Zc=lcf-a-a’=0.9-0.04-0.04=0.82 м
Минимальная площадь арматуры принимается 0,05% от площади подколонника:
AS=0.0005∙lcf∙bcf=0.0005∙0.9∙0.9=4.05∙-4 м2
Принимаем 412А-lll с АS=452 мм2
Поперечную арматуру назначаем конструктивно так как e=0.004 м<hк/6=0,4/60,067 м.
studfiles.net
Расчет фундамента под сборную колонну
Проектируем под сборную колонну монолитный фундамент стаканного типа из бетона класса В15 с Rb = 0,9 · 8,5= 7 65 МПа;
Rbt = 0,9 · 0,75 = 0,675 МПа.
,
поэтому
(см. п. 3.3 [3] и расчет колонны).
Рабочая арматура класса A400 с Rs = 355 МПа в виде сварной сетки.
Расчетная нагрузка на фундамент при расчете по первой группе предельных состояний с учетом коэффициента надежности по ответственности γn= 0,95 (см. Прил. 7* [18]).
2174,5 КН, (см. Расчет колонны).
При расчете по второй группе предельных состояний
NII= NI : 1,17 = 2174,5 : 1,17 = 1859 кН, где f = 1,17 – усредненный коэффициент надежности по нагрузке.
Необходимая площадь подошвы фундамента под колонну при расчетном сопротивлении грунта в основании (по заданию) R = 0,25 МПа, отметке подошвы фундамента Н = 1,5 м и усредненной плотности массы фундамента и грунта на его обрезах ср= 20 кН/м3
м2.
Размеры сторон квадратного в плане фундамента А = B = м, принимаем кратно 0,3 м, т. е. А =B = 3 м.
Реактивное давление грунта на подошву фундамента от расчетных нагрузок, если принять распределение его по подошве равномерным, будет
кН/м2 < R = 250 кН/м2.
Расчетная высота сечения фундамента из условия обеспечения его прочности против продавливания колонной с размерами 4040 см определяется из формулы (3.177) п. 3.84 [3]:
где u – периметр контура расчетного поперечного сечения на расстоянии 0,5h0 от границы площадки опирания сосредоточенной силы F (колонны).
м.
Полная высота фундамента стаканного типа с толщиной защитного слоя бетона αз = 40 мм при наличии бетонной подготовки в основании (см. табл. 5.1 [3]) и предполагаемом диаметре стержней арматуры d = 20 мм
мм.
Необходимая высота фундамента из условия обеспечения анкеровки продольной арматуры колонны в стакане фундамента при диаметре стержней 20 мм
мм = 20 18 + 250 = 610 мм.
Необходимая высота фундамента из условия обеспечения заделки колонны в стакане фундамента
мм = 400 + 250 = 650 мм.
Принимаем двухступенчатый фундамент hф = 800 мм с высотой ступеней по 400 мм. Расчетная высота фундамента h01 = hф – αз –
– 1,5d = 800 – 40 – 1,5 · 20 = 730 мм = 0,73 м, расчетная высота нижней ступени h02 = hн – αз – 1,5d = 400 – 40 – 1,5 · 20 = 330 мм = 0,33 м (рис. 33).

Рис. 33.
Проверка прочности нижней ступени против продавливания
Продавливающая сила принимается за вычетом нагрузок, приложенных к противоположной грани плиты в пределах площади с размерами, превышающими размеры площадки опирания на h02 во всех направлениях (см. п. 3.84 и черт. 3.47 [3]).
кН.
Периметр контура расчетного поперечного сечения на расстоянии 0,5h02 от границы площадки опирания верхней ступени фундамента.
м.
ПрикН >Fн = 1147,6 кН
прочность нижней ступени против продавливания обеспечена.
Расчет плиты фундамента на изгиб
Изгибающие моменты от реактивного давления грунта в сечениях по граням колонны и уступов фундамента
кНм;
кНм.
Необходимая площадь продольной арматуры класса А400 у подошвы фундамента в продольном и поперечном направлениях определяется по приближенной формуле
мм2,
мм2.
Принимаем сварную сетку из стержней диаметром 16 мм с шагом 200 мм в обоих направлениях 15 16 A400 с Аs = 201 15 = 3015 мм2 > > Аs1 = 2630мм2.
Фундаменты с арматурой класса А400, расположенные выше или ниже уровня грунтовых вод подлежат расчету на образование трещин (в учебном пособии этот расчет не приводится).
studfiles.net
5. Расчёт фундамента под колонну крайнего ряда
5.1. Исходные данные
Условное расчётное сопротивление грунта
.
Глубина заложения фундамента по условиям
промерзания грунта.
Бетон тяжёлый класса В 12,5,,
;
арматура из горячекатаной стали А-II,
5.2. Определение усилий в фундаменте
Значение усилий для расчёта фундамента
принимаем из расчёта колонны в сечении
2-1 на уровне обреза фундамента. Нормативные
значения усилий определяем делением
расчётных нагрузок на усреднённый
коэффициент надёжности по нагрузке
.
Усилия, действующие относительно оси подошвы фундамента (без учёта собственного веса фундамента и грунта на его уступах), определяем по формулам:
;, где
и
— усилия от веса стены, остекления и
фундаментной балки;
— высота фундамента.
Предварительно определяем высоту
фундамента из конструктивных требований.
Глубина заделки двухветвевой колонны
в стакан фундамента должна быть не менее
,
где
— больший размер сечения всей колонны;
не менее,
где— больший размер сечения ветви; и не
менее,
гдеd= 20 мм — диаметр
продольной арматуры колонны. Расстояние
от дна стакана до подошвы фундамента
принимаем 250 мм, тогда минимальная высота
фундамента.
Принимаем,
тогда глубина заложения фундамента.
Нагрузку от веса стен, остекления и фундаментной балки, передающуюся на фундамент определяем по формуле:
, где
— вес 1м2кирпичной стены толщиной 510 мм;
— вес 1м2остекления;
и
— высота кирпичной стены и остекления
до отметки 9.78 м;
G= 12,9 кН — вес фундаментной балки.
Эксцентриситет этой нагрузки относительно оси фундамента (при толщине стены 510 мм и высоты сечения колонны 1300 мм):
Изгибающий момент от веса стены:
Расчёт выполняем на две наиболее опасные комбинации усилий с наибольшим по абсолютному значению изгибающим моментом и с наибольшей продольной силой. Значение усилий даны в табл. 9
Таблица 9
Коэффициент надёжности по нагрузке | Расчётное усилие | Комбинация усилий | |
первая | вторая | ||
| -389,81 | -353,49 | |
| 1312,07 | 1661,1 | |
| 35,46 | 41,53 | |
| -339 | -307,4 | |
| 1141 | 1444,4 | |
| 30,8 | 36,1 | |
| -827,52 | -801,2 | |
| 1731,1 | 2080,1 | |
| -719,6 | -696,7 | |
| 1505,3 | 1808,8 | |
5.3. Определение размеров фундамента
Для подбора размеров подошвы фундамента
используем усилия при
.
Расчёт производим методом последовательных
приближений. Предварительно площадь
подошвы фундамента определяем как для
центрально нагруженного по формуле:
, где
1,1 — коэффициент, учитывающий наличие момента.
Назначаем соотношение сторон фундамента
и получаем:
,
Принимаем размеры подошвы фундамента
Так как заглубление фундамента меньше 2 м, ширина подошвы больше 1м, необходимо уточнить нормативное давление на грунт по формуле:
Определяем краевое давление на основание.
Вторая комбинация усилий:
, где
— нормативная нагрузка от веса фундамента и грунта на его обрезах;.
Поскольку условие не выполняется, назначенные размеры подошвы фундамента недостаточны. Увеличиваем размеры подошвы фундамента,, тогда
Определяем краевое давление на основание.
Вторая комбинация усилий:
Первая комбинация усилий:
Проверка напряжений в основании показывает, что размеры подошвы фундамента достаточны.
Учитывая значительное заглубление фундамента, принимаем его конструкцию с подколонником стаканного типа и плитой переменной высоты. Назначаем толщину стенок стакана 325 мм > , зазор между колонной и стаканом поверху 75 мм, понизу 50 мм. Высоту ступеней фундамента назначаем. Высота подколонника:
. Размеры ступеней в плане:;;;. Размеры подколонника;(рис. ).
Высота плитной части фундамента . Проверяем достаточность принятой высоты плитной части из расчёта на продавливание.
Так как высота фундамента от подошвы до дна стакана
и
, то
выполняем
расчёт на продавливание фундамента
колонной от дна стакана, при этом
учитываем только расчётную нормальную
силу
,
действующую в сечении колонны у обреза
фундамента.
Рабочая высота дна стакана средняя ширина;
Расчёт на продавливание производим по формуле:
, т.е. прочность дна стакана на продавливание колонной обеспечена.
Проверяем прочность фундамента на раскалывание. Вычисляем площади вертикальных сечений фундамента в плоскостях, проходящих по осям сечений колонны параллельно сторонам а и b:
При прочность на раскалывание проверяем из условия:
, то есть прочность на раскалывание колонной обеспечена.
studfiles.net
4 Расчёт свайных фундаментов.
Расчет свайных фундаментов и их оснований производится по двум группам предельных состояний.
По первой группе определяют несущую способность сваи по грунту, прочность материалов свай и ростверков. По второй группе предельных состояний рассчитываются осадки оснований фундаментов.
4.1 Расчёт свайного фундамента под колонну
Определим длину сваи:
lсв=l0+∑lгр+lн.сл=0,1+5,9+4=10 м
Принимаем сваю – С-10.3, m=0,3т/м.
П
о
таблице СНиП подбираемR
при глубине погружения свай 10м– R=10955
кПа
Рисунок 5 – Расчетная схема к определению несущей способности сваи под фундамент стаканного типа
При погружении свай забивкой молотом
Несущую способность сваи определяется по формуле (21) как сумма расчётных сопротивлений грунтов оснований под нижним концом сваи и на её боковой поверхности:
(21)
где
-коэффициент
условий работы сваи в грунте, принимаемый=1
R-расчётное сопротивление грунта под нижним концом сваи, кПа.
А — площадь опирания на грунт сваи,м.
u – наружный периметр поперечного сечения сваи,м.
fi – расчётное сопротивление итого слоя грунта основания на боковой поверхности сваи, кПа.
hi – толщина итого слоя грунта соприкасающегося с боковой поверхностью сваи, м.
-коэффициенты
условий работы грунта соответственно
под нижним концом и на боковой поверхности
сваи, учитывающие влияние способа
погружения сваи на расчётные сопротивления
грунта и принимаемые по [2].
Несущая способность свай под колону будет равна
Расчётная нагрузка, допускаемая на одну сваю, определяется по формуле:
(22)
где
— коэффициент надежности, принимаемый
1,4.
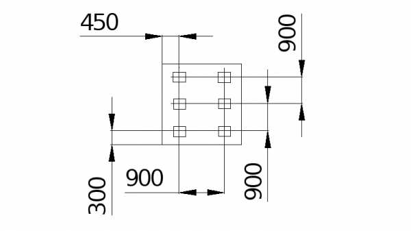
Запроектируем ростверк таким образом, чтобы размеры в плане были кратны 30см, а высота 15см. Конструктивно принимаем размеры в соответствии с размерами плиты фундамента мелкого заложения b=1,5м, l=1,5м, а высоту плиты примем равной 0,6м.
Необходимое количество свай в грунте определяется по формуле
(24)
где N1 – расчётная нагрузка по обрезу ростверка;
G – ориентировочный расчётный вес ростверка и грунта на его обрезах;
G=1,6∙24+2,92·16,25=85,85кН;
;
Принимаем количество свай под стакан – 6, и распологаем их следующим образом (см. рисунок), с шагом 0,9м.
О
пределяем
фактическую нагрузку, приходящуюся на
сваю, которая должна быть меньше
допустимой
Рисунок 6 — Схема условного фундамента при расчете свайного фундамента под колонну
(25)
где
—
коэффициент надёжности по нагрузке,
принимаем 1,1;
Давление по подошве условного фундамента от расчётных нагрузок не должно превышать расчётного давления на грунт.
Выполнение условия, для каждой сваи не означает, что основание свай будет работать надежно. С целью проверки прочности основания свайный фундамент рассматривают как условный массивный фундамент.
Осредненное расчетное значение угла внутреннего трения:
bусл=0,9+0,3+2∙10*tg8,42=3,39 м
аусл=3,39 м
Проверку прочности куста свай проводим по формуле:
(26)
где NII— сумма вертикальных расчётных нагрузок в уровне нижних концов свай;
NII=NdII+Gc+Gp+Gгр
Ndll=1280 – вертикальная расчётная нагрузка на фундамент, кН;
Gc=(0,3∙10+0,06)∙4∙10=122,4кН– вес свай;
Gp=1,6∙24=38,4кН– вес ростверка;
Прежде чем найти напряжение от собственного веса грунта в уровне подошвы фундамента определим удельный вес грунта второго(суглинок мягкопластичный) и третьего (песок гравелистый) слоя с учетом взвешивающего веса воды:
кН/м3 кН/м3
А также средний удельный вес грунтов, лежащих выше уровня подошвы:
кН/м3
Gгр=(4,16*4,16-1,6)∙18,9=3865,23кН– вес грунта;
NII=1280+122,4+38,4+3865,23=5306,03кН
МII– расчётная величина момента действующего на фундамент, кН∙м;
МII=260кНм
R – расчётное сопротивление грунта основания условного массива, кПа, определяемое как для фундамента с геометрическими размерами, равными размерам условного массива грунта.
Найдем значения коэффициентов:gс1=1,4; gс2=1,2; Mg=1,44; Мq=6,78; Мс=8,87, d1=10м, db=0.
— условие выполняется.
studfiles.net










