Расчет объемов земляных работ — для котлована, траншеи, при строительстве
Цель подсчета объема земляных работ – обоснование выбранных методик, определение необходимости в вывозе либо возможности распределении изъятого грунта по участку, либо последующего использования земли для обратной засыпки, а также составления сметы и уточнения продолжительности рабочего процесса. Расчеты выполняются на этапе создания проекта, согласно чертежам, а также во время проведения строительных работ.
Почему так необходимо заказывать подсчет объема земляных работ?
Строительство зданий и сооружений – процедура, которая требует значительных денежных вложений, поэтому каждому застройщику нужно понимать, на каком уровне качества, и с какими затратами времени и средств будут выполнены изыскания.
Для съемки земляных масс мы применяем высокоточные устройства, что дает возможность максимально точно подсчитать их объем. Это позволяет предупредить ситуацию, когда недобросовестные подрядчики укажут завышенные кубометры, чтобы взять с клиента лишние деньги, а также избавит заказчика от необходимости регулярно приезжать на площадку для осуществления контроля.
Состав земляных работ
- Вертикальное планирование участка. Выполняется путем выравнивания рельефа территории, предназначенной под застройку. Перечень земляных работ: изъятие и перемещение грунта, вывоз и уплотнение его на других участках. Подсчитывается объем в кв. м.
- Разработка котлованов и траншей. Заключается в вычислении объемов геометрических фигур, которые определяют форму будущего рва или котлована. Допустимо, чтобы объем земли был ограничен плоскостями – небольшие неровности фигур не оказывают влияния на точность подсчета. Расчеты выполняются в кубических метрах.
Как подсчитывается объем грунта
Для вычисления объема грунта, попавшего в разработку, существуют основные формулы, в основе которых лежит подсчет объема образовавшейся геометрической фигуры.
Котлованы, траншеи и насыпи в большинстве своем имеют сложную форму и в этом случае фигуры разбиваются на несколько более простых и правильных геометрических тел, подсчитывается и суммируется их объем.
Формулы для расчета земляных работ
Для прямоугольного котлована
Vк = H/6 x{Bк Lк + Bкв Lкв + (Bкв + Bк)x(Lк +Lкв)}, где Bк и Lк – является шириной и длиной дна, Bкв и Lкв – шириной и длиной верхнего среза, H — глубиной котлована.
Для многоугольного котлована
Vк = H/6 x (F1 + F 2+ 4Fср), где F1 и F2 – обозначается площадь дна и верхнего среза выемки, Fср – площадь серединного сечения ее высоты.
Для круглого котлована
Vк = H / 3(R2 + r2 + Rr), где R и r – являются радиусами верхнего и нижнего оснований выемки, H – высотой.
Для насыпи
Vн = L x [m1/3 x (h32 + h3 x h31) + b/2 x (h3 +h2) + 2 x Fсп – 6 x (m1 – m2) x (h2 + h3 – 6)], где b – обозначение ширины верхней площадки насыпи, Н1 и Н2 – значения крайних сечений, m1 и m2 – параметры крутизны откосов, Fсп – площадь поперечного сечения.
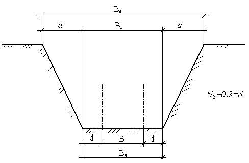
Для траншеи
Vт = (B1 + B2) / 2 x L x H, где B1 – является шириной верхнего среза рва, B2 – ширина дна, L – длина канавы, H – глубина.
В работе специалисты используют программу Автокад – оптимальный продукт для работы со схемами и чертежами, позволяющий создавать двух- и трехмерные модели изучаемых объектов, разрабатывать рабочую документацию.
Результаты заносятся в ведомость, которая передается проектировщикам, инженерам, строителям.
Что учитывается при составлении сметы на земляные работы
- Вид и параметры проектируемого объекта, а также величина фундамента – будет котлован или ров располагаться на всей площади основания либо только отдельных частей строения.
- Способ выполнения работ – ручной или с применением механизмов, либо комплексный метод.
- Виды используемых машин (при механизированных работах).
- Как будет перемещаться груз – земляные массы могут быть сваленными на край котлована/рва или погружаться на автотранспорт для вывоза.

В последнем случае учитывается расстояние, на которое отвозится грунт. - Будет ли проводиться крепление стенок траншей/котлованов.
- Наличие подземных вод и близко расположенных наземных водоемов требует выполнение водоотлива в процессе производства земляных работ.
- Характеристики грунта, от чего зависят методы работы и их сложность.
Организация «ГеоКомпани» выполнит инженерные изыскания в Москве и Московской области. Мы предлагаем комплексные работы, но можно и отдельно заказать какую-либо услугу. Работы проводятся с соблюдением правил и требований СНиПов, ГОСТов.
Что такое «ГРАНД-Калькулятор»?
Рассматривая базовые возможности при вводе объёмов работ в позициях сметы, мы затрагивали ситуации, когда объём по позиции вычисляется при помощи формулы. Площадь полов, оконные блоки, площадь стен. Такие простые расчётные формулы можно ввести прямо в позициях сметы.
А если расчёт объёма работ выходит за пределы простой формулы? В таких ситуациях помогает специальная программа «ГРАНД-Калькулятор».
Программа «ГРАНД-Калькулятор» входит в состав программного комплекса «ГРАНД-Смета» и предназначена для выполнения широкого спектра вычислений, необходимых при составлении локальных смет.
Программа «ГРАНД-Калькулятор» запускается из ПК «ГРАНД-Смета» нажатием кнопки на панели инструментов на вкладке Главная в группе команд Программы.
После запуска программы «ГРАНД-Калькулятор» на экране появится окно для выбора расчётной формулы.
База данных программы «ГРАНД-Калькулятор» состоит из расчётных формул, которые сгруппированы по папкам в зависимости от их назначения. Например, пусть нам требуется рассчитать рытьё траншеи для прокладки кабеля с учётом осыпания грунта. Выбираем в общей базе данных раздел Расчет объемов земляных работ, далее папку Траншеи и конкретную формулу с названием Траншея с откосами на спланированной местности.
Выбор нужной формулы осуществляется двойным щелчком левой кнопки мыши.
После выбора формулы на экране появится окно для расчёта результатов, где также можно увидеть дополнительную информацию.
Слева вверху перед нами схематичный чертёж. Щелчком левой кнопки мыши его можно увеличить. Справа от него – текстовые пояснения к расчёту. Их можно листать. В нижней части окна расположена группа строк для ввода исходных данных, а ещё ниже – строки с результатами.
Вводим исходные данные. Их можно ввести в виде числового значения или формулы. Например, если траншея сложной формы и состоит из нескольких отрезков, то её общую длину можно посчитать путём сложения.
Выбираем из выпадающего списка нужный тип грунта, после чего получаем в качестве результата два значения: площадь поперечного сечения траншеи и объём траншеи.
Согласитесь, что это гораздо быстрее, чем искать в сети Интернет справочные данные по грунтам и использовать формулы тригонометрии. Полученное значение можно скопировать и вставить в объём позиции локальной сметы.
Поэтому, если расчёт объёма работ выходит за пределы простой формулы, то открывайте «ГРАНД-Калькулятор» и выполняйте нужный расчёт в этой программе.
Кроме того, из расчёта в программе «ГРАНД-Калькулятор» можно скопировать в позицию локальной сметы не только итоговое значение, но и полностью весь расчёт с исходными данными и вычислениями. Для этого сначала необходимо нажать кнопку Копировать у правого края строки с нужным результатом.
Далее следует переключиться в окно программы «ГРАНД-Смета», где открыта локальная смета, щелчком правой кнопки мыши на нужной позиции вызвать контекстное меню и выполнить там команду Вставить «Расчет из Гранд-Калькулятора».
Значение объёма работ в позиции, которое не вводилось вручную в колонку Количество, а получено в результате вставки расчёта из программы «ГРАНД-Калькулятор», сопровождается во второй строке зелёным словом Расчет.
Как и в примере из предыдущего пункта, теперь надо проявить внимательность к единицам измерения. Расчёт объёма траншеи в программе «ГРАНД-Калькулятор» был выполнен в кубометрах, а в позиции сметы используется кратный измеритель – 1000 кубометров.
Выделяем позицию курсором, после чего включаем для неё опцию Применить коэффициент кратности измерителя (кнопка расположена на вкладке Физобъем).
Зачем же мы скопировали в позицию сметы полностью весь расчёт – ведь было проще скопировать одно итоговое значение? Но зато сейчас нам не придётся снова обращаться к программе «ГРАНД-Калькулятор» и повторять те же самые действия, если вдруг выяснится, что план траншеи изменился.
В результате вставки расчёта из программы «ГРАНД-Калькулятор» для позиции сметы была автоматически сформирована таблица расчёта физобъёма, включающая скопированные исходные данные. Для того чтобы теперь в позиции сметы открыть эту таблицу и внести в расчёт какие-либо изменения, необходимо нажать кнопку Таблица расчета на панели инструментов на вкладке Физобъем (либо сочетание клавиш Ctrl + F3 на клавиатуре).
В открывшемся окне мы видим весь расчёт, ранее выполненный в программе «ГРАНД-Калькулятор».
Не надо повторно вводить те же самые исходные данные, достаточно внести отдельные корректировки. Например, увеличилась ширина основания траншеи. Тип грунта тоже можно перевыбрать из выпадающего списка. Новое итоговое значение сразу же автоматически заносится в физобъём позиции.
Таким образом, скопировав в смету весь расчёт из программы «ГРАНД-Калькулятор», мы в дальнейшем гораздо быстрее сможем его изменить.
В случае, если в позициях сметы имеются таблицы расчёта физобъёма, можно их вывести в выходную форму локальной сметы. Для этого в окне со списком настроек (которое появляется на экране в ходе формирования выходного документа в случае, если перед выводом формы был установлен флажок Показать диалог настроек) предусмотрены настройки в группе Вывод дополнительной информации о позиции.
При установленном флажке Формулы из ‘Таблиц расчета’ физобъема здесь можно выбрать, как именно требуется показать этот расчёт в позициях сметы – кратко или подробно.
При выбранном кратком варианте данные выводятся в выходную форму в ячейке Количество, под значением физобъёма. Сначала перечисляются исходные данные в виде списка переменных, затем приводится формула расчёта итогового значения.
А при выбранном полном варианте целиком вся таблица расчёта физобъёма выводится в выходную форму отдельными строками под позицией сметы.
В базе данных программы «ГРАНД-Калькулятор» содержится много расчётных формул под разные ситуации: воздуховоды, силовые кабели, металлокалькулятор, расход строительных материалов и т. д. Также имеется блок всевозможных геометрических формул, которые можно использовать в расчётах объёмов работ. Например, усечённый конус – это переход диаметра трубы. А формулы площади боковой поверхности цилиндра или параллелепипеда можно использовать при расчёте изоляции нестандартных воздуховодов. Надо только определиться, из каких простых фигур состоит наш конструктивный элемент.
Подведём небольшой итог.
Во-первых, программа «ГРАНД-Калькулятор» – это быстрый доступ к обширной интерактивной библиотеке всевозможных справочных данных по строительным расчётам. Не надо искать эти данные в различных источниках, достаточно просто выбрать.
А во-вторых, если в сметах используются скопированные расчёты из программы «ГРАНД-Калькулятор», то при изменении проектных решений достаточно внести только отдельные корректировки в исходные данные, не повторяя заново весь расчёт.
Выемка траншей
Engineering ToolBox — Ресурсы, инструменты и базовая информация для проектирования и проектирования технических приложений!
Смета котлована — онлайн калькулятор.
Рекламные ссылки
Объем выемки траншеи – британские единицы точка траншеи (футы)
Уклон (0,75:1 — твердый твердый грунт, 1:1 — почва склонна к растрескиванию или осыпанию, 1,5:1 — мягкая песчаная рыхлая почва)
Набухание грунта (%)
Объем выемки траншеи – единицы СИ
Ширина дна траншеи (м)
Глубина траншеи (м)
Наклон (0,75:1- твердая твердая почва, 1:1 — почва, которая может растрескаться или осыпаться, 1,5:1 — мягкая песчаная рыхлая почва Заполнить Плотность
(кг/м 3 ) Глина влажная 1920 Cla у, насыщенный 2080 Песок влажный 1840 Песок, сухой 1600 Песок влажный 1920 Верхний слой почвы с песком, влажный 1600 Верхний слой почвы насыщенный 1840
Рекламные ссылки
Похожие темы
• Разное
Темы, связанные с инженерией, такие как шкала ветра Бофорта, маркировка CE, стандарты чертежей и многое другое.
Документы по теме
Рекламные ссылки
Engineering ToolBox — Расширение SketchUp — 3D-моделирование онлайн!
Добавляйте стандартные и настраиваемые параметрические компоненты, такие как балки с полками, пиломатериалы, трубопроводы, лестницы и т. д., в свою модель Sketchup с помощью Engineering ToolBox — расширение SketchUp, которое можно использовать с потрясающими, интересными и бесплатными приложениями SketchUp Make и SketchUp Pro. . Добавьте расширение Engineering ToolBox в свой SketchUp из хранилища расширений SketchUp Pro Sketchup!
Перевести
О Engineering ToolBox!
Мы не собираем информацию от наших пользователей. В нашем архиве сохраняются только электронные письма и ответы. Файлы cookie используются только в браузере для улучшения взаимодействия с пользователем.
Некоторые из наших калькуляторов и приложений позволяют сохранять данные приложений на локальном компьютере. Эти приложения будут — из-за ограничений браузера — отправлять данные между вашим браузером и нашим сервером.
Мы не сохраняем эти данные.
Google использует файлы cookie для показа нашей рекламы и обработки статистики посетителей. Пожалуйста, прочитайте Конфиденциальность и условия Google для получения дополнительной информации о том, как вы можете контролировать показ рекламы и собираемую информацию.
AddThis использует файлы cookie для обработки ссылок на социальные сети. Пожалуйста, прочитайте AddThis Privacy для получения дополнительной информации.
Реклама в ToolBox
Если вы хотите продвигать свои товары или услуги в Engineering ToolBox — используйте Google Adwords. Вы можете настроить таргетинг на Engineering ToolBox с помощью управляемых мест размещения AdWords.
Цитирование
Эту страницу можно цитировать как
- The Engineering ToolBox (2010). Выемка траншеи . [онлайн] Доступно по адресу: https://www.engineeringtoolbox.com/trench-excavation-d_1728.html [День месяца год].
Изменить дату доступа.
.
.закрыть
Сделать ярлык на главный экран?
Бесплатная онлайн-программа для анализа устойчивости склонов. Рассчитать коэффициент запаса устойчивости откосов.
Что такое анализ уклона?
Анализ устойчивости склона проводится инженером-геотехником для понимания вероятности и риска обрушения склона. Разрушение склона является как динамическим, так и статическим, и его можно решить с помощью методов предельного равновесия, эмпирических методов или методов анализа методом конечных элементов.
Как проводится анализ устойчивости откосов?
Обрушение склона, также известное как оползень или камнепад, представляет собой явление, при котором грунт в неравновесном состоянии смещается под действием силы тяжести, земля смещается до тех пор, пока не достигнет нового состояния равновесия.
Склоны могут разрушаться по-разному, в зависимости от геологического профиля склона и наличия трещин в земле. Однако когда происходит сбой, он обычно внезапный, без многих предупреждающих знаков. Если уклон восприимчив, то разрушение обычно происходит после периода сильного дождя, который приводит к изменению уровня грунтовых вод.
Какие существуют типы обрушения склона?
Существует широкий спектр механизмов разрушения откосов. Здесь мы рассмотрим некоторые из наиболее распространенных типов разрушения. Плоское разрушение обычно происходит, когда разрывы в склоне пересекаются, образуя плоскую поверхность, по которой блок может свободно перемещаться. пересекаются, линии пересечения которых приблизительно перпендикулярны простиранию склона и падают по направлению к плоскости склона. Круговое разрушение следует тому же принципу, что и клиновидное разрушение. у основания склона с последующим скольжением между слоями вращательные скольжения являются наиболее распространенной формой обрушения склона и следуют по дуге окружности через почву.
сила.
Как рассчитать коэффициент безопасности для устойчивости откоса
Мы можем использовать семь этапов расчета для определения коэффициента безопасности для устойчивости откоса:
- Определение двухмерной геометрии с учетом таких параметров, как высота и длина склона
- Определить поверхность разрушения, вдоль которой, как мы предполагаем, происходит разрушение склона
- Разделите модель на несколько различных срезов, чем больше будет срезов, тем точнее будет расчет
- Рассчитать вес каждого размера
- Рассчитать силу сопротивления на каждом срезе
- Рассчитать дестабилизирующую силу на каждом срезе
- Расчет запаса прочности между силами сопротивления и дестабилизирующими силами
Мы повторяем этот процесс для всех возможных поверхностей отказа.
После определения двухмерной геометрии и уровня грунтовых вод мы предполагаем круговую поверхность разрушения через склон.
На данный момент мы можем определить центр этого наклона и радиуса отказа в произвольном месте, затем мы разделим наклон в пределах границ поверхности отказа на несколько срезов (чем больше, тем лучше). После того, как мы разделили склон на несколько ломтиков, мы можем рассматривать эти ломтики по отдельности, каждый ломтик следует за склоном под углом, каждый ломтик имеет вес, нормальную силу и давление воды. Существует также сопротивление сдвигу, действующее на основание склона, и сопротивление вертикальному сдвигу между каждым срезом. Вес каждого ломтика рассчитывается с использованием плотности и площади ломтика.
Рассчитайте силы сопротивления для каждого слоя: В расчете используется критерий разрушения Мура-Кулона для расчета сопротивления сдвигу каждого слоя. В этом уравнении используются сцепление, нормальная сила и угол трения. Рассчитайте нормальную эффективную силу для каждого среза, используя вес, угол среза, поровое давление воды и длину дуги основания среза.
Соответствующая сила трения рассчитывается с использованием эффективного нормального напряжения и угла трения. Сила когезионного сопротивления рассчитывается с использованием когезии и длины среза. Общее сопротивление рассчитывается как сумма сопротивления трения и сцепления
Рассчитайте дестабилизирующие силы на каждом срезе: Эти силы рассчитываются с использованием веса каждого среза и угла наклона основания среза от горизонтали
Рассчитывается коэффициент безопасности склона: В расчете используется соотношение между суммой сопротивляющихся и суммой дестабилизирующих сил, действующих на все срезы.
Затем следует повторить этапы расчета с первого по седьмой для всех возможных поверхностей разрушения склона с коэффициентом запаса наихудшего случая, чем принятый.
Что такое метод предельного равновесия для устойчивости откосов и метод Бишопа?
Склоны почвы можно анализировать различными способами, используя такие методы, как метод предельного равновесия или анализ методом конечных элементов.
Типы анализа предельного равновесия для оценки устойчивости земляных откосов используются в инженерно-геологических разработках на протяжении многих десятилетий. Идея дискретизации потенциальной скользящей массы на вертикальные срезы была предложена в начале 20 века и, следовательно, является старейшим методом численного анализа в геотехнической инженерии.
Бишоп (1955) разработал схему, которая включала нормальные силы между слоями, но игнорировала силы сдвига между слоями. Опять же, упрощенный метод Бишопа удовлетворяет только моментному равновесию. Интересным и важным для этого метода является тот факт, что при включении нормальных межсрезовых сил уравнение запаса прочности стало нелинейным, и для расчета коэффициента запаса потребовалась итерационная процедура
В 1950-х годах профессор Бишоп из Имперского колледжа в Лондоне разработал метод, который включал нормальные силы между слоями, но игнорировал силы сдвига между слоями. Бишоп разработал уравнение для нормали к основанию среза, суммируя силы среза в вертикальном направлении. Следствием этого является то, что базовая норма становится функцией коэффициента безопасности. Это, в свою очередь, делает коэффициент запаса прочности нелинейным (то есть FS появляется в обеих частях уравнения), и, следовательно, требуется итерационная процедура для вычисления запаса прочности.