Построить эпюры продольных сил и нормальных напряжений по длине бруса | Интерактивное сообщество — Решение задач по инженерной графике
Двух ступенчатый стальной брус нагружен силами: F1=20 кН; F2=10 кН; F3=5 кН. Площади поперечных сечений бруса: A1=1,8 см2; A2=3,2 см2. a=0,2 м. Принять E=2х100000 МПа, [σ]=160 МПа. Построить эпюры продольных сил, нормальных напряжений. Определить перемещение конца бруса.

Двух ступенчатый стальной брус нагружен силами: F1=20 кН; F2=10 кН; F3=5 кН. Площади поперечных сечений бруса: A1=1,8 см2; A2=3,2 см2. a=0,2 м. Принять E=2х100000 Н/мм2. Построить эпюры нормальных сил и напряжений по длине бруса. Определить перемещение конца бруса.
Брус закреплен в стене — закрепление заделка. Сечения бруса круглой формы
$ S = \frac{πd^{2}}{4} $
Находим диаметры ступеней бруса.
$ d = \sqrt{\frac{4S}{π}} $
$ d_{1}=15,14 мм; d_{2}=20,19 мм $
Делим брус на участки нагружения (части бруса между внешними силами) — участки 1, 2 и 3. Используем метод сечений для определения внутренних силовых факторов, действующих на каждом участке (при этом внутренние силы переходят в разряд внешних):
Участок 1. Проецируем силы действующие на участок на ось х и составляем уравнение равновесия
$ ΣF_{x} = 0; -F_{3}+N_{1}=0; N_{1}=F_{3}=5 кН $
Продольная сила N1 положительна. Участок 1 сжат.
Участок 2. Проецируем силы действующие на участок на ось х и составляем уравнение равновесия
$ ΣF_{x} = 0; -F_{3}-F_{2}+N_{2}=0; N_{2}=F_{3}+F_{2}=5+10=15 кН $
Продольная сила N2 положительна. Участок 2 сжат.
Участок 3. Проецируем силы действующие на участок на ось х и составляем уравнение равновесия
$ ΣF_{x} = 0; -F_{3}-F_{2}+F_{1}+N_{2}=0; N_{3}=5+10-20=-5 кН $
Продольная сила N3 отрицательна. Участок 3 растянут.
Определяем величины нормальных напряжений по сечениям с учетом изменения площади поперечного сечения. Четыре участка по напряжениям:
$ σ_{1} =\frac{N_{1}}{A_{1}}=\frac{5×10^{3}}{1,8×100}=27,8 \frac{Н}{мм^{2}}=27,8 МПа $
$ σ_{2} =\frac{N_{2}}{A_{1}}=\frac{15×10^{3}}{1,8×100}=83,3 МПа $
$ σ_{3} =\frac{N_{2}}{A_{2}}=\frac{15×10^{3}}{3,2×100}=46,9 МПа $
$ σ_{4} =\frac{N_{3}}{A_{2}}=\frac{5×10^{3}}{3,2×100}=15,6 МПа $
Строим эпюры продольных сил и эпюру нормальных напряжений, полагая растягивающие напряжения положительными. Эпюра продольных сил показывает изменение внутреннего силового фактора по длине бруса: участки I, II и III испытывают деформацию сжатия; участок IV испытывает деформацию растяжения. Эпюра нормальных напряжений показывает их изменение по длине бруса. Наиболее опасным участком является участок II. Так как нормальные напряжения на нем максимальны по величине σII=83,3 МПа Проверяем прочность бруса: по условию прочности $ |σ_{max}=83,3 МПа|≤[σ=160 МПа] $ Прочность обеспечена.
На каждом участке определяем абсолютную деформацию (удлинение или сжатие):
$ ∆ℓ_{1} = \frac{σ_{1}L_{1}}{E}=\frac{-27,8×10^{3}×0,2}{200×10^{3}}=-0,028 мм $
$ ∆ℓ_{2} = \frac{σ_{2}L_{2}}{E}=\frac{-83,3×10^{3}×0,2}{200×10^{3}}=-0,083 мм $
$ ∆ℓ_{3} = \frac{σ_{3}L_{3}}{E}=\frac{-469×10^{3}×0,4}{200×10^{3}}=-0,094 мм $
$ ∆ℓ_{4} = \frac{σ_{4}L_{4}}{E}=\frac{156×10^{3}×0,2}{200×10^{3}}=0,016 мм $
Суммарное удлинение бруса (перемещение свободного конца)
$ ∆ℓ=∆ℓ_{1}+∆ℓ_{2}+∆ℓ_{3}+∆ℓ_{4}=-0,189 мм $
ingr.fxyz.ru
Построение эпюры нормальных напряжений при растяжении-сжатии
Задача
Построить эпюру нормальных напряжений для стержня постоянного сечения, нагруженного продольными силами.
Поперечное сечение стержня — квадрат со сторонами a=22мм. Допустимые напряжения [σ]=160МПа
Решение
Предыдущие пункты решения задачи:
Расчет нормальных напряжений при растяжении-сжатии производится по формуле:
т.е. напряжения в рассматриваемом сечении определяются отношением соответствующей величины внутренней силы к площади поперечного сечения стержня.
Площадь поперечного сечения стержня постоянна по всей его длине, и составляет
Очевидно, что в пределах участка стержня, на котором внутренняя сила и площадь постоянны, напряжения так же будут иметь одинаковую величину.
Здесь, при одинаковой площади, внутренние силы различаются на трех силовых участках. Соответственно на этих участках нормальные напряжения тоже будут отличаться.
Знак напряжений зависит от знака соответствующей внутренней продольной силы.
Значения внутренних сил принимаются с построенной ранее эпюры N.

Расчет напряжений
Нормальные напряжения на I силовом участке (KM)
На II участке (CK)
На III участке (BC)
По этим данным строим эпюру нормальных напряжений.

По построенной эпюре видно, что напряжения не превышают заданных допустимых значений, следовательно, рассчитанные размеры стержня обеспечивают его прочность.
Расчет деформации стержня >
Другие примеры решения задач >
isopromat.ru
Построение эпюр при растяжении-сжатии
Задача
Для ступенчатого бруса, нагруженного силами F1 и F2, приложенными к середине участков длиной l1 и l2, требуется построить эпюры продольной силы, напряжений, перемещений и дать оценку прочности.
Исходные данные:
F1=200кН; F2=150кН;
A1=15см2; A2=10см2;
l1=80см; l2=40см;
Модуль Юнга: E=2×105МПа;
[σ]=160МПа.
Решение задачи
Расчет опорной реакции
При заданных нагрузках в опорном сечении возникает только осевая составляющая реакции – R.
Из уравнения равновесия:
откуда
Знак “-“ указывает на обратное по сравнению с принятым направление опорной реакции R.
Для решения поставленной задачи R можно было не определять, так как продольную силу в любом сечении можно вычислить, рассматривая только правую отсеченную часть бруса.
Построение эпюры продольных сил N
На рассматриваемом стержне три силовых участка – BC, CK и KM.
Для определения величины N по участкам воспользуемся методом сечений.
Вычисляем значения продольной силы на участках:
— участок BC
Или
— участок CK
или
— участок KM
или
По полученным данным строим эпюру N
Штриховка эпюр обычно производится перпендикулярно к базовой линии, ордината эпюры указывает значение продольной силы в соответствующем сечении бруса.
В поле эпюры, в кружочке проставляется её знак, а рядом с эпюрой — её обозначение и, в квадратных скобках, размерность.
Как видно из построенной эпюры N, в местах приложения сосредоточенных сил F1 и F2 (сечения C и K) имеют место скачки по модулю на величину этих сил.
Построение эпюры напряжений σ
Напряжения в поперечных сечениях вычисляются по формуле σ=N/A.Характер изменения нормальных напряжений по длине бруса будет таким же, как для продольной силы. Только в месте резкого изменения формы бруса (сечение D) на эпюре σ, в отличие от эпюры N, возникает скачок значений из-за изменения площади сечения A.
Вычислим напряжения на участках:

По рассчитанным значениям строим эпюру σ

Построение эпюры перемещений δ
Перемещения характерных сечений определяются по зависимости
где
δ0 — перемещение начала участка;
Δ li — абсолютная деформация рассматриваемого участка.
Определяем абсолютные деформации отдельных участков стержня по формуле
Вычисляем перемещения характерных сечений
По результатам этих расчетов строим эпюру продольных перемещений

При этом необходимо учесть, что на участках без распределенной нагрузки эпюра δ меняется по линейному закону.
Проверка прочности стержня
Для оценки прочности бруса сравниваем максимальное по абсолютной величине значение напряжений с допускаемым
Условие прочности выполняется, недогрузка составляет
Другие примеры решения задач >
Краткая теория по сопромату >
isopromat.ru
Построение эпюр продольных сил и нормальных напряжений, определение перемещений свободного конца бруса, проверка на прочность
Цель: научиться подбирать сечения стержней из условия прочности
Краткие теоретические сведения
Растяжением или сжатием называется такой вид нагружения, при котором
в поперечных сечениях стержня возникает только один внутренний силовой фактор – продольная сила N. Продольная сила считается положительной, если она вызывает растяжение (направлена от сечения), и отрицательной, если она вызывает сжатие (направлена к сечению). В произвольном сечении продольная сила численно равняется алгебраической сумме проекций на ось стержня всех внешних сил, действующих по одну сторону от проведенного сечения. При этом внешние силы, направленные от сечения, входят в уравнение со знаком плюс, а направленные к сечению – со знаком минус, что соответствует указанному выше правилу знаков для продольной силы.
Для наглядного представления о характере распределения продольных сил по длине стержня строится эпюра продольных сил. При построении эпюры следует руководствоваться некоторыми правилами, вытекающими как из метода сечений , так и из дифференциальной зависимости между q и N:
1. Если на участке стержня отсутствует распределенная нагрузка, то продольная сила постоянна.
2. Если на участке имеется равномерно распределенная нагрузка, то продольная сила изменяется по линейному закону.
3. В сечении, где приложена внешняя сосредоточенная сила, эпюра продольных сил имеет скачок на величину этой силы.
4. В концевых сечениях стержня продольные силы равны приложенным в этих сечениях внешним сосредоточенным силам.
Пример выполнения задания


Рис. 2.2



Задания для самостоятельного выполнения
Проверить прочность и определить перемещение свободного конца стержня. Материал стержня — сталь ([σ]=160 МПа, Е=2*105 МПа). Расчетная схема и числовые данные выбираются в соответствии с шифром по рис. 1 и таблице 1.Р2=1,6 Р1.
Цифра варианта | 1 | 2 | 3 | 4 | 5 | 6 |
| схема | а, м | Р1, кН | Р 2 , кН | Р3, кН | Р1, см2 | |
| 1 | 1 | 0,30 | 15 | 60 | 100 | 10 |
| 2 | 2 | 0,35 | 20 | 70 | 110 | 11 |
| 3 | 3 | 0,40 | 45 | 80 | 122 | 12 |
| 4 | 4 | 0,45 | 50 | 75 | 130 | 14 |
| 5 | 5 | 0,50 | 35 | 90 | 125 | 12,5 |
| 6 | 6 | 0,55 | 30 | 65 | 120 | 15 |
| 7 | 7 | 0,60 | 40 | 75 | 115 | 20 |
| 8 | 8 | 0,65 | 25 | 50 | 110 | 16 |
| 9 | 9 | 0,70 | 30 | 85 | 90 | 14 |
| 10 | 10 | 0,75 | 55 | 77 | 140 | 13 |

Список рекомендованных источников
1. Сопротивление материалов: учеб. пособие / Н.Н. Вассерман, А.П. Жученков, М.Л. Зинштейн, А.М. Ханов. – Пермь: Изд-во Перм. гос. техн. ун-та, 2011.-343 с.
Вопросы для самоконтроля:
1.Растяжение/сжатие – это
2. Как определяется продольная сила при растяжении/сжатии?
ПРАКТИЧЕСКОЕ ЗАНЯТИЕ 5
Определение главных центральных моментов инерции сечения
Цель: научиться определять геометрические характеристики плоских сечений.
Краткие теоретические сведения, справочные материалы
Дано:
1. Вычертим сечение в масштабе с указанием размеров.
2. Определим положение центра тяжести сечения.
а) Разобьем составную фигуру на простейшие.
б) Проведем центральные оси через центры тяжести каждой фигуры.
в) Определим центр тяжести сечения.

Рис. 7.1
; ; ;
3. Вычислим моменты инерции, моменты сопротивления и радиусы инерции относительно главных центральных осей.
а) Определим моменты инерции относительно главных центральных осей.
b1, b2 – координаты точки 01,02 в новой системе координат хс, ус по оси у.
а1, а2 – координата центра тяжести в новой системе координат по оси х.
б) определим радиусы инерции относительно главных центральных осей.
в) Определим моменты сопротивления относительно главных центральных осей.
studopedia.net
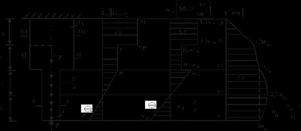
Построение эпюр продольных сил и нормальных напряжений
Эпюры продольных сил строят методом сечений, рассекая стержень сечениями на характерных участках. Границами участков служат места ступенчатого изменения площади сечения, места приложения сосредоточенных сил, начало или конец участка с распределённой нагрузкой (рисунок 2.1). Продольную силу находят из условия равновесия отсечённой части стержня (либо верхней, либо нижней). При этом равнодействующую силу от распределённой нагрузки n [т/м] находят умножением её на длину участка z.
а)

б)
Рисунок 2.1 – а) Пример построения эпюр продольных сил , нормальных напряжений и продольных перемещений “u” в ступенчатом брусе при растяжении – сжатии; б) Метод сечений в ступенчатом брусе при растяжении — сжатии и определение продольных сил N1, N2, N3 на 3-х участках
I участок, (рисунок 2.1б)
;
— линейная зависимость.
, .
II участок, (рисунок 2.1б)
;
.
III участок, (рисунок 2.1б)
;
;
где — нормальное напряжение в общем виде.
.
§2.2 Построение эпюр продольных перемещений
Применим закон Гука к определению перемещений при растяжении-сжатии.
— закон Гука при растяжении – сжатии (см. формулу 1.7).
— линейная относительная деформация (см. формулу 1.5).
Подставим формулу (1.5) в (1.7) и выразим из нее абсолютное удлинение участка бруса :
. (2.1)
Общая формула полных перемещений принимает вид:
, (2.2)
где — площадь эпюры нормальных напряжений на участке длиной l.
Рассмотрим два частных случая.
1) Стержень постоянного сечения, растянут силой Р (рисунок 2.2):

Рисунок 2.2 – Эпюры продольных сил Nz, нормальных напряжений и продольных перемещений “u” бруса постоянного сечения, растянутого силой Р
, ,
; (2.3)
. (2.4)
2) Стержень под действием собственного веса (рисунок 2.3):
. (2.5)
Если обозначить полный вес стержня Q, , то можно найти условное удлинение стержня от этой силы, приложенной на конце стержня . Перемещение стержня от собственного веса в 2 раза меньше, чем от постоянной силы, равной его весу и приложенной на конце.

Рисунок 2.3 – Схема нагружения бруса постоянного сечения собственным весом γ, эпюры
продольных сил Nz, нормальных напряжений σz и продольных перемещений “u”
Вернемся к примеру ступенчатого бруса § 2.1.
Построение эпюр продольных перемещений начинают от неподвижного сечения.
, где ;
,
,
.
Между перемещением и деформацией существует дифференциальная зависимость:
. (2.6)
Если , то производная от перемещений u также равна 0. Значит, в этом сечении перемещение u принимает экстремальное значение (max или min).
§2.3 Условие прочности при растяжении-сжатии.
Подбор сечений. Виды прочностных расчётов
Каждый материал имеет свою характеристику прочности, которую в обобщённом виде можно охарактеризовать максимальной (предельной) величиной напряжения, которое может выдержать образец из этого материала при растяжении или сжатии (рисунки 2.4, 2.5). Эта величина называется временным сопротивлением материала при растяжении или сжатии и обозначается и соответственно (если прочностные свойства при растяжении и сжатии одинаковы, то ).
В большинстве случаев по условиям эксплуатации действующие напряжения не должны вызывать пластическую деформацию материала (текучесть). Поэтому прочность материала характеризуют также напряжением, вызывающим начало текучести, называют это напряжение пределом текучести .
Рисунок 2.4 — Стандартные стальные образцы для испытания на растяжение и сжатие
Типичная диаграмма напряжений стали марки Ст3 состоит из 4-х участков (рисунок 2.5):
I — участок линейного деформирования по закону Гука,
II — площадка текучести,
III — зона упрочнения,
IV — зона разрушения,
![]() | |
| Рисунок 2.5 — Диаграмма деформирования малоуглеродистой стали (диаграмма напряжений) | Рисунок 2.6 - Диаграмма деформирования легированной стали |
Если на II-IV участке разгрузить образец, например из точки К (рисунок 2.5), то разгрузка на диаграмме деформирования происходит под углом α наклона линейного участка к горизонтали, а остаточная деформация εост не обращается в нуль. Полная остаточная деформация образца на момент разрыва носит название относительного остаточного удлинения δ. Для малоуглеродистых сталей δ=20÷35%, для легированных сталей δ = 7÷12% (рисунок 2.6).
Важной характеристикой материала является удельная работа разрыва “а”, равная площади диаграммы деформирования
, МПа. (2.7)
Чем больше удельная работа разрыва, тем большую энергию поглощает конструкция в предельном состоянии, что особенно важно при аварийных соударениях, например, для бампера автомобиля.
Для легированных сталей на диаграмме деформирования отсутствует площадка текучести, поэтому вводится условный предел текучести σ0,2, при котором остаточная деформация составляет εост = ε02 = 0,002 = 0,2% (рисунок 2.6).
Если после разгрузки диаграммы из точки К повторить затем нагрузку, то ветвь нагружения повторит ветвь разгрузки, при этом линейный участок на диаграмме будет больше, чем у исходного недеформированного материала, и площадка текучести будет соответствовать точке К с повышенным пределом текучести σ’т.
Явление повышения упругих и прочностных свойств металлов в результате предварительного пластического деформирования носит название наклепа и широко используется в технологических процессах металлообработки. Наиболее ответственные детали и конструкции по этой причине изготавливают методом ковки или из кованых заготовок. Обкатка поверхностей вращения роликами или дробеструйная обработка также повышают предел текучести поверхностного слоя, что особенно существенно для повышения усталостной прочности деталей при многоцикловом нагружении (см. §16.3).
В учебных целях вводится понятие допускаемого напряжения, равного отношению предела текучести материала к коэффициенту запаса n (условному общему коэффициенту).
, (2.8)
где — коэффициент запаса.
Сталь 3, , n=1.5, .
Для некоторых материалов (чугун, бетон и др.) прочность на растяжение и сжатие различна, поэтому вводят два допускаемых напряжения — на растяжение и на сжатие .
Условие прочности на растяжение (сжатие) имеет следующий вид: — для хрупких материалов; (2.9а)
— для пластичных материалов; (2.9б)
— для хрупких материалов; (2.10а)
— для пластичных материалов. (2.10б)
Условие прочности составляется для опасного сечения, в котором напряжение максимально по модулю, для его нахождения и строят эпюру .
Условия прочности в сопромате применяются в трёх основных случаях:
1. Проверочный расчёт
Заданы сечения (размеры), материал и нагрузки, т.е. известно N, F, . Требуется проверить, обеспечена ли прочность опасного сечения из заданного материала.
. (2.11)
— перенапряжение ( ) или недонапряжение ( ).
Если перенапряжение , то прочность сечения условно обеспечена. Если , то прочность сечения не обеспечена.
Если , то прочность сечения обеспечена с запасом.
Запас прочности . Если n > 1, то прочность обеспечена.
2. Проектный расчёт
а) Подбор сечения
Заданы нагрузки и характеристики материала (N и известны). Требуется подобрать размеры сечения и найти его площадь.
Требуемая площадь сечения находится по формуле:
, (2.12)
, — требуемые размеры сечения.
Далее вычерчивается эскиз сечения (квадрат, круг, труба и др.), на котором назначаются округленные размеры a, D и вычисляется фактическая площадь сечения и др.
б) Расчёт грузоподъёмности системы
Даны размеры, сечения и материал, т.е. известны F, . Требуется найти допускаемую нагрузку на конструкцию [P].
Допускаемая продольная сила для опасного сечения находится по формуле:
, (2.13)
— допускаемая нагрузка выражается из эпюры N через продольную силу.
3. Вариантный (технико-экономический) расчёт
Заданы нагрузки (через них усилия N). Требуется подобрать материал, обладающий заданными прочностными свойствами и заданной стоимостью (руб/кг, руб/м3), размеры сечений и выбрать наиболее экономичный вариант с минимальной полной стоимостью .
,
Стоимость первого варианта ;
;
(2.14)
сi/[σi]- удельная стоимость материала на единицу прочности.
Пример. Рассчитать стоимость материалов для двух стоек длиной 3 м в двух вариантах под нагрузку P=30 т (рисунок 2.7):
1) сталь, сечение – труба;
2) дерево, сечение – круглое бревно.
Все сечения стойки равноопасны, напряжения одинаковы по всей длине.
,
,
.
Принимаем ,
,
.
.
,
.
Принимаем ,
,
.
.
|
а)
Рисунок 2.7 – а) Схема нагружения короткой стойки сжимающей силой Р = 30т и эпюры Nz, ;б) эскиз сечения стальной трубы; в) эскиз сечения деревянной стойки
§2.4 Статически — неопределимые задачи при растяжении — сжатии
Конструкции, в которых невозможно определить реакции связей из уравнения статики (реакций больше, чем уравнений), называются статически-неопределимыми конструкциями. Такие задачи необходимо решать обязательно с привлечением уравнений деформаций, рассматривая геометрию конструкции в деформированном состоянии. Для решения статически-неопределимых задач рассматривают три стороны задачи:
а) статическая сторона;
б) геометрическая сторона;
в) физическая сторона.
Кроме того, необходимо учитывать появление усилий и напряжений в статически-неопределимых системах от температурного нагрева (охлаждения) и смещений опор. Это связано со стеснённостью свободного проявления температурных и кинематических деформаций (в том числе перемещений опор) в статически неопределимых системах.
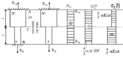
Пример. Расчёт ступенчатого стержня с двумя заделками на концах
1. Расчёт на нагрузку (рисунок 2.8).

Рисунок 2.8 – Расчет на нагрузку ступенчатого стержня с двумя заделками на концах
а) Статическая сторона задачи:
,
.
б) Геометрическая сторона задачи:
Отбрасываем одну заделку и превращаем систему в статически определимую (такая статически определимая система называется основной). Условие эквивалентности основной и заданной системы заключается в равенстве перемещений по направлению отброшенной связи (в заделке ):
.
в) Физическая сторона задачи (закон Гука):
Подставляем физические уравнения в геометрические:
Выражаем через P.
Из статического уравнения находим остальные неизвестные, подставляя туда .
Далее строим окончательные эпюры продольных сил и нормальных напряжений σz.
2. Расчёт на температуру (рисунок 2.9).
а) Статическая сторона задачи:
.
б) Геометрическая сторона задачи:
.

Рисунок 2.9 – Расчет на температурные воздействия ступенчатого стержня с двумя заделками на концах
в) Физическая сторона задачи (закон Гука и закон линейного температурного расширения):
Подставляем физические уравнения в геометрические:
Из статического уравнения находим
3. Расчёт на смещение опор (рисунок 2.10).
а) Статическая сторона задачи (одинаковая с температурной):
б) Геометрическая сторона задачи:
.
в) Физическая сторона задачи (закон Гука):
.

Рисунок 2.10 – Расчет на смещения опор ступенчатого стержня с двумя заделками на концах
Подставляем физические уравнения в геометрические
.
Из статического уравнения находим
.
§2.5 Напряжения на наклонных площадках.
Закон парности касательных напряжений
а) б)
Рисунок 2.11 – а) Напряжения на наклонных площадках в брусе при растяжении; б) закон парности касательных напряжений
— угол отсчитывается против часовой стрелки.
; — нормальные напряжения в поперечном сечении ; — полное напряжение на наклонной площадке ;
— нормальное напряжение на наклонной площадке;
— касательное напряжение на наклонной площадке;
; (2.15)
; (2.16)
при .
при .
Правило знаков для напряжений: нормальные напряжения положительные, если они растягивающие; касательное напряжение считается положительным, если при повороте вектора против часовой стрелки на его направление совпадает с направлением внешней нормали.
.
Закон парности касательных напряжений: касательные напряжения на взаимно перпендикулярных площадках равны по величине и противоположны по знаку (направлены оба к ребру или оба от ребра) – рисунок 2.11б:
. (2.17)
Дата добавления: 2019-04-03; просмотров: 148;
znatock.org
1.2.2. Построение эпюры напряжений.
Нормальные напряжения (z) распределяются равномерно по сечению:

где N(z) – продольная сила, A(z) – площадь поперечного сечения.
Для определения положения опасного сечения стержня, в котором возникают максимальные напряжения, определим напряжения в долях 1/А0.
Участок АВ (0z1l2), нормальные напряжения

На участке ВС (l1z22l2):

Участок СD (0z3l3):

По полученным данным строим эпюру ЭА0 (рис. 1.3 в).
1.2.3. Расчет на прочность. Подбор сечения.
По эпюре напряжений видно, что опасным является сечение В

Условие прочности при растяжении-сжатии имеет вид:

где [] – допускаемое напряжение, которое определено выше для материала Ст30 и равно []=563,8 Мпа.
Тогда условие прочности примет вид

откуда А0:
Определим напряжения, действующие в сечениях при выбранном значении А0.
Участок АВ:
Участок ВС:
Участок CD:
По полученным данным строим эпюру действующих в стержне нормальных напряжений Э(рис. 1.3 г).
1.3. Расчет на жесткость стержня постоянного сечения.
Для стержня из стали 30Х, площадью поперечного сечения А=8см2, представленного на рис. 1.5, необходимо построить эпюры продольных сил и осевых перемещений, выполнить расчет на жесткость.
1.3.1. Построение эпюр продольных сил и перемещений.
Построение эпюры продольных сил. Направим вдоль оси стержня ось z(рис.1.5). Составим уравнение равновесия системы:
Разобьем стержень на 3 участка АВ, ВС и CD, проведем на каждом из них произвольные сечения 1-1, 2-2, 3-3 с заданными координатами этих сеченийz1,z2,z3.
Участок АВ (0z1l1):

Участок ВС (0z2l2):
На участке DC (0z3l3) отбросим левую часть, ее действие заменим продольной силойN3:
По полученным данным строим эпюру ЭN(рис. 1.5).
Построение эпюры перемещений. Запишем уравнения для перемещений w(z) сечений, считая площади сечений известными:
где w0– перемещение в начале участка, определяемое начальными условиями;l(z) – удлинение участка (абсолютная деформация участка стержня).
Если продольная сила N(z) зависит от координат сеченияz, то:

Для стали 30Х Е=2*105МПа. В расчетах примем жесткость сечения при растяжении-сжатии ЕА=2*105*8*102=16*107 Н=16*104 кН.
Рассмотрим участок АВ (0z1l1):
Функция w(z1) – квадратичная парабола. Так как в сечении А – заделка, тоw0=0 иw1=0,0026мм. Так как в пределах участка АВ продольная силаN1не меняет знака, то парабола в пределах участка не имеет экстремума.
Участок ВС (0z2l2):
Функция w(z2) – квадратичная парабола. Так как в пределах участка ВС продольная силаN2не меняет знака, то парабола в пределах участка не имеет экстремума.
На участке DC (0z3l3):
Функция w(z1) – линейная.
По полученным данным строим эпюру Эw(рис. 1.5).
1.3.2. Расчет на жесткость.
Условие жесткости при растяжении-сжатии

где L– удлинение стержня, [l] – допускаемое удлинение. В данном случае условие жесткости должно выполняться для участкаCD:
Величина [l]=0,001Lпринимается в долях от суммарной длиныL,
Запишем условие жесткости:
Условие жесткости выполняется.
1.4. Расчет на прочность статически неопределимой стержневой системы при растяжении – сжатии.
С
тержневая
система, состоящая из жесткого стержня
АЕ и двух других стержней ВС и ВК,
нагружена силой Р=35кН (рис 1.6). Определить
коэффициент запаса прочности стержневой
системы, если=450,l1=0,6м,l2=0,3м,l3=0,6м, А=800мм2,k=1,2, материал – сталь 30Х
с пределом текучестит=845,7МПа.
При
известной площади сечения выполняется
проверочный расчет на прочность по
напряжениям. Величина фактического
коэффициента запаса
гдепред – предельное значение напряжения
для заданного материала.max– максимальное рабочее напряжение,
возникающее в заданной стержневой
системе от приложенных нагрузок. Сталь
30Х пластичный материал, тогдапред=т,
следовательноn=т/max.
studfiles.net
1.2.2. Построение эпюры напряжений.
Нормальные напряжения (z) распределяются равномерно по сечению:

где N(z) – продольная сила, A(z) – площадь поперечного сечения.
Для определения положения опасного сечения стержня, в котором возникают максимальные напряжения, определим напряжения в долях 1/А0.
Участок АВ (0z1l2), нормальные напряжения

На участке ВС (l1z22l2):

Участок СD (0z3l3):

По полученным данным строим эпюру ЭА0 (рис. 1.3 в).
1.2.3. Расчет на прочность. Подбор сечения.
По эпюре напряжений видно, что опасным является сечение В

Условие прочности при растяжении-сжатии имеет вид:

где [] – допускаемое напряжение, которое определено выше для материала Ст30 и равно []=563,8 Мпа.
Тогда условие прочности примет вид

откуда А0:
Определим напряжения, действующие в сечениях при выбранном значении А0.
Участок АВ:
Участок ВС:
Участок CD:
По полученным данным строим эпюру действующих в стержне нормальных напряжений Э(рис. 1.3 г).
1.3. Расчет на жесткость стержня постоянного сечения.
Для стержня из стали 30Х, площадью поперечного сечения А=8см2, представленного на рис. 1.5, необходимо построить эпюры продольных сил и осевых перемещений, выполнить расчет на жесткость.
1.3.1. Построение эпюр продольных сил и перемещений.
Построение эпюры продольных сил. Направим вдоль оси стержня ось z(рис.1.5). Составим уравнение равновесия системы:
Разобьем стержень на 3 участка АВ, ВС и CD, проведем на каждом из них произвольные сечения 1-1, 2-2, 3-3 с заданными координатами этих сеченийz1,z2,z3.
Участок АВ (0z1l1):

Участок ВС (0z2l2):
На участке DC (0z3l3) отбросим левую часть, ее действие заменим продольной силойN3:
По полученным данным строим эпюру ЭN(рис. 1.5).
Построение эпюры перемещений. Запишем уравнения для перемещений w(z) сечений, считая площади сечений известными:
где w0– перемещение в начале участка, определяемое начальными условиями;l(z) – удлинение участка (абсолютная деформация участка стержня).
Если продольная сила N(z) зависит от координат сеченияz, то:

Для стали 30Х Е=2*105МПа. В расчетах примем жесткость сечения при растяжении-сжатии ЕА=2*105*8*102=16*107 Н=16*104 кН.
Рассмотрим участок АВ (0z1l1):
Функция w(z1) – квадратичная парабола. Так как в сечении А – заделка, тоw0=0 иw1=0,0026мм. Так как в пределах участка АВ продольная силаN1не меняет знака, то парабола в пределах участка не имеет экстремума.
Участок ВС (0z2l2):
Функция w(z2) – квадратичная парабола. Так как в пределах участка ВС продольная силаN2не меняет знака, то парабола в пределах участка не имеет экстремума.
На участке DC (0z3l3):
Функция w(z1) – линейная.
По полученным данным строим эпюру Эw(рис. 1.5).
1.3.2. Расчет на жесткость.
Условие жесткости при растяжении-сжатии

где L– удлинение стержня, [l] – допускаемое удлинение. В данном случае условие жесткости должно выполняться для участкаCD:
Величина [l]=0,001Lпринимается в долях от суммарной длиныL,
Запишем условие жесткости:
Условие жесткости выполняется.
1.4. Расчет на прочность статически неопределимой стержневой системы при растяжении – сжатии.
С
тержневая
система, состоящая из жесткого стержня
АЕ и двух других стержней ВС и ВК,
нагружена силой Р=35кН (рис 1.6). Определить
коэффициент запаса прочности стержневой
системы, если=450,l1=0,6м,l2=0,3м,l3=0,6м, А=800мм2,k=1,2, материал – сталь 30Х
с пределом текучестит=845,7МПа.
При
известной площади сечения выполняется
проверочный расчет на прочность по
напряжениям. Величина фактического
коэффициента запаса
гдепред – предельное значение напряжения
для заданного материала.max– максимальное рабочее напряжение,
возникающее в заданной стержневой
системе от приложенных нагрузок. Сталь
30Х пластичный материал, тогдапред=т,
следовательно
studfiles.net
