Железобетонные колонны: изготовление и монтаж
Железобетонные колонны представляют собой вертикальные конструкции, выступающие в роли каркасов промышленных и жилых зданий. Основная функция данного типа ЖБИ изделий – воспринимать на себя и распределять равномерно нагрузку от расположенных выше конструкций. Колонны становятся опорой для прогонов, арок, балок, ригелей, лотков, ферм и т.д.
Благодаря использованию в строительстве железобетонных колонн удается осуществлять качественный монтаж лестничных клеток, навесных перекрытий, длинных прогонов горизонтальных элементов конструкций зданий и т.д. Осуществление возведения многоэтажных (часто и одноэтажных), промышленных сооружений часто невозможно без использования колонн.
Колонны из железобетона, как правило, используются не для декорирования, а как неотъемлемая и важная часть конструкции. Они забирают на себя большую часть нагрузки разного типа горизонтальных элементов и при условии правильности выполнения расчетов, верного выбора типа колонн гарантируют надежность и долговечность здания.

Назначение
Основное назначение любой железобетонной колонны – реализация опорной функции и всевозможных строительных сооружений. Колоннами укрепляют ригели, балки, прогоны, арки, балконы. Их производят из тяжелых бетонов, армируют металлическими стержнями для большей прочности.
Обычно колоннами усиливают бытовые и промышленные, одноэтажные и многоэтажные здания. Везде, где необходимо равномерно распределить и передать нагрузку от конструкций перекрытия и разнообразных элементов, актуально применение колонн.
В жилищном строительстве каркасно-панельных конструкций колонны принимают нагрузки находящихся выше элементов, отдавая их в грунт. При создании промышленных комплексов колонны располагаются по всей территории и удерживают балки, перекрытия и т.д.
ЖБИ колонны могут не только выдерживать серьезные весовые нагрузки, а и обеспечивать пространственную жесткость сооружения.

Особенности конструкций
Сборные железобетонные колонны производят из бетонной армированной смеси в формате вертикальных элементов небольшого поперечного сечения. Обычно их используют для создания рамного или связного каркаса.
Основные части колонны:- Оголовок – воспринимает вес находящейся выше конструкции на себя.
- Стержень – осуществляет передачу нагрузки от оголовка к части ниже.
- База – равномерно распределяет давление и нагрузку по фундаменту.
Стержень может быть двух видов – когда главная ось сечение не пересекает и когда обе оси пересекают сечение. Делают колонны из напряженного железобетона. Реализуются два вида сжатия – сжатые центрально конструкции воспринимают лишь осевую нагрузку стержня, сжатые внецентренно воспринимают еще и изгибающий момент.
ЖБ колонны эксплуатируются исключительно в соответствии с техническими характеристиками. Так, центрально сжатые изделия могут выполнять только функции поддержки и монтируются в зонах, где на опоры воздействует лишь вертикальная (осевая) нагрузка (туннели, жилые дома и т.д.). Там же, где на колонны влияет еще и осевая нагрузка (к примеру, цеха с мостовыми кранами), монтируют внецентренно сжатые изделия.

Свойства и характеристики
Любая железобетонная колонна должна соответствовать определенным параметрам и нормативным показателям. Для конкретного строительства выбирают изделия по таким критериям: количество этажей будущего строения, назначение здания, погодная обстановка и климатические особенности региона, конкретные расчеты предполагаемых нагрузок и т.д.
Основные свойства и характеристики колонн:- Высокий показатель сопротивляемости к воздействию внешнего влияния
- Соответствие указанным в документации несущим характеристикам
- Способность сохранять первоначальные свойства во влажной среде
- Стабильность к сейсмическому негативному воздействию
- Стойкость к минусовым температурам
- Длительный срок эксплуатации
- Жесткость и прочность – способность выдерживать ударные, деформационные, механические нагрузки
Основное свойство любой железобетонной колонны – несущая характеристика изделия. Чем выше параметр, тем ниже располагаются опоры в здании. Сборные ЖБ колонны с самым высоким показателем несущей способности располагаются в одноэтажных промышленных объектах, на нижних этажах многоэтажных сооружений, в подвальных помещениях.
Если строится здание с количеством этажей больше одного, используют колонны с консольными выпуклостями, которые находятся на уровне 3 метров. Это отметка окончания этажа, по которой монтируют перекрытия для возведения каждого следующего уровня.

Нормативная документация
Любая ЖБ колонна должна соответствовать всем требованиям и параметрам, которые регулируются ГОСТами и подтверждаются соответствующими документами. Прежде, чем попасть на рынок или строительную площадку, колонны проверяют различные инспекции, проводятся исследования и опыты. Поэтому все нужно тщательно проверять и изучать.
Государственные документы, регулирующие производство колонн ЖБИ:- ГОСТ 25628 от 1990 года – параметры опорных колонн для строений одноэтажных
- ГОСТ 18979 от 1990 – указывает характеристики колонн для многоэтажек
- Серия 04-1 – указаны точные параметры для заливки опор каркаса связевого типа
- Серия 1.823.1-2 – тут собраны технические характеристики колонн для сооружения сельскохозяйственного назначения
- Серия 1.423.1-3/88 – параметры изделий, которые используют в возведении промышленных зданий одноэтажного типа

Из чего изготавливаются
Колонна ЖБИ выполнена из металлических прутьев, собранных в сетку и залитых бетоном. Диаметр стержней и коэффициент армирования указываются в ГОСТе. Стержни воспринимают на себя большую часть нагрузки и гарантируют максимальное упрочнение перекрытий наборных/монолитных сооружений. Арматура заливается бетоном в специальной формовочной опалубке, обычно для этих целей используют цемент марок М300-М600.
Армируют колонны стержневой или арматурной сталью повышенной прочности. В связи с типом армирования изделия могут быть: неармированными вовсе, упрочненными арматурой спирального типа, усиленные арматурой с хомутами, ошнурованными.
Виды изделий
По типу сечения железобетонные колонны могут быть круглыми, прямоугольными, квадратными. По технологии производства выделяют монолитные колонны, которые создают прямо на строительном объекте путем заливки бетона в опалубку с каркасом, и сборные опоры (их производят на заводе и уже готовыми поставляют на объект). По положению в здании колонны могут быть расположенными на фасаде, в крайнем/среднем ряду, установленными в качестве декоративного элемента.
По назначению колонны могут быть стыковыми и бесстыковыми. Опоры без стыков используют для возведения зданий с одним этажом. Для многоэтажных конструкций появляется необходимость монтажа нескольких колонн друг на друга, что осуществляется с использованием стыковых колонн нижнего, среднего, верхнего ярусов.
Опоры могут быть сконструированы с выступающими консолями высотой 15, 20 сантиметров. Они призваны держать уровни перекрытий между этажами. Есть колонны и бесконсольные.
Самые востребованные на сегодняшний день – ЖБИ колонны для двухэтажных сооружений. Их вес составляет около 3500 килограммов, длина равна 8.4 метрам.

- К – для сооружений без мостовых опорных, подвесных кранов и оборудованных подвесными кранами зданий
- КС – для конструкций, в которых есть провисающий нижний пояс
- ККП – каркасы зданий с мостовыми электрическими опорными кранами
- КД – для каркасов сооружений, оснащенных электрическими опорными, подвесными кранами, а также конструкций без кранов
- КФ – фахверковые колонны (предназначены для фахверков стеновых ограждений сооружений)
- КК – используются в создании каркасов зданий с мостовыми электрическими опорными кранами
- КДП – актуальны для каркасов сооружений, которые оснащены электрическими опорными мостовыми кранами
- КР – выбирают для каркасов сооружений, что оборудованы ручными мостовыми опорными кранами
- КС – в конструкциях, где есть провисающий нижний пояс

Особенности расчета
Прежде, чем выбирать и монтировать колонны, необходимо тщательно выполнить все расчеты, определить оптимальные нагрузочные характеристики, учесть нюансы. Так, для производства используются колонны, залитые бетоном прочностью В15-В25, для малоэтажных помещений – В30.
Обязательно просчитывают площадь сечения колонны – данный параметр помогает сохранять однородность сжатия, высчитывается по формуле:
F/Rb=А, тут: F обозначает силу сжатия, Rb прочность бетона при сжатии.
Определив показатель площади, можно рассчитать остальные параметры с учетом условий функционирования, особенностей монтажа, иных показателей, влияющих на сечение колонны. Расчеты довольно сложные, обычно их выполняют со специальной техникой. В расчет берутся обязательно прочность опоры и вероятность ее связи как с цоколем, так и с плитами перекрытия здания. По этому параметру увеличивают расчетное сечение для реализации усиления железобетонных балок.
Монтаж колонн
Железобетонные колонны для малоэтажных зданий обычно устанавливают целиком, очень длинные изделия до объекта доставляют по частям с целью дальнейшей сборки. Устанавливают, как правило, в подколонник либо стакан фундамента.
Чаще всего колонны монтируют на стаканном цоколе, предварительно заполняя его бетоном. Ширина прослойки бетона может быть разной и зависит от проекта и длины опоры. До того, как начать монтаж колонн ЖБ, выполняют разметку, отмечая места цоколя, где планируется устанавливать колонны. Если изделия монтируются под балками, то тщательную разметку осей балок выполняют со стороны траверсов. На очень длинные колонны монтируют специальные хомуты.
Устанавливают с реализацией технологии «на весу»: опоры захватываются с использованием рамочных креплений, краном направляются в стакан цоколя по разметке. Потом проверяют вертикальность погружаемой колонны, опускают ее и заполняют полость бетоном, закрепляя железобетонными либо металлическими клиньями.
В процессе застывания бетона в полостях на опоры запрещено как-либо воздействовать (а тем более, опускать последующие элементы конструкции).

В специальные подколонники опоры закрепляют аналогично, только соединение в данном случае заваривается. Пока опора еще находится на весу, заваривается одна из ее граней. Потом со специальными расчалками совершают полную установку. Далее все тщательно проверяется и место соединения колонны с подколонником заваривается, а снаружи все промазывается бетонным раствором.
Квадратные опоры обычно монтируют каждую по отдельности. Но если у опор есть ригеля, их допускается укрупнять и монтировать краном. Нижние колонны в соответствии с их высотой монтируют на стаканный цоколь или в подколонники, как описано выше. Потом проверяют и окончательно закрепляют. Далее монтируют колонны на торцы нижних опор (или их ригели).
Основные методы монтажа:- По отметкам с тщательной проверкой положения отвесом, соединением с использованием сварки (используются подколонники)
- На торцы опор с закрепленными ранее кондукторами с проверкой по осям разбивки
- Сборка на торцы нижних колонн с временным креплением и обязательной проверкой групповым кондуктором

Как правильно выбрать
В первую очередь, обращают внимание на репутацию производителя. Практически все характеристики колонн напрямую зависят от соблюдения технологии их производства, качества используемых материалов, соответствия всем указанным в документации параметрам. Поэтому доверять стоит лишь проверенным компаниям, работающим на рынке давно и прочно завоевавшим хорошие позиции. Найти такие в Москве и регионах не составит труда.
Изделие должно точно соответствовать всем показателям, быть хорошего качества и без дефектов. При выборе учитывают такую информацию: вид опор, высота и число этажей здания, техническая схема самой колонны, объем поперечного сечения, расположение строительного объекта.
Немаловажным критерием является и стоимость, но данный фактор должен учитываться после проверки качества и соответствия ГОСТам.
Железобетонные колонны – незаменимые изделия для возведения разных строительных объектов. При условии верных расчетов и выбора соответствующих требованиям опор с их помощью удастся построить надежное, прочное и долговечное здание.
1beton.info
Железобетонные колонны
Колонны в системе каркаса воспринимают вертикальные и горизонтальные постоянные и временные нагрузки. Для массового индустриального строительства разработаны типовые конструкции сборных железобетонных колонн для зданий с опорными мостовыми кранами и для бескрановых зданий.
Железобетонные колонны для зданий с мостовыми кранами имеют консоли для опирания подкрановых балок. Для бескрановых зданий применяют колонны без консолей.
По расположению в системе здания колонны делят на крайние (расположенные у наружных продольных стен), средние и торцовые (расположенные у наружных поперечных (торцовых) стен).
Для бескрановых зданий высотой от 3 до 14.4 м разработаны колонны постоянного сечения (рис. 7). Размеры сечения колонн зависят от нагрузки и длины колонн, их шага и расположения (в крайних или средних рядах) и могут быть квадратными (300х300, 400х400 мм) или прямоугольными (от 500х400 до 800х400 мм). В фундаменты их заглубляют на 750 — 850 мм.

Рис. 7. Типы железобетонных колонн для бескрановых зданий
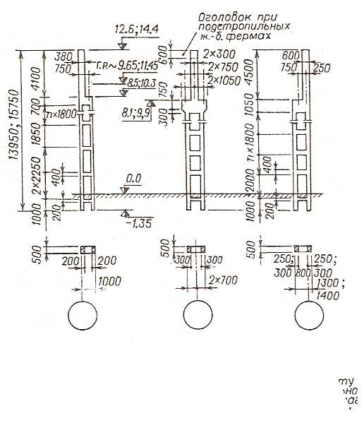
Для зданий с опорными мостовыми кранами легкого, среднего и тяжелого режимов работы и грузоподъемностью до 300кН разработаны колонны переменного сечения высотой от 8.4 до 14.4 м (рис.8), а для зданий с кранами грузоподъемностью до 500кН – двухветвевые колонны высотой от 10.8 до 18 м (рис.9).
Размеры колонн переменного сечения в подкрановой части составляют от 400х600 до 400х900 мм, в надкрановой – 400х280 и 400х600 мм. Колонны двухветвевые имеют размеры в подкрановой части 500х1400 и 500х1900, а отдельных ветвей – 500х200 и 500х300 мм.

Рис. 8. Типы сплошных железобетонных колонн для зданий с
мостовыми опорными кранами

Рис. 9. Типы двухветвевых железобетонных колонн для зданий
с мостовыми опорными кранами
В зданиях с тремя и более кранами в пролете для безопасности персонала, обслуживающего краны и подкрановые пути, предусматривают сквозные проходные галереи вдоль подкрановых путей в уровне верха подкрановых балок размером 0.4х2.2 м (рис.10).

Рис. 10. Двухветвевые железобетонные колонны
с проходами в уровне крановых путей
В железобетонных колоннах имеются стальные закладные элементы для крепления стропильных конструкций, подкрановых балок, стеновых панелей (в крайних колоннах) и вертикальных связей (в связевых колоннах). В местах опирания стропильных конструкций и подкрановых балок через стальные листы пропущены анкерные болты.
В зданиях с подстропильными конструкциями длину колонн принимают на 600 мм меньше (см рис. 8,9,10).
Колонны фахверков
Помимо основных колонн в зданиях предусматривают фахверковые колонны, устанавливаемые в торцах зданий и между основными колоннами крайних продольных рядов при шаге 12 м и длине стеновых панелей 6 м. Предназначены они для восприятия ветровых усилий и массы стен.
Фахверковые колонны шарнирно крепят к фундаменту сваркой закладных деталей колонны и опорного листа, установленного поверху фундамента строго по осям (узел 2, рис.11). Колонны фахверка крепят к конструкциям покрытия с помощью листового шарнира (узел 1, рис.11). Такое соединение обеспечивает передачу ветровых нагрузок на каркас здания и устраняет вертикальные воздействия покрытия на колонны фахверка.
Унифицированные железобетонные колонны для торцового фахверка двух типов (I и II) применяются в случаях, приведенных в таблице 1. В остальных случаях применяют стальные колонны фахверков. Конструкции колонн приведены на рис. 11.
Таблица 1
Высота Н, м | Вид железобетонных несущих конструкций покрытия | |
балки | фермы | |
3 – 4,2 | I | — |
4,8 – 6 | II | |
7,2 – 9,6 | II | |
Колонны типа I имеют постоянное поперечное сечение по высоте (h = 300 мм), что позволяет размещать их верхнюю часть в зазоре между торцовой стеной и пристенной балкой покрытия и крепить их к верхнему поясу балки с помощью листового шарнира (узел 1, рис. 11).
Колонны типа II имеют переменное сечение по высоте (Нв и Нн, рис. 11). Верхняя часть колонны (Нв) имеет такое же сечение, как и колонны типа I (h=300мм) и крепится к верхнему поясу стропильной балки аналогично колоннам типа I (узел 1, рис.11).
studfiles.net
Колонны сборные железобетонные
Вернуться на страницу»Железобетонные конструкции»
Колонна железобетонная
Колонна железобетонная – это вертикальный элемент железобетонного каркаса, размеры поперечного сечения которого малы по сравнению с высотой. Колонны воспринимают нагрузки от вышестоящих конструкций и передают их на фундаменты или нижестоящие конструкции.
Железобетонные колонны изготавливаются из тяжелого бетона и арматуры. Колонны изготавливаются высотой от 5 м до 18 м.

Рис. 1. Разрез элементов каркаса: а – схема рамы каркаса; б – колонны и фундаменты; в, г, д – стыки колонн; 1 – фундамент стаканного типа; 2 – нижняя колонна крайнего ряда; 3 – то же, среднего ряда; 4 – средняя колонна крайнего ряда; 5 – то же, среднего ряда; 6 – верхняя колонна крайнего ряда; 7 – то же, среднего ряда; 8 – ригель; 9 – выпуски арматуры; 10 – центрирующий бетонный выступ; 11 – стальной хомут; 12 – заполнение шва цементным раствором М300; 13 – сварка выпусков арматуры
Железобетонные колонны могут быть следующих типов:
К — для зданий без мостовых опорных, подвесных кранов и зданий, оборудованных подвесными кранами.
КС — при покрытии строительных конструкций с провисающим нижним поясом.
ККП — для каркасов зданий, которые оснащены мостовыми электрическими опорными кранами.
КФ — для фахверков стеновых ограждений зданий (фахверковые колонны).
КД — для каркасов зданий, которые оборудованы электрическими опорными и подвесными кранами, и зданий без кранов;
КДП — для каркасов зданий, оборудованных мостовыми электрическими опорными кранами.
КК — для каркасов зданий, оснащенных мостовыми электрическими опорными кранами.
ККС — при строительных конструкциях покрытий с провисающим нижним поясом.
КР — для каркасов зданий, которые оборудованных мостовыми ручными опорными кранами.
Типы железобетонных колонн.
Верхние колонны – используются в постройке верхних этажей;
Средние колонны – применяются для средних этажей;
Нижние колонны – используются для нижних этажей;
Бесстыковые колонны – применяются по высоте всего сооружения;
Железобетонные колонны бывают одно-, двух- и бесконсольными.
Документами регламентирущие изготовление колонн:
ГОСТ 18979-90 «Колонны железобетонные для многоэтажных зданий. Технические условия.»
ГОСТ 25628-90 «Колонны железобетонные для одноэтажных зданий предприятий. Технические условия.»
| № п/п | Номер | Наименование | Примечания |
| 1 | Серия 1.423.1-3/88 | Колонны железобетонные прямоугольного сечения для одноэтажных производственных зданий высотой до 9,6 м без мостовых опорных кранов. | Смотреть |
| 2 | Серия 1.423.1-5/88 | Колонны железобетонные прямоугольного сечения для одноэтажных производственных зданий высотой 10,8; 12,0; 13,2 и 14,4 м без мостовых опорных кранов. | Смотреть |
| 3 | Серия 1.424.1-5 | Колонны железобетонные прямоугольного сечения для одноэтажных производственных зданий высотой 8,4 – 14,4 м, оборудованных мостовыми опорными кранами грузоподъемностью до 32 тонн. | Смотреть |
| 4 | Серия 1.424.1-6/89 | Колонны железобетонные прямоугольного сечения с проходами в уровне путей для одноэтажных производственных зданий высотой 10,8 – 14,4 м, оборудованных мостовыми опорными кранами грузоподъемностью до 32 тонн. | Смотреть |
| 5 | Серия 1.424.1-9 | Колонны железобетонные двухветвевого сечения для одноэтажных производственных зданий высотой 15,6; 16,8 и 18,0 м. | Смотреть |
| 6 | Серия 1.424.1-10 | Колонны железобетонные двухветвевого сечения с проходами в уровне крановых путей для одноэтажных производственных зданий высотой 15,6; 16,8 и 18,0 м с мостовыми опорными кранами грузоподъемностью до 50 т. | Смотреть |
| 7 | Серия 1.424.1-12 | Колонны железобетонные прямоугольного сечения для одноэтажных производственных зданий высотой до 10,8 м со стальными конструкциями покрытия типа «Молодечно». | Смотреть |
| 8 | Серия 1.424.1-13 | Колонны железобетонные для одноэтажных промышленных зданий, оборудованных ручными мостовыми опорными кранами. | Смотреть |
| 9 | Серия 1.823.1-2 | Колонны железобетонные для сельскохозяйственных производственных зданий. | Смотреть |
| 10 | Серия 1.823.1-3С | Колонны железобетонные сельскохозяйственных производственных зданий для строительства в районах сейсмичностью 7, 8 и 9 баллов. | Смотреть |
| 11 | Серия 1.423-3 | Железобетонные колонны прямоугольного сечения для одноэтажных производственных зданий без мостовых кранов высотой до 9,6 м. | Смотреть |
| 12 | Серия 1.423-5 | Железобетонные колонны прямоугольного сечения для одноэтажных производственных зданий без мостовых кранов высотой 10,8; 12,0; 13,2 и 14,4 м. | Смотреть |
| 13 | Серия 1.427.1-3 | Колонны железобетонные прямоугольного сечения для продольного и торцевого фахверка одноэтажных производственных зданий высотой 3,0 – 14,4 м. | Смотреть |
| 14 | Серия 1.427.1-5 | Колонны железобетонные предварительно напряженные прямоугольного сечения для продольного и торцового фахверка одноэтажных зданий промышленных предприятий. | Смотреть |
| 15 | Серия 1.427.1-8 | Колонны железобетонные прямоугольного сечения для продольного и торцового фахверка одноэтажных производственных зданий со стальными конструкциями покрытия типа «Молодечно». | Смотреть |
| 16 | Серия КЭ-01-09 | Сборные железобетонные колонны одноэтажных производственных зданий. | Смотреть |
| 17 | Серия КЭ-01-49 | Сборные железобетонные колонны прямоугольного сечения для одноэтажных производственных зданий. | Смотреть |
| 18 | Серия КЭ-01-52 | Сборные железобетонные двухветвевые колонны одноэтажных производственных зданий. | Смотреть |
| 19 | Серия КЭ-01-55 | Сборные железобетонные колонны продольных и торцевых фахверков одноэтажных промышленных зданий. | Смотреть |
saitinpro.ru
Железобетонные колонны
ПромСтройКонструкции осуществляет производство и поставку железобетонных колонн для возведения каркасов зданий жилого, промышленного и коммерческого назначение.
Наше производство выпускает жб колонны более чем по 12 альбомам типовых конструкций (фахверковые колонны всех выпусков серий 1.020-1, 1.420.12, а также 1.423.1-3, 1.424.1-5, 1.423-3, 1.423-5 и другие). Также возможен выпуск заказных изделий по чертежам заказчика.
Фото продукции:
Серия 1.423.1-3/88, выпуск 1Колонны для возведения складских и производственных зданий высотой 9.6 м с поперечным сечением 300х300, 300х400, 400х400, 400х500, 500х500, 500х600 мм из тяжелого бетона марок М200, М300, М400.
Подробнее
Серия 1.423-5, выпуски 1, 2Железобетонные колонны для возведения производственных помещений высотой 10.8, 12.0, 13.2, 14.4 м без мостовых кранов из армированного тяжелого бетона. Также осуществляем производство и поставку других элементов с соответствии с выпусками серии (закладные детали и др. комплектующие).
Подробнее
Серия 1.424.1-5, выпуск 1/87Осуществляем производство всех типов жб колонн в соответствии с серией 1.424.1-5 (выпуск 1/87) — железобетонные колонны для зданий высотой 8,4; 9,6 и 10,8 м, оборудованных мостовыми или опорными кранами грузоподъемностью до 32 тонн.
Подробнее
Серия 1.424.1-5, выпуск 2/87Осуществляем производство всех типов жб колонн высотой 12,0; 13,2 и 14,4 м для производственных и складских зданий в соответствии с серией Серия 1.424.1-5 (выпуск 2/87). Колонны этой серии применяются для возведения помещений с опорными или мостовыми кранами грузоподъемностью до 32 тонн.
Подробнее
Серия 1.427.1-3, выпуск 1Колонны железобетонные с прямоугольным сечением призматические и ступенчатые сечениями 300, 400, 500 и 600 мм, из тяжелого бетона мароки М200 и М300. Жб колонны этой серии применяются для устройства продольного и торцового фахверка одноэтажных производственных и складских зданий и сооружений с высотой от 3 до 14.4 м.
Подробнее
Серия 1.020-1/83, выпуск 2-1Колонны из армированного тяжелого бетона сечением 300х300 мм для устройства многоэтажных зданий и сооружений различного назначения. Жб колонны выпускаются в соответствии с рабочими чертежами серии 1.020-1/83, выпуск 2-1 НИИЖБ Госстроя.
Подробнее
Серия 1.020-1/83, выпуск 2-3Колонны из армированного тяжелого бетона сечением для устройства многоэтажных зданий и сооружений различного назначения с высотой потолка 3.6 м. Колонны выпускаются в соответствии с рабочими чертежами серии 1.020-1/83, выпуск 2-3 НИИЖБ Госстроя.
ПодробнееЖелезобетонные фахверковые колонны для одно- и многоэтажных промышленных зданий с высотой этажей 3.6м, с каркасами в виде сетки колонн. Соединение колонн осуществляется с применением стыков на ванной сварке. Применение конструкций данной серии допускается при нагрузках не более 2500 и 1500 кгс/кв. м.
ПодробнееЖелезобетонные фахверковые колонны для одно- и многоэтажных промышленных зданий с высотой этажей 4.8 и 6.0 м, с каркасами в виде сетки колонн 6х6 и 9х6 м. Соединение колонн осуществляется с применением стыков на ванной сварке. Применение конструкций данной серии допускается при нагрузках не более 2500 и 1500 кгс/кв. м.
Подробнее
Серия 1.423-3, выпуски 1, 2Железобетонные колонны серии 1.423-3 прямоугольного сечения предназначены для возведения одноэтажных промышленных и складских помещений высотой 9.6 м без опорных мостовых кранов.
ПодробнееЖелезобетонные фахверковые колонны для одно- и многоэтажных промышленных зданий с высотой этажей 6.0, 7.2 и 10.8 м, с каркасами в виде сетки колонн 6х6 и 9х6 м. Соединение колонн осуществляется с применением стыков на ванной сварке. Применение конструкций данной серии допускается при нагрузках не более 2500 и 1500 кгс/кв. м. Выпуск по серии 1.420.12 (выпуск 3, части 1, 2) или по чертежам заказчика.
Подробнее
Серия 1.427.1-3, выпуск 1/87Фахверковые колонны (для продольного и торцового фахверка) для одноэтажных производственных зданий и сооружений их армированного тяжелого бетона. Производятся в соответствии с рабочими чертежами серии 1.427.1-3, выпуск 1/87.
Подробнее
Колонны ж/б кольцевого сечения для одноэтажных производственных зданий высотой 8.4 — 12 м. Шифр Э-1708/1Осуществляем промышленное производство круглых железобетонных колонн по шифру Э-1708/1.
Эти цельноформованные центрифугированные колонны кольцевого сечения применяются для одноэтажных производственных зданий высотой 8.4 — 12 м., оборудованных мостовыми опорными кранами грузоподъемностью до 32 т.
Также осуществляем выпуск изделий по чертежам заказчика.
Публикации по данной номенклатуре изделий:
gbi-psk.ru
Железобетонные Монолитные Колонны: Виды, Назначение, Монтаж

Каркас дома из монолитных колонн
Колоннами называют стоящие вертикально строительные конструкции, у которых размер поперечного сечения значительно меньше длины. На сленге профессионалов это стержневые сжатые элементы, так как они служат опорами для балок, перекрытий, прогонов, испытывая значительные нагрузки на сжатие по направлению длины. Среди множества видов подобных конструкций железобетонные монолитные колонны являются одними из самых надежных и долговечных.
Содержание статьи
Назначение и виды
Колонны бетонные могут выполнять не только несущую, но и декоративную функцию, являясь открытой опорой для террас, балконов, мостов. В качестве декоративного элемента они используются и в интерьерах.
Они могут отличаться формой сечения — быть квадратными, прямоугольными, круглыми или фигурными, с сечением, изменяющимся по длине. А в зависимости от способа изготовления колонны из бетона подразделяются на сборные и монолитные.
- Сборные представляют собой конструкции, изготовленные на заводе и собираемые на месте строительства. Их основные преимущества – скорость монтажа и низкая цена. К недостаткам можно отнести сложность транспортировки и установки, для которых требуется техника.

Сборные конструкции оснащены элементами для крепления к стенам и перекрытиям
- Монолитная бетонная колонна полностью изготавливается на месте строительства путем заливки бетона в формы с армированием. Достоинство этого метода заключается в возможности изготовления более качественного и надежного конструктивного элемента. А главный недостаток – трудоемкость процесса и долгий период застывания бетонной смеси до набора требуемой прочности.

Строительство монолитного дома
Метод заливки используется как в промышленном и гражданском, так и в частном строительстве. При этом необходимо руководствоваться требованиями СНиП на бетонирование колонн.
Для справки. В первую очередь это СНиП 3.03.01-87 «Несущие и ограждающие конструкции». А также ГОСТ 26633—91. Бетоны тяжелые и мелкозернистые и ГОСТ 7473—94. Смеси бетонные.
Особенности монтажа
В частном строительстве довольно часто прибегают к бетонированию колонн своими руками. Чтобы выполнить эту работу качественно, нужно знать, как делать это правильно.
Краткое описание всех этапов выглядит так:
- Подготовка всех необходимых материалов и инструментов. Все, что нужно, должно быть под рукой, так как бетонирование каждого элемента должно осуществляться беспрерывно.
- Очистка поверхности от грязи и строительного мусора.
- Монтаж опалубки.
- Сооружение армирующего каркаса.
- Заливка бетоном колонн в опалубку.
- Демонтаж опалубки после высыхания и схватывания раствора.
Теперь о каждом этапе подробно.
Инструменты и материалы
Набор необходимых инструментов зависит от того, какую опалубку вы будете использовать: самодельную или готовую. Проще и быстрее работать с универсальными съемными щитами, в комплекте с которыми идет и весь крепеж.

Модульная щитовая опалубка для бетонирования колонн
Для самодельной опалубки потребуется обрезная доска или листы фанеры, бруски для подпорок и стяжек, а также следующие инструменты и расходные материалы:
- Строительный уровень;
- Строительный уголок;
- Рулетка;
- Молоток;
- Шуруповерт;
- Шурупы и гвозди.

Самодельная опалубка из досок
Для армокаркаса потребуются стальные пруты диаметром 1,2 см или более и вязальная проволока. Если принято решение замешивать бетон под колонны бетонные своими руками, не обойтись без мощной и производительной бетономешалки (рецептура бетонной смеси будет дана ниже).
Совет. Также очень желательно иметь глубинный вибратор для уплотнения и трамбовки бетонной смеси. Но можно обойтись и без него, используя для трамбовки металлические прутья.

Глубинный вибратор
Требования к качеству материалов
Насколько прочной, надежной и долговечной получится конструкция, зависит не только от соблюдения технологии, но и от качества используемых материалов. В первую очередь это касается бетонной смеси.
Обратите внимание! Согласно СП 52-103-2007, минимальный класс бетона для колонн сечением 30 см и более – В25, максимальный – В60.
При самостоятельном замешивании для получения качественного бетона М400 класса В30 используют следующие пропорции компонентов:
- Цемент М400 – 1 часть;
- Песок – 1 часть;
- Щебень или гравий – 2,5 части.
После перемешивания к сухим ингредиентам добавляется вода в таком количестве, чтобы получилась однородная подвижная смесь.
Дополнительно в состав можно ввести пластифицирующие добавки, облегчающие укладку, или фиброволокна, повышающие прочность материала. Колонны из фибробетона лучше противостоят внешним воздействиям, на них образуется меньше усадочных трещин.

Фиброволокна дополнительно армируют бетон во всех плоскостях
При большом объеме работ проще и быстрее заказать готовый бетон и закачать его в опалубку с помощью бетононасоса.

Бетононасос легко подаст смесь на большую высоту и в труднодоступные места
Каждая отправляемая потребителю партия бетонной смеси должна иметь паспорт со следующими сведениями:
- Номер документа;
- Наименование предприятия-изготовителя;
- Дата и время отправки;
Это важно! Бетон должен быть доставлен на строительную площадку не позднее, чем через 90 минут после отправки. При транспортировке он должен быть защищен от солнечных лучей, ветра и атмосферных осадков.

Фото автобетоносмесителя – машины для смешивания и транспортировки бетона
- Вид бетонной смеси;
- Класс прочности на сжатие;
- Наибольшая фракция заполнителя;
- Объем и вид добавок;
- Гарантийные обязательства изготовителя.
При приемке бетона необходимо проверить паспорт и визуально убедиться в его качестве: отсутствии расслоения, наличии заявленных фракций заполнителя.
Обратите внимание! Расслоившуюся смесь перед применением необходимо перемешать. Добавлять в неё воду при утере подвижности запрещается! Если возникли сомнения в качестве бетона, вы имеете право затребовать контрольную проверку по ГОСТ 1081-2002.
Монтаж опалубки
Возводя опалубку, необходимо следить за уровнем конструкции и правильностью углов. Её надежность и прочность обеспечивается шурупами и распорками, установленными с четырех сторон.

Крепление опалубки подпорками
При этом нужно помнить, что технология бетонирования колонн допускает сбрасывание бетонной смеси с высоты не более 5 метров. Если вам нужна более высокая конструкция, то опалубку монтируют только с трех сторон, наращивая четвертую постепенно по мере заполнения формы бетоном.
Армирование
Армирующий каркас не делают только в одном случае: когда выполняют обетонирование металлических колонн в качестве огнезащиты или декоративного оформления.
Каркас собирается минимум из четырех вертикально стоящих стержней, расположенных в углах конструкции. Между собой их связывают вязальной проволокой, а при размещении в опалубке используют различные подпорки.
Как видно на последней схеме, расстояние между металлическим каркасом и стенками опалубки должно быть около 40 мм. Учитывайте это, изготавливая бетонные колонны своими руками.
Заливка бетоном
Технология производства железобетонных колонн требует выполнения следующих правил:
- Колонна может устанавливаться только на прочное основание или заглубленный фундамент.

Заливка фундамента под колонну
- Бетонирование должно производиться горизонтальными слоями одной толщины, без разрывов. Направление укладки во всех слоях должно быть одинаковым.
- Бетонирование нижнего слоя выполняется бетонной смесью с мелкой фракцией наполнителя на высоту около 300 мм. Более крупные камни из следующей сброшенной в опалубку партии бетона утапливаются в мелкофракционную смесь, образуя нормальный состав. В результате в нижней части колонны не остается пустот и раковин.

Заливка бетона в опалубку
- Во время укладки смесь трамбуют вибратором или металлическими прутьями. Пузырьки воздуха «выгоняют» из неё постукиванием молотком по доскам опалубки.

Уплотнение бетона вибратором
- Арматурный каркас по мере заполнения опалубки периодически выравнивают, сохраняя одинаковое расстояние между ним и стенками формы.

Полностью заполненная бетоном опалубка
- Укладка бетонной смеси в колонны выполняется без перерывов на всю высоту одного этажа.
Обратите внимание. Рабочие швы при необходимости могут устраиваться только вверху колонны, чуть ниже уровня примыкания к ним балок перекрытия, или внизу, у фундамента.
- При укладке бетона с перерывами поверхность рабочих швов должна быть строго горизонтальной (или перпендикулярной оси колонны).
- Продолжать бетонирование после перерыва можно только после достижения бетоном минимальной прочности 1,5 МПа.

Бетонирование выполняется беспрерывно минимум на высоту одного этажа
- Верхний срез опалубки должен быть на 5-7 см выше уровня уложенной бетонной смеси.
- Чтобы осуществить крепление стеновой панели к железобетонной колонне, в тело последней в процессе заливки на заданной высоте устанавливаются закладные детали.

Прежде чем закрепить на бетонной колонне стеновую панель, к закладной приваривают металлический уголок
После окончания укладки бетона его оставляют в опалубке до высыхания, стараясь создать для этого оптимальные условия: положительную температуру воздуха и нормальную влажность. Открытую поверхность периодически смачивают водой и закрывают пленкой для защиты от осадков и воздействия солнечных лучей.

Мероприятия по монтажу перекрытий можно начинать только после полного высыхания монолитных колонн
Демонтаж опалубки
Снимать опалубку можно только после застывания раствора и набора им требуемых прочностных характеристик.

Демонтаж пластиковой опалубки
В идеале показатели прочности определяются в лаборатории при испытании образцов рабочей смеси. В условиях частного строительства демонтаж осуществляют примерно через месяц после заливки колонн.
Заключение
Посмотрев видео в этой статье, вы получите более полное представление о последовательности и технологии возведения монолитных опорных конструкций из железобетона.
В принципе, изготовление колонн из бетона – не самое сложное дело, но оно требует внушительных трудозатрат и отнимает много времени, необходимого для набора прочности. До тех пор нагружать элементы строго запрещено.
beton-house.com
Виды железобетонных колонн | Бетон центр
Выполнение строительных работ на объектах производственного, торгового и жилого типа требует использования прочных и надежных материалов, способных выдержать большую нагрузку. Железобетонные колонны соответствуют данным требованиям, применяются при монтаже перекрытий, балок, опорных конструкций, арок, фундаментов и других строительных операциях.
Классификация железобетонных колонн
В конструкцию каждой колонны входит металлическая арматура, выполненная из стального прутка большого сечения. Металлокаркас заливается бетоном марки 200 или 300, после набора прочности и установки правильно распределяет нагрузку и обеспечивает целостность и отсутствие деформации готовой конструкции. В зависимости от назначения и состава материала технические характеристики колонн разных типов существенно различаются.
Бетон Центр предлагает:
Звоните: 8(920)689-28-03
Сборные конструкции состоят из двух панелей, соединение которых выполняется при помощи технологии дуговой сварки. Детали, расположенные на сборочных панелях, соединяются между собой прочным и надежным швов. Такая продукция удобна при транспортировке и монтаже, стоит дешевле, но показатели эффективности изделий немного ниже.
В качестве материала для производства вентиляционных блоков применяются следующие варианты:
Популярные ЖБ изделия
Существует несколько вариантов классификации продукции:
- По форме сечения выделяют изделия квадратного, прямоугольного и круглого типов.
- Используемая технология производства позволяет получать монолитные конструкции, изготовление которых проходит на объекте строительства с помощью заливки бетонного раствора в опалубку. Сборные конструкции изготавливаются в заводских условиях и собираются в единое целое на месте монтажа.
- По варианту размещения выделяют изделия, расположенные в среднем ряду, по фасаду или в качестве угловых элементов.
- По типу использования колонны могут быть консольными и безконсольными.
Применение продукции из железобетона также сильно разниться. Определить способ использования изделия можно по маркировке. ЖБ-колонны применяются для монтажа зданий типовой и специальной конструкции, с большим и стандартным уровнем нагрузки, мостовых сооружений, фахверковых ограждений и конструкций других типов.
По месту монтажа выделяют следующие группы продукции: нижние, средние, верхние для установки на первых этажах и цоколях, средних и высоких зданиях. Колонны бесстыкового типа применяются без ограничений по высоте объекта и являются универсальными в использовании.
Достоинства ЖБ колонн
Использование ЖБ-колонн позволяет увеличить прочность здания, отказаться от монтажа монолитной конструкции без снижения эксплуатационных характеристик. Основной характеристикой каждого изделия является несущая нагрузка. Чем выше данный показатель, тем меньшее количество элементов потребуется при строительстве здания.

ЖБ колонны
К достоинствам железобетонных колонн можно отнести:
- Сейсмическая устойчивость, способность выдерживать колебания почвы и движения грунтовых вод.
- Высокая прочность и жесткость. Колонны выдерживают деформационные, ударные и механические нагрузки в соответствии с собственными техническими возможностями.
- Несущая способность определяется типом изделия, гарантирует устойчивость и целостность здания при соблюдении требований при производстве и монтаже.
- Колонны выдерживают многократные циклы заморозки без снижения эксплуатационных характеристик.
- Влагостойкость, способность не изменять свои параметры при воздействии сырости, плесени и грибка также являются достоинствами продукции.
Наша компания предлагает клиентам железобетонные колонны, выполненные в соответствии с требованиями нормативных документов. Продукция поставляется в различных типоразмерах и количестве по доступным ценам. Квалифицированные сотрудники расскажут об особенностях каждого вида изделий и помогут выбрать необходимый вариант. Приобретение ЖБ-колонн позволяет ускорить процесс строительства здания, снизить стоимость объекта при неизменных характеристиках прочности, надежности и долговечности.
Компания «Бетон-Центр» готова предложить своим партнерам лучшие цены в регионе. Мы сотрудничаем не только с крупными строительными и промышленными организациями, но и с частными лицами. Получить более детальную информацию о производимой нами продукции или оформить заказ вы сможете, связавшись с нами по телефону.
betoncentr2000.ru
Железобетонные колонны
Колонны в системе каркаса воспринимают вертикальные и горизонтальные постоянные и временные нагрузки. Для массового индустриального строительства разработаны типовые конструкции сборных железобетонных колонн для зданий с опорными мостовыми кранами и для бескрановых зданий.
Железобетонные колонны для зданий с мостовыми кранами имеют консоли для опирания подкрановых балок. Для бескрановых зданий применяют колонны без консолей.
По расположению в системе здания колонны делят на крайние (расположенные у наружных продольных стен), средние и торцовые (расположенные у наружных поперечных (торцовых) стен).
Для бескрановых зданий высотой от 3 до 14.4 м разработаны колонны постоянного сечения (рис. 7). Размеры сечения колонн зависят от нагрузки и длины колонн, их шага и расположения (в крайних или средних рядах) и могут быть квадратными (300х300, 400х400 мм) или прямоугольными (от 500х400 до 800х400 мм). В фундаменты их заглубляют на 750 — 850 мм.

Рис. 7. Типы железобетонных колонн для бескрановых зданий
Для зданий с опорными мостовыми кранами легкого, среднего и тяжелого режимов работы и грузоподъемностью до 300кН разработаны колонны переменного сечения высотой от 8.4 до 14.4 м (рис.8), а для зданий с кранами грузоподъемностью до 500кН – двухветвевые колонны высотой от 10.8 до 18 м (рис.9).
Размеры колонн переменного сечения в подкрановой части составляют от 400х600 до 400х900 мм, в надкрановой – 400х280 и 400х600 мм. Колонны двухветвевые имеют размеры в подкрановой части 500х1400 и 500х1900, а отдельных ветвей – 500х200 и 500х300 мм.

Рис. 8. Типы сплошных железобетонных колонн для зданий с
мостовыми опорными кранами

Рис. 9. Типы двухветвевых железобетонных колонн для зданий
с мостовыми опорными кранами
В зданиях с тремя и более кранами в пролете для безопасности персонала, обслуживающего краны и подкрановые пути, предусматривают сквозные проходные галереи вдоль подкрановых путей в уровне верха подкрановых балок размером 0.4х2.2 м (рис.10).

Рис. 10. Двухветвевые железобетонные колонны
с проходами в уровне крановых путей
В железобетонных колоннах имеются стальные закладные элементы для крепления стропильных конструкций, подкрановых балок, стеновых панелей (в крайних колоннах) и вертикальных связей (в связевых колоннах). В местах опирания стропильных конструкций и подкрановых балок через стальные листы пропущены анкерные болты.
В зданиях с подстропильными конструкциями длину колонн принимают на 600 мм меньше (см рис. 8,9,10).
Колонны фахверков
Помимо основных колонн в зданиях предусматривают фахверковые колонны, устанавливаемые в торцах зданий и между основными колоннами крайних продольных рядов при шаге 12 м и длине стеновых панелей 6 м. Предназначены они для восприятия ветровых усилий и массы стен.
Фахверковые колонны шарнирно крепят к фундаменту сваркой закладных деталей колонны и опорного листа, установленного поверху фундамента строго по осям (узел 2, рис.11). Колонны фахверка крепят к конструкциям покрытия с помощью листового шарнира (узел 1, рис.11). Такое соединение обеспечивает передачу ветровых нагрузок на каркас здания и устраняет вертикальные воздействия покрытия на колонны фахверка.
Унифицированные железобетонные колонны для торцового фахверка двух типов (I и II) применяются в случаях, приведенных в таблице 1. В остальных случаях применяют стальные колонны фахверков. Конструкции колонн приведены на рис. 11.
Таблица 1
Высота Н, м | Вид железобетонных несущих конструкций покрытия | |
балки | фермы | |
3 – 4,2 | I | — |
4,8 – 6 | II | |
7,2 – 9,6 | II | |
Колонны типа I имеют постоянное поперечное сечение по высоте (h = 300 мм), что позволяет размещать их верхнюю часть в зазоре между торцовой стеной и пристенной балкой покрытия и крепить их к верхнему поясу балки с помощью листового шарнира (узел 1, рис. 11).
Колонны типа II имеют переменное сечение по высоте (Нв и Нн, рис. 11). Верхняя часть колонны (Нв) имеет такое же сечение, как и колонны типа I (h=300мм) и крепится к верхнему поясу стропильной балки аналогично колоннам типа I (узел 1, рис.11).
studfiles.net