Какой глубины должен быть фундамент
Согласно нормам строительства для того чтобы противостоять силам морозного пучения, подошву необходимо заглублять на 15-20 см ниже уровня промерзания для грунта. При выполнении этого условия фундамент называют «глубокого заложения» или «заглубленный».
При глубине промерзания больше 2 метров проведение земляных работ имеет очень большие объемы, велик также расход материалов и очень высока цена. В этом случае рассматривают другие типы фундаментов — свайные или свайно-ростверковые, а также возможность заложения выше нормативной точки промерзания. Но это возможно только при наличии грунтов с нормальной несущей способностью, обязательном утеплении цоколя и фундамента, а также при устройстве утепленной отмостки. В этом случае глубина заложения уменьшается в разы и обычно составляет менее метра.
Иногда фундамент заливают прямо на поверхности. Это — вариант для хозпостроек, причем, скорее всего из древесины. Только она в таких условиях способна компенсировать возникающие перекосы.
Первым делом вы должны определиться с местом для дома на участке
Место дома на участке
Перед началом планирования дома, вы должны решить, в каком месту участка хотите поставить дом. Если геологические исследования уже есть, учитывайте их результаты: чтобы меньше было проблем с фундаментом, имел он минимальную стоимость, желательно выбрать самый «сухой» участок: там, где грунтовые воды находятся как можно ниже.
Далее в выбранном месте проводят геологические исследования почвы. Для этого бурят шурфы на глубину от 10 до 40 метров: зависит от строения пластов и планируемой массы здания.
✍Скважин делают как минимум, пять: в тех, точках, где планируются углы и посередине.
Исследуем геологию своими руками
Исследуем геологию своими руками
Для проверки геологического строения грунтов своими руками вооружаемся лопатой. Во всех пяти точках — под углами будущего строения и в середине — придется копать глубокие ямы. Размер: метр на метр, глубина — не менее 2,5 м.
Что можно увидеть в разрезе👇
- Сверху идет самый темный слой — плодородный. Его толщина от 10 см до 1,5 метров, иногда больше. Этот слой обязательно удаляется. Во-первых, он рыхлый, во-вторых, в нем живут разные животные/насекомые/бактерии/грибки. Потому сразу после разметки фундамента первым делом этот слой удаляют.
- Ниже расположен естественный грунт. Таким он был до «обработки» животными и микроорганизмами. Тут могут быть такие грунты;
- Плотный песок (крупный, средний, с гравием). Отличное основание для постройки дома: и вода уходит быстро и основание надежное. На таких грунтах можно ставить дом на мелкозаглубленный фундамент (глубина заложения от 50 см).
- Сыпучие пески (мелкие и пылеватые). Если подземные воды расположены глубоко, строится можно. Но эти грунты опасны тем, что плывут при насыщении водой.
- Глина, суглинок, супесь.
Ведут себя точно также как и пылеватые пески: при намокании плывут, если воды мало, но их несущая способность высокая. Тут еще нужно смотреть на количество осадков в регионе. - Торфяники. Самые ненадежные основания. На них можно строиться только с использованием столбчатых фундаментов. И то, только при условии, что не очень глубоко расположен слой грунта с хорошей несущей способностью.
Необходимо определить, что за грунты в каждом слое
Часто сложности возникают при попытках различить глиносодержащие грунты. Иногда достаточно только на них посмотреть: если преобладает песок и имеются вкрапления глины — перед вам супесь. Если преобладает глина, но есть и песок — это суглинок. Ну а глина не содержит никаких вкраплений, копается тяжело.
Есть еще один метод, который поможет вам удостоверится насколько правильно вы определили грунт. Для этого из увлаженного грунта скатывают руками валик (между ладонями, как когда-то в детском саду) и сгибают его в бублик. Если все рассыпалось — это малопластичный суглинок, если развалилось на куски — пластичный суглинок, если осталось целым — глина.
✍Определившись с тем, какие грунты у вас находятся на выбранном участке, можно приступать к выбору типа фундамента.
Глубина заложения фундамента в зависимости от от типа грунта и уровня грунтовых вод
Таблица с рекомендуемой глубиной заложения фундамента в зависимости от типа грунта и уровня подземных вод (чтобы увеличить размер картинки, щелкните по ней правой клавишей мышки)
Все особенности проектирования описаны в СНиП 2.02.01-83*.
Обобщенно все можно свести к следующим рекомендациям:
- При планировании на скальных, песчаных крупной и средней крупности, гравенистых, крупнообломочных с песчаным заполнителем грунтах глубина залегания фундамента от уровня расположения подземных вод не зависит.
- Если под подошвой фундамента находятся мелкие или пылеватые пески, то при уровне подземных вод расположенных на 2 метра ниже уровня промерзания грунта, глубина заложения фундамента может быть любой.
- Если воды находятся выше этой отметки, то закладывать фундамент нужно ниже уровня промерзания.

- Если под подошвой находится будут глины, суглинки, крупнообломочные грунты с пылеватым или глинистым заполнителем, то фундамент однозначно должен быть ниже уровня промерзания (от уровня подземных вод не зависит).
Как видите, в основном уровень заложения фундамента фундамента определяется наличием подземных вод и тем, насколько сильно промерзают грунты в регионе. Именно морозное пучение становится причиной проблем с фундаментами (или изменение уровня грунтовых вод).
Глубина промерзания грунтов
По этой карте можно примерно определить уровень промерзания грунтов в регионе (чтобы увеличить размер картинки, щелкните по ней левой клавишей мышки)
Чтобы примерно определить до какого уровня промерзают грунты в вашем регионе, достаточно взглянуть на расположенную ниже карту.
Но это — усредненные данные, так что для конкретной точки определить значение можно с очень большой погрешностью. Для пытливых умов приведем методику расчета глубины промерзания грунта в любой местности.
Вам нужно будет знать только средние температуры за зимние месяцы (те, в которых среднемесячная температура имеет отрицательные значения).
Формула расчета глубины промерзания
Можете посчитать сами, формула и пример расчета выложены ниже.
Dfn — глубина промерзания в данном регионе,
Do — коэффициент, учитывающий типы грунта:
- для крупнообломочных грунтов он равен 0,34;
- для песков с хорошей несущей способностью 0,3;
- для сыпучих песков 0,28;
- для глин и суглинков он равен 0,23;
Mt — сумма среднемесячных отрицательных температур за зиму в вашем районе. Находите статистику службы метрологии по вашему региону.
Выбираете месяца, в которых среднемесячная температура ниже нуля, складываете их, находите квадратный корень (есть функция на любом калькуляторе). Результат подставляете в формулу.
👉Например, собираемся строиться на глине. Средние зимние температуры в регионе: -2°C, -12°C, -15°C, -10C, -4°C.
👉Расчет промерзания грунта будет таким:
Mt=2+12+15+10+4=43, находим квадратный корень из 43, он равен 6,6;
Dfn= 0,23*6,6= 1,52 м.
Получили, что расчетная глубина промерзания по заданным параметрам: 1,52 м. Это еще не все, учесть нужно будет ли отопление, и, если будет, какие температуры будут поддерживаться в нем.
Если здание будет отапливаться, грунт тоже будет получать порцию своего тепла и промерзать будет меньше. Потому при наличии отопления коэффициенты понижающие. Их можно взять из таблицы.
Коэффициенты, учитывающие наличие отопления в здании. Получается, чем теплее в доме, тем на меньшую глубину нужно заглублять фундамент. Коэффициенты, учитывающие наличие отопления в здании. Получается, чем теплее в доме, тем на меньшую глубину нужно заглублять фундамент (чтобы увеличить размер картинки, щелкните по ней)
👉Итак, если в помещениях будет постоянно поддерживаться температура выше +20°С, полы с утеплением, то глубина заложения фундамента будет 1,52 м * 0,7 = 1,064 м.
В таблицах и на картах приведен средний уровень за последние 10 лет. Вообще, наверное, в расчетах стоит использовать данные за самую холодную зиму, которая была за последние 10 лет. Аномально холодные и бесснежные зимы бывают примерно с такой периодичностью. И при расчетах желательно ориентироваться на них. Ведь вас мало успокоит, если отстояв 9 лет, на 10-й ваш фундамент даст трещину из-за слишком холодной зимы.
На какую глубину копать фундамент
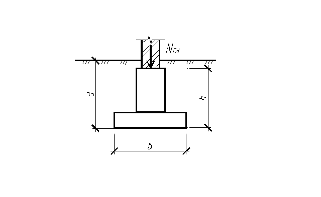
Глубина заложения фундамента
Вооружившись этими цифрами и результатами исследования участка, нужно подобрать несколько вариантов фундаментов. Самые популярные — ленточный и столбчатый или свайный. Большинство специалистов сходится во мнении, что при нормальной несущей способности грунта их подошва должна находиться на 15-20 см ниже глубины промерзания. Как ее посчитать, мы рассказали выше.
При этом учитывайте следующие рекомендации✍
- Опираться подошва должна на грунт с хорошей несущей способностью.

- Фундамент должен погружаться в несущий слой минимум на 10-15 см.
- Желательно чтобы грунтовые воды располагались ниже. В противном случае необходимо принимать меры по отведению воды или понижению их уровня, а это требует очень больших средств.
- Если несущий грунт находится слишком глубоко, стоит рассмотреть вариант свайного фундамента.
Выбрав несколько типов фундамента, определив для них глубину заложения, проводят ориентировочный подсчет стоимости каждого. Выбирают тот, который будет экономичнее.
👉 Еще обратите внимание, что для уменьшения глубины заложения фундамента можно применять утепленную отмостку. При строительстве ленточного фундамента мелкого заложения отмостка обязательна.
Мелкозаглубленный фундамент
Фундамент мелкого заложения
Иногда фундамент глубокого заложения строит очень дорого.
Тогда рассматривают свайный (свайно-ростверковый) или фундаменты мелкого заложения (мелкозаглубленные). Их еще называют «плавающими».
Их только два вида — это монолитная плита и лента.
Плитный фундамент считается самым надежным и легко предсказуемым.
У него такая конструкция, что она может получить значительные повреждения только при грубых просчетах при проектировании.
Тем не менее, и его можно испортить.
Тем не менее, застройщики плитные фундаменты не любят: они считаются дорогими. На них уходит много материала (в основном арматуры) и времени (на вязку той же арматуры). Но иногда плитный фундамент получается дешевле ленточного глубокого заложения или даже свайного. Так что не сбрасывайте его сразу со счетов. Он бывает оптимальным, если строить хотят тяжелое здание на пучинистых или сыпучих грунтах.
Мелкозаглубленная лента может иметь глубину от 60 см. При этом она должна опираться на грунт с нормальной несущей способностью. Если глубина плодородного слоя больше, то глубина заложения ленточного фундамента увеличивается.
С ленточными фундаментами мелкого заложения под легкие здания все очень просто: они работают хорошо.
Комбинация со срубом из бревна или бруса — это экономный и в то же время надежный вариант. Если и случаются перегибы ленты, то упругая древесина отлично с ними справляется. Почти также хорошо себя на такой основе чувствует себя каркасный дом.
✍Более внимательно нужно просчитывать если на мелкозаглубленном ленточном фундаменте собираются строить задние из легких строительных блоков (газобетона, пенобетона, и т.п.). Они на изменения геометрии реагируют не самым лучшим образом. Тут нужна консультация опытного и, обязательно, компетентного специалиста с большим опытом.
Строение плитного фундамента
А вот под тяжелый дом мелкозаглубленный ленточный фундамент ставить невыгодно. Чтобы передать всю нагрузку, его нужно делать очень широким. В этом случае, скорее всего, дешевле будет плитный.
Как работает мелкозаглубленный фундамент
Этот тип используется тогда, когда бороться с силами пучения слишком дорого и не имеет смысла. В случае с фундаментами мелкого заложения с ними и не борются.
Их, можно сказать, игнорируют. Просто делают так, что фундамент и дом поднимаются и опускаются вместе с вспучившимся грунтом. Потому их еще называют «плавающими».
Все что при этом необходимо — обеспечить стабильное положение и жесткую связь всех частей фундамента и элементов дома.
А для этого нужен правильный расчет.
Остались вопросы? Звоните
+7-977-553-03-40ГЕО ПРОЕКТ | На какую глубину копать фундамент
На какую глубину закладывать фундамент
Весомыми факторами для определения того, какой глубины должен быть фундамент необходимы параметры по: глубине промерзания, виду грунта, уровню грунтовых вод и нагрузки, которая будет действовать на фундамент. В то время как сами нагрузки могут временными и постоянными.
Есть некоторые неудобства расчета нагрузок. Если рассчитать постоянные нагрузки можно без лишних проблем, потому что по проекту известно, из какого материала будет возводиться дом и все его элементы.
К тому же известно, сколько человек будет постоянно проживать в доме, да и количество мебели и бытовой техники так же можно приблизительно подсчитать.
То, сколько выпадет снега в определенном году, определить невозможно. Поэтому для этого берутся среднестатистические данные. Делать такие расчеты может только профессионал, потому все, что связано с проектированием загородного дома, необходимо поручить специалистам.
На какую глубину копать фундамент (глубина укладки фундамента) — один из важнейших вопросов
Итак, рассмотрим все по порядку. Для начала о том, какое влияние имеет грунт. Прежде всего, это основание, которое должно обладать несжимаемостью и достаточной прочностью. Но не всегда любой грунт может отвечать этим требованиям.
В полускальных и скальных породах не делают деревянные дома. Ограничиваются только снятием верхнего просадочного слоя грунта. В непучинистых грунтах при большом промерзании – более 2 метров, глубину заложения фундамента делают не меньше глубины промерзания грунта.
Так или иначе глубина должна быть не менее 0,5 метра.
Для каждой географической зоны России имеется определенная нормативная глубина промерзания. Точкой отсчета считается среднее значение в результате многолетних наблюдений. К примеру, для Минска — это 100 сантиметров, для Московской области — это 140-160 сантиметров, для Самары — это 170 сантиметров.
Возникает вопрос: на какую глубину копать фундамент? Для этого расчетную глубину промерзания под фундаменты наружных стен постоянно отапливаемых зданий уменьшают в сравнении с нормативной на 30%, при полах на лагах по кирпичным столбикам и балках — на 10%, при полах на грунте — на 20%.
По Москве и Московской области, глубина промерзания грунта составляет в среднем 120 см. На Украине в восточных и северных районах — Харьковской, Луганской, Сумской, Полтавской, Черниговской, Киевской – глубина промерзания составляет около 100 сантиметров, в южных — Одесской, Николаевской, Херсонской областях — около 60 сантиметров. Во всех остальных— около 80 сантиметров.
Устройство фундамента в зависимости от глубины промерзания грунта
Стоит также отметить, что глубина промерзания зависит не только от физиологически расположенной местности, но и от уровня грунтовых вод. Сочетание влажности и минусовой температуры приводит к пучению слоев почвы (увеличению примерно на 10%). Таким образом, грунт начинает выталкивать фундамент из земли в зимнее время и «затягивает» весной, когда тает лед.
Причем начинает происходить это по периметр фундамента неравномерно и тем самым привести к значительной деформации и появлению трещин. Для исключения подобных случаев важно закладывать фундамент ниже точки промерзания грунта.К примеру, если точка промерзания грунта составляет 1,5 метра, то закладывать фундамент нужно на глубину не выше 2,0 метра.
В большей части регионов России средняя глубина промерзания грунта имеет показатель 1,2 метров, поэтому достаточно закладывать фундамент на глубину 1,5 метра.
После того, как с уровнем промерзания, видом грунта и грунтовых вод немного разобрались, смотрят на то, выдержит ли площадь основания фундамента необходимую конструкцию. Для этого делают расчет на каждый квадратный сантиметр, чтобы нагрузка не была выше критического значения.
Рассчитывают нагрузку от строительной конструкции по удельному весу каждого материала, используемого в работе. Это: материал фундамента, тип стен, вид кровли, тип перекрытий. А также, как уже было упомянуто учитывается регион застройки.
Следует также отметить, что в первые годы эксплуатации дома грунты начинают сжиматься под воздействием вышеперечисленных нагрузок. В итоге происходит осадка, то есть фундамент опускается на конкретную величину. Неравномерные и большие осадки приводят к трещинам и другим деформациям.
Таким образом, величина нагрузки определяет несущую способность основания, при которой не превышается установленная норма осадков.
Выводы
Итак, отвечая на вопрос: на какую глубину закладывать фундамент, для начала определите регион, уровень промерзания грунтов и глубину грунтовых вод.
Затем рассчитайте предполагаемую нагрузку на основание и делайте соответствующие расчеты.
Необходимо так же отметить, что при проведении земляных работ, то есть когда приходится копать траншеи под фундамент, нужно так же уделить особое внимание типу грунта. К примеру, в песчаных грунтах делать фундамент достаточно сложно. Это связано с тем, что стенки траншей постоянно осыпаются, поэтому существуют две технологии, по которым приходится делать траншеи. Первая, их делают под уклоном, то есть создаются откосы. Вторая, это когда устанавливаются специальные заградительные щиты на всю глубину траншеи.
А вот в глинистых грунтах делать это не стоит. Грунт здесь прочный, никогда не осыпается, поэтому часто строители даже не ставят опалубку, если фундамент возводится для легкого дома.
Кто уже сталкивался с проблемами грунтовых вод, сезонными осадками, знает не понаслышке, что главная задача при возведении дома, а значит, и по закладке фундамента, — это понижение уровня воды.
Чем ниже уровень, тем негативное воздействие на фундамент влаги будет меньше. А можно ли искусственно понизить уровень грунтовых вод во время таяния снега или в то время, когда идут дожди? Проблем нет. Сегодня практически все загородные застройщики предпочитают делать дренажную систему на своих участках, тем самым удаляя лишнюю воду за его территорию.
Тем более, необходимо отметить, что дренажная система делится на две категории. Первая, это ливневая дренажная система, которая предназначена для отвода с территории участка дождевых и талых вод. Вторая, это сам дренаж, который предназначен для понижения уровня грунтовых вод. Кстати, последний укладывается на глубину, равной практически уровню залегания подпочвенных вод.
Возведение фундамента часто называют нулевым циклом строительства дома, не потому, что это простая и дешевая работа, а потому что почти не видная после постройки дома. Чтобы не повторить ошибки предшественников и не дать шанса профессорам пополнить коллекцию, при заложении фундамента следует строго соблюдать как минимум два основных правила: | 1. Глубина заложения фундамента или нижняя отметка фундамента не может быть выше слоя промерзания грунта зимой.При замерзании вода, содержащаяся в грунте расширяется, при этом объем грунта увеличивается (грунт пучит), это особенно актуально для глинистых грунтов, которые являются пучинистыми. Если фундамент заложен неправильно, то он постепенно выталкивается (поднимается) из земли или в конструкциях дома возникают не учтенные при расчете дополнительные напряжения и как следствие трещины, сколы и прочие неприятности. Определить глубину промерзания грунта зимой в Вашей местности можно по карте из СНиП 2.01.01-82: или по таблице (глубина промерзания и на карте и в таблице дана в сантиметрах):
На самом деле глубина промерзания будет меньше, потому что расчет производится для наиболее неблагоприятного варианта — если зимой нет снега. 2. Фундамент дома должен стоять на основании (грунте), имеющем достаточную несущую способность.Если глубина промерзания грунта 1 метр, а несущее основание находится на глубине 1.5 метра, то рыть котлован или траншею нужно до глубины 1.5 метра. Если глубина промерзания грунта 1,5 метра, а несущее основание находится на глубине 1.0 метр, то все равно рыть котлован или траншею нужно до глубины 1.5 метра. А вот как определить на какой глубине находится несущее основание — отдельная тема. Но вообще для этого лучше заказать геологоразведку. | А еще у Вас есть уникальная возможность помочь автору материально. После успешного завершения перевода откроется страница с благодарностью и адресом электронной почты. Если вы хотите задать вопрос, пожалуйста, воспользуйтесь этим адресом. Спасибо. Если страница не открылась, то скорее всего вы осуществили перевод с другого Яндекс-кошелька, но в любом случае волноваться не надо. Главное, при оформлении перевода точно указать свой e-mail и я обязательно с вами свяжусь. К тому же вы всегда можете добавить свой комментарий. Больше подробностей в статье «Записаться на прием к доктору» Для терминалов номер Яндекс Кошелька 410012390761783 Номер карты Ymoney 4048 4150 0452 9638 SERGEI GUTOV Для Украины — номер гривневой карты (Приватбанк) 5168 7422 4128 9630 | Примечание: Возможно ваш вопрос, особенно если он касается расчета конструкций, так и не появится в общем списке или останется без ответа, даже если вы задатите его 20 раз подряд. |
ФУНДАМЕНТ ДЛЯ ДОМА — ООО «Канадские дома». Строительство домов в Калининграде. Дома из СИП-панелей по канадской технологии
• Заглубление фундамента
• Ленточный фундамент
• Свайный фундамент
• Мелкозаглубленные фундаменты
• Быстрый заказ фундамента→
Нагрузки, воздействующие на фундамент
Какой бы дом вы не строили, из какого бы он ни был материала: сип-дом, деревянный каркасный, из кирпича или блоков — ему нужен фундамент. Для вашего будущего дома мы сконструируем и возведем надежный железобетонный фундамент или иной тип основания. Проконсультируйтесь с нашими инженерами, стройте дом надежно и грамотно.
Фундамент — это отдельный конструктивный элемент здания и самый ответственный. Назначение фундамента во всех видах строительства одно и то же — фундамент принимает нагрузки от здания, распределяет и передает их на грунт.
А также воспринимает и распределяет воздействие от грунтов.
Нагрузки на фундамент велики, поэтому на нем нельзя экономить и экспериментировать.
Заглубление фундамента
В строительных нормах и правилах (СНиП 52-01-2003) определены требования к фундаментам. Одно из важных требований предъявляется к глубине заложения. Она, в том числе, зависит от глубины промерзания грунтов, которое определяется по климатической зоне, где расположено место строительства. Калининградская область отнесена ко второй (II) климатической зоне, здесь глубина промерзания почв составляет 0,8 метра.
Ленточный фундамент, основные параметры
Если фундамент заложен меньше чем на этой глубине, зимой насыщенный водой грунт под ним промерзает. Вода при замерзании имеет свойство расширяться, вследствие чего происходит поднятие фундамента и дома вместе с ним. При таянии соответственно дом опускается в рыхлый грунт и так в течение нескольких лет может сформироваться перекос, неравномерная осадка фундамента, дом заваливается на сторону.
Такое поведение особенно характерно для пучинистых грунтов, они сильно насыщены влагой. Им свойственно не только температурное расширение, но и вымывание при высоком уровне грунтовых вод, что тоже нужно учитывать, выбирая вид фундамента.
Фундаменты которые мы возводим
При строительстве канадских домов мы применяем три вида фундаментов.
Ленточный железобетонный
Это основной тип фундамента, возводимый под строительство индивидуального жилого дома. Это надежный проверенный фундамент, он эффективно распределяет нагрузки от здания, и может применяться на практически всех типах почв.
Монолитное перекрытие нулевого цикла
Стандартный профиль ленты фундамента для сип-дома — 1,2 м х 0,3 м (с глубиной заложения 0.8 м). Под фундамент подготавливается песчаная подушка.
Пространственное армирование делается либо металлической, либо современной стеклопластиковой арматурой. Для каждого дома производится расчет армирования: обычно это восемь горизонтальных рядов, вертикальное армирование с шагом 0,6 м.
Заливка фундамента ведется готовым бетоном марки М200. Предусматриваются перегородки для опоры панелей перекрытия нулевого цикла и несущих внутренних перегородок, подушка для дымохода, если таковой устанавливается в доме. Обязательно делаются технологические отверстия для дальнейшей прокладки коммуникаций. Перекрытие нулевого цикла может исполняться наборным из SIP панелей или заливаться железобетонной монолитной плитой.
ЗАКАЗАТЬ ФУНДАМЕНТ
Свайный фундамент.
Второй возможный вариант – свайный. Он более редкий в нашей практике, его применение может быть обоснованно либо сложными грунтами на участке, либо ограничениями на строительство капитальных сооружений. Обычно для сооружения фундамента свайного типа, применяются винтовые сваи. Обвязка по сваям из деревянного бруса выполняет функцию ригелей и становится основанием для здания.
Фундамент на сваях
Дом на сваях на Куршской косе
Мелкозаглубленные фундаменты
Столбачато-ростверковый.
Такие фундаменты нами используются только как основания для веранд, беседок и т.п. сооружений, с незначительным давлением на грунт. Для основания жилых канадских домов подобный тип фундамента мы не применяем. Это дает экономический эффект, но, как уже говорилось, без испытаний грунтов высок риск постепенного заваливания такого фундамента. Печальный опыт других организаций это подтверждает — применение свайно-ростверкового (или как его еще называют ленточно-столбчатого) фундамента без качественного расчета часто становится причиной перекоса зданий. Кроме того обратите внимание на положение ростверка – он не должен заглубляться в грунт.
Фундаментная плита – это вариант мелкозаглубленного фундамента. На участках с высоким залеганием грунтовых вод, на болотистых почвах, где нужно производить отсыпку, поднимать уровень грунта, сооружать систему дренажа, уместно сооружать фундаментную плиту. Такой фундамент дороже ленточного, и также потребует оценки качества грунтов, хотя риск заваливания не высок, поскольку площадь опоры фундамента на грунт значительна.
«Утепленная шведская плита»: в практике нашей компании также строительство домов на т.н. «утепленной шведской плите».
Утепленная шведская плита
Фундамент этого типа сложное и более дорогое сооружение, чем обычная монолитная плита. Преимущество утепленной шведской плиты в том, что исключается промерзание фундамента, и как следствие повышается его устойчивость. Преимущество УШП также в энергоэффективности, и в том, что в комплексе с фундаментом, формируется сеть коммуникаций и система подогрева пола. Пол уже готов под укладку плитки, ламината, другого покрытия.
.
1. Возведение фундамента — Cтроительство коттеджей, строительство домов в Белгороде под ключ
Правильный фундамент своего дома
Опорной конструкцией любого здания является правильный фундамент, который обеспечивает долговечность дома и выполняет очень важные функции:
- принимает нагрузки от конструкций сооружения на грунт;
- оказывает сопротивление разрушительному влиянию грунтовых вод и перепадов температуры.

Монолитный фуундамент часто применяется для домов, стены которых выполнены из бетона, камня и кирпича. Он представляет собой сплошную ленту, залитую бетоном. Глубина заложения такого фундамента должна быть не меньше глубины промерзания грунта. При этом можно возводить цокольные этажи и подвалы. Монолитный фундамент является достаточно популярным видом фундамента дома в Белгородском регионе.
Возведение фундамента дома сводится к трем основным этапам:
— определение на земельном участке границ одного или нескольких прямоугольников. Дополнительно правильность разметки полученного прямоугольника проверяют измерением его диагоналей, которые должны быть равны.
Но важно не только провести оси траншей, но и обозначить их ширину и глубину, для определения которой, в свою очередь, необходимо наметить горизонтальный уровень будущего фундамента.
Перед началом земельных работ со всего участка застройки снимают растительный слой земли.
Профиль выкапываемых траншей под монолитный ленточный фундамент дома зависит от их глубины, типа почвы и уровня грунтовых вод. Траншеи отрывают непосредственно перед началом возведения фундамента, чтобы в них не скапливались атмосферные осадки и земля, высыхая, не осыпалась. Глубина ленточного фундамента зависит от типа грунта и уровня подземных вод, она должна соответствовать глубине залегания того слоя грунта, который по своим качествам может служить естественным основанием для возводимого здания. Толщина ленты фундамента принимается в зависимости от толщины расположенной на ней стены здания, но не должна быть менее 350 мм.
Для уменьшения давления на грунт применяется уширение подошвы монолитного фундамента в виде уступов.
Грунтовые воды. Если их уровень расположен значительно (более чем на 2 м) ниже расчетной глубины промерзания, глубина заложения фундамента обычно не превышает 0,5 м — 0,7 м.
Если же подземные воды находятся близко к поверхности, а сами грунты пучинистые — устраивать фундаменты рекомендуется примерно на 20 см ниже глубины промерзания. В Белгородской области этот показатель составляет приблизительно 1,0 м.
Материалы. На сухих и маловлажных грунтах для возведения ленточного фундамента малоэтажного дома используют традиционные материалы (кирпич, бутовый камень и т.п.). Для пучинистых и сильно увлажненных грунтовнеобходимо применять водо- и морозостойкие материалы, в первую очередь, высокопрочные бетоны (класс 200).
Самым универсальным материалом для сооружения ленточных фундаментов остается бетон. Сроки изготовления монолитных ленточных фундаментов несколько длиннее, чем при использовании других материалов, что объясняется необходимостью дожидаться затвердевания бетона и набора им требуемой прочности (28 дней).
Сначала на дно выкопанных траншей засыпают выравнивающий слой (песок).
Затем внутри опалубки, монтируют металлический каркас из арматурных прутьев, скрепленных между собой вязальной проволокой, и лишь затем бетонируют.
Важнейшими требованиями при изготовлении монолитных фундаментов являются строгое соблюдение технологии и применение материалов, предусмотренных конструктивными расчетами (марка бетона, арматура заданной толщины и т.п.).
Если же в доме предполагаются подземные помещения, вместо траншей выкапывают котлован, дно которого тщательно выравнивают и уплотняют песком или гравием, устанавливают опалубку и монтируют внутри нее арматурный каркас, затем заполняют опалубку бетоном. Такая конструкция называется
Сплошной фундамент обустраивают в тех случаях, когда земельный участок расположен на почвах с высоким уровнем грунтовых вод или на так называемых «плавающих» грунтах. Такой фундамент иногда обустраивают также на вспучивающихся грунтах и на песчаных подушках.
Особенностью сплошного фундамента является то, что его сооружают в виде монолитной плиты или железобетонной решетки под всей площадью здания. Поэтому, если проект предусматривает строительство коттеджа, где запланирован цокольный этаж, обустройство сплошного фундамента необходимо.
К преимуществам такого фундамента следует отнести то, что он устойчив к горизонтальным и вертикальным перемещениям грунта, что исключает попадание грунтовых вод в подвальные помещения дома даже при сильном гидростатическом давлении. Также следует отметить тот факт, что сплошной фундамент дома прост в сооружении и придает конструкциям свойства пространственной жесткости.
Среди недостатков — большой расход материалов на строительство, что делает сплошной фундамент дома слишком дорогим для людей со средним уровнем достатка.
Важнейшим требованием возведения фундамента дома становится непрерывность процесса заливки — это позволяет избежать образования в бетоне так называемых холодных швов, имеющих более низкие прочностные характеристики по сравнению с основной массой бетона и большую влагопроницаемость.
После затвердевания бетона опалубку снимают и проводят работы по гидроизоляции и утеплению подземных частей фундамента.
Сборный фундамент используется при возведении домов с жилым цокольным этажом, подземным гаражом, либо другими крупными помещениями под землей, стенами которых является фундамент. Такая опора дома отличается своей надежностью и прекрасно подходит для массивных и многоэтажных строений. Среди других многочисленных положительных качества сборного фундамента выделяются: простота конструкции, устойчивость к температурным колебаниям, высокая скорость возведения, минимальное количество земляных работ. Отличительной особенностью процесса устройства сборного фундамента является преимущественное использование специальной строительной техники (подъёмный кран), нежели рабочих. Используемые фундаментные блоки имеют толщину фундаментной стены и укладываются в один ряд.
Выполнять строительство сборного фундамента не рекомендуется на илистых, глиняных, торфяных, суглинистых и слабонесущих грунтах.
Это обусловлено тем, что такие виды почв обладают довольно небольшой прочностью, а также высоким уровнем подземных грунтовых вод, к тому же в осенние и весенние периоды они больше всего подвержены проседанию и деформации.
Процесс возведения сборного фундамента начинается с земляных работ. Первым делом выполняется копка котлована, размеры которого выходят за стены фундамента на расстоянии одного метра для проведения гидроизоляционных работ. Далее производится заливка бетонной опоры для блоков — мелкозаглубленный ленточный фундамент, поверх которого устанавливаются стеновые блоки соединяющиеся друг с другом цементно-песчаным раствором. После окончания кладки блоков, стены фундамента по наружной стороне обязательно покрывают специальным гидроизоляционным материалом Линокром не менее чем в два слоя. После окончания гидроизоляционных работ траншею у стен фундамента засыпают грунтом и уплотняют.
Фундамент вашего будущего дома — это основа успешного строительства в будущем.
Компания Легион вот уже 14 лет на рынке строительства строит только высококачественные дома. Звоните — и уже в ближайшее время мы начнем возводить фундамент вашего дома. Качественный, учитывающий все требования современного строительства.
Расчет глубины заложения фундамента
Фундамент. Глубина заложения.
Надёжность и долголетие дома в большинстве своём обеспечивает качественный фундамент. Главная характеристика фундамента – прочность и устойчивость. На фундамент воздействует не только нагрузка всего строения, но и сезонные изменения грунта, а также грунтовые воды.
Грамотно спроектированный и возведённый фундамент противостоит любому давлению и сохраняет целостность конструкции дома.
Возведение фундамента – это индивидуальные работы, так как каждая ситуация — особенная, не похожая на предыдущие.
Определить наиболее подходящий тип фундамента для конкретного дома и глубину его заложения можно только после тщательного исследования грунта-основания.
Именно грунт задаёт условия, в которых в дальнейшем будет стоять дом.
Гидрогеологические условия и свойства грунта определяют с помощью бурения. Проба грунта берётся на 50-70 см ниже уровня промерзания. Такое исследование выявляет несущую способность грунта, степень его пучинистости и определяет уровень грунтовых вод. В зависимости от этих данных решается вопрос глубины заложения фундамента.
Самые устойчивые грунты – скалистые. Благодаря жёстким связям между составными частицами, такой грунт не впитывает влагу и не промерзает. Фундамент на скалистых грунтах не заглубляется и закладывается по поверхности. В Ленинградской области скалистые грунты встречаются очень редко.
Крупнообломочные грунты тоже считаются надёжным основанием. Они более чем на 50% состоят из обломков камней, крупных фракций гравия и щебня.
Однако, если в составе крупнообломочного грунта присутствует большое количество глины или пылеватого песка, несущая способность грунта будет значительно слабее.
Такой грунт является пучинистым. Глубина заложения фундамента на крупнообломочном грунте составляет не менее 50 см.
Песчаные грунты представляют собой смесь частиц кварца и других минералов. Содержание глины в таких грунтах менее 3%. Чем крупнее фракции песка, тем более надёжный грунт. Под нагрузкой дома крупные и средние фракции песка хорошо уплотняются и незначительно промерзают. Фундамент на таком грунте может закладываться на глубину 40-70 см.
Мелкий же песок и пылеватый уже не является прочным основанием, так как хорошо впитывает и задерживает влагу. Такое основание испытывает просадку на протяжении многих лет. При наличии высокого уровня грунтовых вод, фундамент дома закладывается на глубину промерзания.
Глинистые грунты хорошо вбирают влагу, поскольку состоят они из мельчайших частиц (0, 005 мм). Глинистые грунты размываются, сжимаются, а замерзая – вспучиваются (увеличиваются в объёме). Чем более влажный грунт, тем больше он вспучивается. Во время мороза такой грунт оказывает большое давление на фундамент и выталкивает его.
В зависимости от содержания песчаных частиц, глинистые грунты подразделяются на: глину, суглинок и супесь. Пылевато-глинистый грунт является ненадёжным основанием, способным испытывать деформации на протяжении многих лет. Глубина заложения фундамента в таких грунтах – на 20 см ниже уровня промерзания.
Лёссовые (илистые) грунты не могут быть использованы в качестве основания. Такие грунты непредсказуемы и обладают низкой прочностью.
Встречаются и торфянистые грунты. При обильной влажности они превращаются в плывун. На таких участках, как правило, принимают меры по укрепления основания под фундамент. Вынимают пористые слои грунта и устраивают дренирующие подушки из гравия и песка крупной фракции (высота 50-100 см). На дренирующие подушки уже опирают фундамент. Существуют и другие меры для создания более надёжного основания на торфянистых грунтах.
Чтобы рассчитать глубину заложения фундамента, следует также определить уровень грунтовых вод. Если этот показатель составляет 1,5-2 м, фундамент можно закладывать на глубину не более 50 см.
В водонасыщенных грунтах величина осадки фундамента дома значительно больше, чем в грунтах с умеренной влажностью.
Итак, глубину заложения фундамента определяют факторы: характер грунта, уровень грунтовых вод, глубина промерзания, конструктивные особенности строящегося дома (количество этажей, основной стройматериал, наличие подвала и т.п.).
Не принимая в счёт скалистые грунты, минимальная глубина заложения фундаментов – 50 см от поверхности земли. Максимальная глубина – 30 см ниже уровня промерзания грунта.
Следует отметить, что фундаменты глубокого заглубления под лёгкими домами возводить нерационально. Во-первых, большие материальные и физические затраты не оправдаются, а во-вторых, на основание могут действовать мощные боковые силы, что приведёт к деформации фундамента и всего строения.
Оптимальную глубину заложения фундамента в каждом конкретном случае может определить только опытный проектировщик. Фундамент, спроектированный и возведённый специалистами, будет исправно служить долгие годы.
Глубина заложения фундамента — Stroim-svoi-dom.ru
Многие, кто хочет построить дом своими руками, задаются вопросом «На какую глубину закладывать фундамент?» Для того, чтобы разобраться в этим вопросом, нужно понять, от чего зависит глубина фундамента.Основными факторами, влияющих на глубину заложения являются уровень грунтовых вод, глубина сезонного промерзания, тип почвы и несущая способность грунта. В предыдущих статьях, мы подробно рассказывали обо всех этих факторах. Все эти условия необходимо рассматривать в совокупности.
Основным критерием выбора глубины фундамента под дом, от которого будем отталкиваться в этой статье, будет тип почвы на участке. Будем рассматривать глубину ленточного фундамента, при заложении его на песчаных и глинистых почвах.
В данной статье, будет рассмотрен только ленточный фундамент, т.к. столбчатый и винтовой лучше закладывать на глубину промерзания грунта.
Спонсором данной статьи выступает компания Собз-бетон, на сайте нашего партнера можно купить бетон по выгодным ценам с оперативной доставкой по регионам!
Глубины заложения ленточного фундамента на песчаных грунтах
Итак, начнем с песчаных грунтов.
Это идеальное основание для любого дома. Глубина заложения фундамента не зависит от уровня грунтовых вод и не зависит от глубины сезонного промерзания. Такие почвы меньше всего подвержены силам морозного пучения т.к. они хорошо пропускают воду. Даже если вода стоит высоко, то она распределяется равномерно по всей площади и при замерзании будет выталкивать фундамент равномерно, что никак не повлияет на целостность основания и всего сооружения.Глубина заложения ленточного фундамента для дома на песчаных грунтах не менее 0,5 м. При большей глубине, земля становится плотнее и несущая способность грунта повышается, что позволяет строить более тяжелые дома, но вместе с тем увеличивается стоимость фундамента.
Следует обратить внимание, что при высоком уровне грунтовых вод, ленточные фундаменты следует делать монолитными с армированием. Такое армирование даст вашему основанию ту прочность, которые позволят подниматься и опускаться без разрушения при замерзании и оттаивании воды.
Глубина фундамента на глинистом грунте
Теперь рассмотрим как меняется глубина заложения фундамента, если на участке глинистый грунт.
К группе таких грунтов относятся глинистые, суглинистые, суглинистые пылеватые, супесчаные.
Основной особенностью таких почв является то, что они плохо пропускают воду и сильно вспучиваются при низких температурах. В отличие от песчаных грунтов, глинистые вспучиваются неравномерно т.е. под одним углом строения могут подниматься на 5 см, а под другим например на 20 см. В следствии чего происходит перекос строения, что ведет к разрушению дома и фундамента.
Поэтому глубина заложения ленточного фундамента на таких грунтах не может быть такой же как на песчаных.
Для таких почв подходит любой тип фундамента, но закладывать придется на глубину промерзания т.е. на ту глубину где вода в период низких температур не замерзает, а следовательно нет сил морозного пучения, способных вытолкнуть основание. Глубину промерзания, можно посмотреть на климатической карте, которая есть у нас на сайте (ссылка).
Глубину заложения фундамента можно существенно уменьшить, но для этого необходимо провести ряд мероприятий.
К числу таких относятся замена грунта на песчаный с последующим уплотнением, утепление фундамента, ссылка).
Фундамент на таких землях следует делать монолитным с армированием, независимо от выбранного типа.
Строительный кодекс Требования к фундаменту
Никто не может отрицать необходимость хорошего фундамента дома. Неправильно построенные фундаментные опоры — в отличие от плохо установленных водосточных желобов или деревянных полов с зазорами — могут в конечном итоге разрушить дом.
Итак, строительные нормы и правила, естественно, могут кое-что сказать о фундаменте. Как и любые другие кодовые рекомендации, это не столько практические инструкции по построению фундаментов, сколько параметры, которые вам необходимо соблюдать и которые должны быть скорректированы в соответствии с вашими местными требованиями.
Оценка сайта
Земля, непосредственно примыкающая к основанию фундамента — на внешней стороне фундамента — должна иметь уклон минимум 5 процентов.
Это должно продолжаться не менее 10 футов.
Несущая способность грунта
Фундамент должен стоять на твердой, ненарушенной почве. Нетронутая почва — это почва, которая никогда не переворачивалась, не вспахивалась, не рыхлялась, не рыхалась, не вываливалась, не выкапывалась, не соскабливалась, не уплотнялась, не изменялась или что-либо в этом роде руками человека или машины.Ненарушенная почва значительно прочнее, чем нарушенная.
Код относится к значениям несущей способности (LBV) как к «предполагаемым». Это означает, что испытание грунта — единственный способ действительно узнать значение нагрузки (LBV) грунта для опор на данном участке.
Нарушенная почва может быть классифицирована как нетронутая по прошествии достаточного времени; испытание почвы может определить это.
| Тип почвы | LBV на квадратный фут |
| Коренная порода | 12 000 |
| Осадочные породы | 4 000 |
| Песчаный гравий или гравий | 3 000 |
| Песок, илистый песок, глинистый песок, илистый гравий, глинистый гравий | 2 000 |
| Глина, песчаная глина, илистая глина, глинистый ил | 1 500 |
Глубина, ширина и толщина опор
Глубина опоры
Опоры должны доходить до глубины не менее 12 дюймов под ранее ненарушенной почвой.
Опоры также должны выступать минимум на 12 дюймов ниже линии промерзания (глубина, на которую земля промерзает зимой) или должны быть защищены от мороза.
Эти правила могут не применяться к дополнительным зданиям (например, навесам), если они не превышают определенную площадь в квадратных футах, указанную местными строительными нормами.
Кроме того, опоры палубы могут иметь разные требования к глубине. Некоторые палубы, например, не прикрепленные к дому, могут иметь разные требования к глубине.
Ширина опор
Ширина опоры может варьироваться в зависимости от конструкции, участка и условий.Согласно нормам, как правило, одноэтажные здания с опорами на ненарушенной почве с LBV от 1500 до 4000 должны иметь минимальную ширину 12 дюймов.
Для двухэтажных зданий требуются опоры шириной не менее 15 дюймов для грунта 1500 LBV. Для почвы 2000 LBV или больше двухэтажные здания могут иметь минимальную ширину основания 12 дюймов.
Уровень
Требования к ровности для верха и низа основания различны:
Верх опор
Верх опор должен быть ровным, без исключений.
Нижняя часть опор
Предпочтительно нижняя часть основания должна быть ровной. Исключение: при строительстве на наклонной поверхности можно ступать на опору на 1 единицу по вертикали на 10 единиц по горизонтали (или 10-процентный уклон).
Раздвижные опоры
Расставленные опоры помогают распределить нагрузку на опоры на большую площадь. Раздвижная часть представляет собой основание, которое выглядит как перевернутая буква «Т» и переносит вес по своей площади.Стойка должна быть толщиной не менее 6 дюймов. Он должен выступать с обеих сторон не менее чем на 2 дюйма.
Прочность опорного бетона
Для фундаментов и плит, за исключением гаражей, минимальная прочность бетона должна составлять 2500 фунтов на квадратный дюйм. Вертикальные стены, подверженные воздействию погодных условий, могут иметь минимальную прочность бетона 2500 фунтов на квадратный дюйм и до 3000 фунтов на квадратный дюйм в некоторых суровых погодных условиях.
Основы строительных норм
Эти спецификации кодов взяты из Международного строительного кодекса (IBC) для одно- и двухэтажных жилых домов.
Это краткое руководство предназначено для того, чтобы дать вам общее представление о требованиях к фундаментным основам. IBC охватывает Международный жилищный кодекс (IRC), но включает положения как для коммерческих, так и для жилых зданий. IRC одинаково подходит для жилых домов. В IRC глава, касающаяся фундаментов и опор, — это глава 4.
Помните, что каждый строительный объект уникален. Например, почва различается от места к месту, и поэтому несущая способность почвы будет изменяться.Кроме того, правила кодекса устанавливаются и применяются на местном уровне, обычно через строительный департамент каждого города. Большинство местных органов управления кодексом используют IBC и / или IRC в качестве кодов моделей, но могут опускать, изменять или расширять любую спецификацию кода в соответствии с местными условиями и требованиями законодательства. В то время как IBC и IRC — это просто рекомендуемые правила, местный кодекс — это закон страны, который вам необходимо соблюдать.
Смотреть сейчас: как определить, является ли стена несущей
Страница не найдена для depth_of_foundation
Имя пользователя*
Электронное письмо*
Пароль*
Подтвердить Пароль*
Имя*
Фамилия*
Страна Выберите страну .
.. Аландские острова IslandsAfghanistanAlbaniaAlgeriaAndorraAngolaAnguillaAntarcticaAntigua и BarbudaArgentinaArmeniaArubaAustraliaAustriaAzerbaijanBahamasBahrainBangladeshBarbadosBelarusBelauBelgiumBelizeBeninBermudaBhutanBoliviaBonaire, Санкт-Эстатиус и SabaBosnia и HerzegovinaBotswanaBouvet IslandBrazilBritish Индийского океана TerritoryBritish Virgin IslandsBruneiBulgariaBurkina FasoBurundiCambodiaCameroonCanadaCape VerdeCayman IslandsCentral африканского RepublicChadChileChinaChristmas IslandCocos (Килинг) IslandsColombiaComorosCongo (Браззавиль) Конго (Киншаса) Кук IslandsCosta RicaCroatiaCubaCuraÇaoCyprusCzech RepublicDenmarkDjiboutiDominicaDominican RepublicEcuadorEgyptEl SalvadorEquatorial GuineaEritreaEstoniaEthiopiaFalkland IslandsFaroe IslandsFijiFinlandFranceFrench GuianaFrench PolynesiaFrench Южный Территория нг КонгВенгрияИсландияИндияИндонезияИранИракОстров МэнИзраильИталия Кот-д’ИвуарЯмайкаЯпонияДжерсиИорданияКазахстанКенияКирибатиКувейтКиргизияЛаосЛатвияЛебанЛезотоЛиберияЛибияоЛихтенштейнЛихтенштейнЛитва ЮжныйAR, ChinaMacedoniaMadagascarMalawiMalaysiaMaldivesMaliMaltaMarshall IslandsMartiniqueMauritaniaMauritiusMayotteMexicoMicronesiaMoldovaMonacoMongoliaMontenegroMontserratMoroccoMozambiqueMyanmarNamibiaNauruNepalNetherlandsNetherlands AntillesNew CaledoniaNew ZealandNicaraguaNigerNigeriaNiueNorfolk IslandNorth KoreaNorwayOmanPakistanPalestinian TerritoryPanamaPapua Новый GuineaParaguayPeruPhilippinesPitcairnPolandPortugalQatarRepublic из IrelandReunionRomaniaRussiaRwandaSão Tomé и PríncipeSaint BarthélemySaint HelenaSaint Китса и NevisSaint LuciaSaint Мартин (Голландская часть) Сен-Мартен (французская часть) Сен-Пьер и MiquelonSaint Винсент и GrenadinesSan MarinoSaudi ArabiaSenegalSerbiaSeychellesSierra LeoneSingaporeSlovakiaSloveniaSolomon IslandsSomaliaSouth AfricaSouth Грузия / Sandwich ОстроваЮжная КореяЮжный СуданИспанияШри-ЛанкаСуданСуринамШпицберген и Ян-МайенСвазилендШвецияШвейцарияСирияТайваньТаджикистанТанзанияТаиландТимор-ЛештиТогоТокелауТонгаТринидад и ТобагоТунисТурция ТуркменистанТуркс и Острова КайкосТувалуУгандаУкраинаОбъединенные Арабские ЭмиратыВеликобритания (Великобритания) США (США) УругвайУзбекистанВануатуВатиканВенесуэлаВьетнамУоллис и ФутунаЗападная СахараЗападное СамоаЙеменЗамбияЗимбабве
Регистрируясь, вы соглашаетесь с Условиями использования и Политикой конфиденциальности.
*
Страница не найдена для процедуры_для строительства_фундамента
Имя пользователя*
Электронное письмо*
Пароль*
Подтвердить Пароль*
Имя*
Фамилия*
Страна Выберите страну … Аландские острова IslandsAfghanistanAlbaniaAlgeriaAndorraAngolaAnguillaAntarcticaAntigua и BarbudaArgentinaArmeniaArubaAustraliaAustriaAzerbaijanBahamasBahrainBangladeshBarbadosBelarusBelauBelgiumBelizeBeninBermudaBhutanBoliviaBonaire, Санкт-Эстатиус и SabaBosnia и HerzegovinaBotswanaBouvet IslandBrazilBritish Индийского океана TerritoryBritish Virgin IslandsBruneiBulgariaBurkina FasoBurundiCambodiaCameroonCanadaCape VerdeCayman IslandsCentral африканского RepublicChadChileChinaChristmas IslandCocos (Килинг) IslandsColombiaComorosCongo (Браззавиль) Конго (Киншаса) Кук IslandsCosta RicaCroatiaCubaCuraÇaoCyprusCzech RepublicDenmarkDjiboutiDominicaDominican RepublicEcuadorEgyptEl SalvadorEquatorial GuineaEritreaEstoniaEthiopiaFalkland IslandsFaroe IslandsFijiFinlandFranceFrench GuianaFrench PolynesiaFrench Южный Территория нг КонгВенгрияИсландияИндияИндонезияИранИракОстров МэнИзраильИталия Кот-д’ИвуарЯмайкаЯпонияДжерсиИорданияКазахстанКенияКирибатиКувейтКиргизияЛаосЛатвияЛебанЛезотоЛиберияЛибияоЛихтенштейнЛихтенштейнЛитва ЮжныйAR, ChinaMacedoniaMadagascarMalawiMalaysiaMaldivesMaliMaltaMarshall IslandsMartiniqueMauritaniaMauritiusMayotteMexicoMicronesiaMoldovaMonacoMongoliaMontenegroMontserratMoroccoMozambiqueMyanmarNamibiaNauruNepalNetherlandsNetherlands AntillesNew CaledoniaNew ZealandNicaraguaNigerNigeriaNiueNorfolk IslandNorth KoreaNorwayOmanPakistanPalestinian TerritoryPanamaPapua Новый GuineaParaguayPeruPhilippinesPitcairnPolandPortugalQatarRepublic из IrelandReunionRomaniaRussiaRwandaSão Tomé и PríncipeSaint BarthélemySaint HelenaSaint Китса и NevisSaint LuciaSaint Мартин (Голландская часть) Сен-Мартен (французская часть) Сен-Пьер и MiquelonSaint Винсент и GrenadinesSan MarinoSaudi ArabiaSenegalSerbiaSeychellesSierra LeoneSingaporeSlovakiaSloveniaSolomon IslandsSomaliaSouth AfricaSouth Грузия / Sandwich ОстроваЮжная КореяЮжный СуданИспанияШри-ЛанкаСуданСуринамШпицберген и Ян-МайенСвазилендШвецияШвейцарияСирияТайваньТаджикистанТанзанияТаиландТимор-ЛештиТогоТокелауТонгаТринидад и ТобагоТунисТурция ТуркменистанТуркс и Острова КайкосТувалуУгандаУкраинаОбъединенные Арабские ЭмиратыВеликобритания (Великобритания) США (США) УругвайУзбекистанВануатуВатиканВенесуэлаВьетнамУоллис и ФутунаЗападная СахараЗападное СамоаЙеменЗамбияЗимбабве
Captcha * Регистрируясь, вы соглашаетесь с Условиями использования и Политикой конфиденциальности.
*
Страница не найдена для foundation_excavation_precautions
Имя пользователя*
Электронное письмо*
Пароль*
Подтвердить Пароль*
Имя*
Фамилия*
Страна Выберите страну … Аландские острова IslandsAfghanistanAlbaniaAlgeriaAndorraAngolaAnguillaAntarcticaAntigua и BarbudaArgentinaArmeniaArubaAustraliaAustriaAzerbaijanBahamasBahrainBangladeshBarbadosBelarusBelauBelgiumBelizeBeninBermudaBhutanBoliviaBonaire, Санкт-Эстатиус и SabaBosnia и HerzegovinaBotswanaBouvet IslandBrazilBritish Индийского океана TerritoryBritish Virgin IslandsBruneiBulgariaBurkina FasoBurundiCambodiaCameroonCanadaCape VerdeCayman IslandsCentral африканского RepublicChadChileChinaChristmas IslandCocos (Килинг) IslandsColombiaComorosCongo (Браззавиль) Конго (Киншаса) Кук IslandsCosta RicaCroatiaCubaCuraÇaoCyprusCzech RepublicDenmarkDjiboutiDominicaDominican RepublicEcuadorEgyptEl SalvadorEquatorial GuineaEritreaEstoniaEthiopiaFalkland IslandsFaroe IslandsFijiFinlandFranceFrench GuianaFrench PolynesiaFrench Южный Территория нг КонгВенгрияИсландияИндияИндонезияИранИракОстров МэнИзраильИталия Кот-д’ИвуарЯмайкаЯпонияДжерсиИорданияКазахстанКенияКирибатиКувейтКиргизияЛаосЛатвияЛебанЛезотоЛиберияЛибияоЛихтенштейнЛихтенштейнЛитва ЮжныйAR, ChinaMacedoniaMadagascarMalawiMalaysiaMaldivesMaliMaltaMarshall IslandsMartiniqueMauritaniaMauritiusMayotteMexicoMicronesiaMoldovaMonacoMongoliaMontenegroMontserratMoroccoMozambiqueMyanmarNamibiaNauruNepalNetherlandsNetherlands AntillesNew CaledoniaNew ZealandNicaraguaNigerNigeriaNiueNorfolk IslandNorth KoreaNorwayOmanPakistanPalestinian TerritoryPanamaPapua Новый GuineaParaguayPeruPhilippinesPitcairnPolandPortugalQatarRepublic из IrelandReunionRomaniaRussiaRwandaSão Tomé и PríncipeSaint BarthélemySaint HelenaSaint Китса и NevisSaint LuciaSaint Мартин (Голландская часть) Сен-Мартен (французская часть) Сен-Пьер и MiquelonSaint Винсент и GrenadinesSan MarinoSaudi ArabiaSenegalSerbiaSeychellesSierra LeoneSingaporeSlovakiaSloveniaSolomon IslandsSomaliaSouth AfricaSouth Грузия / Sandwich ОстроваЮжная КореяЮжный СуданИспанияШри-ЛанкаСуданСуринамШпицберген и Ян-МайенСвазилендШвецияШвейцарияСирияТайваньТаджикистанТанзанияТаиландТимор-ЛештиТогоТокелауТонгаТринидад и ТобагоТунисТурция ТуркменистанТуркс и Острова КайкосТувалуУгандаУкраинаОбъединенные Арабские ЭмиратыВеликобритания (Великобритания) США (США) УругвайУзбекистанВануатуВатиканВенесуэлаВьетнамУоллис и ФутунаЗападная СахараЗападное СамоаЙеменЗамбияЗимбабве
Captcha * Регистрируясь, вы соглашаетесь с Условиями использования и Политикой конфиденциальности.
*
Насколько глубоким должен быть фундамент дома?
Между затоплением подвала, заражением вредителями и трещинами в фундаменте важно правильно заложить фундамент, чтобы избежать проблем с вашим домом в будущем. Глубина фундамента будет определять, на какой срок прослужит ваш дом, как работают ваши коммуникации и какое у вас будет место для хранения вещей. Вы знаете оптимальную глубину фундамента для вашего дома? Прежде чем вы начнете планировать дизайн своего дома, вам нужно подумать, чего вы хотите от своего фундамента.В зависимости от вашей климатической зоны или вашего бюджета вам нужно будет принять окончательное решение, прежде чем вы сможете приступить к проектированию.
Вот разбивка на три основных типа конструкций, поддерживающих ваш дом:
1. Полноценный подвалЭто один из самых популярных фондов на северо-востоке США. Для полноценного фундамента глубина фундамента будет ниже глубины промерзания.
Подвалы имеют опоры и обычно 8-футовые стены, построенные на 4-дюймовой бетонной плите.
Плита будет служить полом в помещении под землей, где вы можете хранить механическую систему и систему отопления, вентиляции и кондиционирования или использовать ее в качестве хранилища. Немного поработав, можно закончить пространство и сделать его пригодным для проживания.
В то время как подвалы старых домов должны быть модернизированы для проживания, в проектах строительства новых домов часто предусматривается готовый подвал. Это наиболее экономичный подход. Гораздо сложнее обеспечить в подвале вентиляцию, свет и водопровод после того, как вы уже построили дом.
Жесткий пенопласт под плитой сделает пространство более пригодным для жизни. Изоляция может помочь уменьшить образование плесени и грибка, с которыми сталкиваются многие подвалы.
2. Ползун В областях на юге и среднем западе США используются рабочие места для предотвращения попадания влаги и освобождения места для установки и обслуживания сантехники. Это также оставляет место для обслуживания вашей электрической системы.
Подлоги должны быть герметизированы и изолированы. Для облегчения доступа они оставляют дом уязвимым для плесени и гнили.В экстремальных ситуациях вы можете увидеть, как вредители поселяются в вашем пространстве. Хорошо проветриваемые места для ползания не пропускают влагу, но также могут быть входом для грызунов и насекомых. Убедитесь, что ваше пространство для ползания закрыто достаточно маленькими вентиляционными отверстиями, чтобы не допустить попадания енотов, белок и мышей.
Современные дома утепляются бетонной плитой или полиэтиленовой пароизоляцией между домом и землей. В достаточно большом подвесном пространстве можно разместить нагревательный элемент, оставив свободное место внутри вашего дома.
3. Плита на основеДругой вариант — бетонная плита, залитая прямо на грунт. Это минимальная глубина фундамента. Ваша плита будет прямо под основным этажом вашего дома.
Они встречаются в самых теплых частях США — особенно в теплых местах и в тех, где часто случаются наводнения.
После того, как вы выкопаете фундамент, насыпают гравий, чтобы вода могла стекать. Проволочная сетка добавлена для ограничения растрескивания. Все водопроводные трубы или трубопроводы, которые должны быть включены в фундамент, устанавливаются, а затем все это заливается бетоном.
В более холодном климате необходима специальная защита от мороза. Иногда к коротким стенам добавляют слой пенопласта для утепления.
По-прежнему нужна помощь в принятии решения?Если у вас возникли проблемы с определением идеальной глубины фундамента для вашего нового дома, свяжитесь с нашей командой. Мы будем рады помочь вам в этом!
ширина и глубина опоры
Ширина и глубина опоры | Ширина этой опоры составляет 20 дюймов, а глубина будет более 42 дюймов после того, как засыпка будет размещена напротив готового фундамента.Нижний колонтитул очень толстый, если он окрашен в оранжевый цвет, из-за наклонной поверхности на стройплощадке. Copyright 2019 Tim Carter«Опора — это как ступня на ноге.
Тим Картер — Основатель | AsktheBuilder.comОна распределяет вес здания на почву. Чем больше, тем лучше!»
Ширина и глубина опоры — действуйте правильно, чтобы избежать # FAILURE
Ширина и глубина опоры очень важны. Основание распределяет вес всего здания на почву.Это работает так же, как ступня на ноге.
Ссылки по теме:
Деталь основания — большой чертеж, показывающий сталь
Залитый бетон или блочный фундамент на опоре?
Насколько широким должен быть фундамент дома?
Фундамент дома должен быть шириной не менее 12 дюймов. Двадцать дюймов было бы лучше шириной. Важно понимать, что немного бетона будет разумным вложением средств, так как у вас будет только один шанс установить фундамент.
НАЖМИТЕ ЗДЕСЬ, чтобы получать БЕСПЛАТНЫЕ и БЫСТРЫЕ предложения от местных подрядчиков и подрядчиков по фундаменту.
Какая наилучшая глубина для ступни?
Глубину опоры можно принять за толщину опоры.
Минимальная толщина основания — восемь дюймов. Десять дюймов лучше, а двенадцать очень желательно.
Глубина основания в земле зависит от:
- глубины местного промерзания
- того, насколько глубоко вам нужно пройти, чтобы оказаться в твердой, прочной почве
Деталь основания | Эта опора только что вылита под проливным дождем.Обратите внимание на вертикальные стальные стержни, которые помогут соединить опору с залитым фундаментом. Copyright 2019 Тим Картер
Опорная деталь | Эта опора только что вылита под проливным дождем. Обратите внимание на вертикальные стальные стержни, которые помогут соединить опору с залитым фундаментом. Авторское право 2019 Тим КартерКакой тип стали должен быть в опоре?
В опору следует вставить две сплошные стальные стержни. Диаметр должен быть не менее 1/2 дюйма. Когда вы дойдете до конца одного стержня, наложите следующий стержень на первый не менее чем на 16 дюймов.Свяжите два куска стали вместе с помощью проволоки.
Сводка
Название артикула
Ширина и глубина основания — избегайте # ОТКАЗ — смотрите здесь отличные фотографии
Описание
Ширина и глубина вашей опоры очень важны.Основание выдерживает весь вес вашего здания. Заменить нельзя.
Автор
Тим Картер
Имя издателя
AsktheBuilder.com
Логотип издателя
Насколько глубокой должна быть опора?
Насколько глубокой должна быть опора? | Глубина фундамента различных наружных конструкций
Насколько глубоким должен быть фундамент для наружной конструкции? Есть много типов наружных конструкций, которые вы можете построить, чтобы повысить ценность своего дома. Наружные работы, такие как заборы и перегородки, повышают безопасность вашего дома. Наружные декоративные конструкции, такие как пруды, душевые, фонарные столбы, деревья, беседки и садовые скульптуры, добавят эстетической привлекательности вашему двору, усадьбе или жилому дому. Третья категория проектов на открытом воздухе, которые вы можете разместить на своей частной собственности, — это дополнительные полезности, такие как почтовые ящики у бордюров, септик, люки и смотровые камеры. Еще одна идея улучшения дома на открытом воздухе, которую домовладельцы хотели бы иметь на своей частной собственности, — это гибридное развлекательно-полезное дополнение, такое как остров для барбекю.
Прежде чем приступить к строительству любого из вышеперечисленных сооружений, вы должны знать глубину фундамента, которую вы должны копать или выкапывать, а также ширину. Эта деталь будет представлена на чертежах здания, сделанных вашим инженером, архитектором или чертежником. В зависимости от вашего штата или муниципалитета вам может потребоваться получить разрешение на строительство перед строительством конструкции.
Могут потребоваться дополнительные разрешения для рытья траншей, превышающих определенную минимальную глубину. Более глубокие траншеи представляют опасность, поэтому вы должны будете соблюдать правила OSHA, такие как поддержка земляных работ, защитные ящики для траншей и безопасный доступ в траншею и из нее.Перед копанием любой ямы, котлована или траншеи на вашем участке одно из предварительных требований, которым вы должны соответствовать, — это позвонить по номеру 811 Safe Dig, чтобы уведомить операторов коммунальных служб, чтобы они могли приехать и отметить местоположение коммунальных услуг на вашем участке. площадка.
Ниже приводится минимальная глубина выемки грунта для различных проектов на открытом воздухе:
Глубина выемки грунта / фундамента для различных объектов на открытом воздухеДавайте посмотрим на глубину земляных работ, необходимую для различных типов наружных проектов:
Таблица размеров опор — глубина фундамента для различных проектов на открытом воздухе
Фундаменты для экранной стены с рельсами, столбами, днищем из бетонных блоков и бетонным основанием.
Размер бетонного фундамента будет 450 мм в ширину и 900 мм в глубину от уровня земли.
Фундамент для столбов беседки
Размер бетонных оснований фундамента — 400х400х500мм от ровной поверхности.
Фундамент для ограждения из высокопрочной проволоки
Глубина отверстий для столбов будет примерно 1093 мм (43 дюйма) или от 36 до 60 дюймов в зависимости от высоты столба.
Фундамент для ограждения из сетки рабицы с верхней направляющей
Для столба высотой 48 дюймов (1220 мм) от уровня земли глубина основания фундамента будет составлять 30 дюймов (762 мм) от уровня земли.
Фундамент под кирпичную ограждающую стену
Для кирпичной ограждающей стены или стены экрана глубина зависит от условий грунта (несущая способность грунта), а также от нагрузки надстройки. Глубина может быть от 500 мм до 2500 мм. 500 — это обычно минимальная глубина, но толщина бетонного основания должна быть минимум 200 мм. Земляное покрытие (засыпка по бокам траншей) должно быть не менее 300 мм, а уровень цоколя должен быть на одном уровне с DPC (гидроизоляционный слой), уложенным поверх кирпичной кладки основания.Минимальная высота цоколя от уровня земли — 150 мм.
Минимальная ширина бетонного фундамента кирпичной стены — 600 мм. Ориентировочно, ширина бетонного фундамента обычно в 3 раза больше, чем ширина полкирпича.
Фундаменты для стальных ограждений из частокола
Стальной забор из частокола может иметь высоту от 700 мм до 3600 мм над уровнем земли. Минимальная глубина вырытой ямы для столбов должна составлять 600 мм от уровня земли.
Диаметр котлована зависит от высоты забора над уровнем земли.Для столбов высотой менее или равной 2400 мм размер отверстий может составлять 350×350 мм или 450 мм в диаметре. Для столбов выше 3000 мм и более необходимы отверстия диаметром 450×450 мм или 600 мм.
Глубина фундамента для фонтана
Общая глубина фундамента фонтана или водного сооружения от уровня земли включает пространство для резервуара и рециркуляционного насоса, который обычно встраивается и устанавливается в нижней части пола водного фундамента. Как вариант, резервуар (и насос) можно установить на крайних сторонах перекрытия водного фундамента.Есть фонтаны с одним прудом, который одновременно выполняет функцию резервуара, и фонтаны с отдельным резервуаром и прудом. Типичная минимальная глубина котлована, необходимая для установки фонтана, составляет от 14 до 30 дюймов, в зависимости от размера, расположения и конструкции резервуара.
Фундамент выкопанного пруда
Выкопанный пруд строится путем рытья ямы в земле, в которой будет находиться водоем. Типичная глубина выемки грунта до уровня земляного полотна составляет около 919 мм.
Фундамент для приподнятого пруда
В приподнятом пруду водоем находится над уровнем земли, а не в вырытой яме или яме. Поднятые стены контейнеров строятся из кирпича, камня, бетонных блоков или железобетона с гидроизоляцией.
Типичная глубина фундамента декоративного приподнятого пруда колеблется от минимум 100 или 150 мм до глубины 500 мм от уровня земли. Высота над землей около 500 мм. Высота декоративного пруда не должна быть слишком высокой, потому что он должен обеспечивать прекрасный непрерывный обзор сверху.
Если вы занимаетесь разведением декоративных рыб в коммерческих целях, примерный размер большого японского пруда кои составляет около 3,96 м в длину, 1,83 м в ширину и 0,91 м в высоту над уровнем земли. Ленточная выемка грунта до пониженного уровня обычно составляет от 150 до 500 мм от естественного уровня земли.
Фундаменты для садовой скульптуры из камня / металла
Художественная ландшафтная скульптура обычно изготавливается из камня, металла или дерева. Горизонтальная площадь основания фундамента (его размах) зависит от размеров скульптуры и ее веса.Глубина выемки фундамента от уровня земли может составлять от 100 мм до 500 мм.
Фундамент для дорожных фонарных столбов
Садовый фонарный столб в викторианском стиле может стать прекрасным дополнением вашей частной собственности. Его также можно использовать в качестве подъездного фонаря. Фонари на солнечных батареях могут быть высотой от 3,25 м до 0,60 м.
В зависимости от высоты фонарного столба типичная глубина выемки под фундамент короткого фонарного столба (например, высота 48 дюймов над уровнем земли) будет составлять примерно 22 дюйма в глубину и 12 дюймов в ширину (559 мм в глубину и 305 мм в диаметре).Общая глубина котлована включает нижний слой утрамбованного гравия толщиной 6 дюймов и неармированное бетонное основание высотой 16 дюймов.
У более высокого солнечного фонарного столба, такого как тот, который используется на улицах, будет гораздо более глубокое основание, от 600 мм до 1100 мм. Для столба уличного фонаря высотой 6,0 м потребуется фундамент глубиной от 1000 до 1100 мм. Фундамент глубиной 1500 мм подходит для уличного фонаря высотой 6,5 м. Для уличного фонаря высотой 3 м, измеренного от уровня земли, требуется фундамент глубиной 700 мм.
Фундамент для кирпичного почтового ящика
Отдельно стоящий почтовый ящик, расположенный возле ворот переднего двора, рядом с тротуаром, в США называется почтовым ящиком у обочины. Боковые почтовые ящики могут быть построены из различных материалов, таких как кирпич, камень, металл, мокрый бетон или сборный железобетон. Согласно правилам и нормам USPS, высота почтового ящика у обочины не должна выходить за пределы диапазона от 41 до 45 дюймов. Стандартная и легальная средняя высота составляет 42 дюйма (1067 мм).Минимальное расстояние почтового ящика от края прилегающей дороги должно составлять от 6 до 8 дюймов.
Как правило, почтовый ящик на улице без бордюра (тротуара) должен располагаться на расстоянии не менее 2 футов (610 мм) от края дороги.
Почтовый ящик, выходящий на улицу с бордюром (тротуаром), должен располагаться на расстоянии не менее 6–8 дюймов (152–203 мм) от края тротуара.
Фундамент под кирпичный почтовый ящик аналогичен фундаменту под кирпичную колонну. Размер выемки ямы зависит от размера основания колонны.Типичный кирпичный почтовый ящик имеет четыре стороны длиной в два кирпича. Стандартный размер кирпича составляет 230 мм в длину, 110 мм в ширину и 76 мм в высоту, с размером шва 10 мм. Таким образом, каждая сторона будет (230 × 2) +10 = 470 мм. Для кирпичной колонны высотой 470 x 470 x 1067 мм требуется фундаментное основание размером примерно 690 x 690 мм.
ПравилаUSPS определяют максимальную глубину 24 дюйма (610 мм) для земляных работ под почтовый ящик, так что это объем вынутой земли 690x690x610 мм.
Фундамент для стального почтового ящика и почты
В Соединенных Штатах почтовое отделение (USPS) требует, чтобы почтовый ящик на обочине дома был установлен на стальной или алюминиевой стойке с минимальным диаметром 2 дюйма (51 мм).В качестве альтернативы почтовые ящики могут быть установлены на деревянных столбах минимальной толщиной 4 × 4 дюйма.
Согласно USPS, максимальная глубина выкопанных ям для фундамента почтового ящика должна составлять 24 дюйма (610 мм). Глубина фундамента не должна превышать 24 дюйма. Это позволяет столбу прогибаться при наезде движущимся транспортным средством. Ширина фундамента будет около 300×300 мм.
Глубина выемки под посадку деревьев
Успешно посадить дерево на заднем дворе не так просто, как думает большинство людей.Неправильная посадка дерева может привести к увяданию или смерти, даже если дерево было здоровым. Слишком глубокая или слишком мелкая посадка дерева вызывает осложнения, которые сокращают его продолжительность жизни. Очень большая часть корней дерева (80%) растет и распространяется горизонтально, как спицы плоского велосипедного колеса, и эти корни занимают верхний слой почвы на уровне полосы до 18–24 дюймов (457–610 мм) в глубину.
Квалифицированный и опытный садовод заранее спланировает посадку дерева. Он или она примет во внимание информацию, упомянутую выше, максимальное горизонтальное распространение корней, а также общую глубину, занимаемую корнями.К этим параметрам оценщик должен добавить припуск 250 мм к горизонтальному разбросу и еще 250 мм к глубине корня. Таким образом, в этом случае максимальная общая глубина выемки будет 610 мм + 250 мм = 860 мм.
Чтобы найти правильную ширину для вырытого котлована, вам нужно будет измерить горизонтальное распространение корней, а затем добавить припуск по 250 мм с обеих сторон диаметра котлована. Если это квадратная яма, добавьте припуск 500 мм (250 мм x 2) со всех четырех сторон.
Фундамент для деревянной беседки
Деревянная пергола состоит из четырех деревянных столбов и крыши без покрытия, в которой используются только стропила и балки для поддержки виноградных лоз и вьющихся растений.Отверстия для столбов имеют глубину 500 мм от уровня земли и ширину 400×400 мм.
Фундамент для уличного душа
Душевая кабина на заднем дворе — это интересная конструкция, которая позволяет принимать душ на открытом воздухе, разгерметизируя и предотвращая использование внутреннего душа. Он идеально подходит для гостей, проживающих в хозяйственных постройках, и для проведения общественных мероприятий, таких как домашние вечеринки. Строительство уличного душа включает выемку верхнего слоя почвы на глубину около 150 мм, уплотнение земли и заливку бетонной плиты поверх гидроизоляционной мембраны.Пол для душа может быть выполнен как обычный пол для душа в жилом помещении, с небольшим уклоном к сливу, встроенному в центр или на крайнем конце основания.
В качестве альтернативы душ на открытом воздухе может быть построен в виде теннисного корта, с небольшим уклоном, с дренажными желобами из сборного железобетона или французскими водостоками по периметру основания.
Душевой поддон можно ограждать стенами из дерева, стекла, ПВХ, камня или кирпича. Если вы строите ограждение, вам нужно будет выкопать фундамент под стены, чтобы уложить железобетонные балки грунта.Стены также могут опираться на бетонную подушку для душа, если они легкие. Типичный плотный фундамент имеет толщину кромки 200×200 мм и плиту 100 мм.
Фундамент под септик
Септик — это система хранения и отвода сточных вод для домашнего хозяйства или небольшого поселения, не подключенная к основной муниципальной канализационной системе. Система септика состоит из резервуара и дренажных труб, подключенных к распределительной коробке (насосной коробке), которая отправляет сточные воды в дренажное поле.Дренажное поле (также известное как поле выщелачивания) имеет ряды перфорированных труб, из которых сточные воды могут вымываться в землю.
Септик полностью заглублен под землю, за исключением подъемных стояков (смотровых труб), которые будут выступать на поверхность. Септики бывают разных конструкций, например, резервуар с одним отсеком и резервуар с двумя или тремя отсеками. Размер зависит от удерживающей способности.
Большинство септиков имеют стены из железобетона, сборного железобетона или кирпича.Типичный двухкамерный септик вместимостью 1600 галлонов имеет ширину 68 дюймов (1700 мм) и длину 145 дюймов (3680 мм). Он включает в себя плиту перекрытия 150 мм, стены высотой 1500 мм и R.C. толщиной 100 мм. верхняя плита с двумя или тремя крышками люков диаметром 450 мм и рамой.
Засыпка верхнего слоя почвы для заглубленного резервуара составляет 300 мм, поэтому общая глубина выемки будет примерно от 1800 до 2000 мм. Размер вырытой ямы составит около 1700 x 3680 x 1800 мм в глубину.
Фундамент колодца или смотровой камеры
Люк и смотровая камера — это одно и то же.Это подземный отсек, построенный из кирпичных или сборных бетонных стен, бетонной плиты и верхней железной крышки и доступа к раме. Отсек имеет форму прямоугольной коробки или полого цилиндра, и его основное предназначение состоит в том, чтобы вмещать стыки и изгибы дренажных труб. Смотровые камеры также используются для размещения точек доступа для подземных электрических / телекоммуникационных кабелей, а также узлов водоснабжения, счетчиков и клапанов. Эти отсеки принято называть распределительными коробками.
Глубина колодца, который вы хотите построить, зависит от диаметра канализационной трубы, а также ширины камеры. Для камеры диаметром 1050 мм с канализационными трубами 150 мм максимальная глубина колодца составляет 3,10 метра. Основание на месте имеет диаметр 1,50 метра и номинальную высоту 400 мм.
Фундамент для открытой площадки для барбекю
Площадка для барбекю на заднем дворе станет прекрасным дополнением к вашему частному жилому дому. По сути, это кухонная фурнитура со встроенным грилем, шкафом и гранитной столешницей.Единственное исключение — купе построено из кирпича, бетонных блоков или каменных стен. Затем в отсек устанавливают решетку для барбекю из нержавеющей стали с горелками.
Острова для барбекю на открытом воздухе строятся на полу патио из бетонной плиты или брусчатки. Чтобы построить отсек для барбекю из кирпича или камня, вам нужно выкопать широкую, но неглубокую траншею для фундаментной подушки глубиной от 350 до 450 мм. Небольшой отсек для 36-дюймового газового гриля имеет длину 10 футов (3050 мм), ширину 2,5 фута (760 мм) и высоту 3 фута (914 мм).
Бетонный фундамент будет на 235 мм шире кирпичного отсека со всех сторон. Следовательно, вам нужно будет вырыть траншею длиной 3520 мм, шириной 1230 мм и глубиной 450 мм.
Перед копанием позвоните по номеру 811 в вашем штате, чтобы узнать местонахождение подземных инженерных сетей. Вы также должны соответствовать требованиям OSHA при рытье траншей.
Тем не менее правильно сделанный фундамент — это залог надежности всего дома, не даром кафедры оснований и фундаментов инженерно- строительных ВУЗов украшены фотографиями Пизанской башни, как примера неправильного фундамента и многих других менее известных строительных объектов.
Под домом грунт так же промерзает меньше, если дом отапливается зимой, то грунт под домом также будет промерзать меньше. С учетом этих дополнений глубину промерзания можно принимать на 15-30% меньше нормативной. Что особенно немаловажно для северных районов. Кроме того промерзание грунта зимой еще можно уменьшить: для этого нужно утеплить грунт вокруг дома. Например, можно сделать отмостку из керамзитобетона на подсыпке из отвального или граншлака шириной 1,5-2 метра.
Почему, достаточно подробно объясняется в статье «Записаться на прием к доктору» (ссылка в шапке сайта).
Она распределяет вес здания на почву. Чем больше, тем лучше!»