Расчет продухов в фундаменте — Всё о фундаменте

Продухи в фундаменте — расчет, размер, как сделать, нужно ли закрывать на зиму

Продухи в фундаменте нужны для того, чтобы промежуток под полом первого этажа вентилировалось, для этого в цокольной наземной части фундамента делаются специальные отверстия.
Такая вентиляция необходима, так как под полом может скапливаться влага, выходящая из земли. Это может привести к тому, что строительные конструкции будут находиться под постоянным воздействием влаги, тем более, что она будет постоянно скапливаться. Эта проблема очень актуальна при использовании во время строительства деревянных конструкций. При повышенной влажности ее может сразить гниль и плесень, а также образования на деревянных конструкциях грибка. Вдобавок, в подпольном промежутке может скопляться радиоактивный газ радон.
В зимний период концентрация влаги и газа редко повышаются из-за действия низких температур, так как уменьшается вероятность испарения, и способны замерзать на строительных конструкциях, оставаясь как бы, в законсервированном виде до следующего повышения температуры. Чтобы избавиться от такой серьезной проблемы, в наземной части и делают такие отверстия.
Всегда нужны ли продухи в фундаменте? Нет, не всегда. Данные отверстия делаются лишь в том случаи, когда есть подпольное пространство. Если же у Вас полы первого этажа выполнены по грунту, то продухи делать не нужно.
Размеры продухов их размещение и численности

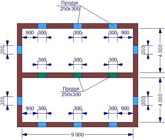
Руководствуясь пунктом 9.10 норматива СНиП 31-01-2003 (СП 54.13330.2011) «Здания жилые многоквартирные» общая площадь таких продушов должна быть 1/400 всей площади пола или техподвала. В местах, где возможно выделение радиоактивных газов, размеры продухов будут 1/100-1/150 от площади пола, (п.3.1. Руководство МГСН 2.02-97). При этом минимальная площадь всех продухов должна быть не менее 0,85 м², а одного – в пределах 0,05 м². Следует помнить, что большие вентиляционные отверстия требуют армирования, такие, например, как 300х300мм. Форма продухов может быть любая: прямоугольник, круг, квадрат, треугольник и т.д. Как правило, продухи выполняются в виде прямоугольника или квадрата, так как они смотрятся более эстетично, да и выполнение таких продухов не требует особой технологии. Продухи располагаются на одинаковом интервале друг от друга, при этом крайние продухи от углов фундамента должны располагаться на расстоянии не более 900мм. Вентиляционные отверстия обязательно располагать друг против друга, для лучшей вентиляции, а их количество должно быть четным.
Высота их расположения от уровня земли зависит от высоты фундамента, но располагаться они могут на высоте 300 мм и не ниже, во избежание затопления подпольного пространства талыми водами. Закон расположения такой: чем выше, тем лучше.
Расчет продухов
Давайте в качестве примеров рассмотрим два варианта расположения продухом, а также рассчитаем их количество.

Есть дом с фундаментом 5х6 м по внутренним стенам, построенный в г. Нижний Новгород. Исходя из величины минимального размера одного продуха 0,05м², принимаюем отверстия прямоугольного сечения 200х250 мм. Теперь следует продумать нужное количество таких отверстий и разместить их соответствующим образом.
Калькуляция
Рассчитаем площадь всех вентиляционных отверстий:
где F — общая площадь подвального пространства.
Узнаем необходимое число продушин:
где Р – площадь одного отверстия.
Исходя из полученных расчетов, следует организовать 4 продуха, чтобы не было не вентилируемых участков подпола. Почему не 2, а 4? А потому, что здесь вступает в силу еще одно правило, которое требует размещения таких отверстий на расстоянии не более 900 мм от каждого угла фундамента. Высота расположения от поверхности земли – 300мм.
Если жилье имеет внутренние перегородки с фундаментом, то такие отверстия должны быть во всех перемычках, связанных с фундаментом. Обычно, для перегородок монтируют столбчатый фундамент. если это деревянный дом. В таком случае будет организовано полное проветривание подпольного пространства.

Построен дом, в котором использован ленточный фундамента. разделяющий подпольное пространство на две равные части размерами 9х4 м. Предполагается выполнение продухов прямоугольной формы размерами 200х250 мм, что соответствует минимальному размеру. Дом находится в Иркутской области. Нужно рассчитать необходимое количество продухов и разместить их в нужных местах.
Калькуляция
Общая площадь вентиляционных отверстий:
В связи с тем, что в Иркутской области наблюдаются выбросы газа радона, в числителе поставлена цифра сто.
Нужное число продушин:
Из расчетов видно, что их количество достаточно большое и это может сказаться на надежности фундамента. Чтобы уменьшить их число, нужно увеличить начальные параметры продухов с 200х250мм до 250х300мм, то есть до 0,075м².
Исходя из нового заданного условия, опять рассчитываем число вентиляционных отверстий:
Берем за основу цифру 10 и делим ее на 2. После деления получается цифра 5 – это количество вентиляционных отверстий для каждой половины подпольного пространства. В фундаменте, под внутренней стеной обязательно нужно сделать 3 вентиляционных отверстия для полноценной вентиляции.
Рассчитать нужное количество и размер вентиляционных отверстий подполья можно и с помощью онлайн калькуляторов в сети Интернет.
Как делаются продухи на практике?

Многие застройщики частных домов не проводят никаких расчетов и продухи выполняют при заливке ленточного фундамент. В качестве опалубки используют обычные канализационные трубы диаметром 110 мм. Количество отверстий для проветривания рассчитываются примерно следующим образом: одно отверстие на 2-3 погонных метра фундамента.
Правильно ли это? Не совсем, но лучше так, чем вообще без продухов. Даже если вентиляционные отверстия небыли предусмотренные на этапе возведения фундамента, то бурить вам будут в последствии продухи не более 100 мм.
Закрывать ли продухи в фундаменте на зиму?

Вентиляция подпольного устройства обязана производиться круглый год, особенно это касается регионов, где происходят выбросы газа радона. Поэтому закрывать продухи на зиму не рекомендуется. Это требование описано в СНиП 11-3-79 «Строительная теплотехника». Открыв такой документ на нужной странице, можно увидеть таблицу №2, в которой указывается, что температура воздуха в подвале и температура нижней части пола должны иметь практически одинаковое значение. Допускается разница лишь в 2°С, что может быть достигнуто только в результате правильной вентиляции.
Если проблема в сохранении тепла в помещении, то лучше пол утеплить изнутри, но вентиляционные отверстия закрывать нельзя.
Как сделать продухи в готовом фундаменте?

Расчет размеров и количества продухов производится на этапе проектирования здания, а вентиляционные отверстия формируют во время устройства верхней части фундамента. Но бывает так, что о них забывают и вспоминают тогда, когда основные работы по заливке фундамента закончены. Что делать в этом случаи, как сделать продухи в готовом фундаменте?
Есть несколько вариантов:
- Прорезать или пробить вентиляционные отверстия нужных размеров, используя для этого специальный инструмент: болгарку или перфоратор, а может то и другое. Трудоемкость данной процедуры зависит от материала, из которого сделан фундамент. Если это кирпич, то проблем особых не будет, а если это армированный бетон, то придется изрядно повозиться. В таком случае забывчивость может превратиться в лишние материальные затраты. Цены на сверление таких отверстий колеблются в пределах 10-200руб за 1см глубины, в зависимости от трудности сверления.
- Если это возможно, то устроить полы первого этажа по грунту. Это означает, что между землей и полом нет никакого пространства, что позволяет решить такую проблему без дополнительных затрат.
Практически вся Европа практикует строительство индивидуального жилья без продухов, укладывая полы непосредственно на грунт. Такие полы не страдают недостатками, присущими для полов, которые необходимо вентилировать. Полы, уложенные непосредственно на грунт, способны выдерживать куда больше нагрузок, они не прогибаются, и из-за отсутствия подпольного пространства под полом не образуется влага, которая отрицательно воздействует на конструкции пола и стен.
Если о продухах забыли, то, может, стоит пересмотреть технологию укладки пола, и сэкономить на средствах, за счет понижения здания. Как вариант, можно засыпать подпольное пространство строительным мусором (кирпичным боем или отходами стройматериалов) вперемежку с песком и хорошо утрамбовать, после чего уложить пол и не делать никаких вентиляционных отверстий.
Минус подпола еще и в том, что в нем могут найти убежище некоторые грызуны или пресмыкающиеся. В таких пространствах, если в них очень тепло, могут размножаться многие виды насекомых, жучков и червячков, которые непременно окажутся внутри жилища.
Это может случиться тогда, когда по каким-либо причинам нарушается целостность подвального пространства, что повлечет за собой проникновенность под пол таких «зверей».
Продухи своими руками
Скажу сразу, что сделать продухи в фундаменте своими руками довольно сложно, так как толщина ленты колеблется в пределах 40-60 см. А сверлить армированный бетон такой толщины долго и затратно.

Есть несколько способов сделать отверстия в фундаменте:
- Надстройка цокольной части из кирпича и с уже предусмотренными отверстиями. Данный способ является самым правильным и довольно простым, но во всех случаях применим. Так, например если стены уже возведены, то понятное дело надстроить цоколь не получится.
- Сделать отверстия перфоратором — самый популярный и доступный способ среди частных застройщиков. В зависимости от марки бетона и от степени его армирования на проделывания одного продуха потребуется от нескольких часов до одного полного рабочего дня. При этом придется потратить несколько буров по бетону. Сверлятся дыры по периметру вентотверстия, работать перфоратором нужно не на полную мощность и периодически смачивать бур водой во избежании перегрева.
- Использовать коронки по бутону и шаг за шагом высверливать бетон по частям, а потом перфоратором с пикой выбивать бетон. Тоже сложный и не быстрый способ.
Чем закрыть продухи в фундаменте от мышей
При наступлении первых осенних заморозков полевые грызуны начинают искать места для обитания с более комфортными условиями. Такие убежища мыши – полевки находят в загородных постройках. Там им не страшен пронизывающий ветер, который при минусовой температуре делает поля малопригодными для существования.

Малые размеры и врожденная пронырливость позволяют мышам проникать через самые малые отверстия в строениях. Больше всего их привлекают подземные помещения, где дольше сохраняется накопленное тепло.
Продухи (отверстия для проветривания подпольного пространства) – самый легкий для грызунов путь проникновения в жилище. Из подполий они найдут возможности расселиться по всему дому.
Как и чем закрыть продухи в фундаменте от мышей?

Чтобы исключить подселение в загородный дом нежелательных соседей, необходимо надежно закрыть продухи в фундаменте от мышей. то есть перекрыть пути их возможного проникновения. Проще всего этого добиться установкой решеток на продухи подполья. Клетки решеток должны быть не крупнее 5 мм. Такие изделия можно поискать в магазинах строительных и хозяйственных товаров. Несложно их изготовить и самостоятельно.
Если готовых изделий в магазинах нет, проволочная решетка или жесткая сетка найдутся обязательно. Прикинув общую площадь всех вентиляционных отверстий, приобретаем нужный материал. Решетку нарезаем ножницами по металлу на прямоугольники необходимого размера. Далее необходимо изготовить детали обрамления, и оформить изделия в окончательный вид.
Для изготовления рамки используется белая или же консервная жесть, которая найдется в хозяйстве. Жесть нарезают полосами шириной примерно 60 мм. Полосы сгибают вдвое по длине, формируют каркас решетки. Прямоугольник из проволоки обрамляют полученными деталями полосок жести и крепят путем простукивания молотком. Изготовленные рамки устанавливают с помощью дюбелей и шурупов в просверленные отверстия, закрывая все продухи.
Как избавится от уже проникших мышей?
Когда доступ в дом для незваных гостей перекрыт, необходимо удостовериться в том, что они еще в жилище не проникли. Для этого в доме нужно на некоторое время разместить снаряженные мышеловки. Если традиционные мышеловки неприятны своей жестокостью, можно воспользоваться новинкой.
Новые мышеловки выполняются в виде захлопывающихся пеналов из пластика. Грызунов она не травмирует, но надежно запирает внутри. Некоторое время в ловушке мышь будет живой. Можно ее выпустить в ближайший лес или поле.
Таким методом можно надежно защититься от нежелательного соседства. Это гораздо безопаснее использования отравляющих веществ. При использовании отравы нельзя исключить отрицательного влияния на здоровье и самочувствие людей и домашних животных.
Расчет продухов в фундаменте
С помощью данного строительного калькулятора вы быстро произведёте точные и безошибочные расчёты индивидуальных параметров продухов для любого фундамента. Формула, заложенная в основу калькулятора, позволяет выполнять мгновенные расчёты при разных условиях. Благодаря установленному раскрывающемуся списку минимальных требований, вычисления имеют упрощенную форму.
Итоговый отчёт калькулятора представляет собой полную информацию о параметрах продухов, включая габариты и геометрическую форму. Благодаря вариации форм вы легко подберёте нужный вид продухов именно для вашего здания.
Заполняйте графы, расположенные в левой части калькулятора дробными или целыми числами, в зависимости от ваших измерений. После внесения всех данных нажмите кнопку «Рассчитать» и калькулятор выдаст мгновенный и точный итог.
Расчет продухов в фундаменте онлайн калькулятор

С этой страницей просматривают:
Навигация по Постам
Расчет материалов и количества буронабивных свай для фундамента
Расчет количества винтовых свай для фундамента и дома
Расчет продухов в фундаменте
Продухи — это вентиляционные отверстия, которые устраиваются в надземной части фундамента с целью избежания таких неприятностей, как скопление газа радона, появление гнили и плесени на конструкциях.
Понятно, что продухи необходимы. Но, сколько их нужно сделать? На этот вопрос Вам может ответить СП 54.13330.2011 «Здания жилые многоквартирные», в котором есть пункт 9.1, гласящий, что суммарная площадь продухов должна быть не менее 1/400 площади пола техподполья или подвала. Также есть пособие к МГСН 2.02.-97 и пункт 3.1, в котором говорится, что данное соотношение должно быть не менее 1/100-1/150 в радиоопасных районах нашей страны.
Более подробно о требуемых размерах, геометрии, количестве и месте расположения продухов Вы можете узнать из специальной статьи. Ниже же Вам представлен калькулятор, с помощью которого Вы можете быстро рассчитать количество продухов и подобрать их размеры.

Источники: http://postroy-sam.com/produxi-v-fundamente.html, http://stroitelstvokostroma.ru/kalkulyatoryi/raschyot-produhov-v-fundamente-3/, http://svoydomtoday.ru/building-onlayn-calculators/253-raschet-produhov.html
1pofundamentu.ru
Как правильно рассчитать количество продухов в фундаменте или цоколе — СамСтрой
Продухи в техническом пространстве(подвале) под перекрытием первого этажа крайне необходимы для организации естественной вентиляции.
Устройство постоянной циркуляции воздуха в замкнутом пространстве техподполья гарантирует многолетнюю жизнеспособность конструкций сооружения (дома или бани). В отсутствии продухов на конструкциях(будь-то железобетонные плиты перекрытия и стены в кирпичном доме или деревянные балки и деревянное перекрытие в срубе) в холодную погоду будет постоянно образовываться конденсат. Скопление конденсата и постоянная влажность в замкнутом пространстве ведет к быстрому гниению,потере пригодности материалов и сокращению сроков службы конструкций здания.
Но мало сделать пару продухов,чтобы воздух начал «передвигаться»…Должно быть определенное количество продухов в определенных местах,чтобы организовать достаточную циркуляцию воздуха по всей площади техподполья и по всему ее объему,включая такие застойные места,как углы здания.
Расчет количества продухов
В строительных нормативах расчет количества продухов оговорен следующим образом:
- СНиП 2.08.01-89* «Жилые здания», пункт 1.47 : «В наружных стенах подвалов и технических подполий, не имеющих вытяжной вентиляции, следует предусмотреть продухи общей площадью не менее 1/400 площади пола технического подполья, подвала, равномерно расположенные по периметру наружных стен. Площадь одного продуха должна быть не менее 0,05 м2.»
- СНиП 31-01-2003 «Здания жилые многоквартирные» , пункт 9.10: «В наружных стенах подвалов, технических подполий и холодного чердака, не имеющих вытяжной вентиляции, следует предусматривать продухи общей площадью не менее 1/400 площади пола технического подполья или подвала, равномерно расположенные по периметру наружных стен. Площадь одного продуха должна быть не менее 0,05 м2».
И в том и другом документе-одинаковая формулировка и не очень понятная.Возникает много вопросов:
- сколько должно быть продухов?
- какой площадью сделать каждый продух?
- какую выбрать форму и размеры продухов?
- в каком месте и в каком порядке лучше всего их устраивать?
Начнем с того,что форма отверстий в фундаменте или в цоколе здания может быть любой: круглой,квадратной,прямоугольной. Например,при устройстве продухов в фундаменте удобнее замоноличивать отрезок трубы. В строительной терминологии они называются гильзами и используются для ввода(вывода) в здание трубопроводов водопровода,канализации и отопления.
В кирпичном цоколе удобнее делать отверстия в процессе кладки шириной кратной длине кирпича (250мм) и по высоте кратной высоте кирпича со швом (70мм).
В зависимости от размеров применяемого материала для устройства отверстия под продух рассчитываются их размеры и количество.
Пример 1 расчета количества продухов (когда сечение круглое)
Например,вы решили поставить в фундамент гильзы из труб диаметром 110мм (пластиковые). Площадь такого отверстия: 3,140,050,5=0,0095м2
Площадь вашего подвала размерами 6*6м=36м2. Следуя СНиП необходимая площадь продухов должна быть: 36м2/400 =0,09м2. Требуемое количество отверстий под продухи: 0,09м2/0,0095м2=9,47 шт
Количество продухов должно быть четным для того,чтобы располагать их напротив друг друга в противоположных стенах дома,поэтому нужно принять 10шт. Вроде,как многовато,да и строительные нормы рекомендуют делать отверстия минимальным размером 0,05м2,поэтому лучше сделать меньшее количество продухов с большим сечением.
Итак, при большем диаметре гильзы, будет меньшее количество продухов: для трубы Д160мм с площадью сечения 0,02м2,по расчету получается для 36м2 подвала- всего 4,5 шт. Принимаем 6шт(округляем в большую сторону) и, лучше всего,для устройства такого круглого продуха применить цокольный дефлектор Д160мм. Промышленность изготавливает цокольные дефлекторы разных диаметров: 125,160,200мм,для которых отверстие в фундаменте нужно делать на 10мм больше.
Пример 2 расчета количества продухов (когда сечение прямоугольное)
У вас кирпичный цоколь,в котором каменьщик должен не забыть выложить отверстия для продухов. Пусть подвал будет такой же площадью 36м2, а отверстия для продухов каменьщик решил сделать 250х140мм площадью 0,035м2.
Расчет точно такой же: 36м2/400=0,09м2-необходимая площадь всех продухов для вашего подвала. Тогда понадобится 0,09/0,035=2,57 шт. Принимаем 4шт.
Частенько можно увидеть на дачных домах в кирпичных цоколях по одному продуху,расположенному посередине длины каждой из четырех стен. А как же углы дома? Они,при таком расположении продухов, остаются «непродуваемыми» и, скорее всего,именно с углов,сруб потихоньку начнет подгнивать…Лучше всего,сделать по 2 продуха на две параллельные стены на расстоянии 0,8-1м от углов: воздух будет циркулировать не только в углах,но и в средней части.
Расположение продухов в фундаменте или цоколе
Рекомендации по расположению продухов в фундаментеРассмотрим вариант с круглыми продухами Д160мм в количестве 6шт.
Расположение продухов в фундаменте или цоколе,рассчитанным ранее количеством в 6 шт,выбирается так,чтобы организовать перемещение воздуха в замкнутом пространстве под воздействием притока извне… Поскольку перемещение потоков воздуха -вещь неоднозначная и зависит не только от температуры воздуха в подвале,но также еще от внешних факторов,таких, как температура воздуха снаружи и направление ветра в данный момент времени,которые являются величинами переменными,то нужно просто расположить отверстия равномерно:
от угла дома не более 1м,чтобы проветривались углы
- с одинаковым расстоянием друг от друга по длине стороны дома: сначала по углам,а уже остальные распределяются равномерно между крайними продухами
- на такой высоте,чтобы получился сквозняк.Например,если на одной стороне дома цоколь низкий,то на противоположной стороне нужно расположить отверстия так,чтобы они были по высоте соизмеримой с той,где низко(противоположной стеной). Если это невозможно выполнить из-за большой разницы в высоте стен цоколя,то лучше выше,чем ниже.То есть, теплый воздух всегда поднимается вверху и, в низком цоколе будет происходить забор воздуха извне,а в высоко располагаемые(по отношению к внутреннему пространству) отверстия теплый воздух будет выходить наружу
- не желательно располагать продухи на уровне земли (отмостки),так как летом в них может попадать вода,а зимой,вообще,будут закрыты снегом.
В данном варианте,который здесь рассматривается, дом размерами 6х6м,то есть с одинаковыми длинами стен,поэтому по 2 отверстия располагаем в 0,8-1 м от углов на двух параллельных стенах,а оставшиеся 2 отверстия в середине двух других стен.
Большее количество отверстий лучше располагать на тех стенах,которые наиболее доступны для ветра,потому что ветер-это бесплатный помощник для естественной вентиляции, аналог вентиляционному насосу в системе принудительной вентиляции. Например,если на участке преобладает западный ветер,то лучше выбрать две стены: западную и восточную. Но опять же нужно учитывать различные препятствия:
- близко ли глухой забор.Тесное пространство между забором и стеной дома не способствует хорошему проникновению воздуха,особенно,если отверстия расположены низко от земли
- примыкание к дому гаража(общая стена с домом), вообще, делает эту сторону для устройства продухов нерентабельным и, чтобы вся стена подполья по этой стороне продувалась нужно расположить по паре отверстий(с расстоянием 1м) ближе к углам гаража на стенах,смежных к стене с гаражом…Иначе,здесь будет застойный «мешок» длиною во всю стену…
- если гараж не примыкает,но расположен близко и параллельно одной из стен дома,то тоже нужно учитывать преобладающее направление ветра на участке
- если есть внутренняя стена,разделяющая подвал на две половинки,то или делайте расчет для каждого помещения отдельно или сделайте столько же отверстий во внутренней стене,сколько находится в стенах, параллельных ей.
Если сомневаетесь (насчет направления ветра и препятствий для него),то сделайте одинаковое количество по всем четырем сторонам: по 2 продуха на расстоянии 0,8-1м от углов, с общим количеством 8 шт, вместо шести. Больше всегда лучше,чем меньше.
Количество продухов должно быть достаточным(равным расчету) или больше,чем достаточным для того,чтобы в подполье всегда поступал свежий воздух и внутри не происходило застаивание спертого и влажного воздуха:
- в подполье,где открытый грунт, постоянно происходит влажное испарение из самого грунта. В летний период процесс испарения незначительный,поскольку снаружи плюсовая температура,и все же,если нет продухов,то степень влажности значительная. В зимний период при постоянном отоплении дома,в холодном подполье влажность грунта повышенная(под отапливаемым зданием грунт не промерзает,остается «живым» всю зиму) …
- если загородный дом посещается периодически,то при его разовом протапливании в зимний период, все конструкции начинают интенсивно отдавать влагу,в том числе в подвальном пространстве(промерзшие стены,балки,грунт). Воздух в подвале быстро становится влажным. А при соприкосновении с холодными поверхностями влажный воздух дает конденсат…Чтобы избавиться от конденсата и прогреть весь объем не только дома,но и техподполья, необходимо топить печь в доме или бане два-три дня,что не делается,поскольку обычный приезд на дачу-это выходные.
- в подвале,где пол забетонирован и, где организовано хранение овощей,тем более необходимо сделать расчет количества продухов для летнего проветривания, поскольку зимой,скорее всего продухи будут закрываться,чтобы овощи не заморозить. Поэтому, нужно вывести дополнительную вентиляцию под потолком такого подвала в верхние помещения и далее в вентканалы здания,поскольку все овощи «дышат»,отдают тепло,которое скапливается в верхней части помещения…
В любых случаях,в том числе,вышеописанных, для нормальной эксплуатации строительных конструкций,находящихся ниже отметки пола 1 этажа,необходима вентиляция,организованная в подполье с помощью расчетного количества продухов и их правильного расположения.
samstroy.com
Количество продухов-расчет | Строительство бани

Количество продухов рассчитывается от общей площади подвала и сечения одного продуха
Продухи в техническом пространстве(подвале) под перекрытием первого этажа крайне необходимы для организации естественной вентиляции.
Устройство постоянной циркуляции воздуха в замкнутом пространстве техподполья гарантирует многолетнюю жизнеспособность конструкций сооружения (дома или бани). В отсутствии продухов на конструкциях(будь-то железобетонные плиты перекрытия и стены в кирпичном доме или деревянные балки и деревянное перекрытие в срубе) в холодную погоду будет постоянно образовываться конденсат. Скопление конденсата и постоянная влажность в замкнутом пространстве ведет к быстрому гниению,потере пригодности материалов и сокращению сроков службы конструкций здания.
Но мало сделать пару продухов,чтобы воздух начал «передвигаться»…Должно быть определенное количество продухов в определенных местах,чтобы организовать достаточную циркуляцию воздуха по всей площади техподполья и по всему ее объему,включая такие застойные места,как углы здания.
Расчет количества продухов
В строительных нормативах Госстроя России расчет количества продухов оговорен следующим образом:
- СНиП 2.08.01-89* «Жилые здания», пункт 1.47 : «В наружных стенах подвалов и технических подполий, не имеющих вытяжной вентиляции, следует предусмотреть продухи общей площадью не менее 1/400 площади пола технического подполья, подвала, равномерно расположенные по периметру наружных стен. Площадь одного продуха должна быть не менее 0,05 м2.»
-
СНиП 31-01-2003 «Здания жилые многоквартирные» , пункт 9.10: «В наружных стенах подвалов, технических подполий и холодного чердака, не имеющих вытяжной вентиляции, следует предусматривать продухи общей площадью не менее 1/400 площади пола технического подполья или подвала, равномерно расположенные по периметру наружных стен. Площадь одного продуха должна быть не менее 0,05 м2».
И в том и другом документе-одинаковая формулировка и не очень понятная.Возникает много вопросов:
- сколько должно быть продухов?
- какой площадью сделать каждый продух?
- какую выбрать форму и размеры продухов?
- в каком месте и в каком порядке лучше всего их устраивать?
Начнем с того,что форма отверстий в фундаменте или в цоколе здания может быть любой: круглой,квадратной,прямоугольной. Например,при устройстве продухов в фундаменте удобнее замоноличивать отрезок трубы. В строительной терминологии они называются гильзами и используются для ввода(вывода) в здание трубопроводов водопровода,канализации и отопления.
В кирпичном цоколе удобнее делать отверстия в процессе кладки шириной кратной длине кирпича (250мм) и по высоте кратной высоте кирпича со швом (70мм).
В зависимости от размеров применяемого материала для устройства отверстия под продух рассчитываются их размеры и количество.
Пример 1 расчета количества продухов (когда сечение круглое)
Например,вы решили поставить в фундамент гильзы из труб диаметром 110мм (пластиковые). Площадь такого отверстия: 3,14*0,05*0,5=0,0095м2
Площадь вашего подвала размерами 6*6м=36м2. Следуя СНиП необходимая площадь продухов должна быть: 36м2/400 =0,09м2. Требуемое количество отверстий под продухи: 0,09м2/0,0095м2=9,47 шт
Количество продухов должно быть четным для того,чтобы располагать их напротив друг друга в противоположных стенах дома,поэтому нужно принять 10шт. Вроде,как многовато,да и строительные нормы рекомендуют делать отверстия минимальным размером 0,05м2,поэтому лучше сделать меньшее количество продухов с большим сечением.
Итак, при большем диаметре гильзы, будет меньшее количество продухов: для трубы Д160мм с площадью сечения 0,02м2,по расчету получается для 36м2 подвала- всего 4,5 шт. Принимаем 6шт(округляем в большую сторону) и, лучше всего,для устройства такого круглого продуха применить цокольный дефлектор Д160мм. Промышленность изготавливает цокольные дефлекторы разных диаметров: 125,160,200мм,для которых отверстие в фундаменте нужно делать на 10мм больше.
Пример 2 расчета количества продухов (когда сечение прямоугольное)
У вас кирпичный цоколь,в котором каменьщик должен не забыть выложить отверстия для продухов. Пусть подвал будет такой же площадью 36м2, а отверстия для продухов каменьщик решил сделать 250х140мм площадью 0,035м2.
Расчет точно такой же: 36м2/400=0,09м2-необходимая площадь всех продухов для вашего подвала. Тогда понадобится 0,09/0,035=2,57 шт. Принимаем 4шт.
Частенько можно увидеть на дачных домах в кирпичных цоколях по одному продуху,расположенному посередине длины каждой из четырех стен. А как же углы дома? Они,при таком расположении продухов, остаются «непродуваемыми» и, скорее всего,именно с углов,сруб потихоньку начнет подгнивать…Лучше всего,сделать по 2 продуха на две параллельные стены на расстоянии 0,8-1м от углов: воздух будет циркулировать не только в углах,но и в средней части.
Расположение продухов в фундаменте или цоколе

Рекомендации по расположению продухов в фундаменте
Рассмотрим вариант с круглыми продухами Д160мм в количестве 6шт.
Расположение продухов в фундаменте или цоколе,рассчитанным ранее количеством в 6 шт,выбирается так,чтобы организовать перемещение воздуха в замкнутом пространстве под воздействием притока извне… Поскольку перемещение потоков воздуха -вещь неоднозначная и зависит не только от температуры воздуха в подвале,но также еще от внешних факторов,таких, как температура воздуха снаружи и направление ветра в данный момент времени,которые являются величинами переменными,то нужно просто расположить отверстия равномерно:
-
- от угла дома не более 1м,чтобы проветривались углы
- с одинаковым расстоянием друг от друга по длине стороны дома: сначала по углам,а уже остальные распределяются равномерно между крайними продухами
- на такой высоте,чтобы получился сквозняк.Например,если на одной стороне дома цоколь низкий,то на противоположной стороне нужно расположить отверстия так,чтобы они были по высоте соизмеримой с той,где низко(противоположной стеной). Если это невозможно выполнить из-за большой разницы в высоте стен цоколя,то лучше выше,чем ниже.То есть, теплый воздух всегда поднимается вверху и, в низком цоколе будет происходить забор воздуха извне,а в высоко располагаемые(по отношению к внутреннему пространству) отверстия теплый воздух будет выходить наружу
- не желательно располагать продухи на уровне земли (отмостки),так как летом в них может попадать вода,а зимой,вообще,будут закрыты снегом.
В данном варианте,который здесь рассматривается, дом размерами 6х6м,то есть с одинаковыми длинами стен,поэтому по 2 отверстия располагаем в 0,8-1 м от углов на двух параллельных стенах,а оставшиеся 2 отверстия в середине двух других стен.
Большее количество отверстий лучше располагать на тех стенах,которые наиболее доступны для ветра,потому что ветер-это бесплатный помощник для естественной вентиляции, аналог вентиляционному насосу в системе принудительной вентиляции. Например,если на участке преобладает западный ветер,то лучше выбрать две стены: западную и восточную. Но опять же нужно учитывать различные препятствия:
- близко ли глухой забор.Тесное пространство между забором и стеной дома не способствует хорошему проникновению воздуха,особенно,если отверстия расположены низко от земли
- примыкание к дому гаража(общая стена с домом), вообще, делает эту сторону для устройства продухов нерентабельным и, чтобы вся стена подполья по этой стороне продувалась нужно расположить по паре отверстий(с расстоянием 1м) ближе к углам гаража на стенах,смежных к стене с гаражом…Иначе,здесь будет застойный «мешок» длиною во всю стену…
- если гараж не примыкает,но расположен близко и параллельно одной из стен дома,то тоже нужно учитывать преобладающее направление ветра на участке
- если есть внутренняя стена,разделяющая подвал на две половинки,то или делайте расчет для каждого помещения отдельно или сделайте столько же отверстий во внутренней стене,сколько находится в стенах, параллельных ей.
Если сомневаетесь (насчет направления ветра и препятствий для него),то сделайте одинаковое количество по всем четырем сторонам: по 2 продуха на расстоянии 0,8-1м от углов, с общим количеством 8 шт, вместо шести. Больше всегда лучше,чем меньше.
Количество продухов должно быть достаточным(равным расчету) или больше,чем достаточным для того,чтобы в подполье всегда поступал свежий воздух и внутри не происходило застаивание спертого и влажного воздуха:
- в подполье,где открытый грунт, постоянно происходит влажное испарение из самого грунта. В летний период процесс испарения незначительный,поскольку снаружи плюсовая температура,и все же,если нет продухов,то степень влажности значительная. В зимний период при постоянном отоплении дома,в холодном подполье влажность грунта повышенная(под отапливаемым зданием грунт не промерзает,остается «живым» всю зиму) …
- если загородный дом посещается периодически,то при его разовом протапливании в зимний период, все конструкции начинают интенсивно отдавать влагу,в том числе в подвальном пространстве(промерзшие стены,балки,грунт). Воздух в подвале быстро становится влажным. А при соприкосновении с холодными поверхностями влажный воздух дает конденсат…Чтобы избавиться от конденсата и прогреть весь объем не только дома,но и техподполья, необходимо топить печь в доме или бане два-три дня,что не делается,поскольку обычный приезд на дачу-это выходные.
- в подвале,где пол забетонирован и, где организовано хранение овощей,тем более необходимо сделать расчет количества продухов для летнего проветривания, поскольку зимой,скорее всего продухи будут закрываться,чтобы овощи не заморозить. Поэтому, нужно вывести дополнительную вентиляцию под потолком такого подвала в верхние помещения и далее в вентканалы здания,поскольку все овощи «дышат»,отдают тепло,которое скапливается в верхней части помещения…
В любых случаях,в том числе,вышеописанных, для нормальной эксплуатации строительных конструкций,находящихся ниже отметки пола 1 этажа,необходима вентиляция,организованная в подполье с помощью расчетного количества продухов и их правильного расположения.
banjstroi.ru
расчет, строительство, эксплуатация — Дом и Сад
Качественную вентиляцию цокольного этажа или подвала невозможно наладить, если не сделать правильные продухи в фундаменте. При надлежащем расчете, строительстве и эксплуатации в помещении не будет скапливаться лишняя влага, а строительные конструкции прослужат долго.
Для чего еще необходимы цокольные продухи?
Продухи- старинное русское название вентиляционных проемов, проделанных в стенах цокольного этажа здания. Система таких отверстий обеспечивает обмен воздушными массами между подполом и улицей. Благодаря такому воздухообмену в подполе не скапливается излишняя влага, приводящая к отсыреванию конструкций, их гниению и разрушению.
Такие отверстия обязательно нужно устраивать в стенах цоколя, если он не оборудован отдельной системой приточно- вытяжной вентиляции.
Продухи выполняют следующие функции:
- Вывод из подполья скапливающихся в нем газов. Газы могут просачиваться через грунт и накапливаться в закрытых пространствах. Особенный вред может причинить скопление радона. Кроме просачивания через не плотности грунта, это вредный для здоровья газ может также выделяться и рядом строительных материалов, таких, как красный кирпич или керамогранит Радон радиоактивен, и в больших концентрациях служит канцерогеном, а также может привести к возникновению лучевой болезни. Правильно организованная циркуляция воздуха позволяет очистить подпол от вредных испарений.
- Снижение относительной влажности воздуха. При наступлении холодного периода относительная влажность воздуха растет. Когда она достигает 100%, часть водяных паров осаждается на строительных конструкциях в виде капелек конденсата. На увлажненных поверхностях быстро возникает плесень, грибок, деревянные детали начинают гнить и разрушаться, у железобетонных и каменных снижается прочность.
- Контролируемый воздушный поток позволяет поддерживать теплоизоляцию дома в целом на должном уровне.
Специалисты рекомендуют поддерживать минимальную разницу температур между неотапливаемыми подвалами и улицей.
Параметры и место для размещения
Исходя из особенностей применяемых материалов и конструкции дома, вентиляционные отверстия в стенках цокольного этажа делают разного сечения:
- круг;
- квадрат;
- прямоугольник;
- множественные прямоугольники.
Продухи в фундаменте в виде кругаПо длине отверстие продуха делают равным толщине стенки, т.е. сквозным. Продухи необходимо размещать на противоположных стенах здания, чтобы обеспечить хороший ток воздуха между ними и избежать появления в подполе непроветриваемых мертвых зон, в которых будет скапливаться влажный застойный воздух и выпадать конденсат.
Если внутренние перегородки доходят до фундамента, в них также проделывают отверстия.
Располагают продухи как можно выше. Это позволяет:
- наилучшим образом наладить циркуляцию воздуха внутри подвала;
- избежать попадания осадков и талой воды в цокольное помещение.
Чтобы правильно рассчитать количество продухов в фундаменте, многие строительные сайты предлагают онлайн-калькуляторы. На практике также применяют приблизительные формулы и методики расчета:
- Самый простой оценочный способ- одно отверстие сечением 150см2 полагается на каждые два погонных метра стены цоколя. Такой метод расчета подходит для сравнительно небольших помещений прямоугольной формы, без внутренних перегородок.
- Более точный метод расчета чаще используется для цокольных помещений любой формы, в том числе и с внутренними переборками. Суммарная площадь всех отверстий принимается равной площади пола цоколя, деленной на 400. Далее берут площадь одного отверстия исходя из доступных для его образования материалов и инструментов. Делением суммарной площади на площадь сечения каждого получают общее число продухов, которые предстоит установить.
Минимальное рекомендованное сечение – 5 см. На практике чаще всего используют трубы диаметром 100-150 мм или прямоугольные проемы 100*150мм, оставляемые в кирпичной кладке.
Если продухи проделываются в готовой стене цокольного этажа, то из х диаметр определяется размерами доступной алмазной коронки или бура.
В районах, признанных санэпидстанцией радоноопасными, расчет продухов в фундаменте ведется по увеличенным нормам. Здесь суммарная площадь проемов должна составлять не менее 1/100 части от площади пола.
После того, как площадь и количество отверстий определена, осталось правильно спланировать их расположение. Оно зависит от типа фундамента и стенок цоколя и стадии строительства, на которой было принято решение об устройстве продухов. Из общих рекомендаций можно отметить следующие:
- если подпол разбит на отдельные помещения, то в каждом должно быть не меньше двух продухов, помещенных друг напротив друга;
- если на отрезок стены приходится один продух, его следует поместить в середине;
- если два и больше, их нужно равномерно распределить по длине стены.
Продухи в ленточном фундаменте из бетонных блоков обычно привязываются по месту к стыкам блоков в верхнем ряду.
Как сделать правильно?
Чем раньше вы приняли решение об устройстве продухов, тем проще это будет сделать и тем меньше времени и средств будет затрачено. На стадии проектирования продухи не увеличат ни стоимость, ни продолжительность строительства. Если же фундамент и цокольные стены уже возведены – предстоят дополнительные затраты.
На этапе строительства
В зависимости от материала и технологии возведения фундамента используют разные способы устройства вентиляционных отдушин:
- Лента из бетонных блоков в перевязку. Для устройства продухов в ленточном фундаменте в верхнем ряду между блоками предусматривают зазоры, равны по ширине расчетной ширине продуха. После укладки блоков зазоры закладывают кирпичом на растворе, пока не будет достигнута нужная высота продуха. Если зазор получается более 150 мм, сверху необходимо уложить стальной уголок для обеспечения опоры стены.
- Кирпичная кладка. В этом случае проем отдушины выкладывают из кирпича. Часто используют красный облегченный перфорированный кирпич, положенный на бок так, чтобы отверстия в нем были направлены с улицы внутрь помещения.
- Монолитный бетон. В этом случае придется уставать опалубку. Можно сколотить прямоугольный короб, после заливки дощечки придется выбивать. Наиболее популярный сегодня способ- круглая опалубка из обрезков пластмассовых канализационных или вентиляционных труб, уложенная поперек стены и упирающаяся в основную опалубку. Ее не требуется извлекать из стены после застывания бетона. Для того, чтобы тонкостенную трубу не сплющило залитым раствором, ее плотно забивают влажным песком. После снятия основной опалубки песок из продуха извлекают.
Как выглядят продухи в фундаментеПри заливке монолитного фундамента крайне не рекомендуется использовать в качестве опалубки обрезки бруса или подтоварного леса. Такие чурки после застывания бетона придется выбивать, при этом легко повредить стенки фундамента. На высверливание чурки и выборку ее стамесками или плотницкими долотами будет потрачено много времени.
В готовом фундаменте
Если же время на этапе проектирования и строительства было упущено и стенки цоколя уже возведены или даже перекрыты, устройство продухов в фундаменте затрудняется.
Проделать сквозное отверстие в монолитном бетоне или в кладке из бетонных блоков- достаточно сложная инженерная задача. Если у вас нет соответствующего опыта и специализированного инструмента – приглашение бригады профессионалов сэкономит вам время, нервы и деньги.
Самостоятельно эта операция выполняется в следующей последовательности работ:
- подготовить бур с алмазным наконечником или алмазную коронку;
- рассчитать места расположения арматурной сетки и постараться не попасть в нее;
- в просверленное отверстие, нужно вставить усиливающий каркас, например, стальную трубу подходящего диаметра;
Во время сверления следует постоянно следить за температурой бура или коронки и своевременно смачивать их водой или специальной охлаждающей жидкостью. Перегрев может привести к поломке дорогостоящего инструмента.
До начала работ имеет смысл провести расчет их стоимости с учетом инструмента- возможно, устройство приточно- вытяжной вентиляции обойдется дешевле.
В деревянном цоколе
Продухи в фундаменте деревянного дома особенно важны- если бетон или кирпич в условиях повышенной влажности разрушается десятилетиями, то деревянные строительные конструкции сгниют за несколько лет.
Зато и сделать их намного проще, чем в каменном подклете. Отверстие просто выпиливают бензопилой (или дисковой большого диаметра в очередном венце, после чего сверху кладут следующий. Если венец поверх бетонного фундамент всего один, то отверстие выпиливают в первом брусе или бревне снизу.
Последовательность действий следующая:
- разметить места проемов;
- выпилить бензопилой сквозные проемы;
- вырубить и подтесать горизонтальную поверхность;
- встроить в проемы короба из досок;
- защитить входные отверстия цоколя решетками на продухи.
Если приходится проделывать отверстия в готовом срубе, в венце сверлят несколько сквозных отверстий и соединяют их бензиновой или сабельной пилой.
Чем защитить продухи от грызунов
Чтобы предотвратить проникновение в подпол грызунов и птиц, каждое входное отверстие должно быть надежно защищено. На них ставят защитные решетки из перфорированного металлического листа или мелкой стальной сетки.
Деревянные решетки не смогут задержать нежелательных гостей. Они либо проникнут между редких прутьев, либо попросту перегрызут их.
Защитные сетки крайне не рекомендуется заливать в бетон или заталкивать внутрь деревянного короба. Они обязательно должны быть съемными. Это позволит периодически очищать решетки от пыли, паутины и других загрязнений, снижающих пропускную способность.
За решетками рекомендуется ставить ловушки для грызуновКроме того, за съемными решетками удобно размещать ловушки для грызунов и периодически проверять и очищать их.
Закрытие на зимний период
Каждого домовладельца волнует вопрос: закрывать ли продухи на зиму?
Многие рачительные хозяева в холодный период закрывают вентиляционные проемы, пытаясь сэкономить на отоплении. Однако наибольшая нужда в вентиляции пространства подпола возникает именно в зимний период, когда при снижении температуры относительная влажность воздуха возрастает до 100 % и в зарытом помещении неминуемо будет выпадать роса.
Если необходимо сберечь тепло, то лучше уделить внимание теплоизоляции чернового пола снизу- это даст больший эффект и позволит защитить строительные конструкции о появления плесени, грибка и гниения. Кроме угрозы конструкциям дома, плесень и грибок несут серьезную угрозу здоровью людей. Проникая в жилые помещения, они могут вызвать заболевания дыхательной системы вплоть до развития астмы. Про вред от радона уже упоминалось выше.
Поэтому современные инженеры и санитарные врачи считают, что нет разумных оснований закрывать продухи в фундаменте на зиму. Вентиляция пространства в цоколе важнее некоторого увеличения расхода топлива. Этот дополнительный расход заставит задуматься о лучшем утеплении подвального перекрытия со стороны подпола.
Запись Продухи в фундаменте: расчет, строительство, эксплуатация впервые появилась СтройПомощник.
©
Чтобы не пропустить новые статьи, подпишитесь на сайт:
Похожие статьи:
dom-and-sad.ru
Продухи в фундаменте: расчет, строительство, эксплуатация
Качественную вентиляцию цокольного этажа или подвала невозможно наладить, если не сделать правильные продухи в фундаменте. При надлежащем расчете, строительстве и эксплуатации в помещении не будет скапливаться лишняя влага, а строительные конструкции прослужат долго.
Для чего еще необходимы цокольные продухи?
Продухи- старинное русское название вентиляционных проемов, проделанных в стенах цокольного этажа здания. Система таких отверстий обеспечивает обмен воздушными массами между подполом и улицей. Благодаря такому воздухообмену в подполе не скапливается излишняя влага, приводящая к отсыреванию конструкций, их гниению и разрушению.
Такие отверстия обязательно нужно устраивать в стенах цоколя, если он не оборудован отдельной системой приточно- вытяжной вентиляции.
Продухи выполняют следующие функции:
- Вывод из подполья скапливающихся в нем газов. Газы могут просачиваться через грунт и накапливаться в закрытых пространствах. Особенный вред может причинить скопление радона. Кроме просачивания через не плотности грунта, это вредный для здоровья газ может также выделяться и рядом строительных материалов, таких, как красный кирпич или керамогранит Радон радиоактивен, и в больших концентрациях служит канцерогеном, а также может привести к возникновению лучевой болезни. Правильно организованная циркуляция воздуха позволяет очистить подпол от вредных испарений.
- Снижение относительной влажности воздуха. При наступлении холодного периода относительная влажность воздуха растет. Когда она достигает 100%, часть водяных паров осаждается на строительных конструкциях в виде капелек конденсата. На увлажненных поверхностях быстро возникает плесень, грибок, деревянные детали начинают гнить и разрушаться, у железобетонных и каменных снижается прочность.
- Контролируемый воздушный поток позволяет поддерживать теплоизоляцию дома в целом на должном уровне.
Специалисты рекомендуют поддерживать минимальную разницу температур между неотапливаемыми подвалами и улицей.
Параметры и место для размещения
Исходя из особенностей применяемых материалов и конструкции дома, вентиляционные отверстия в стенках цокольного этажа делают разного сечения:
- круг;
- квадрат;
- прямоугольник;
- множественные прямоугольники.

Продухи в фундаменте в виде круга
По длине отверстие продуха делают равным толщине стенки, т.е. сквозным. Продухи необходимо размещать на противоположных стенах здания, чтобы обеспечить хороший ток воздуха между ними и избежать появления в подполе непроветриваемых мертвых зон, в которых будет скапливаться влажный застойный воздух и выпадать конденсат.
Если внутренние перегородки доходят до фундамента, в них также проделывают отверстия.
Располагают продухи как можно выше. Это позволяет:
- наилучшим образом наладить циркуляцию воздуха внутри подвала;
- избежать попадания осадков и талой воды в цокольное помещение.
Чтобы правильно рассчитать количество продухов в фундаменте, многие строительные сайты предлагают онлайн-калькуляторы. На практике также применяют приблизительные формулы и методики расчета:
- Самый простой оценочный способ- одно отверстие сечением 150см2 полагается на каждые два погонных метра стены цоколя. Такой метод расчета подходит для сравнительно небольших помещений прямоугольной формы, без внутренних перегородок.
- Более точный метод расчета чаще используется для цокольных помещений любой формы, в том числе и с внутренними переборками. Суммарная площадь всех отверстий принимается равной площади пола цоколя, деленной на 400. Далее берут площадь одного отверстия исходя из доступных для его образования материалов и инструментов. Делением суммарной площади на площадь сечения каждого получают общее число продухов, которые предстоит установить.
Минимальное рекомендованное сечение – 5 см. На практике чаще всего используют трубы диаметром 100-150 мм или прямоугольные проемы 100*150мм, оставляемые в кирпичной кладке.
Если продухи проделываются в готовой стене цокольного этажа, то из х диаметр определяется размерами доступной алмазной коронки или бура.
В районах, признанных санэпидстанцией радоноопасными, расчет продухов в фундаменте ведется по увеличенным нормам. Здесь суммарная площадь проемов должна составлять не менее 1/100 части от площади пола.
После того, как площадь и количество отверстий определена, осталось правильно спланировать их расположение. Оно зависит от типа фундамента и стенок цоколя и стадии строительства, на которой было принято решение об устройстве продухов. Из общих рекомендаций можно отметить следующие:
- если подпол разбит на отдельные помещения, то в каждом должно быть не меньше двух продухов, помещенных друг напротив друга;
- если на отрезок стены приходится один продух, его следует поместить в середине;
- если два и больше, их нужно равномерно распределить по длине стены.
Продухи в ленточном фундаменте из бетонных блоков обычно привязываются по месту к стыкам блоков в верхнем ряду.
Как сделать правильно?
Чем раньше вы приняли решение об устройстве продухов, тем проще это будет сделать и тем меньше времени и средств будет затрачено. На стадии проектирования продухи не увеличат ни стоимость, ни продолжительность строительства. Если же фундамент и цокольные стены уже возведены – предстоят дополнительные затраты.
На этапе строительства
В зависимости от материала и технологии возведения фундамента используют разные способы устройства вентиляционных отдушин:
- Лента из бетонных блоков в перевязку. Для устройства продухов в ленточном фундаменте в верхнем ряду между блоками предусматривают зазоры, равны по ширине расчетной ширине продуха. После укладки блоков зазоры закладывают кирпичом на растворе, пока не будет достигнута нужная высота продуха. Если зазор получается более 150 мм, сверху необходимо уложить стальной уголок для обеспечения опоры стены.
- Кирпичная кладка. В этом случае проем отдушины выкладывают из кирпича. Часто используют красный облегченный перфорированный кирпич, положенный на бок так, чтобы отверстия в нем были направлены с улицы внутрь помещения.
- Монолитный бетон. В этом случае придется уставать опалубку. Можно сколотить прямоугольный короб, после заливки дощечки придется выбивать. Наиболее популярный сегодня способ- круглая опалубка из обрезков пластмассовых канализационных или вентиляционных труб, уложенная поперек стены и упирающаяся в основную опалубку. Ее не требуется извлекать из стены после застывания бетона. Для того, чтобы тонкостенную трубу не сплющило залитым раствором, ее плотно забивают влажным песком. После снятия основной опалубки песок из продуха извлекают.

Как выглядят продухи в фундаменте
При заливке монолитного фундамента крайне не рекомендуется использовать в качестве опалубки обрезки бруса или подтоварного леса. Такие чурки после застывания бетона придется выбивать, при этом легко повредить стенки фундамента. На высверливание чурки и выборку ее стамесками или плотницкими долотами будет потрачено много времени.
В готовом фундаменте
Если же время на этапе проектирования и строительства было упущено и стенки цоколя уже возведены или даже перекрыты, устройство продухов в фундаменте затрудняется.
Проделать сквозное отверстие в монолитном бетоне или в кладке из бетонных блоков- достаточно сложная инженерная задача. Если у вас нет соответствующего опыта и специализированного инструмента – приглашение бригады профессионалов сэкономит вам время, нервы и деньги.
Самостоятельно эта операция выполняется в следующей последовательности работ:
- подготовить бур с алмазным наконечником или алмазную коронку;
- рассчитать места расположения арматурной сетки и постараться не попасть в нее;
- в просверленное отверстие, нужно вставить усиливающий каркас, например, стальную трубу подходящего диаметра;
Во время сверления следует постоянно следить за температурой бура или коронки и своевременно смачивать их водой или специальной охлаждающей жидкостью. Перегрев может привести к поломке дорогостоящего инструмента.
До начала работ имеет смысл провести расчет их стоимости с учетом инструмента- возможно, устройство приточно- вытяжной вентиляции обойдется дешевле.
В деревянном цоколе
Продухи в фундаменте деревянного дома особенно важны- если бетон или кирпич в условиях повышенной влажности разрушается десятилетиями, то деревянные строительные конструкции сгниют за несколько лет.
Зато и сделать их намного проще, чем в каменном подклете. Отверстие просто выпиливают бензопилой (или дисковой большого диаметра в очередном венце, после чего сверху кладут следующий. Если венец поверх бетонного фундамент всего один, то отверстие выпиливают в первом брусе или бревне снизу.
Последовательность действий следующая:
- разметить места проемов;
- выпилить бензопилой сквозные проемы;
- вырубить и подтесать горизонтальную поверхность;
- встроить в проемы короба из досок;
- защитить входные отверстия цоколя решетками на продухи.
Если приходится проделывать отверстия в готовом срубе, в венце сверлят несколько сквозных отверстий и соединяют их бензиновой или сабельной пилой.
Чем защитить продухи от грызунов
Чтобы предотвратить проникновение в подпол грызунов и птиц, каждое входное отверстие должно быть надежно защищено. На них ставят защитные решетки из перфорированного металлического листа или мелкой стальной сетки.
Деревянные решетки не смогут задержать нежелательных гостей. Они либо проникнут между редких прутьев, либо попросту перегрызут их.
Защитные сетки крайне не рекомендуется заливать в бетон или заталкивать внутрь деревянного короба. Они обязательно должны быть съемными. Это позволит периодически очищать решетки от пыли, паутины и других загрязнений, снижающих пропускную способность.

За решетками рекомендуется ставить ловушки для грызунов
Кроме того, за съемными решетками удобно размещать ловушки для грызунов и периодически проверять и очищать их.
Закрытие на зимний период
Каждого домовладельца волнует вопрос: закрывать ли продухи на зиму?
Многие рачительные хозяева в холодный период закрывают вентиляционные проемы, пытаясь сэкономить на отоплении. Однако наибольшая нужда в вентиляции пространства подпола возникает именно в зимний период, когда при снижении температуры относительная влажность воздуха возрастает до 100 % и в зарытом помещении неминуемо будет выпадать роса.
Если необходимо сберечь тепло, то лучше уделить внимание теплоизоляции чернового пола снизу- это даст больший эффект и позволит защитить строительные конструкции о появления плесени, грибка и гниения. Кроме угрозы конструкциям дома, плесень и грибок несут серьезную угрозу здоровью людей. Проникая в жилые помещения, они могут вызвать заболевания дыхательной системы вплоть до развития астмы. Про вред от радона уже упоминалось выше.
Поэтому современные инженеры и санитарные врачи считают, что нет разумных оснований закрывать продухи в фундаменте на зиму. Вентиляция пространства в цоколе важнее некоторого увеличения расхода топлива. Этот дополнительный расход заставит задуматься о лучшем утеплении подвального перекрытия со стороны подпола.
stroylegko.com
Продухи в ленточном фундаменте: пошаговая инструкция по созданию
Деревянные конструкции вашего дома прослужат гораздо дольше, если они не будут все время находиться во влажной среде. А именно такие неблагоприятные условия могут образоваться в замкнутом пространстве подполья здания, если не будут созданы продухи в ленточном фундаменте, т.е. специальные проемы для проветривания. Конечно, в простом дачном строительстве редко кто решает заниматься основательным расчетом их оптимального расположения и сечения, а большинство основывается на принципе «чем больше продухов, тем лучше», главное, чтобы не в ущерб фундаменту. Понятно и то, что два больших люка на противоположных стенках бетонного основания гораздо эффективнее многочисленных небольших отверстий такого же общего сечения. Устройство продухов в бетонном фундаменте требует соблюдения множества условий, о которых будет рассказано далее.

Расположение продухов для подпола, который разделен на две части ленточным фундаментом.
Отдушины в ленточном фундаменте: а нужны ли они?
Продухи нужно делать в таких ленточных фундаментах, которые имеют пустое закрытое пространство между землей и лагами пола.
Кроме ленточных, в данную категорию попадают столбчатые основания с железобетонным ростверком, заглубленным в грунт. В таких ситуациях продухи нужно делать обязательно.
Существует несколько условий, при которых устройство продухов не является обязательным, если:
- в полу дома имеются открытые вентиляционные отверстия, т.е. если проветривание подполья осуществляется через жилое помещение;
- пространство между столбиками основания закрыто материалом с хорошей паропроницаемостью;
- в подполье установлена достаточно мощная и постоянно работающая вентиляционная система;
- подполье заполнено утрамбованным песком или грунтом и укрыто паронепроницаемым материалом.
Вернуться к оглавлению
Как рассчитать необходимое количество и размер продухов для фундамента?
Примерная схема расположения продухов в фундаменте.
В случае если в создании продухов есть прямая необходимость, то возникает вполне понятный вопрос: какое количество отдушин необходимо, и какого диаметра они должны быть? Представители строительных организаций не всегда могут правильно ответить на эти вопросы, т.к. не ознакомлены с соответствующими нормами. Поэтому чаще всего вы будете слышать общую фразу: как минимум по 1 отверстию с каждой стороны здания. Однако правильная и качественная вентиляция несколько сложнее данной фразы, хотя также достаточно проста.
В правилах четко сказано, что суммарный размер всех вентиляционных продухов должен составлять не менее 1/400 части от площади пола дома, т.е. на каждые 100 м² пола должно приходиться не менее 0,25 м² отдушин.
Нормативными документами установлен и минимальный размер 1 отверстия, который составляет 0,05 м². Данной площади соответствует отверстие прямоугольной формы со сторонами 20 и 22 см или же круглое отверстие диаметром 25 см. Для того чтобы не делать одну большую отдушину, можно сделать несколько маленьких, диаметром не менее 11 см, иначе требуемого эффекта достичь не удастся.
Благоприятное расположение продухов от фундамента.
Расстояние между продухами должно быть пропорциональным. Вместе с этим первое от угла отверстие должно быть не дальше 100 см (в европейских стандартах — 90 см). Это необходимо для того, чтобы в подполье со временем не образовывались воздушные мешки, которые не проветриваются. Отдушины необходимо делать по всем сторонам здания.
В случае если в фундаменте дома есть перемычка, то она считается стеной, т.е. действует т.н. правило глухого угла (90 см). В самих перемычках тоже нужно делать продухи. Отверстия должны располагаться на высоте не меньше 20 см от земли. В случае же если есть вероятность сезонного подтопления дома, то они должны располагаться выше уровня затопления.
Вернуться к оглавлению
Продухи в фундаменте: пошаговая инструкция по созданию
В зависимости от того, на каком этапе строительства будут создаваться отверстия, вам могут понадобиться разные инструменты. Следующий набор позволит вам сделать продухи даже в том случае, если строительство дома уже завершено. Вам понадобится:
- Молоток.
- Кувалда.
- Длинное сверло по металлу диаметром 12-14 мм.
- Сверло по дереву длиной равной ширине фундамента с запасом.
- Прямая стамеска.
- Полукруглая стамеска.
- Песок.
- Труба диаметром 110-130 мм.
Отверстие продуха лучше закрыть сеткой, так вы избежите проникновения в дом мелких грызунов.
Отверстия лучше всего планировать еще на этапе возведения опалубки ленточного бетонного фундамента. Как уже было сказано, минимальная высота расположения отверстий составляет 20 см, но нужно учитывать возможность сезонного подтопления участка. В большинстве регионов достаточно высоты 30 см, чтобы талая вода не потекла под дом. Диаметр отдушин должен быть от 100 до 150 мм, в зависимости от периметра вашего дома. Чем больше здание в основании, тем больший диаметр необходимо взять. Отверстия нужно делать только в параллельных стенах, строго друг напротив друга. Продухи следует располагать через каждые 2,5-3 м. Не забывайте о том, что перемычки внутри основного периметра, если таковые имеются, тоже должны иметь вентиляционные отверстия.
Для создания продухов нельзя использовать деревянный брус, к примеру, 100х100 мм и длиной в ширину ленты, который многие по незнанию закладывают в бетонное основание с целью дальнейшего извлечения оттуда. За 1 месяц (пока будет застывать бетон) древесина настолько сильно пристынет к бетону, что выбить брус будет достаточно сложно. Самый лучший способ — это круглая труба диаметром порядка 110-130 мм, либо пластиковая, либо асбестоцементная. Какую бы трубу вы ни использовали, в нее необходимо засыпать песок, чтобы она не треснула при заливке бетона. Когда вы будете разбирать опалубку, песок можно будет легко вычистить, и продух будет готов.
Вернуться к оглавлению
Забыл сделать продухи, что делать?
Как уже было сказано, продухи лучше и удобнее всего планировать еще на этапе устройства фундамента дома. Однако если вы ввиду каких-либо обстоятельств этого не сделали, проблему можно решить одним из нескольких доступных вариантов. Если ваш дом еще не построен, то наиболее верным и надежным решением будет возвести на фундаменте цоколь, в котором и сделать соответствующие отверстия для вентиляции. Сам цоколь может быть выполнен из кирпича, тогда 1 кирпич ребром будет заменять отверстие. Если же цоколь выливается бетоном, то техника выполнения продухов сохраняется.
В случае если поднимать уровень пола при помощи цоколя нет возможности, придется делать отверстия в уже имеющемся бетонном фундаменте. Однако резка бетона будет тяжелым и трудоемким занятием, в данном случае удобнее всего вызвать специалистов из компаний, которые предлагают подобного рода услуги. В случае же если вы будете делать отверстия самостоятельно, важно следить за тем, чтобы не задеть арматурный пояс, а это достаточно сложно. А в образовавшееся отверстие необходимо вставить каркас, который в дальнейшем будет принимать давление бетона.
Если создание продухов не было предусмотрено на этапе строительства, их можно сделать при помощи алмазного сверления даже в том случае, если цоколь уже отделан выбранным вами облицовочным материалом.
Расположение арматурного пояса внутри цоколя не имеет никакого значения, алмазная коронка пройдет металл именно там, где это будет нужно. Диаметр коронки необходимо подбирать под вентиляционную крышку.
В большинстве случаев алмазное сверление отверстий под отдушины (продухи) выполняется при помощи коронок от 120 до 160 мм. При большом желании можно сделать отверстие диаметром хоть и 300 мм, его края все равно будут ровными, а толщина стенки бетонного основания не повлияет на качество работы. Однако учитывайте, что большой диаметр, равно как и большая толщина стены, способствует увеличению итоговой стоимости бурения отверстий, поэтому наиболее оптимально использовать коронки диаметром 120-160 мм. Отверстия необходимо закрыть решеткой, которая не позволит различным грызунам обжиться в вашем доме. В противном случае война с ними потребует много усилий, времени и денежных затрат.
У многих застройщиков к отдушинам несколько легкомысленное отношение, существует едва ли не строгое правило закрывать их на зиму. Однако по возможности этого лучше не делать: подполье дома должно проветриваться в течение всего года, а пол необходимо изначально качественно утеплить, тогда и не будет опасений, что в период заморозков от него будет тянуть холодом. Если ввиду каких-либо причин продухи нужно закрыть, сделайте это как можно позже и постарайтесь открыть их как можно раньше. В деревянном доме отдушины лучше не закрывать вовсе, особенно в первые годы после его постройки.
moidomkarkas.ru
Устройство продухов в фундаменте, подвале дома или цоколе, расчет продухов, СНИП, как правильно сделать
При строительстве любого фундамента, обязательно необходимо помнить о таком важном моменте, как вентиляция. В том, что продухи являются необходимой составляющей любого фундамента, нет ни малейших сомнений. Это компетентное мнение не только специалистов, но и тех людей, кто смог лично убедиться в этом на практике. Они играют крайне важную роль: с их помощью из подвального помещения выветривается лишняя влага, то есть они предотвращают ее скапливание, а значит, защищают фундамент от разрушений. К слову, деревянные продухи рекомендуется располагать на расстоянии в 2.5-3 метра.
Так как продухи защищают фундамент от возникновения сырости, это также способствует защите помещения от возникновения плесени. Обычно, продухи в фундаменте необходимы в том случае, когда происходит заливка ленточного элемента оснащенного цоколем.
Сами по себе продухи представляют собой отверстие, которое может иметь прямоугольное, квадратное или круглое сечение, просто форма в этом случае не имеет совершенно никакого значения. По правилам, длина продуха должна равняться ширине ленточного фундамента, и это правило является обязательным.
Крайне важно, правильно проектировать такие системы: располагаться они должны друг напротив друга, лишь в таком случае они смогут выполнять возложенные на них функции должным образом. Таким образом, с их помощью образуется своего рода сквозняк, и чем больше воздуха будет через них проходить, тем суше в результате окажется в вашем подвальном помещении. Говоря простым языком, если отдушины сделаны качественно и правильно, то в подполе или подвале не возникнет плесени и грибка, воздух не будет спертым, и вы будете иметь надежную защиту от возникновения неприятного запаха.
Как правильно сделать продухи?
В ленточном фундаменте продухи необходимо планировать еще на этапе постройки опалубки. При этом высота поверхности земли не должна быть меньше 30 см, так как с наступлением весны через такие отверстия может подтекать талая вода. Возможно, вам потребуется их установить несколько выше, все напрямую зависит от климатических условий в конкретном регионе, а точнее от того, насколько много выпадает осадков, и от некоторых особенностей нахождения вашего дома.
Диаметр отверстия продухов напрямую зависит от общего периметра дома, и может быть от 5 до 10 см. Чем больше будет основание вашего дома, тем большего диаметра должны быть продухи. Отверстия должны находиться в параллельных стенах, исключительно друг напротив друга. Шаг размещения в фундаменте продухов составляет от 2.5 до 3 метров. Когда в основном периметре имеются перемычки, в них также необходимо закладывать отверстия.
Некоторые рекомендации
Следует отметить изначально, что категорически не рекомендуется использовать деревянный брус для создания отверстий. Существует такая практика, когда по длине всего фундамента закладывается деревянный брус 10х10 см для того, чтобы потом извлечь его оттуда. Однако сам процесс его извлечения является крайне сложным, так как за это время брусья успевают буквально намертво прирасти к бетону. Чаще всего для создания продухов круглой формы используют асбестоцементные или пластиковые трубы диаметром от 110 до 130 миллиметров.
Доставать их из фундамента можно лишь по прошествии одного месяца, за это время они пристывают к бетону под давлением, и выбить их еще можно, хоть и очень трудно. В том случае, если у вас нет другого варианта, то просто учтите, что вам предстоит прикладывать большие усилия.
Для этого необходимо действовать следующим способом, который сможет значительно упростить и облегчить этот процесс. Для этого вам потребуется такой набор инструментов:
- кувалда;
- молоток;
- сверло по дереву, длина которого должна быть больше длины фундамента;
- самое длинное сверло по металлу имеющее диаметр 12-14 мм;
- прямая и полукруглая стамески.
После просыхания бетона, вы можете приступать к работе. Для начала необходимо взять сверло по металлу и с двух сторон сверлить брусок по периметру или в центре. Теперь вы должны с помощью сверла по дереву высверлить сквозное отверстие, при этом диаметр такого сверла на должен быть более 25 мм. После того, как сквозное отверстие будет сделано, необходимо использовать полукруглую стамеску и расширить с ее помощью отверстие от центра к любой из четырех сторон.
Теперь, используя прямую стамеску, необходимо отбить пристывшую сторону. Таким способом необходимо отбить два угла, а после с помощью кувалды аккуратно отбить остатки бруса. Весь процесс удаления из фундамента бруса — довольно сложный, поэтому лучше использовать другие варианты. Под отверстие продуха вы можете использовать вместо бруса короб, так как изъять его из застывшего фундамента значительно проще.
Лучшим вариантом является устройство продухов при помощи круглой трубы, имеющей диаметр от 110 до 130 миллиметров. Для этих целей можно использовать асбестоцементные или пластиковые трубы. Однако для осторожности, перед тем как залить в трубы бетон, в них необходимо обязательно засыпать песок, так вы сможете не переживать за их целостность. Пустые трубы во время заливания опалубки бетоном могут попросту треснуть.
Также можно установить продухи в фундаменте при помощи обрезков канализационной трубы, либо коробов, созданных из четырех досок. При этом в обязательном порядке необходимо располагать их именно друг напротив друга. Опалубка заливается с помощью бетона, и после того, как фундамент становится прочным, ваши продухи готовы.
Нюансы и особенности устройства
При правильном оформлении вентиляции подвального пространства, продухи необходимо закрывать с помощью решеток, делается это для того, чтобы мыши и другие грызуны не смогли поселиться в вашем доме. В противном случае вам очень тяжело будет избавиться от них.
Если по какой-то причине вы не смогли сделать продухи на стадии возведения дома, либо при проведении его отделки, то даже в таком случае, когда цоколь отделан с помощью облицовочных материалов сделать их можно с использованием алмазного сверла. В этом случае даже будет неважно нахождение арматурных прутов внутри цоколя, так как в любом случае алмазная коронка пройдет там, где это необходимо, и арматура не будет препятствием.
При этом диаметр коронки необходимо подбирать под вентиляционную крышку. Зачастую отверстия под отдушины необходимо сверлить с помощью алмазных коронок диаметром от 130 до 160 мм. При желании вы можете просверлить отверстия диаметром вплоть до 300 мм, в любом случае края окажутся ровными. Также на качество работы не сможет повлиять и толщина стен фундамента.
Продухи в фундаменте являются очень серьезной вещью, при этом совершенно непонятно, по какой причине к ним наблюдается очень легкомысленное отношение со стороны застройщиков. Также крайне спорным моментом является закрытие продухов в ленточном фундаменте с наступлением зимы. Однако в этом случае необходимо действовать по ситуации, ведь если в доме тепло, то и закрывать их на зиму нет необходимости. Если благодаря их наличию в помещении дома становится очень холодно, то зимой их можно периодически закрывать, однако в теплые дни их все равно следует открывать для того, чтобы можно было проветривать подвальное помещение. На самом деле их закрытие является неправильным и противоречащим требованиям СНиП, как международных, так и отечественных.
В подведении итогов хочется отметить, что в доме из дерева, продухи никогда не следует закрывать, особенно в первые годы после его постройки. Такое вентиляционное отверстие позволит навсегда избавить ваше помещение от сырости, а также от ежегодной обработки помещения от плесени и его дезинфекции.
Изучите материал на сайте — Баня и зимняя эксплуатация, Размеры планировок бани, Дизайн-проект русской бани.
banyamsk.ru