Наклонная трещина — Большая Энциклопедия Нефти и Газа, статья, страница 2
Наклонная трещина
Cтраница 2
Что вызывает образование наклонных трещин на приопорных участках изгибаемых элементов. [16]
От кольцевых напряжений смыкаются только вертикальные и наклонные трещины. Некоторые из них полностью закрываются на выходе к стенке скважины. На степень смыкания трещин дополнительно влияет величина депрессии на пласт. В трещинных коллекторах за счет смыкания трещин может значительно уменьшиться или совсем исчезнуть гидродинамическая связь скважины с пластом. [17]
В области пересечения плоскостью наклонной трещины поверхности листового материала с обеих сторон выполняют дугообразные канавки перед вершиной трещины, обеспечив их пространственное пересечение ( А. На продолжении дугообразных канавок выполняют синусоидальные канавки, располагая их с разных сторон листового материала так, чтобы они пересекались между собой в пространстве. У каждой вершины трещины, в каждой зоне окончания пересечения высверливают отверстия под углом 45 к поверхности листового материала. Аналогичные отверстия выполняют у кончика каждой синусоидальной канавки. После этого в каждое отверстие запрессовывают по две полувтулки. Оси отверстий располагают таким образом, чтобы при запрессовке полувтулок в отверстия произошло сближение берегов наклонной трещины. Основная идея способа состоит в переориентировке плоскостей наклонной трещины благодаря выполнению канавок. Трещина будет следовать вдоль канавок, а ее переориентировка приводить к возникновению контактного взаимодействия берегов трещины. Раскрытие трещины будет уменьшено, что существенно повлияет на снижение СРТ. Создание остаточных напряжений по поверхности отверстий в результате запрессовки полувтулок увеличивает длительность задержки трещины. [19]
Часто геологические структуры осложнены вертикальными и наклонными трещинами, по которым отдельные блоки горных пород могут перемещаться относительно друг друга. [20]
Это объясняется тем, что наклонные трещины образуются после погашения нормальных сжимающих напряжений в поперечном сечении на уровне образования трещин. [21]
При дальнейшем возрастании ускорения появились наклонные трещины у крайних бычков, которые в конце концов достигли основания; плотина расчленилась на ряд блоков. Как отмечают авторы данного исследования, такой характер разрушения модели соответствует ее напряженному состоянию в упругой стадии работы, в которой в центральной консоли на отметке 105 м возникали довольно большие вертикальные деформации, приведшие к образованию горизонтальной трещины. [23]
Каковы причины, вызывающие образование наклонных трещин. Охарактеризуйте ( графически) схемы разрушения изгибаемых элементов по наклонным сечениям. [26]
Во время нагружения балок после образования наклонных трещин на боковых гранях эта арматура задерживает развитие трещин по высоте и тем самым увеличивает промежуток между появлением косых трещин на гранях и разрушением элемента. Это видно при испытании образцов со слабым поперечным армированием или при его отсутствии. Так, балки, армированные только продольной арматурой, после образования первых наклонных трещин выдерживали еще значительное увеличение нагрузки. [27]
Итак, основная идея торможения роста наклонной трещины состоит в максимальной интенсификации процесса контактного взаимодействия ее берегов. Наиболее простым методом реализации этого эффекта является пластическое деформирование поверхности листового материала в районе сформированных СПД ( А. [28]
В листовой обечайки КСП 1 с усталостной наклонной трещиной 2 ( рис. 4.9) осуществляли взаимные динамические перемещения берегов усталостной трещины 2 вблизи ее вершины 3 и 4, плавно уменьшали динамическую нагрузку до нуля. [29]
Страницы: 1 2 3 4
www.ngpedia.ru
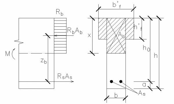
7. Расчет прочности изгибаемых элементов таврового профиля по нормальному сечению.

Балка,
приводимая к тавровому сечению:приhf’≥0,1h,bсв=½c,bсв=1/6l;
приhf’<0,1h,bсв=6hf’.Балка таврового сечения:приhf’≥0,1h,bсв=6hf’, при 0,1h>hf’>0,05h,bсв=3hf’, приhf’<0,05h,bсв=0.
Граница сжатой зоны проходит в ребре:
RsAs=Rbbx+Rb(bf’-b)hf’↔ξRbbh0+Rb(bf’-b)hf’,
M≤Rbbx(h0-0,5x)+Rb(bf’-b)hf’(h0-0,5h f’)↔
αmRbbh02+Rb(bf’-b)hf’(h0-0,5hf’),
ξ≤ξR,Rs=σs, если ξ>ξR.
Граница сжатой зоны проходит в полке:
M≤Rbbf’hf’(h0-0,5hf’),RsAs=Rbbf’hf’,RsAs=Rbbf’x,
M=Rbbf’x(h0-0,5x)↔αmRbbf’h02,
M=RsAs(h0-0,5x)↔RsAsh0ς.
Rs-расчетное
сопротивление ар-ры растяжению,As-площадь
сечения продольной ар-ры,Rb-расчетное
сопротивление б. сжатию,Ab—
площадь сжатой зоны б.,h
ξR=ω/(1+(Rs/σsc,u)(1-ω/1,1))-граничная относительная высота сжатой зоны б.,ξ=x/h0-относительная высота сжатой зоны б., σsc,u-предельное напряжение в арматуре сжатой зоны б., ω-характеристика сжатой зоны б.
8
.
Причины, вызывающие образование наклонных
трещин в изгибаемых элементах. Схемы
разрушения изгибаемых элементов по
наклонным сечениям. Вид условий прочности
по наклонной сжатой полосе и наклонной
трещине.
На приопорных участках изгибаемых элементов под воздействием поперечной силы Qи изгибающего моментаMв сечениях, наклонных к оси, развивается напряженно-деформированное состояние. Главные растягивающие и главные сжимающие напряжения действуют под углом к оси. Если главные растягивающие напряжения σ mtпревысят сопротивление бетона растяжениюRbt, возникают наклонные трещины; тогда усилия передаются на ар-ру продольную, поперечнуюRswи отогнутую. При дальнейшем при увеличении нагрузки наклонные трещины раскрываются и в конечной стадии происходит разрушение элемента вследствие раздробления б. над вершиной наклонной трещины и развития напряжений в поперечных стержнях-хомутах до предельных значений; напряжения в продольной арматуре могут и не достигать предельных значений. Разрушение происходит вследствие одновременного действия на наклонное сечение поперечных сил и изгибающих моментов.
Р
асчет
по наклонной трещине.Q≤Qb+Qsw+Qs,
Расчет по наклонной сжатой полосе.Q≤0,3φw1φb1Rbbh0, где φw1-коэффициент, учитывающий влияние хомутов, φb1-коэффициент,Rb-расчетное сопротивление б. сжатию,b-ширина сечения,h0-рабочая высота сечения.
9. Конструктивные требования к армированию изгибаемых элементов.
Изгибаемые конструкции – плиты(плоскостные элементы, в которых толщина намного меньше остальных размеров) ибалки(линейные элементы в которых размеры поперечного сечения намного меньше длины).
Плиты: класс б. не менее В15, толщина 50…100 мм, армирование сетками, защитный слой бетона: толщина плит до 100 мм – 10 мм, более – 15 мм. Сетки изготавливают из проволочной стали ВрI(Ø стержней 3-5мм), из стали классаAIII(Ø стержней 6-10мм). Сетки плоские (Ø стержней более 7мм, длина до 9м), рулонные (Ø стержней до 7мм, ширина 3870мм, вес рулона 900-1300кг). Сетки: с продольной ар-рой, с поперечной ар-рой, с рабочей ар-рой в 2 направлениях. Сетки укладывают так, чтобы стержни их рабочей ар-ры располагались вдоль пролета и воспринимали растягивающие усилия. Поэтому сетки в плитах размещаются понизу, а в многопролетных плитах – также и поверху, над промежуточными опорами. Стержни рабочей ар-ры Ø 3…10 мм, располагают с шагом 100…200 мм. Поперечные стержни сеток (распределительная ар-ра) устанавливают для обеспечения проектного положения рабочих стержней, уменьшения усадочных и температурных деформаций конструкции, распределения местного воздействия сосредоточенных нагрузок на большую площадь. Шаг 250…300 мм, не реже 350 мм.
Б
Рабочую ар-ру балки размещают в растянутой зоне сечения в 1 или 2 ряда. Расстояние в свету между стержнями продольной арматуры не менее диаметра наибольшего стержня, для нижних горизонтальных-25мм, для верхних-30мм. Продольную рабочую ар-ру укладывают согласно эпюрам изгибающих моментов в растянутых зонах, где она воспринимает продольные растягивающие усилия. В балках одновременно с изгибающими моментами действуют поперечные силы, что вызывает необходимость использования поперечной ар-ры. Продольную и поперечную ар-ру сваривают или связывают в каркасы. Расстояние в продольном направлении между поперечными стержнями (или хомутами) в балках h<400мм-не болееh/2, но не более 150мм,h>400мм-не болееh/3, но не более 500мм. Это требование к приопорным участкам балок длиной ¼ пролета при равномерно распределенной нагрузке, на остальных участках не более 3/4hи не более 500мм.
studfiles.net
$$$1 Причины, вызывающие образование наклонных трещин? 3 страница
$$$1 Причины, вызывающие образование наклонных трещин? 3 страница
$$$163 Как армируют второстепенную балку на промежуточных опорах
$$ узкими или широкими сетками с поперечной рабочей арматурой
$ опорными каркасами
$ узкими сетками из арматуры класса
$ широкими сетками с продольной рабочей арматурой
$$$164 Поперечные силы на крайней опоре второстепенной балки равны
$$
$
$
$
$$$165 Поперечны силы на первой промежуточной опоре слева для второстепенной балки равны
$$
$
$
$
$$$166 При проверке принятой толщины монолитной плиты ребристого перекрытия её уточняют
$$ по опорному моменту на первой промежуточной опоре
$ по моменту на средних опорах
$ не уточняют
$ по значению поперечной силы на крайней опоре
$$$167 При проверке принятой высоты второстепенной балки её уточняют
$$ по опорному моменту на первой промежуточной опоре
$ по моменту в первом пролете
$ по моменту в средних пролетах
$ её не уточняют
$$$168 Расчет прочности наклонных сечений второстепенной балки выполняют на действие
$$ максимальной поперечной силы
$ минимальной поперечной силы
$ поперечных сил на средних опорах
$ максимального изгибающего момента
$$$169 Расчет поперечных стержней второстепенной балки выполняется на каких участках её пролёта
$$ на приопорных равных
$ на средней части пролета
$ на всем пролете балки
$ на приопорных равных
$$$170 Стенки круглых в плане резервуаров, заполненных жидкостью, работают на
$$ центральное растяжение
$ внецентренное растяжение
$ сжатие
$ изгиб
$$$171 Колонны одноэтажных промышленных зданий, загруженных давлением от кранов, находятся в условиях
$$ внецентренного сжатия с расчетным эксцентриситетом
$ внецентренного сжатия со случайным эксцентриситетом
$ поперечного изгиба
$ центрального растяжения
$$$172 Балки и плиты, как правило работают на
$$ изгиб
$ сжатие
$ растяжение
$ кручение
$$$173 Высоту балок назначают кратной 50 мм, если она не более
$$ 500мм
$ 600мм
$ 700мм
$ 800мм
$$$174 Для продольного армирования балок и плит обычно применяют стержневую арматуру периодического профиля диаметром
$$ 12-32мм
$ 10-30мм
$ 8-36мм
$ 14-36мм
$$$175 Для чего вводится граничная высота сжатой зоны при изгибе?
$$ для выяснения по какому состоянию работает сечение (по случаю 1, или по случаю 2 третьей стадии)
$ для обеспечения прочности элемента по сжатой зоне
$ для обеспечения прочности элемента по растянутой зоне
$ для обеспечения прочности элемента по обеим зонам
$$$176 Назначение поперечной арматуры в изгибаемых элементах?
$$ для восприятия главных растягивающих напряжений в наклонных сечениях
$ для восприятия главных сжимающих напряжений в наклонных сечениях
$ для восприятия касательных напряжений
$ для восприятия растягивающих напряжений в нормальных сечениях
$$$177 Назначение продольной арматуры в изгибаемых элементах?
$$ для восприятия в основном растягивающих напряжений и в некоторых случаях сжимающих в нормальных сечениях
$ для восприятия сжимающих напряжений в наклонных сечениях
$ для восприятия главных растягивающих напряжений в наклонных сечениях
$ для восприятия касательных напряжений
$$$178 Какое из условий прочности при изгибе для прямоугольного сечения правильно при ?
$$
$
$
$
$$$179 Каковы конструктивные требования, обеспечивающие прочность наклонного сечения по изгибающему моменту?
$$ вся продольная растянутая арматура доводится до опор и обеспечивается ее надежная анкеровка
$ часть продольной растянутой арматуры доводится до опор и обеспечивается ее надежная анкеровка
$ вся продольная растянутая арматура доводится до опор
$ часть продольной арматуры доводится до опор, дополнительно ставится поперечная арматура
$$$180 По какому из условий обеспечивается прочность наклонного сечения на действие изгибающего момента?
$$
$
$
$
$$$181 По какому из условий обеспечивается прочность наклонного сечения на действие поперечной силы?
$$
$
$
$
$$$182 Укажите правильную зависимость при определении коэффициента армирования изгибаемых элементов
$$
$
$
$
$$$183 Укажите правильную зависимость при определении процента армирования изгибаемых элементов
$$
$
$
$
$$$184 При каких значениях получается экономически выгодное сечение для плит?
$$
$
$
$ не имеет значение
$$$185 При каких значениях получается экономически выгодное сечение для балок?
$$
$
$
$ не имеет значение
$$$186 Метод расчета железобетонных конструкций?
$$ по предельным состояниям
$ по разрушающим нагрузкам
$ по I группе предельных состояний
$ по II группе предельных состояний
$$$187 Когда применяют сечение с двойной арматурой?
$$ недостаточная прочность бетона сжатой зоны
$ недостаточная прочность бетона растянутой зоны
$ недостаточная прочность растянутой арматуры
$ недостаточная площадь растянутой арматуры
$$$188 С какой целью вводятся коэффициенты надежности по назначению?
$$ для учета степени ответственности и капитальности зданий и сооружений
$ для учета вида сооружений
$ для учета условий эксплуатации сооружений
$ для учета условий района строительства
$$$189 С какой целью вводятся коэффициенты надежности по бетону?
$$ для учета изменчивости прочностных свойств бетона
$ для учета изменчивости размеров сооружения
$ для учета изменчивости его объемного веса
$ для учета изменчивости технологии изготовления бетона
$$$190 С какой целью вводятся коэффициенты надежности по арматуре?
$$ для учета изменчивости прочностных свойств стали
$ для учета изменчивости деформативных свойств стали
$ для учета изменчивости площади арматуры
$ для учета изменчивости химического состава высокопрочных сталей
$$$191 При проектировании железобетонных изгибаемых элементов, к какому условию следует стремиться исходя из экономических соображений?
$$
$
$
$ не имеет значения
$$$192 Условие, определяющее разрушение изгибаемого элемента по сжатой зоне?
$$
$
$
$
$$$193 Условие, определяющее разрушение бетона по растянутой зоне?
$$
$
$
$
$$$194 Чем определяется максимальный процент армирования при изгибе?
$$ условием полного использования бетона сжатой зоны
$ экономическими условиями (экономия стали)
$ условиями, определяющими совместную работу бетона и арматуры
$ условиями работы элемента в предельном состоянии
$$$195 Чем определяется минимальный процент армирования при изгибе?
$$ из условия равнопрочности армированного и неармированного сечения
$ экономическими условиями (экономия стали)
$ условиями, определяющими совместную работу бетона и арматуры
$ условиями работы элемента в предельном состоянии
$$$196 При расчете изгибаемых элементов при каких условиях тавровое сечение может рассматриваться как прямоугольное?
$$ нейтральная линия находится в пределах высоты полки
$ нейтральная линия проходит через центр тяжести сечения
$ нейтральная линия проходит через верхнюю ядровую точку
$ нейтральная линия проходит через нижнюю ядровую точку
$$$197 При каких условиях тавровое сечение может рассматриваться как прямоугольное при изгибе?
$$ момент внешних сил меньше момента, воспринимаемого полкой
$ момент внешних сил больше момента, воспринимаемого полкой
$ усилия в растянутой зоне больше усилия, воспринимаемого сжатой полкой
$ усилие, воспринимаемое бетоном растянутой зоны, равно усилию, воспринимаемому полкой
$$$198 Какое из условий прочности верно при изгибе для таврового сечения при
$$
$
$
$
$$$199 Какое из условий прочности верно при изгибе для таврового сечения при
$$
$
$
$
$$$200 Из чего складывается общий расход бетона и стали на устройство железобетонного перекрытия
$$ из расхода этих материалов на плиты, ригели и колонны
$ из расхода этих материалов на плиты
$ из расхода этих материалов на ригели
$ из расхода этих материалов на ригели и колонны
$$$201 Сущность железобетона?
$$ железобетон состоит из бетона и стальной арматуры, рационально расположенный в конструкциях для восприятия растягивающих, а в ряде случаев и сжимающих усилий
$ железобетон состоит из бетона и арматуры, расположенной произвольно по сечению элемента
$ железобетон состоит из бетона и арматуры, расположенный только в сжатых зонах элемента
$ железобетон состоит из бетона и арматуры, расположенной по центру тяжести сечения элемента
$$$202 Факторы, обеспечивающие совместную работу бетона и арматуры?
$$ близкие по значению коэффициенты линейного расширения, сцепления арматуры с бетоном, защита арматуры от коррозии и других внешних воздействий
$ усадка и ползучесть бетона, сцепление бетона с арматурой, защита арматуры от механических воздействий
$ применение арматуры периодического профиля, обжатие арматуры вследствие усадки, одинаковые коэффициенты линейного расширения
$ защита арматуры от внешних воздействий (коррозия, высокая температура, механические), высокая прочность бетона на сжатие, низкая прочность бетона на растяжение
$$$203 Как зависит прочность бетона от времени?
$$ при благоприятных условиях прочность бетона возрастает
$ возрастает независимо от условий
$ прочность бетона уменьшается
$ прочность бетона не меняется с течением времени
$$$204 Влияние на прочность бетона вида напряженного состояния?
$$ прочность бетона при сжатии больше чем при растяжении
$ прочность бетона при растяжении больше чем при сжатии
$ прочность бетона одинакова как при сжатии, так и при растяжении
$ прочность бетона одинакова только для плотных бетонов
$$$205 Что называется классом бетона по прочности?
$$ временное сопротивление сжатию бетонных кубов с размером ребра 150 мм, испытанных через 28 суток хранения при температуре 20 ± 20 С с учетом статистической изменчивости
$ временное сопротивление на осевое сжатие бетонных призм в возрасте 28 суток
$ среднее значение временного сопротивления бетона сжатию при испытании стандартных кубов
$ временное сопротивление на осевое растяжение образцов в возрасте 28 суток с учетом статистической изменчивости
$$$206 Что такое усадка бетона?
$$ уменьшение объема бетона при твердении в воздушной среде
$ уменьшение объема при твердении в воде
$ уменьшение объема при действии высоких температур
$ увеличение объема при твердении в воде
$$$207 Что называется ползучестью бетона?
$$ нарастание неупругих деформаций с течением времени при постоянных напряжениях
$ уменьшение деформации загруженного образца с течением времени
$ рост упругих деформаций под влиянием длительно действующей нагрузки
$ увеличение деформации под нагрузкой с течением времени
$$$208 Предел текучести стали?
$$ напряжение, при котором деформации увеличиваются без изменения нагрузки
$ напряжение, до которого материал работает упруго
$ напряжение, при котором остаточные деформации составляют 0,02%
$ напряжение, при котором происходит разрыв элемента
$$$209 Чем отличается призменная прочность от кубиковой?
$$ меньше
$ равны
$ больше
$ равна, если высота призмы в 2 раза больше высоты куба
$$$210 Чем отличается прочность бетона при растяжении от прочности бетона при сжатии?
$$ меньше
$ больше
$ равны
$ меньше, только для легких бетонов
$$$211 К какому классу относится гладкая арматура?
$$ А-I
$ A-II
$ A-III
$ A-IV
$$$212 По каким признакам классифицируется арматура?
$$ по прочности и деформативности
$ по химическому составу
$ по виду
$ по назначению
$$$213 Укажите класс горячекатаной арматуры периодического профиля?
$$ А- II ¸ А-VI
$ А- I
$ Вр- I
$ Вр- II
$$$214 Укажите класс холоднотянутой проволочной арматуры периодического профиля?
$$ Вр-I, Вр- II
$ А- III, А-IV
$ A-I, A- II
$ В- II
$$$215 Укажите класс холоднотянутой арматуры гладкого профиля?
$$ В-II
$ Ат- IV, Ат-V
$ Вр-I, Вр-II
$ A-I, А-III
$$$216 С какой целью на поверхности арматуры создается различного вида профиль (выступы, неровности и т.д.)?
$$ для улучшения сцепления арматуры с бетоном
$ для повышения прочностных свойств
$ для экономии
$ для улучшения свариваемости
$$$217 Назначение толщины защитного слоя бетона
$$ обеспечить совместную работу арматуры с бетоном, защитить арматуру от коррозии, высоких температур, механических повреждений
$ защитить арматуру от коррозии
$ защитить арматуру от механических повреждений
$ защитить арматуру от резкого изменения температуры
$$$218 Цель создания предварительно-напряженного железобетона?
$$ повысить трещиностойкость и жесткость, обеспечить применение высокопрочной арматуры
$ повысить несущую способность элемента
$ повысить трещиностойкость и уменьшить деформации от усадки
$ повысить прочность бетона
$$$219 Чем характеризуется конец первой стадии напряженно-деформированного состояния при изгибе?
$$ напряжения в бетоне растянутой зоны достигло предела прочности ( ), в сжатой зоне , эпюра линейна
$ напряжения в бетоне сжатой и растянутой зон меняются по линейному закону (эпюры треугольные)
$ напряжения в бетоне сжатой зоны , в растянутой зоне появились трещины
$ напряжение в бетоне сжатой зоны равны предельным ( ), в растянутой зоне равны пределу прочности ( )
$$$220 Чем характеризуется вторая стадия напряженно-деформированного состояния при изгибе?
$$ в растянутой зоне бетона появились трещины. В сечениях с трещинами усилие в растянутой зоне воспринимается арматурой ( ), напряжения в бетоне сжатой зоны меньше предельных ( ), эпюра криволинейна
$) напряжения в бетоне сжатой и растянутой зон меньше предельных, эпюра напряжений в растянутой зоне криволинейна
$ напряжения в бетоне сжатой и растянутой зон меньше предельных, эпюры линейные
$ напряжения в растянутой арматуре в сечении с трещиной достигли предельных значений ( ), напряжения в бетоне сжатой зоны равны пределу прочности ( ), эпюра линейна
$$$221 Чем характеризуется третья стадия напряженно-деформированного состояния при изгибе?
$$ напряжения в бетоне сжатой зоны равны предельным ( ), эпюра напряжений криволинейна, напряжение в арматуре растянутой зоны достигло физического или условного предела текучести
$ напряжения в бетоне сжатой зоны меньше предельных ( ), эпюра линейна, напряжение в арматуре растянутой зоны меньше предела текучести
$ напряжения в бетоне сжатой зоны меньше предельных
$ напряжения в бетоне сжатой зоны меньше предельных ( ), эпюра криволинейна, напряжение в арматуре растянутой зоны равно пределу текучести
$$$222 Основные способы создания предварительного напряжения в арматуре?
$$ механический, электротермомеханический, электротермический
$ электротермический, электротермомеханический
$ электротермомеханический, механический
$ механический, электротермический
$$$223 Способы создания преднапряженного железобетона?
$$ натяжением арматуры на упоры и на бетон
$ натяжением арматуры на бетон ранее изготовленной конструкции
$ натяжением арматуры на упоры с последующим бетонированием
$ натяжением арматуры с помощью навивочных машин
$$$224 Как меняется напряженное состояние арматуры в преднапряженных конструкциях с течением времени?
$$ уменьшается
$ не меняется
$ увеличивается
$ изменение зависит от начальной величины напряжений
$$$225 Классификация нагрузок?
$$ постоянные и временные
$ постоянные и длительные
$ длительные и кратковременные
$ постоянные, временные и особые
$$$226 Классификация временных нагрузок?
$$ длительные, кратковременные и особые
$ постоянные и длительные
$ постоянные, временные и особые
$ длительные и кратковременные
$$$227 С какой целью вводятся коэффициенты надежности по нагрузке?
$$ для учета изменчивости нагрузок
$ для учета характера воздействия нагрузок на сооружение
$ для учета величины нагрузок
$ для определения класса нагрузок
$$$228 Каковы возможные изменения коэффициента надежности по нагрузке
$$ может быть больше единицы, может быть меньше единицы
$ меньше единицы
$ равен единице
$ больше единицы
$$$229 Расчетные нагрузки?
$$ устанавливаются умножением нормативной нагрузки на коэффициент надежности
$ устанавливаются по номинальным значениям
$ устанавливаются нормами с заданной вероятностью их превышения
$ устанавливаются делением нормативной нагрузки на коэффициент надежности
$$$230 Каковы основные недостатки каменных конструкций?
$$ большая собственная масса и значительные затраты ручного труда при возведении
$ значительные затраты ручного труда при возведении и огнестойкость
$ небольшие эксплуатационные расходы
$ большая собственная масса и высокие теплоизоляционные способности
$$$231 С какой целью каменная кладка армируется стальными сетками, стальными продольными стержнями или железобетоном?
$$ для повышения несущей способности
$ для повышения жесткости
$ для повышения устойчивости
$ для уменьшения деформативности
$$$232 Что обозначает марка кирпича?
$$ временное сопротивление стандартных образцов сжатию, а также изгибу
$ временное сопротивление стандартных образцов растяжению
$ сопротивление стандартных образцов изгибу
$ временное сопротивление стандартных образцов сжатию
$$$233 От каких факторов зависит прочность каменной кладки?
$$ от прочности и вида камня и раствора, возраста кладки, ее качества и др. факторов
$ от возраста кладки, квалификации каменщика
$ от качества работ
$ от прочности камня и возраста кладки
$$$234 Если в сечении каменной конструкции одновременно действует центрально приложенная сила и изгибающий момент, то конструкция работает
$$ на внецентренное сжатие
$ на изгиб
$ на растяжение
$ на центральное сжатие
$$$235 Какие типы каменных зданий относятся к зданиям с жесткой конструктивной схемой?
$$ жилые и общественные здания, в которых поперечные стены располагаются довольно часто
$ многоэтажные здания со значительными расстояниями между поперечными несущими стенами
$ общественные здания с большими расстояниями между поперечными стенами
$ в основном жилые здания
$$$236 Какой элемент стены является расчетным?
$$ простенок
$ карниз
$ парапет
$ цоколь
$$$237 Как учитываются снижение несущей способности вследствие ползучести кладки?
$$ коэффициент
$ коэффициент
$ коэффициент
$ коэффициент
$$$238 Характер напряженного состояния каменной кладки в основном зависит?
$$ от величины эксцентриситета продольной силы
$ от величины изгибающего момента
$ от величины продольной силы
$ от величины поперечной силы
$$$239 Расчет каменных конструкций производится по какому методу?
$$ по предельным состояниям
$ по разрушающим нагрузкам
$ по I группе предельных состояний
$ по II группе предельных состояний
$$$240 Конструктивные схемы каменных зданий?
$$ жесткие и упругие
$ бескаркасные
$ с неполным каркасом
$ пространственные
$$$241 Укажите правильное расстояние между сетками по высоте кладки (S) в армокаменных конструкциях?
$$ не реже чем через 5 рядов кладки из обыкновенного кирпича и 40 см для других видов камней
$ через 3 ряда кладки независимо от вида
$ через 10 рядов кладки из кирпича и 50 см для камней
$ по усмотрению каменщика
Дата добавления: 2015-08-29; просмотров: 41 | Нарушение авторских прав
mybiblioteka.su — 2015-2019 год. (0.156 сек.)
mybiblioteka.su
Причины возникновения трещин
Объект строительной экспертизы: квартира
Адрес объекта строительной экпертизы: г. Москва
Цель проведения экспертизы: определение причин возникновения трещин в квартире.
Технические средства контроля, используемые на объекте:
- цифровая фотокамера «Canon»;
- ультразвуковой тестер УК 1401;
- дальномер DISTO classic/lite лазерный;
- рулетка измерительная ГОСТ 7502- 98.
Общие положения
Производство строительной экспертизы обусловлено выявлением владельцем квартиры трещин на поверхности стен.
Техническое обследование объекта Заказчика осуществлено с целью определения причин возникновения трещин в квартире, расположенной в многоквартирном жилом доме.
Основанием для проведения технического обследования служит Договор о проведении строительной экспертизы, в котором указываются цель обследования и перечень работ, которые необходимо выполнить.
При выполнении работ по обследованию проводился учет полученных данных, выполнялась фотофиксация.
Результаты обследования, послужившие основой для настоящего заключения, приведены по состоянию на 29 ноября 2011 г.
Диагностическое строительное обследование трещин
На основании Договора экспертом было произведено визуальное обследование объекта, в соответствии с требованиями СП 13-102-2003 «Правила обследования несущих строительных конструкций зданий и сооружений».
Экспертом произведен визуальный осмотр конструкций внутренних стен и перегородок, с выборочным фиксированием на цифровую камеру (см. фото), что соответствует требованиям СП 13-102-2003 п. 7.2 Основой предварительного (визуального) обследования является осмотр здания или сооружения и отдельных конструкций с применением измерительных инструментов и приборов (бинокли, фотоаппараты, рулетки, штангенциркули, щупы и прочее).
В ходе визуального обследования внутренних стен и перегородок квартиры заказчика зафиксировано следующее:
- На поверхностях стен выявлены трещины с шириной раскрытия до 1 мм, длина которых достигает 3 метров.


- На участках стыков стен и потолка выявлены трещины с шириной раскрытия до 2 мм, длина которых достигает 2 метров.


В ходе инструментального обследования квартиры были произведены ультразвуковые замеры для определения прочности конструкций стен и глубины залегания выявленных трещин. Число и расположение контролируемых участков на конструкциях установлены с учетом требований ГОСТ 18105-86 «Бетоны. Правила контроля прочности». В результате данных замеров было установлено следующее:
Глубина залегания трещин на поверхностях стен составляет 100 мм, трещины на участках стыков стен и потолка имеют сквозной характер.
В результате измерений установлено, что прочность бетона составила М350.
Согласно техническим условиям бетоны тяжелые и мелкозернистые
Приложение 1
Соотношение между классами бетона по прочности на сжатие и растяжение и марками
Таблица 6
Класс бетона по прочности | Средняя прочность бетона | Ближайшая марка бетона по прочности, М | Отклонение ближайшей марки бетона от средней прочности класса, %
|
* Средняя прочность бетона рассчитана при коэффициенте вариации V, равном 13,5%, и обеспеченности 95% для всех видов бетонов, а для массивных гидротехнических конструкций при коэффициенте вариации V, равном 17%, и обеспеченности 90%. | |||
Сжатие | |||
В3,5 | 45,8 | M50 | +9,2 |
B5 | 65,5 | M75 | +14,5 |
B7,5 | 98,2 | M100 | +1,8 |
B10 | 131,0 | M150 | +14,5 |
B12,5 | 163,7 | M150 | -8,4 |
B15 | 196,5 | M200 | +1,8 |
B20 | 261,9 | M250 | -4,5 |
B22,5 | 294,7 | M300 | +1,8 |
B25 | 327,4 | M350 | +6,9 |
B27,5 | 360,2 | M350 | -2,8 |
B30 | 392,9 | M400 | +1,8 |
B35 | 458,4 | M450 | -1,8 |
B40 | 523,9 | M550 | +5,0 |
B45 | 589,4 | M600 | +1,8 |
B50 | 654,8 | M700 | +6,9 |
B55 | 720,3 | M700 | -2,8 |
B60 | 785,8 | M800 | +1,8 |
B65 | 851,3 | M900 | +5,7 |
B70 | 916,8 | M900 | -1,8 |
B75 | 982,3 | M1000 | +1,8 |
B80 | 1047,7 | M1000 | -4,6 |
Комментарии экспертизы по возникновению трещин
Зафиксированные трещины на поверхности стен возникли вследствие осадки основания здания, а именно осадки фундамента на участке, расположенном под обследуемой квартирой. Осадка части здания произошла в результате производства строительно-монтажных работ в вышерасположенных чердачных помещениях.
- согласно МДС 13-17.2000 ‘‘Методические рекомендации по ликвидации нарушений в содержании и использовании жилищного фонда и придомовых территорий’’:
«Наружные стены. Сквозные и волосные трещины. Особое внимание обратить на перемычки простенка, места опирания балок и прогонов, на углы водосточных труб, на цоколях. Осадочные (расширяется к низу).
От пучения грунтов (расширяются к верху).
О температурных деформациях:
- не опасные до 0,3 мм;
- опасные более 0,3 мм».
Трещины, зафиксированные в ходе обследования, по характеру направленности характеризуются как осадочные.
- согласно СНиП 2.02.01-83* “Основания зданий и сооружений”
«Осадки — деформации, происходящие в результате уплотнения грунта под воздействием внешних нагрузок и в отдельных случаях собственного веса грунта, не сопровождающиеся коренным изменением его структуры».
- согласно СНиП 2.02.01-83* “Основания зданий и сооружений”
«2.46. При увеличении нагрузок на основание существующих сооружений (например, при реконструкции) расчетное сопротивление грунтов основания должно приниматься в соответствии с данными об их физико-механических свойствах с учетом типа и состояния фундаментов и надфундаментных конструкций сооружения, продолжительностью его эксплуатации, ожидаемых дополнительных осадок при увеличении нагрузок на фундаменты и их влияния на примыкающие сооружения.»
Причины деформаций зданий и их внешние проявления
Причинами осадки основания могут быть:– неправильно выбранная глубина заложения и тип конструкции фундамента;
- при неправильно выбранной глубине заложения и типа фундамента трещины были бы образованы в первые годы эксплуатации жилого дома, тогда как выявленные в квартире трещины возникли в недавнем времени, и имеют тенденцию к увеличению.
– неравномерная нагрузка на фундамент со стороны строения;
- неравномерная нагрузка на фундамент возникла в результате производства строительно-монтажных работ в вышерасположенных чердачных помещениях.
– увеличение нагрузки на фундамент за счет надстройки верхних этажей;
- увеличение нагрузки на фундамент возникло в результате производства строительно-монтажных работ в вышерасположенных чердачных помещениях.
– недостаточная прочность материалов для фундамента или потеря прочности со временем;
- экспертом в ходе обследования была проверена прочность, и ее уровень на момент обследования является нормативным.
– аварии инженерных сетей, примыкающих к зданию;
- на момент обследования аварий не зафиксировано.
– возведение новых сооружений, вплотную примыкающих к существующему зданию;
- на момент обследования не зафиксировано.
– устройство рядом открытого котлована, устройство траншей;
- на момент обследования не зафиксировано.
Рис.18. Деформации и развитие трещин в стенах зданий
а — при отрытии траншей или котлована вблизи здания при м;
б — при пристройке нового здания большей высоты
1 — старое здание; 2 — новое здание; 3 — осадочный шов
В результате зафиксированных и установленных фактов экспертиза пришла к выводу, что причиной возникновения трещин на стенах квартиры является производство строительно-монтажных работ в вышерасположенных чердачных помещениях.
Заключение строительного эксперта
Цель строительного обследования: определение причин возникновения трещин в квартире.
Ответ строительной экспертизы: по результатам обследования, а также анализу расположения и раскрытия трещин, экспертиза пришла к следующим выводам:
- В результате зафиксированных и установленных фактов экспертиза пришла к выводу, что причиной возникновения трещин на стенах квартиры является производство строительно-монтажных работ в вышерасположенных чердачных помещениях.
- Образование выявленных в ходе обследования трещин свидетельствует о динамических воздействиях и неравномерной осадке фундамента, что связано с работами по реконструкции чердачных помещений.
- Техническое состояние несущих стен квартиры, в соответствии с положениями СП 13-102-2003, оценивается как недопустимое состояние — категория технического состояния строительной конструкции или здания и сооружения в целом, характеризующаяся снижением несущей способности и эксплуатационных характеристик, при котором существует опасность для пребывания людей и сохранности оборудования (необходимо проведение страховочных мероприятий и усиление конструкций).
Рекомендации
За образовавшимися трещинами необходимо установить длительное наблюдение с помощью маяков (гипсовых или из цементно-песчаного раствора)
Расположение трещин, даты установки маяков и результаты наблюдений за поведением трещин следует вносить в технические журналы осмотров зданий и сооружений. При увеличении деформаций надо принимать меры к временному усилению стен с привлечением при необходимости специализированной организации.
Заделку трещин необходимо производить только при их стабилизации.
Заделку трещин шириной до 40 мм производят цементным раствором. Перед заполнением раствором трещину тщательно очищают от пыли и грязи, а кирпичные стены обильно смачивают водой. После поглощения воды кирпичом поверхность трещины обрабатывают цементным молоком, затем заделывают пластичным цементным раствором состава 1:3, приготовленным на портландцементе. Качество работ повысится, если раствор нагнетать в трещины под давлением до 0,145 МПа. При этом в зависимости от давления водоцементное отношение раствора может составлять от 0,7 до 0,3. Расположение отверстий для подачи раствора зависит от характера и размещения трещин. На вертикальных и наклонных трещинах отверстия располагают через 0,8…1,5 м, на горизонтальных — через 0,2…0,3 м.
При ремонте трещин шириной более 40 мм заменяют кладку вдоль трещин на всю толщину стены и на ширину 380…510 мм, строго соблюдая перевязку швов.
К ремонту трещин приступают только после обеспечения устойчивости стен на весь период производства работ. Металлич
Для укрепления сквозных трещин и трещин в виде разрывов в местах сопряжения стен применяют металлические накладки из полосовой стали. Накладки, как правило, устанавливают с двух сторон стены и стягивают между собой болтами. В местах сопряжения стен накладки, нарощенные по длине болтами, пропускают через перпендикулярно расположенные стены и заанкеривают.
stroy-expertiza.ru
Образование вертикальных трещин в стенах зданий из-за неравномерной осадки фундаментов
Неравномерные осадки фундаментов приводят к изменению напряженно-деформированного состояния надземных конструкций здания и, вследствие особенностей материалов стен, к повреждению этих стен. Эти повреждения выражаются в появлении трещин. Наличие трещин понижает конструктивную надежность здания, а иногда и его эксплуатационные качества. Трещины в стенах могут появляться и от других причин, не зависящих от состояния оснований и фундаментов. В любом случае необходимо установить причины повреждений.

Всякое нарушение работы оснований и фундаментов обнаруживается через деформации и повреждение надземных конструкций. Для устранения причин дефектов нужно знать местонахождение и причину неравномерных осадок. Поэтому обследование здания и его основания идет в таком порядке: от трещин в надземных конструкциях к основанию. Таким образом, поиск должен идти следующим образом:
Особенности материалов. Стены зданий устраиваются из кирпичной кладки, бетона, слабо армированного бетона (панели). Рассмотрим общие особенности прочности стеновых материалов.
Известно, что при нагружении образцов многих материалов в диаграмме напряжения – деформации наблюдаются три стадии: упругости, пластичности и разрушения. Оба указанных выше стеновых материала – хрупкие. При их испытании не имеется «площадки текучести» и упрочнения. Происходит только разрушение, причем при очень малых относительных деформациях. Это относится к работе и при сжатии, и при растяжении.
Ползучесть кладки и бетона освещена в литературе. До появления портланд-цемента здания возводились из кирпичной кладки на известковом растворе. Этот раствор твердел медленно, по мере высыхания раствора. Поэтому при осадках фундаментов и деформации стен, даже больших, трещины в стенах не возникали вследствие явлений ползучести. Цементный раствор набирает прочность быстро и поэтому трещины могут появиться быстро, задолго до затухания осадок фундаментов.
Напряженно-деформированное состояние стен даже в нормальных условиях, по данным ряда исследований, очень сложное и переменное. В стенах под действием сжимающей нагрузки появляются напряжения двух знаков: сжимающие и растягивающие, причем они изменяются по высоте стены, простенка. Под действием горизонтальных растягивающих напряжений могут появиться очень опасные вертикальные трещины. Вертикальные напряжения в стенах почти прямолинейно изменяются с изменением нагрузки. Распределение напряжений усложняется с усложнением форм кладки, а в углах, пересечениях стен, проемах, отверстиях происходит концентрация напряжений.
Кроме указанных выше факторов на напряженное состояние стен влияют и другие, например, температурные перепады в наружных стенах, усадка кладки и др.
Классификация. Можно предложить следующую классификацию трещин, их разделение на группы.
- По причинам: деформационные, конструктивные, температурные, усадочные, износа (выветривания).
- По виду разрушения: раздавливание, разрыв, срез.
- По направлению: вертикальные, горизонтальные, наклонные.
- По очертанию: прямолинейные, криволинейные, замкнутые (не доходящие до края стены).
- По глубине: поверхностные, сквозные.
- По степени опасности: опасные, не опасные.
- По времени: стабилизированные, не стабилизированные.
- По величине раскрытия: волосяные – до 0,1 мм, мелкие – до 0,3 мм, развитые – 0,3–0,5 мм, большие – до 1 мм и более.
Причины и виды трещин в стенах.
а. Неравномерная сжимаемость грунтов, включая техногенные причины при строительстве и эксплуатации зданий.
Трещины наклонные, доходящие до края стены. Они появляются в растянутых зонах. По направлению и раскрытию трещин можно представить вид осадки, деформации здания, местонахождение причины осадок, а далее искать причину.
Причинами осадок могут быть неравномерная сжимаемость грунтов, очень неравномерное нагружение фундаментов, концентрация напряжений под углами зданий, утечка грунта в трубы старой канализации, повреждение грунта в период строительства и др.
б. Надстройки, пристройки.
Изменяется напряженное состояние основания, а именно в грунте под существующим зданием возникают дополнительные напряжения сжатия и, как результат – осадки фундаментов. В примыкающих стенах существующих зданий появляются наклонные трещины, которые «падают» вниз. Раскрытие трещин вверх. Аналогичные явления возникают при частичной надстройке здания по его длине.
Стены существующего здания, примыкающие к новому, получают наклон, осадочные швы могут закрыться.
в. Разные нагрузки на фундамент в пределах длины здания.
Продольные наружные стены современных зданий иногда имеют значительные остекленные участки и наоборот – глухие участки стен. Разные нагрузки влекут за собой разные осадки фундаментов.
Внутренние продольные стены имеют мало проемов и несут большую нагрузку от междуэтажных перекрытий. Это может вызвать осадку и появление трещин в углах примыкания к поперечным стенам. Трещины наклонные, «падают» вниз от продольной стены, иногда наблюдается срез.
г. Отрывка котлована рядом с существующим зданием.
В этом случае здание оказывается стоящим на откосе или вблизи от него. Подвижки грунта захватывают зону расположения фундаментов, в стенах появляются наклонные трещины со стороны котлована, иногда примыкающая стена наклоняется, появляется угроза обрушения. Крепление стенок котлована не всегда эффективно. Крепление стенок должно быть очень жестким, например, анкерным с предварительным напряжением либо нужно применить другие технические меры.
Указанное явление может усиливаться и другими производственными факторами: откачкой воды и выносом грунта, тиксотропным размягчением грунта от динамических воздействий строительных машин и др.
д. Взаимное влияние соседних фундаментов.
В этом случае напряженные зоны в основаниях взаимно и частично накладываются, увеличивая местное сжатие грунта. При одновременном возведении зданий они наклоняются друг к другу, при разновременном – оба в сторону здания, возводимого позже. При возведении нового здания на естественном основании рядом с существующим зданием на сваях последнее может получить дополнительную местную осадку с образованием наклонных трещин.
е. Влияние поверхностных нагрузок.
При складировании строительных материалов, изделий, промышленного сырья в непосредственной близости от стен нагрузка на поверхности грунта вызывает местное сжатие грунта основания и местную осадку фундаментов с соответствующими последствиями. Поверхностной нагрузкой может быть грунт подсыпки территории после возведения здания. В этом случае в результате загружения большой площади дополнительные напряжения в грунте распространяются на большую глубину и могут вызвать значительные осадки фундаментов.
ж. Влияние динамических воздействий.
Динамические воздействия могут быть результатом движения тяжелого транспорта, забивки свай для новых зданий, в промышленных зданиях – работы молотов, компрессоров и др. Эти воздействия могут привести к повреждениям надземных конструкций, а также повлиять на состояние грунтов оснований. Песчаные грунты уплотняются, глинистые тиксотропно размягчаются, а в результате фундаменты получают осадку, стены трещины. Следует отметить, что колебания зданий иногда вызываются даже источниками, далеко расположенными от него.
з. Промерзание и оттаивание грунтов.
Промерзание пучинистых грунтов может вызвать неравномерные поднятия фундаментов нормальными и касательными силами пучения. Это особенно опасно для строящихся зданий, когда вес стен небольшой, изгибная жесткость стен мала. Стены получают многочисленные повреждения в виде трещин, а на этих стенах нужно возводить остальные этажи. При оттаивании грунта осадка фундаментов, как правило, больше поднятия и стены получают новые повреждения.
В зданиях, поставленных на капитальный ремонт и, следовательно, не отапливаемых, положение такое же, особенно при наличии подвалов. Наружные стены могут оторваться от поперечных. Появляются трещины по всей высоте стены, возникает опасность потери их устойчивости.
и. Температурные деформации.
Появление трещин, вызванных температурными деформациями наблюдается при большой длине зданий и отсутствии температурных швов. Трещины обычно приурочены к средней части здания, имеют общее вертикальное направление.
к. Усадочные деформации.
Усадочные деформации имеют место в крупнопанельных зданиях. Трещины в панелях находятся в зоне проемов, особенно в углах проемов. Направление – радиальное. Трещины не опасны.
Иногда на поверхности оштукатуренных стен появляются небольшие, беспорядочно разбросанные и ориентированные трещины. Все трещины замкнутые, не доходящие до края стены. Они являются результатом усадки слишком жирного штукатурного раствора.
л. Перегрузка конструкции.
Трещины раздавливания кладки появляются в стенах, особенно в простенках и столбах. Характерные признаки их – вертикальное направление и замкнутость. Такие трещины – признаки начавшегося разрушения конструкции. Они чрезвычайно опасны внезапным разрушением одного простенка, а затем по цепной реакции – всех остальных. В таких случаях требуются немедленные мероприятия – удаление людей, устройство ограждения, закладка проемов и др.
В стенах, пилястрах старых промышленных зданий иногда появляются трещины в местах опирания ферм, балок, подкрановых балок и др. Происходит местное разрушение конструкции.
м. Частные случаи.
Вертикальные трещины, совершенно прямолинейные, с постоянным раскрытием по всей длине – это признак примыкания стен, т.е. старой и новой, очередности кладки и т.п. Трещины не опасны.
Трещины в местах примыкания перегородок к потолку свидетельствуют об отрыве перегородки от потолка. Причинами могут быть осадка пола (по грунту), прогиб балок перекрытия, а также усадка материала перегородки.
н. Выветривание (износ) материала стен.
Температурно-влажностные колебания воздуха постепенно сказываются на состоянии кирпичных стен. Со временем появляются мелкие трещины выветривания (износа). Они неглубокие, раскрываются к поверхности стены. При достаточно массивных стенах трещины не опасны.
Обследование трещин. Методика обследования содержится в «Руководстве по наблюдениям за деформациями оснований и фундаментов зданий и сооружений», НИИОСП, М., 1975. Дополнительно отметим только некоторые детали.
Визуальное обследование заключается в осмотре трещин, их раскрытия, направления, расположения, возраста. Высоко расположенные трещины можно рассматривать в бинокль. Чистая поверхность разрыва свидетельствует о недавнем происхождении трещины, загрязненная – о длительном. Трудно обнаружить трещины, совпадающие со швами кирпичной кладки, а также панелей каркасных промышленных зданий.
Для определения раскрытия и глубины трещин в настоящее время существует целый ряд приборов.
Важными показателями являются время появления трещин и внешние обстоятельства, которые могли быть причинами деформации здания. Картина повреждений стен значительно усложняется при возникновении трещин от разных причин и в разное время. Поэтому для анализа необходимо иметь материалы по инженерно-геологическим условиям, истории проектирования, строительства и эксплуатации здания, по расположению подземных сетей.
Результаты обследования трещин нужно представлять наглядно. Трещины наносятся на чертежи фасадов, стен внутренних помещений, развертки стен, иногда в аксонометрии. Трещины нумеруются, указывается их раскрытие, засекается их начало на данный момент времени. Фотографии не наглядны, они дают только фрагменты без связи с окружающей обстановкой.
При длительных наблюдениях устанавливаются маяки так, как это указано в “Руководстве”.
В заключение приведем один поучительный пример обследования трещин.
В 1950–х годах были обнаружены трещины в несущих пилонах Исаакиевского собора в Ленинграде. администрация города поручила трем комиссиям из трех организаций провести обследования. Выводы комиссий звучали как приговор: пилоны перегружены, разрушаются, положение опасное; необходимо разобрать высотную часть собора, сделать новые пилоны, восстановить собор. Это означало, что собор, как музей, нужно закрыть на много лет, а также Исаакиевскую площадь для организации строительной площадки. Затем выполнить гигантскую работу по разборке и восстановлению собора.
Повторное обследование было поручено профессору Васильеву Б.Д., крупному специалисту, имевшему огромный опыт проектирования, строительства и обследования самых разнообразных сооружений. Васильев Б.Д установил, что трещины в пилонах появились не от перегрузки, а от износа (выветривания). Наибольшая глубина трещин – 8 см, у остальных меньше. При размерах сечения пилонов 6 x 7м, влияние трещин на несущую способность пилонов ничтожно. Старинная кладка выдерживает большие давления. Можно ограничиться заделкой трещин.
megaobuchalka.ru
Трещины в стенах: виды, причины и способы устранения
Трещины в стенах: причины и устранение
Трещины в стене Трещины в стенах, их виды и причины появления, методы устранения и профилактические меры.
Содержание статьи:- Виды и причины
- Технология устранения
- Стабильные трещины
- Нестабильные
- В гипсокартоне
- В штукатурке
- В срубе
- Стабильные трещины
- Профилактика
Трещины в стенах — это диагностический признак изменения напряженного состояния ограждающих конструкций. Причины появления этих недостатков могут быть самыми различными, но подавляющее их количество связано с деформациями фундаментов, превышающими предельно допустимые значения для несущих стен. Такие повреждения могут снизить конструктивную надежность постройки и ее эксплуатационные качества. При обнаружении в стенах трещин выполняется их осмотр, устанавливается характер, место и причина деформации. На основании этих данных производится планирование и проведение необходимых технических мероприятий.
Виды и причины трещин в стенах

Стеновые трещины можно классифицировать разделением их на группы:
- По причине: усадочные, деформационные, температурные, конструктивные, а также возникшие вследствие износа или выветривания стен.
Основными причинами трещин в стенах могут являться:
- Неравномерное сжатие грунтов. Трещины при этом на стенах наклонные и доходят до их краев. По величине раскрытия трещин и их направлению можно определить вид осадки и деформации постройки, а также найти место причины возникновения дефекта. Кроме этого, осадки могут возникать от неравномерной нагрузки на фундаменты, утечки грунта в старые трубы, его повреждения в процессе строительства и по другим причинам.
Кроме вышеперечисленных причин, трещины могут появляться в местах примыкания старых и новых стен, зависеть от очередности каменной кладки и т.п. Такие трещины прямолинейны, раскрываются по всей высоте и не опасны. Иногда в местах стыков перегородок и потолка также могут появиться трещины. Они свидетельствуют о прогибе балок, осадке пола или усадке материала стен.
Перед тем как заделать трещины в стене, их следует внимательно изучить. При визуальном обследовании трещин определяется глубина их раскрытия, возраст, расположение и направление. При появлении повреждений стен в разное время и по различным причинам их анализ значительно усложняется.
Для него нужно иметь документацию по истории проектирования, инженерной геологии, эксплуатации строения, расположению подземных коммуникаций и рабочий проект. Для наглядного представления результатов обследования трещины обозначаются на чертежах внутренних стен, фасадов, затем нумеруются с указанием начала их раскрытия в данный момент по времени.
Технология устранения трещин в стенах
После проведения диагностики стеновых трещин и устранения причин их появления заделку проблемных зон можно осуществлять различными способами.
Заделка стабильных трещин в стене

Трещины небольшой глубины можно устранить оштукатуриванием при помощи строительного раствора. При замешивании в него следует добавить цементную шпаклевку или клей ПВА. Оштукатуривание нужно проводить по предварительно подготовленному участку дефектной поверхности. Для этого, перед тем как устранить трещину в стене, проблемную и прилегающую к ней зону требуется очистить от разрушенных фрагментов и пыли, загрунтовать, а на щель наложить специальную армирующую ленту.
Трещины средней величины раскрытия устраняются с применением металлической сетки. В этом случае разрушенное покрытие стены нужно удалить, а полученное при этом твердое основание загрунтовать. Затем вдоль трещины следует высверлить с шагом 30 см отверстия под монтаж дюбелей, вставить их и закрепить сетку шурупами, оснащенными широкими шайбами.
Размер ячеек металлической сетки — 5х5 см. При необходимости наложения нескольких полос сетки на большой аварийный участок они укладываются внахлест не менее 10 см. Штукатурный раствор нужно наносить на стену через сетку. После этого поверхность следует немного выровнять, дождаться ее полного высыхания и нанести финишный слой штукатурки.
Эффективно провести устранение трещины в стенах можно монтажной пеной. При полимеризации она несколько увеличивается в объеме, поэтому ее высохшие излишки нужно срезать ножом, а затем покрыть проблемный участок любым подходящим отделочным материалом: штукатуркой, краской и т.д.
Ликвидация нестабильных трещин в стенах

Определить прогрессирующую трещину несложно. Для этого потребуются полоски бумаги, которые нужно наклеить посередине, внизу и вверху поперек трещины. Если через некоторое время полоски порвутся, потребуется искать и устранять причины дефекта.
Остановить развитие крупных трещин, имеющих значительное раскрытие, можно установкой швеллера (якоря) или металлических пластин. Работа выполняется таким образом:
- Вначале необходимо сбить с аварийного участка стены штукатурку, ориентируясь по длине выбранной пластины. Если она составляет 1 м, то зачистку поверхности следует произвести по 50 см на каждой из сторон трещины. Глубина полученной штробы должна быть равной толщине пластины.
Подобную операцию можно произвести, используя вместо пластин скобы:
- Их можно изготовить из арматуры. После подбора стержней нужной длины их концы следует загнуть под прямым углом на 15-20 см.
Как убрать трещины в стене из гипсокартона

Для таких покрытий характерны мелкие трещины. Дефекты в виде паутинки свидетельствуют о том, что при отделке стен на листы ГКЛ был нанесен слишком большой слой гипсовой шпаклевки или нарушен тепловой режим при ее высыхании с использованием обогревателей и фенов. Вертикальные или горизонтальные трещины возникают обычно на стыках листов. Источниками появления таких дефектов может быть ослабление металлического каркаса стены или отсутствие на швах ГКЛ армирующей ленты.
Избавиться от «паутинки» можно только снятием поврежденного слоя и наложением нового, его толщина не должна превышать 2 мм. При необходимости нанесения еще одного слоя нужно дождаться высыхания предыдущего.
При ослаблении каркаса заделка трещин в стене из ГКЛ очень проблематична. А при надежном креплении покрытия его дефекты можно легко устранить:
- Трещины нужно разделать под углом в 45 градусов острым ножом.
Как заделать трещины в стене в штукатурке

Прежде чем замазать трещины в стене, отслоившуюся штукатурку нужно полностью удалить, а затем загрунтовать и нанести новое покрытие. Перед выполнением этой работы стоит ознакомиться с инструкцией, находящейся на упаковке материала. В ней указаны пропорции замеса и рекомендуемая толщина слоя.
Скрыть имеющиеся трещины в штукатурке можно при помощи стеклохолста. Он будет противодействовать расширению старых щелей и образованию новых. До начала работ следует заделать гипсовой шпаклевкой глубокие выемки и нанести на стену проникающую грунтовку.
Как убрать трещины в стенах срубов

Трещины в стенах деревянных строений возникают от воздействия влаги внутренних слоев бревна или бруса. Образование таких трещин можно минимизировать путем компенсационного углубления, которое пропиливается по всей длине бревна на глубину не более 1/5 его диаметра.
Образование крупных трещин в старых деревянных строениях не является поводом для паники. Эти дефекты опасности не представляют и абсолютно не влияют на эксплуатационные качества стен. Примером этому могут служить покрытые трещинами срубы, возведенные в глухих деревнях десятки лет назад.
Поэтому ремонт трещин в стенах срубов носит лишь эстетический характер. Можно использовать для этого различные материалы, но ни один из них долговечностью не отличается.
Герметик не обеспечивает долгосрочную адгезию с деревом, трещины в нем придется заделывать каждые 2 года, нанося новые слои поверх старых. Древесина, впитывая и отдавая влагу в зависимости от сезона, меняет периодически свой объем. По этой причине любой герметизирующий материал отслаивается.
Оптимальным решением при заделке трещин в брусе или бревнах является конопатка щелей льняными пеньковыми косичками или мхом.
Профилактика появления трещин в стене

Как было выше сказано, основными причинами появления опасных трещин являются деформации фундаментов. Поэтому при их проектировании необходимо соблюдать ряд требований:
- Столбчатые фундаменты, находящиеся в пучинистых грунтах, должны быть скреплены нижними обвязками или ростверками.
Для профилактики появления трещин могут применяться такие меры:
- Разборка аварийных стен и монтаж новой блочной или кирпичной кладки;
Как убрать трещины в стенах — смотрите на :
Большинство возникающих на стенах домов трещин обусловлено нарушениями технических условий, правил, строительных норм, отсутствием надзора за их соблюдением или низкой квалификацией исполнителей. Поэтому при возведении построек важно всего этого не допускать. Удачи!
Похожие новости
http://tutknow.ru
legkoe-delo.ru
$$$1 Причины, вызывающие образование наклонных трещин? 1 страница
$$$1 Причины, вызывающие образование наклонных трещин? 1 страница$$$1 Причины, вызывающие образование наклонных трещин?
$$ главные растягивающие напряжения
$ напряжения, действующие перпендикулярно оси стержня (у)
$напряжения, действующие по направлению осей х и у
$ главные сжимающие напряжения
$$$2 Какое из условий прочности внецентренно сжатых элементов прямоугольного сечения записано правильно при
$$
$
$
$
$$$3 Какое из условий прочности внецентренно сжатых элементов прямоугольного сечения записано правильно при ?
$$
$
$
$
$$$4 Как определяется случайный эксцентриситет?
$$ принимается большему из значений: ; ;
$ принимается равным 1 см
$ принимается большему из значений: ;
$ принимается меньшему из значений: ; ;
$$$5 Каково назначение продольных стержней в сжатых элементах?
$$ воспринимать нагрузку, действующую на элемент
$ препятствовать развитию поперечных деформаций элемента
$ уменьшить продольные деформации элемента
$ увеличивать продольные деформации элемента
$$$6 Каково назначение поперечных стержней в сжатых элементах?
$$ обеспечивать проектное положение продольной арматуры и предотвращать выпучивание продольных стержней при сжатии
$ повышать несущую способность элемента
$ препятствовать поперечным деформациям
$ уменьшать продольные деформации
$$$7 Каков оптимальный процент армирования сжатых элементов по экономическим соображениям?
$$ %= 1-2%
$ % = 0,1 — 0,5%
$ % = 3,5%
$ % = 3%
$$$8 В каких случаях целесообразно использовать предварительно напряженную арматуру в сжатых элементах?
$$ при значительных эксцентриситетах и большой гибкости
$ при больших эксцентриситетах
$ при большой гибкости элемента
$ при малой гибкости элемента
$$$9 Для продольной арматуры сжатых элементов целесообразно использовать стали классов?
$$ А-III, Ат-III, А-II
$ А-I, Вр-I
$ А-I, А-II
$ А-IIIв, Вр-II
$$$10 Каков минимальный диаметр продольной арматуры в сборных сжатых элементах?
$$ 16 мм
$ 10 мм
$ 14 мм
$ 18мм
$$$11 Каков минимальный диаметр продольной арматуры в монолитных сжатых элементах?
$$ 12 мм
$ 6 мм
$ 10 мм
$ 14 мм
$$$12 Как располагается рабочая арматура в сечении сжатого элемента со случайным эксцентриситетом?
$$ равномерно по периметру сечения
$ вдоль коротких граней сечения элемента
$ вдоль длинных граней сечения элемента
$ по одному стержню в каждом углу сечения
$$$13 Как располагается рабочая арматура в сечении сжатого элемента с расчетным эксцентриситетом?
$$ вдоль коротких граней сечения элемента
$ равномерно по периметру сечения элемента
$ по одному стержню в каждом углу сечения
$ не более трех стержней вдоль коротких сторон сечения элемента
$$$14 Расстояние в свету между продольными стержнями при вертикальном бетонировании принимают не менее:
$$ 50 мм
$ 30 мм
$ 40 мм
$60 мм
$$$15 При больших эксцентриситетах разрушение сжатого элемента начинается
$$ с текучести арматуры у грани, наиболее удаленной от продольной силы
$ с текучести арматуры у грани, наиболее близкой к продольной силе
$ раздавливания бетона сжатой зоны
$ с разрушения бетона растянутой зоны
$$$16 При малых эксцентриситетах разрушение сжатого элемента начинается
$$ с раздавливания бетона сжатой зоны
$ с текучести арматуры у грани, наиболее удаленной от продольной силы
$ с разрушения бетона растянутой зоны
$с текучести растянутой и сжатой арматуры
$$$17 Каким образом учитывается влияние прогиба при практическом расчете гибких внецентренно сжатых элементов?
$$ умножением начального эксцентриситета на коэффициент
$ увеличением размеров поперечного сечения
$ уменьшением размеров поперечного сечения
$ не учитывается
$$$18 Какая стадия напряженно-деформируемого состояния положена в основу расчета прочности сжатых элементов?
$$ 3
$ 2
$ 1-а
$ 3, случай 2-ой
$$$19 Какая стадия напряженно-деформируемого состояния положена в основу расчета прочности растянутых элементов?
$$ 3
$ 2
$ 1-а
$ 3, случай 2-ой
$$$20 Какое условие прочности записано правильно при центральном растяжении и при армировании напрягаемой и ненапрягаемой арматуры?
$$
$
$
$
$$$21 Какое условие прочности записано правильно при внецентренном растяжении, когда продольная сила находится между равнодействующими усилий в арматуре (малые эксцентриситеты)?
$$
$
$
$
$$$22 По характеру напряженного состояния случай растяжения с малым эксцентриситетом близок к
$$ центральному растяжению
$ центральному сжатию
$ изгибу
$сдвигу
$$$23 Предельное состояние по несущей способности элементов, растянутых большим эксцентриситетом аналогично напряженному состоянию
$$ нормально армированных изгибаемых элементов
$ центрально сжатых элементов
$ центрально растянутых элементов
$ внецентренно сжатых с малым эксцентриситетом элементов
$$$24 В каких преимущественно зданиях применяют сжатую несущую (жесткую) арматуру?
$$ в многоэтажных каркасных зданиях из монолитного железобетона
$ в крупнопанельных зданиях
$ в многоэтажных каркасных зданиях из сборного железобетона
$в многоэтажных кирпичных зданиях
$$$25 В сжатых элементах с несущей (жесткой) арматурой, кроме жесткой арматуры нужно ли ставить по периметру колонны гибкую продольную арматуру и хомуты?
$$ да, необходимо ставить во всех случаях
$ только при использовании жесткой арматуры в виде двутавров
$ только при использовании жесткой арматуры в виде швеллеров
$ только при использовании жесткой арматуры в виде уголков
$$$26 Какие требования предъявляются к элементам, относящимся к первой категории трещиностойкости?
$$ не допускается образование трещин
$ допускается ограниченное по ширине непродолжительное раскрытие трещин
$ допускается непродолжительное раскрытие трещин с последующим их закрытием
$ допускается ограниченное по ширине непродолжительное и продолжительное раскрытие трещин
$$$27 Какие требования предъявляются к элементам, относящимся ко второй категории трещиностойкости?
$$ допускается ограниченное по ширине непродолжительное раскрытие трещин при условии их последующего надежного закрытия
$ не допускается образование трещин
$ допускается ограниченное по ширине непродолжительное я продолжительное раскрытие трещин
$ допускается ограниченное по ширине непродолжительное раскрытие трещин
$$$28 Какие требования предъявляются к элементам, относящимся к третьей категории трещиностойкости?
$$ допускается ограниченное по ширине непродолжительное и продолжительное раскрытие трещин
$ не допускается образование трещин
$ допускается ограниченное по ширине непродолжительное раскрытие трещин при условии их последующего надежного закрытия
$ допускается ограниченное по ширине непродолжительное раскрытие трещин
$$$29 В чем состоит цель расчета по образованию трещин?
$$ чтобы усилие от внешней нагрузки не превышало усилия, воспринимаемого сечением перед образованием трещин
$ чтобы усилие от внешней нагрузки было больше усилия, воспринимаемого сечением перед образованием трещин
$ чтобы усилие от внешней нагрузки было меньше усилия, воспринимаемого сечением при непродолжительном раскрытии трещин
$ чтобы усилие от внешней нагрузки было меньше усилия, воспринимаемого сечением после образования трещин
$$$30 По какой стадии напряженно-деформированного состояния производится расчет по образованию трещин?
$$ стадия1-а
$ стадия 2
$ стадия 3, случай 1
$ стадия 3, случай 2
$$$31 По какой стадии напряженно-деформированного состояния производится расчет по раскрытию трещин?
$$ стадия 2
$ стадия1-а
$ стадия 3, случай 1
$ стадия 3, случай 2
$$$32 Что называют трещиностойкостью железобетонных элементов?
$$ сопротивление образованию трещин в стадии 1, или сопротивление раскрытию трещин в стадии 2
$ сопротивление раскрытию трещин
$ сопротивление образованию трещин
$ сопротивление возникновению трещин от постоянной нагрузки
$$$33 Цель расчета по перемещениям?
$$ в ограничении перемещений до таких пределов, которые не могли бы нарушить эксплуатационных качеств конструкций
$ в определении прогибов и углов поворота
$ в определении ширины раскрытия трещин
$ в определении момента трещинообразования
$$$34 Что означает , для элементов без трещин?
$$ кривизна от кратковременных нагрузок
$ кривизна от постоянных нагрузок
$ кривизна от длительных временных нагрузок
$ кривизна, обусловленная выгибом элемента от кратковременного действия усилия предварительного обжатия
$$$35 Что означает , для элементов без трещин? ‘
$$ кривизна от постоянных нагрузок и длительных временных нагрузок
$ кривизна от постоянных нагрузок
$ кривизна, обусловленная выгибом от действия усилия предварительного обжатия
$ кривизна, обусловленная выгибом элемента вследствие усадки и ползучести бетона
$$$36 Что означает , для элементов без трещин?
$$ кривизна, обусловленная выгибом элемента от кратковременного действия усилия обжатия
$ кривизна от постоянных нагрузок
$ кривизна от постоянных и длительных временных нагрузок
$ кривизна, обусловленная выгибом вследствие усадки и ползучести бетона
$$$37 Что означает , для элементов без трещин?
$$ кривизна, обусловленная выгибом вследствие усадки и ползучести бетона
$ кривизна от постоянных нагрузок:
$ кривизна от постоянных и длительных временных нагрузок
$ кривизна, обусловленная выгибом от действия усилия обжатия
$$$38 Цель расчета по раскрытию трещин?
$$ ограничить ширину раскрытия трещин до предельно допустимого значения
$ определить расстояние между трещинами
$ определить момент образования трещин
$ определить усилие, при котором образуются трещины
$$$39 По какой стадии напряженно деформированного состояния производится расчет прочности внецентренно-сжатых элементов с большим эксцентриситетом
$$ стадия 3, случай 1
$ стадия 1
$ стадия 1а
$ стадия 2
$$$40 По какой стадии напряженно-деформированного состояния производится расчет прочности внецентренно-сжатых элементов с малым эксцентриситетом
$$ стадия 3, случай 2
$ стадия 3, случай 1
$ стадия 1
$ стадия 1а
$$$41 Каков механизм разрушения внецентренно сжатого элемента с большим эксцентриситетом
$$ разрушение элемента начинается с растянутой арматуры и заканчивается раздроблением бетона сжатой зоны
$ разрушение элемента начинается с достижения предельных сопротивлений в арматуре и бетоне растянутой зоны
$ разрушение элемента начинается с разрушения бетона сжатой зоны
$ разрушение элемента начинается с раздавливания бетона сжатой зоны
$$$42 Каков механизм разрушения внецентренно сжатого элемента с малым эксцентриситетом
$$ разрушение элемента начинается со стороны самого напряженного волокна сжатого бетона, при этом напряжения в арматуре, удаленной от продольной силы, меньше предела текучести
$ разрушение элемента начинается с текучести сжатой арматуры и сжатой зоны бетона
$ разрушение элемента начинается с текучести растянутой арматуры
$ разрушение элемента начинается с разрушения бетона растянутой зоны
$$$43 Все железобетонные элементы, работающие на сжатие, при расчете на прочность рассматриваются как
$$ внецентренно сжатые
$ внецентренно сжатые со случайным эксцентриситетом
$ внецентренно сжатые с малым эксцентриситетом
$ внецентренно сжатые с большим эксцентриситетом
$$$44 Чему равен расчетный эксцентриситет?
$$
$ меньшему из трёх значений: ; ; 1 см
$ 1 см
$ большему из трёх значений: ; ; 1 см
$$$45 От чего зависит прогиб железобетонного элемента при внецентренном сжатии
$$ от гибкости элемента
$ от длительности действия нагрузки
$ от начального эксцентриситета
$ от количества продольной и поперечной арматуры
$$$46 В каком случае внецентренно сжатый элемент считается гибким?
$$
$
$
$
$$$47 Какое условие рекомендуется соблюдать для ограничения прогибов внецентренно сжатых элементов?
$$
$
$
$
$$$48 Что необходимо сделать, если при расчете внецентренно-сжатого элемента прямоугольного сечения получилось, что
$$ необходимо увеличить размеры сечения
$ необходимо уменьшить ширину сечения
$ необходимо уменьшить высоту сечения
$ необходимо уменьшить оба размера сечения
$$$49 Если при расчете внецентренно сжатого элемента условие не выполнилось, как следует поступить
$$ увеличить оба размера сечения
$ уменьшить высоту сечения
$ уменьшить оба размера сечения
$ увеличить ширину сечения
$$$50 Если при расчете внецентренно сжатых элементов с большим эксцентриситетом получилось, что , как вы поступите?
$$ по расчету сжатая арматура не требуется, но она должна быть поставлена количеству
$ по расчету сжатая арматура не требуется, значит, ее ставить не нужно
$ поставить сжатую арматуру в количестве не более 3 %
$ поставить сжатую арматуру
$$$51 Сдерживает ли косвенное армирование сжатых элементов развитие поперечных деформаций бетона при продольном сжатии повышая тем самым сопротивление бетона сжатию
$$да
$ нет
$ сдерживает поперечные деформации бетона, но не повышает сопротивление бетона сжатию
$ не сдерживает поперечные деформации бетона, но повышает сопротивление бетона сжатию
$$$52 Косвенное армирование сжатых элементов выполняется из стали классов
$$ А-I, А-II, А-III
$ А-IV А-V, А-VI
$ Вр-II
$ К-7, К-19
$$$53 Каков шаг сеток косвенного армирования сжатых элементов
$$ 50-60 мм
$ 60-150 мм
$ 200-300мм
$ 150-200мм
$$$54 В какой стадии напряженно-деформированного состояния центрально растянутые элементы работают без трещин?
$$ 1
$ 2
$ 1-а
$ 3
$$$55 В какой стадии напряженно-деформированного состояния в центрально-растянутых элементах в бетоне сечения имеются сквозные трещины, а напряжения в арматуре равны предельным сопротивлением?
$$ 3
$ 1
$ 2
$ 1-а
$$$56 К трещиностойкости железобетонных конструкций предъявляются требования, которые подразделяются на III категории в зависимости от
$$ условий эксплуатации и вида рабочей арматуры
$ диаметра арматуры
$ от класса бетона
$ от призменной прочности бетона
$$$57 Что понимают под непродолжительным раскрытием трещин
$$ их раскрытие при совместном действии постоянных, длительных и кратковременных нагрузках
$ их раскрытие при действии постоянных и длительных нагрузок
$ их раскрытие при действии кратковременных нагрузок
$ их раскрытие при действии только постоянных нагрузок
$$$58 Что понимают под продолжительным раскрытием трещин
$$ их раскрытие при действии постоянных и длительных нагрузок
$ их раскрытие при действии только постоянных нагрузок
$ их раскрытие при совместном действии постоянных, длительных и кратковременных
$ их раскрытие при действии кратковременных нагрузок
$$$59 Какая стадия напряженно-деформированного состояния положена в основу расчета по образованию трещин растянутых элементов
$$ 1-а
$ 1
$ 2
$ 3
$$$60 Какая стадия напряженно-деформированного состояния положена в основу расчета по образованию трещин изгибаемых элементов
$$ 1-а
$ 1
$ 2
$ 3, случай 1
$$$61 Какое неравенство верно при расчете центрально растянутых железобетонных элементов по образованию трещин?
$$
$
$
$
$$$62 Какое неравенство верно при расчете изгибаемых элементов по образованию трещин
$$
$
$
$
$$$63 Какая стадия напряженно-деформированного состояния положена в основу расчета по раскрытию трещин растянутых железобетонных элементов
$$ стадия 2
$ стадия 1
$ стадия 3
$ стадия 3, случай 1
$$$64 Какая стадия напряженно-деформированного состояния положена в основу расчета по раскрытию трещин изгибаемых железобетонных элементов?
$$ стадия 2
$ стадия1
$ стадия1-а
$ стадия 3, случай 1
$$$65 Ширина раскрытия трещин , нормальных к продольной оси элемента определяется по формуле
$$
$
$
$
$$$66 От каких факторов зависит ширина раскрытия трещин , нормальных к продольной оси элемента
$$ от диаметра и профиля арматуры, от вида осевого воздействия, длительности действия нагрузки, коэффициента армирования, а также напряжение в растянутой арматуре
$ от диаметра арматуры
$ от профиля поверхности
$ от коэффициента армирования
$$$67 Если к железобетонному элементу, предъявляют требования второй категории, то вычисляется
$$ только ширина кратковременного раскрытия трещин
$ ширина продолжительного раскрытия трещин от постоянной и длительной нагрузки
$ ширина непродолжительного раскрытия трещин от кратковременного действия постоянной и длительной нагрузки как таковой
$ ширина непродолжительного раскрытия трещин от постоянной и длительной нагрузки, считая её кратковременной
$$$68 Что необходимо делать, если ширина раскрытия трещин превышает допустимые значения
$$ уменьшить размеры сечения или применить предварительные напряжения
$ уменьшить размеры сечения элемента
$ увеличить размеры сечения элемента
$ использовать предварительные напряжения
$$$69 В преднапряженных элементах какой категории трещиностойкости, допускается непродолжительные раскрытия трещин при условии их надежного закрытия после снятия кратковременной нагрузки
$$ 2 категории
$ 1 категории
$ 3 категории
$ 1 и 2 категории
$$$70 Трещиностойкость наклонных сечений проверяют в зоне
$$ действия главных растягивающих напряжений
$ действие сжимающих напряжений
$ действие растягивающих напряжений
$ действие главных сжимающих напряжений
$$$71 При выполнении какого неравенства, трещиностойкость наклонного сечения считается обеспеченной
$$ если
$ если
$ если
$ если
$$$72 Ширина раскрытия наклонных трещин в большей мере зависит от
$$ насыщенности сечения хомутами, отгибами
$ насыщенности сечения продольной арматуры
$ сцепления продольной арматуры с бетоном
$ сцепление поперечной арматуры с бетоном
$$$73 С увеличением количества поперечной арматуры ширина раскрытия наклонных трещин
$$ уменьшается
$ увеличивается
$ не изменяется
$ увеличивается при использовании арматуры класса А-I
$$$74 Какая стадия напряженно-деформированного состояния положена в основу расчета по прогибам (деформациям)
$$ 2
$ 3, случай 1
$ 1
$ 1-а
$$$75 Расчет элементов по деформациям производится для стадии
$$эксплуатации
$ изготовления
$ транспортировки
$ монтажа
$$$76 Чем определяются технологические требования при установлении нормами предельно допустимых перемещений железобетонных элементов
$$ условиями нормальной работы технологического оборудования
$ работой соседних конструкций, ограничивающих деформации
$ отрицательным зрительным впечатлением людей о пригодности конструкции к эксплуатации
$ положительными эмоциями человека
$$$77 Чем определяются конструктивные требования при установлении нормами предельно допустимых прогибов элементов
$$ работой соседних конструкций, ограничивающих деформации
$ условиями нормальной работы технологического оборудования
$ положительными эмоциями человека
$ отрицательным зрительным впечатлением людей о пригодности конструкции к эксплуатации
$$$78 Чем определяются эстетические требования при установлении нормами предельно допустимых прогибов элементов
$$ отрицательным зрительным впечатлением людей о пригодности конструкции к эксплуатации
$ условиями нормальной работы технологического оборудования
$ работой соседних конструкций, ограничивающих деформации
$ положительными эмоциями человека
$$$79 Чем определяются физиологические требования при установлении нормами предельно допустимых прогибов элементов
$$ влиянием вибрации на самочувствие человека при динамических нагрузках, зыбкости лестничных маршей и другие
Дата добавления: 2015-08-29; просмотров: 60 | Нарушение авторских прав
mybiblioteka.su — 2015-2019 год. (0.155 сек.)
mybiblioteka.su