Проверка эпюр в рамах | Лекции и примеры решения задач механики
Выполним проверку построенных эпюр внутренних силовых факторов для рамы с помощью дифференциальных зависимостей и условий равновесия вырезанных узлов рамы (узловая проверка).
Геометрическая проверка
Начнем с геометрической проверки по дифференциальным зависимостям.
Эпюра N
где γ – угол наклона касательной к эпюре N относительно оси абсцисс силового участка;
qz — продольная распределенная нагрузка.
Рис. 1
В рассматриваемом примере на всех участках qz=0 и, следовательно,
tg γ=0=const,
т.е. эпюра N ограничена прямыми линиями, параллельными базовым линиям.
Эпюра Q
На стойках AC и BD эпюра поперечных сил Q ограничена прямыми линиями, параллельными базовым линиям, т.к. нет распределенных нагрузок и tgα=0=const.
Рис. 2
На ригеле CD
tg α2 = -(58,3+61,7)/6=-20кН/м=-q=const
Эпюра M
На стойке AC
tg β1 = -60/6= -10кН=const
— прямая с отрицательным углом наклона к оси абсцисс.
Рис. 3
На ригеле CD эпюра изгибающих моментов M – кривая (парабола) в сечении C при ординате MC=M0=20кНм (сжаты нижние слои ригеля), угол наклона касательной к оси абсцисс положителен (против часовой стрелки) и равен
tg βC=(58,3),
что соответствует ординате QC=58,3кН.
С изменением координаты x ордината Q уменьшается до нуля, а следовательно и угол β стремится к нулю в сечении экстремума при ординате M(2,92м)=65кНм.
После экстремума угол наклона касательной становится отрицательным и в сечении D равен:
βD=arctg(-61,7),
при ординате z=6м:
MD=M(6м)=30кНм (сжатие нижних слоев).
Кривая получается выпуклостью вверх, т.е. навстречу действию распределенной нагрузки на ригеле CD.
На участке ED стойки BD:
tg β4=30/3=10кН,
β4=arctg(10)=const
— прямая с положительным углом наклона к оси абсцисс с началом при ординате ME=0 и концом при MD=30кНм (сжатые слои с внутренней стороны рамы).
Проверка равновесия узлов рамы
Рассмотрим равновесие узлов рамы.
Мысленно вырежем из заданной рамы узел C с приложенным к нему внешним моментом m=40кНм.
Рис. 4
В сечениях по стойке AC и ригелю CD прикладываем к узлу векторы внутренних усилий N и Q с учетом знаков и величины.
Действие внутренних изгибающих моментов M направляем в сторону сжатых слоев в окрестности узла C:
Рис. 5
На эпюре N (рис. 1) видно, что в точке C на вертикальную часть AC действует сжимающая сила 58,3кН, на горизонтальную часть – сжимающая сила величиной 10кН.
На узле C эти силы показаны продольными и сжимающими для фрагментов соответствующих стержней.
— на вертикальной части – отрицательная сила величиной 10кН, следовательно, по правилу знаков стремится повернуть узел против хода часовой стрелки;
— на горизонтальный фрагмент узла действует положительная поперечная сила 58,3кН, следовательно, направляем ее «вниз», т.к. она стремится повернуть узел по ходу ЧС.
Эпюра M (рис. 3) была построена на сжатых слоях рамы. По ней видно, что внутренние изгибающие моменты (60кНм и 20кНм) в окрестности точки C стремятся сжать внутренние слои рамы, поэтому направляем так, как показано на рисунке (рис. 5).
Запишем уравнения равновесия:
Во всех трех направлениях, усилия, приложенные к узлу C, уравновешены.
Проверим равновесие узла D.
Внешних сосредоточенных сил и момента в точке D нет, поэтому прикладываем к центрам тяжести сечений рамы только векторы внутренних усилий N и Q и показываем действие внутренних изгибающих моментов M.

Рис. 6
Записываем и проверяем условия равновесия:
Проверки показали, что эпюры в раме построены правильно.
Другие примеры решения задач >
Лекции по сопромату >
isopromat.ru
Рейтинг: | ||
Адрес: http://rama.sopromat.org | ||
Безопасность данных: Степень доверия: | ||
О сайте: Анализ данных rama.sopromat.org показал, что у этого домена отсутствует рейтинг Alexa, а его посещаемость составляет около 15 тыс. в месяц. Лидирующую позицию по доле трафика занимает Россия (56,4%), а владельцем домена является Terekhov Dmitry (Predprinimatel Terekhov D.V.). | ||
Заголовок: Расчет рамы, фермы, балки он-лайн (на прочность)!! Строймех (строительная механика), сопромат(сопротивление материалов) | ||
Мета-описание: Впервые расчет рам, ферм, стержневых систем на прочность в окне Вашего браузера. Перемещения, реакции, эпюры.. О сайте На этом сайте можно расcчитать раму он-лайн. Методом расчета рам он-лайн прогаммы является М… | ||
Рейтинг Alexa Нет данных | Посетителей в день 337 | Просмотров в день 809 |
Статус: Онлайн | Дата последней проверки:
| |
sites.reformal.ru
Построение эпюр внутренних усилий в рамах
При построении эпюр Q, M и N условимся придерживаться следующих правил:
1. Опорные реакции необходимо показать на схеме всей рамы или отдельных ее частей. Желательно предугадать действительное направление опорных реакций.
Если это не получится и опорные реакции имеют отрицательное значение, то следует изменить их направление на обратное и в последующем учитывать со знаком плюс.
2. При определении составляющих опорных реакций необходимо выбирать рациональный порядок составления уравнений, стремясь к тому, чтобы в каждое уравнение входило возможно меньше неизвестных (лучше по одному).
3. Построение эпюр следует начинать с эпюры изгибающих моментов М.
Ø Изгибающий момент в сечении рамы вычисляется как алгебраическая сумма моментов, относительно центра тяжести сечения, всех сил, приложенных к отсеченной части. Ординаты эпюры изгибающих моментов откладываются со стороны растянутого волокна.
Ø Поперечная сила в сечении рамы вычисляется как алгебраическая сумма проекций сил, приложенных к отсеченной части, на нормаль к оси элемента в рассматриваемом сечении.
Ø Продольная сила в сечении рамы вычисляется как алгебраическая сумма проекций сил, приложенных к отсеченной части, на ось стержня.
![]() |
Правила знаков для усилий выбираются следующим образом. Одна из сторон всех стержней отмечается штриховой линией, которая условно обозначает низ стержня.
Рис.4.1. Правило знаков для М
Изгибающий момент считается положительным, если растянутым оказывается волокно, расположенное со стороны штриховой линии (рис.4.1.).
Ø
Поперечная сила Q считается положительной, если проекция на нормаль к оси стержня равнодействующих сил, приложенных к левой отсеченной части стержня, направлена вверх (по часовой стрелке относительно сечения) (рис.4.2.).
Рис. 4.2. Правило знаков для Q
Ø Продольная сила считается положительной в случае растяжения (рис. 4.3.).
Рис. 4.3. Правило знаков для N
Штриховая линия, проводимая вдоль одной из сторон стержня рамы, условно обозначает низ стержня. Эта линия может быть проведена с любой стороны стержня. Для горизонтальных и наклонных стержней удобно проводить штриховую линию снизу.
Положительные ординаты эпюры М откладываются со стороны штриховой линии, положительные ординаты эпюр Q и N – со стороны, противоположной низу стержня (штриховой линии).
Усилия в стержнях, вплотную примыкающих к узлам рамы, следует обозначать принятыми буквами (М, Q, N), сопровождая их индексами в соответствии с названием узла и номера стержня.
Например:
![]() |
Mc2 = –32 кН – изгибающий момент во втором стержне в сечении, примыкающем к узлу С (рис.4.4.).
Рис. 4.4. Эпюра моментов
Qс2 – поперечная сила во втором стержне в сечении, примыкающем к узлу С.
Построение эпюры необходимо проверить как с точки зрения соответствия всех эпюр характеру нагрузок, так и с точки зрения равновесия всех узлов, отдельных частей и всей рамы в целом.
При проверке соответствия всех эпюр характеру нагрузок необходимо руководствоваться следующим:
Для эпюры М:
ü в пределах незагруженного участка прямолинейного стержня эпюра должна изменяться по линейному закону;
ü в месте приложения сосредоточенной силы эпюра имеет излом по направлению действия этой силы;
ü в месте приложения сосредоточенного момента эпюра имеет скачок, равный по величине этому моменту;
ü на участках воздействия равномерной нагрузки эпюра изображается параболой, выпуклость которой обращена в сторону действия нагрузки;
ü в шарнирах изгибающие моменты должны быть равны нулю.
Для эпюры Q:
ü в пределах незагруженного прямолинейного участка стержня значение Q должно быть постоянным;
ü в местах приложения сосредоточенной силы эпюра имеет скачок, равный проекции силы на нормаль к оси стержня;
ü на прямолинейной участке, загруженном равномерной нагрузкой, эпюра меняется по линейному закону;
ü в тех сечениях стержня, где Q равна нулю или меняет знак, изгибающий момент должен иметь максимальное или минимальное значение.
Для эпюры N:
ü в пределах незагруженного прямолинейного участка стержня или при нагрузке, действующей к оси стержня по нормали, значение N должно быть постоянным;
ü в месте приложения сосредоточенной силы, направленной не по нормали к оси стержня, эпюра имеет скачок, равный проекции силы на ось стержня;
ü на прямолинейном участке, загруженном равномерной нагрузкой, если она действует не по нормали к оси стержня, эпюра меняется по линейному закону.
4. При проверке равновесия узлов рамы следует выразить каждый ее узел сечениями, бесконечно близко расположенными к центру узла, приложить к узлу действующие на него сосредоточенные силы, сосредоточенные моменты и усилия М, Q и N, возникающие в поперечных сечениях.
Рекомендуется векторы усилий, действующих на узел, показать с учетом их знаков и с указанием численного значения этих усилий. При этом следует учесть, что направление положительного момента должно быть таким, чтобы вызывать растяжение волокон стержня, отмеченных штриховой линией, положительное значение Q стремится вращать узел по часовой стрелке, а положительное значение N вызывает растяжение.
При равновесии узла уравнения проекций на горизонтальную ось, уравнения проекций на вертикальную ось и уравнения моментов относительно центра узла при подстановке найденных значений усилий должны обращаться в тождества.
5. Эпюры М, Q и N должны быть выполнены с обязательным численным обозначением характерных ординат на концах всех стержней, под сосредоточенными силами и моментами, в середине участка с распределенной нагрузкой.
6. Ось стержня принимается за ось абсцисс. Вычисленные ординаты эпюр откладываются перпендикулярно к оси рассматриваемого стержня. Положительные ординаты эпюры Q откладываются вверх от оси ригеля и влево от оси стойки. Знак на эпюре ставится.
Ординаты эпюры М откладываются со стороны растянутых волокон. Знак на эпюре не ставится.
Ординаты эпюры N откладываются симметрично по обе стороны от оси рассматриваемого стержня. Знак на эпюре N обязателен.
7. Штриховка эпюр производится перпендикулярно к оси стержня.
3. Пример 4.1.
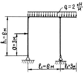
Определить внутренние усилия и построить эпюры М, Q и N в простейшей статически определимой раме, расчетная схема которой представлена на рис.4.5.
l1 = 6 м; l2 = 3 м; h1 = 6 м; h2 = 6 м;
F = 30 кН q = 2 кН/м
![]() |
Рис. 4.5. Расчетная схема рамы
Решение.
1. Проверка статической определимости и геометрической неизменяемости рамы.
Определяем степень свободы системы по формуле:
n = 3Д – 2Ш – Соn , (15)
где n – степень свободы системы;
Д – число дисков;
Ш – число простых шарниров, не считая опорных;
Con – число опорных стержней.
n = 3 · 1 – 2 · 0 – 3 = 0
Степень свободы системы равна нулю. А так как рама представляет собой жёсткий диск, который прикреплен к земле с помощью трех стержней, оси которых не пересекаются в одной точке и не параллельны друг другу, то данная рама является системой статически определимой и геометрически неизменяемой.
2.Определение опорных реакций.
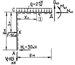
Освобождаем раму от опорных связей, а их действие заменяем реакциями отброшенных связей. Направление реакции шарнирно-неподвижной опоры А заранее указать нельзя, поэтому изображаем две взаимно перпендикулярные составляющие этой реакции НА и VВ.
![]() |
Реакция шарнирно-подвижной опоры «В» действует по вертикали вверх (рис.4.6.).
Рис. 4.6. Схема определения опорных реакций
Теперь раму можно рассматривать как свободное твердое тело, находящееся в равновесии под действием заданной нагрузки и трех неизвестных, составляющих реакции опор НА, VA и VВ.
Для определения неизвестных необходимо составить три уравнения статики, из совместного решения которых найдутся искомые величины.
Правильным выбором условий равновесия иногда удается уйти от решения системы уравнений, свести задачу к решению независимых уравнений. Так в нашем примере правильным выбором условий равновесия можно добиться того, чтобы в каждое уравнение вошла лишь одна неизвестная величина. Это в значительной степени упростит решение задачи.
1. ∑Х = 0 –НА = 0 НА = F = 30 кН
2. ∑МА = 0
3. ∑МВ = 0
Проверка. Для проверки правильности найденных значений реакций опор составим уравнения проекций на вертикальную ось:
∑У = 0 –VA – q(l1 + l2) + VВ = –10,5 – 2(6 + 3) + 28,5 = 0
0 = 0
Произведенная проверка показывает, что реакции опор определены верно. При подстановке в уравнение найденных значений усилий получено тождество.
3. Определение изгибающих моментов и построение эпюры М.
При построении эпюры изгибающих моментов раму необходимо разбить на участки, в пределах которых выражения для изгибающего момента остается неизменным. Выражения для изгибающего момента будут меняться в сечениях, где:
а) приложена сосредоточенная сила или сосредоточенный момент;
б) начинается или заканчивается участок с распределенной нагрузкой;
в) происходит излом оси рамы.
![]() |
Разбивка рамы на участки показана на рис. 4.7.
Рис. 4.7. Разбивка рамы на участки
Номера участков обозначены цифрами. Штриховыми линиями показаны «нижние» волокна стержней.
Знак изгибающего момента определяется по его воздействию на «нижнее» волокно стержня в пределах рассматриваемого участка. Если «нижнее» волокно под действием изгибающего момента растянуто, то знак плюс, если сжато – минус.
Ординаты эпюры изгибающих моментов откладываются со стороны растянутого волокна.
Рассмотрим определение изгибающих моментов в раме по участкам.
![]() |
I участок (рис. 4.8.).
Рис. 4.8. Участок I
0 м ≤ У1 ≤ 3 м; М1 = НА · У1
Изгибающий момент имеет знак плюс, так как момент, созданный силой НА = 30 кН, вызывает растяжение «нижнего» волокна стержня.
Характер изменения изгибающего момента – прямая линия, для построения которой необходимо знать значения момента M1 в двух точках:
У1 = 0 м МА1 = 30 · 0 = 0 кНм
У1 = 3 м МА1 = 30 · 3 = 0 кНм
II участок (рис. 4.9.). 3 м ≤ У2 ≤ 6 м;
![]() |
Рис. 4.9. Участок II
М2 = НА · У2 – F(У2 – 3)
У2 = 3 м МК2 = 30 · 0 – 30 ·(3 – 3) = 90 кНм
У2 = 6 м МС2 = 30 · 6 – 30(6 – 3) = 90 кНм
Сила НА создает положительный момент, сила F – отрицательный.
![]() |
Характер эпюры – прямая линия.
III участок (рис. 4.10.). 0 м ≤ Х3 ≤ 6 м;
Рис. 4.10. Участок III
Характер эпюры – кривая второго порядка, так как переменная Х3 входит в выражение для М3 во второй степени.
Х3 = 0 м МС3 = 30 · 8 – 10,5 · 0 – 30 · 3 – 2 · = 90 кН·м
Х3 = 6м МДЗ = 30 · 6 – 10,5 · 6 – 30 · 3 – 2 · 6 · = –9 кН·м
Определим значение Х3 , при котором изгибающий момент М3 имеет экстремальное значение. Для этого возьмем первую производную от выражения для изгибающего момента М3 по Х3 и приравняем ее нулю:
Полученное значение X3 = –5,25 м лежит за пределами рассматриваемого интервала [0; 6], поэтому на рассматриваемом участке функция экстремума не достигает. Изгибающий момент монотонно убывает со значения 90 кНм в точке С до – 9 кНм в точке Д.
IV участок (рис. 4.11.).
Рис. 4.11. Участок IV
0 м ≤ Х4 ≤ 3 м;
Характер эпюры – кривая второго порядка.
Х4 = 0 м; МЕ4 = 0
![]() |
Х4 = 3 м; МД4 =
V участок (рис. 4.12.).
Рис. 4.12. Участок V
0 м ≤ У≤ 6м; М5 = 0
Изгибающий момент М5 в любой точке по всей длине стержня равен нулю, так как к стержню приложена только одна внешняя сила Vв, линия действия которой совпадает с его осью, а, следовательно, плечо силы Vв равно нулю.
На основании полученных данных строим эпюру М (рис.4.13.) (Масштаб: в 1 см 20 кНм).
![]() |
От оси рамы откладываем найденные значения ординат и соединяем соответствующими линиями.
Рис. 4.13. Эпюра М
Статическая проверка правильности построения эпюры М.
Так как от действия моментов, вызываемых внешними силами, рама в целом находится в равновесии, то к каждая ее часть должна находиться в равновесии. Вырежем последовательно узлы рамы и проверим соблюдение условий их равновесия.
Узел С.
Рис. 4.14. Узел С
∑МС = 0
МС2 – МС3 = 0
90 – 90 = 0
Из эпюры М видно, что в узле С действуют положительные моменты, поэтому при рассмотрении равновесия этого узла векторы моментов прикладываем таким образом, чтобы они вызывали сжатие нижних волокон стержней (рис. 4.14.).
Условия равновесия узла выполнены.
Узел Д.
Рис. 4.15. Узел Д
∑Д = 0
–МД3 – МД4 = 0
–90 + 90 = 0
Условие равновесия узла выполнено.
Условия равновесия узлов выполнены, а это свидетельствует о том, что эпюра М построена верно.
4. Определение поперечных сил и построение эпюры Q
При построении эпюры Q раму необходимо разбить на участки. Число участков, которое нужно рассмотреть для построения эпюры поперечной силы, устанавливается так же, как и при построении эпюры изгибающего момента»
I участок
0 м ≤ У1 ≤ 3 м
Повернув мысленно стержень I до горизонтального положения штриховой линией вниз и рассматривая равновесие левой отсеченной части, получим:
Q1 = НД = 30 кН
Значение поперечной силы по всему участку постоянно, следовательно:
QА1 = QК1 = 30 кН
Знак поперечной силы Q1 – плюс, так как проекция на нормаль к оси стержня силы НД, расположенной слева от сечения, направлена вверх.
II участок
3 м ≤ У2 ≤ 6 м
Q2 = НА – F = 30 – 30 = 0
Значение поперечной силы по всему участку постоянно, поэтому:
QК2 = QС2 = 0
III участок
0 м ≤ Х3 ≤ 6 м
Q3 = –VA – q · X3
X3 = 0м; QС3 = –10,5 – 2 · 0 = –10,5 кН
Х3 = 6 м; QД3 = –10,5 – 2 · 6 = – 22,5 кН
IV участок
0 м ≤ Х4 ≤ 3 м
Q4 = q · X4
Х4 = 0 м; Q4 = 0; Х4 = 3 м; Q4 = 2 · 3 = 6 кН
V участок
0 м ≤ У5 ≤ 6 м
Q5 = 0
По пятому стержню поперечная сила равна нулю, так как отсутствуют силы, которые проектировались бы на нормаль к оси стержня.
![]() |
На основании полученных данных строим эпюру Q (рис.4.16.). Масштаб: в 1 см 20 кн.
Рис.4.16. Эпюра Q
Проверяем соответствие эпюры М и Q дифференциальной зависимости .
Если функция М возрастет, то первая производная должна быть положительной и наоборот.
I участок: М возрастает от 0 до 90 кнм. Q – положительная.
II участок: М постоянная. Q2 равна нулю.
III участок: М убывает от 90 кнм до –9 кнм. Q – отрицательная.
IV участок: М возрастает от –9 кнм до 0. Q – положительная.
V участок: М равна нулю. Q5 – равна нулю.
Вывод: Эпюры М и Q соответствуют дифференциальному соотношению между ними.
5. Определение продольных сил и построение эпюры N.
I участок
Проектируем силы, приложенные к первому участку на направление оси стержня АС.
N1 = VA = 10,5 кН
Продольная сила N1 положительная, так как под действием реакции VА стержень АС растянут.
III участок
Проектируем силы, приложенные к рассматриваемой части рамы на направление оси стержня СД.
N3 = HA – F = 30 – 30 = 0
IV участок
N4 = 0
V участок
N5 = –VВ = –28,5 кН
На основании полученных данных строим эпюру N (рис.4.17). Масштаб: в 1 см 10 кн.
Рис. 4.17. Эпюра N
6. Проверка эпюр Q и N.
Для контроля правильности полученных результатов при построении эпюр Q и N проверим равновесие узлов рамы. Векторы усилий Q и N прикладываем к рассматриваемому узлу с учетом их знаков.
Узел С.
Рис. 4.18. Узел С
∑Fy = 0
QС3 – NС1 = 0
10,5 – 50,5 = 0
Условие равновесия узла выполнено.
Узел Д.
Рис. 4.19. Узел Д
∑Fy = 0
–QД3 – QД4 + NД5 = 0
–22,5 – 6 + 28,5 = 0
Условие равновесия узла выполнено. Эпюры Q и N построены верно.
Вопросы для самопроверки
1. Какие рамы следует отнести к сложным?
2. Каков порядок расчета сложных рам?
3. Как проверить статическую определимость и геометрическую неизменяемость рамы?
4. Как вычисляется изгибающий момент в сечении рамы?
5. Как проверяется правильность очертания эпюры М?
6. Правило знаков при построении эпюры М.
7. Как вычисляется поперечная сила в сечении рамы?
8. Как проверяется правильность построения эпюры Q?
9. Правило знаков при построении эпюры Q?
10. Как вычисляется продольная сила в сечении рамы?
11. Как проверяется правильность построения эпюры N?
12. Правило знаков при построении эпюры N.
13. Дифференциальные зависимости между М и Q.
14. Как по эпюре М определить знак поперечной силы?
15. Как проверяется равновесие узлов рамы, отдельных ее частей и рамы в целом?
ГЛАВА V
Не нашли то, что искали? Воспользуйтесь поиском гугл на сайте:
zdamsam.ru










