Разновидности дорожных плит и особенности их монтажа
Как правило, строительство нового загородного дома или всего поселка в целом не может обойтись без подъездных путей. Самый простой способ обустроить дорогу для автотранспорта – соорудить ее из готовых ж/б дорожных плит (ЖБДП). Причем ее можно использовать не только в качестве подъездных путей на время производства строительных работ по возведению того или иного объекта, но и впоследствии, как постоянное сооружение.

На заметку! Если обустроенная дорога с течением времени потеряла свою актуальность, то ее можно легко демонтировать (с помощью грузоподъемного оборудования) и транспортировать на другой объект. Причем б/у изделия будут отличаться от новых только внешне. А вот стоимость монтажных работ по укладке «старых» плит будет процентов на 40÷50 меньше, чем укладка только что привезенных с завода изделий.
Разновидности дорожных плит
В зависимости от назначения дорожные плиты подразделяют на две категории (в соответствии с ГОСТом 21924.0-84):
- Предназначенные для сооружения дорог постоянного использования (1П). Помимо обязательного наличия петель эти изделия должны быть изготовлены из бетона, имеющего повышенные показатели по морозостойкости (F200) и водонепроницаемости (W4).
- Для обустройства подъездных путей временного характера (2П). В данном случае разрешается производить изделия без наличия монтажных петель и углублений для них. Разгрузку/погрузку и установку осуществляют с помощью специальных цанговых захватов. Для этой категории снижены и требования к бетону в плане морозостойкости (F150) и водонепроницаемости (W2).
По геометрической конфигурации (в соответствии с тем же нормативным документом) дорожные плиты могут быть:
- Прямоугольными (П). Именно их чаще всего применяют в дорожном строительстве.

- Прямоугольными с одним бортом (ПБ), который предназначен для удобства стыковки с бордюрным камнем. Расположен борт вдоль длинной стороны ж/б изделия.
- Прямоугольными с двумя совмещенными бортами (ПББ), расположенные по коротким сторонам изделия. Такие плиты предназначены для сооружения дорог фиксированной ширины.
- Трапецеидальными (ПТ).
- Шестиугольными (ПШ). Такие плиты имеют одинаковую толщину по всей площади.

- Шестиугольными с увеличенной толщиной вдоль осевой диагонали (ПШД). Также для удобства стыковки с бордюром изготавливают половинки таких изделий (ДПШ).
- Шестиугольными с повышенной поперечной толщиной (ПШП). Выпускают и доборные половинчатые изделия (ППШ), которые используют для выравнивания краев дорожного покрытия.
На заметку! Наружная часть ЖБДП может быть рифленой (для улучшения сцепления колес с поверхностью дорожного полотна) или гладкой.

Ввиду того, что на сегодняшний день наиболее востребованным является первый тип ЖБДП, то именно о них более подробно и расскажем.
Размеры прямоугольных ЖБДП
Габаритные размеры дорожных плит категории П зависят от методики армирования, примененной при их изготовлении. Изделия с предварительно напряженной арматурой имеют:
- толщину (H) – 140 мм;
- длину (L) – 6000 мм;
- ширину (B) – 1750, 1870, 3000, 3500 или 3750 мм.

При изготовлении ЖБДП может применяться и ненапрягаемая арматура. Такие плиты, толщина которых 160 мм, имеют длину – 1750 мм, а ширину – 1500 или 1750 мм. Изделия с аналогичным типом армирования, имеющие толщину 170 мм, имеют два фиксированных типоразмера: 3000×1750 мм и 3500×2750 мм.
Маркировка прямоугольных ЖБДП
Она представляет собой буквенно-числовое сочетание:
- Сначала стоит цифра, обозначающая область применения ДП: 1 – для дорог постоянного использования; 2 – для временных соответственно.
- Далее следует буква, соответствующая определенному типу изделия, характеризующая его геометрическую форму. В нашем случае – это П.
- Далее указаны номинальные размеры плиты (длина и ширина) в дм (с округлением до целого числа).
- Следующая цифра обозначает максимальную нагрузку (она указана в тоннах). Плиты выпускают из расчета проезда автомобилей массой 10 или 30 т.
- Если при изготовлении применялась предварительно напрягаемая арматура, то в конце маркировки указывают тип использованной стали.
Так, например, на готовое изделие нанесена маркировка 2П30-18-30. Это означает, что оно предназначено для обустройства временных подъездных путей; имеет форму прямоугольника; длину – 3 м, ширину – 1,75 м и рассчитано на проезд по нему автомобиля массой 30 т. Толщина этой плиты в соответствии с ГОСТом составляет 170 мм и при ее изготовлении была применена ненапрягаемая арматура.

Другой пример: 1П60-19-30AV. Это железобетонное изделие используют для обустройства дорог постоянного пользования. Оно имеет следующие габаритные размеры: длину – 6 м, ширину – 1,87 м и толщину 0,14 м. Максимальный вес автомобиля составляет 30 т. При изготовлении использовалась предварительно напряженная арматура из стали класса А-V.

Плюсы и минусы укладки дороги из сборных ж/б плит
Достоинства:
- Не требуется тщательная подготовка базы для укладки ЖБДП.
- Невысокая стоимость используемых материалов.
- ЖБДП имеют высокие показатели по прочности, морозостойкости и устойчивости к значительным перепадам температур. Поэтому их можно применять, практически, на всей территории Российской Федерации.
- Технология укладки подобной дороги может быть реализована на любых грунтах (даже на болотистой местности).
- Возможность многократного использования ЖБДП.
- Монтаж плит не требует больших трудозатрат и его можно осуществить за короткий период времени.

- Чтобы продлить эксплуатационный срок ЖБДП их можно на завершающем этапе покрыть тонким слоем асфальта.
- Использовать подъездной путь можно либо сразу по окончании обустройства дороги (если для заделки швов между плитами использовали только песок), либо через 48 часов (если применялся влажный песчано-цементный раствор).
- Применение изделий в широком температурном диапазоне – от -40 градусов по Цельсию до +
При всех достоинствах существует один серьезный недостаток, который следует принимать во внимание. Подобная дорога представляет собой своеобразный конструктор, собранный из большого количества элементов, которые уложены на грунт. С течением времени возможны подвижки почвы, в результате чего геометрия всего уложенного дорожного полотна может поменяться, а между плитами образоваться значительные щели.
На заметку! Для того чтобы не допустить разрушения уже обустроенной дороги или снижения ее эксплуатационных характеристик необходимо постоянно следить за ее состоянием и в случае необходимости сразу же устранять выявленные повреждения.
Методика укладки дорожных плит
Последовательность работ такова:
- Подготовительные действия. Делают разметку будущей дороги. Снимают верхний слой грунта, используя спецтехническое оборудование (например, экскаватор).
- Роют траншею, глубина которой варьируется в пределах от 250 мм до 500 мм. Это зависит от типа грунта, например, если почвы глинистые, то следует больше заглубляться.
Важно! Первый совет: если дорога сооружается для постоянного использования, то следует задуматься об обустройстве дренажа (для этого тоже понадобится экскаватор). Второй совет: ни в коем случае нельзя производить укладку дорожных плит прямо на грунт. Это чревато тем, что впоследствии они просядут, и дорога будет разрушена.
- Тщательным образом производят трамбовку грунта на дне траншеи. Для этих целей применяют виброплиту.
На заметку! Необходимо осуществлять контроль уровня грунта. Делают это с помощью нивелира или веревки, натянутой на нужной высоте.
- Чтобы подушка, которую будут обустраивать позже, не вымывалась, на дно траншеи укладывают геотекстиль.
- Поверх него насыпают «подушку», представляющую собой слой щебня (около 100 мм) и слой карьерного песка (порядка 200 мм). Высота подсыпки может быть и больше: это зависит от нагрузок, которые придется принимать на себя плитам, а также типа грунта.

На заметку! Для усиления «подушки» песок следует смешать с цементом. По обустроенной таким образом дороге можно будет проехать только по истечении 48 часов после ее обустройства.
- Далее следует проливка «подушки» водой. Это надо делать обязательно, чтобы в подсыпке под ЖБДП не оставалось каких-либо пустот.
- Затем производят тщательное уплотнение песчаного слоя с помощью виброплиты, катка или ручной трамбовки. Делают это послойно. Если замечают наличие углублений или провалов, то в них подсыпают необходимое количество песка.

- Последовательно одну за другой дорожные плиты монтируют на «подушку». Обойтись без грузоподъемного оборудования на этом этапе вряд ли получится. После монтажа изделия на песок поверх него укладывают толстую доску, по которой несколько раз ударяют кувалдой. Это делают для того, чтобы ЖБДП всей своей поверхностью прижалась к «подушке». Во избежание каких-либо перекосов крайний ряд дорожных плит монтируют вдоль шнура, натянутого при разметке.

На заметку! Технология допускает монтаж плит либо с небольшим зазором, либо встык.
- Зазоры между уложенными плитами заполняют либо песком, либо песчано-цементной смесью. При использовании первого способа материал необходимо обильно пролить водой, чтобы он основательно уплотнился. При применении второго метода обязательно надо скрепить монтажные петли ЖБДП между собой при помощи сварки.
- Для финишного выравнивания дорожного полотна иногда поверх плит укладывают слой асфальта.
Особенности, которые необходимо учитывать при укладке
Требования, которые предъявляют к дорожным плитам:
- Толщина изделий должна быть порядка 140 мм (или больше, но никак не меньше).
- Армирование плит обязательно.
- Плотность бетона, из которого изготавливают ЖБДП, должна находиться в пределах от 2200÷2500 кг/м³, а морозостойкость – F150 или F
- Форма изделий может быть любой (например, прямоугольной или квадратной).
На заметку! Следует помнить, что не всякая дорожная техника является универсальной и может осуществлять укладку ЖБДП любой формы.
- Используют изделия с либо рифленой, либо гладкой поверхностью. Предпочтительнее первый вид плит, так как на них образуется меньше наледи, да и сцепление колес с дорогой лучше.
- Если ЖБДП имеют монтажные петли, то они должны быть расположены в технологических выемках, чтобы после укладки дороги скобы не мешали движению транспортных средств.
zamesbetona.ru
типы, размеры и цены, технология, фото
Вконтакте
Google+
Одноклассники

Строительство каркасных домов все больше набирает популярность.
Причем, если несколько лет назад эта технология применялась исключительно для возведения загородных сезонных построек, то сейчас широко применяется и в капитальном жилом строительстве.
В процессе планирования работ, первым делом встает вопрос выбора надежного и недорогого фундамента. Из большого многообразия типов фундаментов для каркасного дома стоит выделить фундамент основой которого является монолитная железобетонная плита. Этот вариант отличается экономичностью, скоростью и относительной простотой возведения.
Статья содержит информацию о том, как используются плиты для фундамента: размеры и цены на них.
Общая информация

Дорожные плиты – это железобетонные изделия, предназначенные для обустройства автомобильных дорог, железных дорог, дорог для тяжелой гусеничной техники и аэродромных полос
Применяются для сооружения дорожного полотна на особо сложных грунтах, на пучинистых, торфяных и болотистых почвах, почвах, подверженных горизонтальному сезонному смещению.
При строительстве капитальной магистрали, являясь элементом «подушки», плиты укладываются под асфальтным полотном, образуя надежное основание, использование для временных целей подразумевает укладку элементов прямо на верхний слой грунта и связывание их между собой.
Подобный фундамент из плит перекрытия своим устройством схож с монолитной железобетонной плитой, но есть и свои отличия. Он представляет собой пластичное железобетонное основание, расположенное на песчано-гравийной подушке с заложением утеплителя и гидроизоляции.
Для того, чтобы получить полноценную опору для каркасного дома, достаточно залить сверху цементную стяжку и дождаться ее кристаллизации.
Используется также жб плита под блочный фундамент.
Фундамент из дорожных плит для дома применяется довольно широко:
- Районы Крайнего Севера и районы с вечной мерзлотой.
- Сооружение домов на пучинистых и песчаных грунтaх.
- При строительстве на грунтах с сильным горизонтальным смещением.
- Применяются в горной местности, где углубление в землю и забивание свай для постройки других типов фундамента невозможно.
- Кроме этого, возможно применение и на обычных грунтах, в любой климатической зоне, но экономически нецелесообразно.
Как видно из перечня, этот тип опоры для строений возможно применять практически на любых типах почв и в любой климатической зоне.
Важно! Монолитная железобетонная плита фундамента отличается по своим эксплуатационным характеристикам. Поэтому при планировании постройки необходимо выбрать правильную толщину и тип.
Типы дорожных плит

Монолитная жб плита фундамент из которой рассматривается в данной статье, производятся для различных условий эксплуатации, поэтому имеют разные характеристики.
Ниже перечислены наиболее распространенные типы дорожных плит, применяемые при строительстве фундаментов:
- Плита дорожная (ПД) 2П-30-18-10. Размеры 300*175*17 см. Предназначена для временной укладки, грузоподъемность 10 тонн;
- ПД 2П-30-18-30. Размеры те же, грузоподъемность 30 тонн;
- ПД 1П-30-18-10. Для постоянной укладки;
- ПД 2П-60-20-30. Размеры 600*200*140 см, грузоподъемность 30 тонн.
Кроме этих, есть и другие специфические типы плит, например, марок ПАГ, они предназначены для строительства аэродромов и в частном монтаже не используются. Жби плиты ограждения в качестве фундамента также могут применяться. Отличаются дорожные плиты и степенью натяжения арматуры и формой изготовления боковой грани, что также несущественно при постройке фундамента для каркасного дома.
При монтаже фундамента для частных сооружений можно использовать все вышеперечисленные типы дорожных плит. Здесь все зависит от материала изготовления самой постройки и ее назначения. Например, для постройки каркасного дома целесообразно использовать плиты, толщиной 14 см, ввиду его небольшого веса.
Если планируется возведение строения из кирпича или бетонных блоков, нужно использовать плиты, грузоподъемностью 30 тонн и толщиной 17 см. Необходимые параметры для каждого конкретного случая необходимо грамотно рассчитать.
Расчет фундамента

Точный расчет осуществляется специальными организациями, но в индивидуальном строительстве, при высоте строения не больше двух этажей вполне по силам сделать это самостоятельно.
Толщина плиты зависит от массы строения, то есть напрямую от материала изготовления. Также большую роль здесь играет уровень грунтовых вод, расчетное сопротивление грунта, площадь строения и толщина песчано-щебневой подушки.
Например, рассчитаем толщину дорожной плиты, необходимую для постройки одноэтажного дома из деревянного бруса, размерами 8*8 м:
- Рассчитаем общий вес дома. Объем древесины составит около 50 кубических метров. Плотность древесины 700-800 кг/кубический метр. Отсюда масса сруба получится около 40 тонн. Добавим массу крыши и утеплителя, а также межкомнатных перегородок и получим 70-80 тонн.
- Масса дома вместе с мебелью и другими предметами быта составит не более 100 тонн.
- Посчитаем массу нагрузки на 1 квадратный метр фундамента. Общая площадь фундамента – около 70 квадратных метров. Получается, что примерная нагрузка составляет 1400 кг на квадратный метр.
- Подбираем толщину плиты по справочнику. Самая простая плита, толщиной 14 см и длиной 6 м выдерживает нагрузку до 30 тонн при площади 12 квадратных метров. Один квадратный метр, соответственно выдерживает до 2,5 тонн нагрузки.
- Делаем выводы. То есть, в случае применения данного типа плиты, имеется примерно двукратный запас прочности фундамента, при необходимом запасе в 1.3 раза. Следовательно, данную марку плит применять можно.
Важно! Укладывается фундамент монолитная ж б плита с тщательным соблюдением технологии всего «пирога» опоры. Бессмысленно делать расчет нагрузки на плиту и строить дом, если весь фундамент из бетонных плит «поплывет» вследствие неправильно проведенных земельных работ.
Технология
1. Подготовка территории. Площадь предполагаемого строительства очищается от мусора, травы, если есть деревья, их необходимо выкорчевать. Обеспечивается свободный проезд для подвоза и разгрузки плит.
2. Разметка территории. Сначала отмечается крайняя угловая точка будущего фундамента. От нее отмеряется необходимая длина будущей постройки. В обоих точках вбиваются металлические или деревянные колья и между ними натягивается строительный шнур. Далее, с помощью элементарных математических измерений, находится следующий угол, а затем и последний, четвертый. Все колья соединяем веревкой. Окончательная вымерка производится измерением диагоналей получившегося четырехугольника. Они должны быть равны.
3. Земляные работы. Первым делом вырывается котлован до нижнего уровня залегания грунтовых вод. Это примерно 1 – 1,5 метра, в зависимости от местности.
Дно котлована выравнивается и сверху насыпается песок, слоем в 40-50 см. Каждые 20 см слоя необходимо полить водой и тщательно утрамбовать с помощью виброплиты или трамбовки. На этом же этапе монтируются все подземные коммуникации.
На песок расстилается слой геотекстиля с нахлестом слоев друг на друга в 20 см, для предотвращения смешивания песка и щебня. На геотекстиль насыпается слой мелкого и среднего щебня, толщиной 30-40 см. Он служит гидроизолятором и распределяет нагрузку от плит.
Сверху щебень проливается цементным молоком до полного заполнения промежутков между отдельными камнями. Сверху, раствор должен покрывать щебень слоем 2-3 см. Это т.н. подбетонка.
4. После полного застывания подбетонки, необходимо нанести слои гидроизоляции. Обычно используют рубероид в 2 слоя, но можно применять и другие материалы. Полоски рубероида накладываются внахлест на 5-10 см и пропаиваются горелкой или паяльной лампой.
Важно! Гидроизоляция должна быть больше площади основания и выходить за него на 40-50 см.
5. На слой гидроизоляции укладывается утеплитель. Предпочтительнее всего использовать пенопласт или пеноплекс. Толщина слоя может варьироваться от 10 до 15 см, в зависимости от климатического пояса, но, при этом, утеплитель не должен быть выше уровня почвы. Стыки листов материала тщательно промазываются мастикой или пропениваются монтажной пеной.
Важно! Теплоизолирующий материал должен иметь повышенную плотность, так как он является основанием для укладки железобетонных дорожных плит.
6. Монтаж опалубки. Можно использовать готовую опалубку, либо изготовить ее на месте из досок, толщиной не менее 2,5 см. Высота опалубки должна быть равна высоте плит в уложенном состоянии плюс 5 см. Доски или щиты монтируются по всему периметру фундамента и тщательно закрепляются с помощью саморезов или гвоздей.
При желании, можно уложить внутрь опалубки полимерный утеплитель и концы гидроизоляции, оставшиеся при ее укладке под утеплитель. Это избавит в дальнейшем от необходимости производить земляные работы с целью утепления фундамента.
7. Укладка дорожных плит. На подготовленное основание с помощью строительной техники укладываются плиты. Они укладываются плотно друг к другу, зазор в 10 см необходимо оставить только между опалубкой и краями элементов.

8. После укладки всех элементов фундамента, поверхность заливается бетоном, марки не ниже М300. Все стыки между плит тщательно проливаются, сверху над плитами делается стяжка, толщиной 5 см с использованием армирующей сетки, сечением 5 мм и шагом 10 см. Поверхность тщательно выравнивается.
9. После полного застывания (под фундамент железобетонная плита застывает около месяца), производится демонтаж опалубки и
Преимущества и недостатки
Плюсы:
- Универсальность. Фундамент из дорожных плит можно сооружать практически в любых климатических условиях, на всех видах почв, кроме глубоких болот. Это обусловлено большой площадью опоры на грунт, и, как следствие, хорошей устойчивости всего фундамента.
- Простота закладки фундамента. При строительстве используются элементарные инструменты и минимум теоретических знаний. Работа однотипная и несложная.
- Прочность и надежность, сравнимая с характеристиками монолитного железобетонного фундамента.
- Экономичность. При схожих эксплуатационных характеристиках, такой фундамент, будет в полтора-два раза дешевле монолитного.
- Время постройки такого фундамента невелико и сравнимо с трудочасами при постройке ленточного фундамента, при несравнимо лучших характеристиках.
Минусы:
- При покупке бывших в употреблении материалов, нет возможности оценить их остаточное качество.
- Для доставки изделий на стройплощадку и закладки их в котлован, необходимо использовать тяжелую технику.
- При использовании данного типа фундамента нет возможности обустроить цокольный этаж или подвал.
- Невозможность замены или ремонта подземных коммуникаций дома без существенного демонтажа фундамента.
Фото
Как выглядит фундамент из дорожных плит на фото смотрите ниже:





Полезное видео
Ознакомьтесь визуально с процессом укладывания дорожных плит на видео ниже:
Выводы
Сооружение фундамента из дорожных плит является взвешенным разумным решением, которое позволяет возвести относительно недорогой фундамент, обладающий впечатляющими характеристиками надежности за сравнительно небольшой промежуток времени. Такое решение будет идеальным при строительстве каркасного дома в любой местности.
Вконтакте
Google+
Одноклассники
ochag.online
Дорожной плиты, ГОСТЫ, СНиП | Железобетонные каркасы
Дорожное строительство берет свое начало с древних времен, поэтому подходы к реализации имеют крайне широкую историю. Например, первым подобием современных железобетонных плит являются древесные породы, которые на схожий манер укладывались друг на друга в виде перекладин. Для этого чаще всего использовался: ясень, дуб, липа с дубовым настилом.
Первым следы подобного дорожного строительства была зафиксированы в XXXIX веке еще до нашей эры. Географическое местоположение указывает на территорию современной Англии, а также восточную часть Месопотамии.
Однако реальный прародитель современных дорожных плит был обнаружен на острове Крит в 3-ем тысячелетии до нашей эры. Тогдашнее дорожное строительство представляло из себя крупногабаритные мощеные дороги, которые покрывались известняковыми плитами. Их толщина достигала 15 см, что в 5 раз больше в сравнение с сегодняшними плитами.
Первые настоящие железобетонные плиты были использована при строительстве дорог в Детройте, 1909 год. Основной целью использования ЖБИ было не столько практическая польза, сколько экспериментальная.
Муниципальное управление хотело проанализировать эффективность использования данного метода в строительстве, исходя из того, как бетон будет переживать различные нагрузки: в первую очередь физические и климатические.
Высокопрочные плиты показали наилучшую результативность и окончательно утвердились как одно самых эффективных решений в дорожном строительстве.
ПРАКТИЧЕСКАЯ ПОЛЬЗА
Железобетонные дорожные плиты представляют из себя элемент общей группы искусственных инженерных сооружений, взаимосвязанных между собой. Первичной целью использования плит этого типа является покрытие автомобильных дорог общего пользования разных типов проходимости с целью обеспечения безопасного их эксплуатирования. Особенной чертой конкретно данного вида покрытия является его долговечность и практическая польза.
В России на сегодняшний железобетонные дорожные плиты применяются в целом ряду областей:
— покрытие городских дорог общего пользования;
— покрытие трамвайных и троллейбусных путей;
— покрытие взлетных полос на аэродромах;
— покрытие дорог, отведенных под пользование транспортом большого тоннажа;
— покрытие дорог при строительстве скоростных автомагистралей.
ПРОЦЕСС ИЗГОТОВЛЕНИЯ
На сегодняшний день в России для изготовления железобетонных плит есть ряд ГОСТов, которые применяются к каждому отдельному типу ЖБИ, в зависимости от способа его эксплуатации:
- ГОСТ 21924.0-84 «Плиты железобетонные для покрытий городских дорог. Технические условия»;
- ГОСТ 25912-2015 «Плиты железобетонные предварительно напряженные для аэродромных покрытий. Технические условия»;
- ГОСТ 3.504.1-20 «Покрытия проездов и рабочих площадок портовых территорий»;
- ГОСТ 3.503.1-91 «Дорожные одежды с покрытиями из сборных железобетонных плит для автомобильных дорог в сложных условиях»;
- И др.
Процесс изготовления дорожных плит в большинстве своем представляет из себя один и тот же метод, реализуемых разными способами, в зависимости от того, какой тип плиты требуется изготовить. Однако в большинстве своем это: замес песчаного бетона, щебня и чистого бетона. Помимо этого, в состав входят различные пластификаторы, за счет их использования достигает уменьшение расхода цемента и увеличение степени жесткости конечного продукта.
Самый распространенный тип изготавливаемых плит – дорожный. При его изготовке используются марки тяжелого бетона, такие как M400 – M800. Показатель плотности – средний. Стальная арматура может быть ненапряженной или заранее напряженной.
В регионах, которые преимущественно склонны к повышенному износу дорожного покрытия ввиду географического и климатического факторов, используются различные добавки. В большинстве своем это: гранитный щебень, известняковый щебень, газообразующие и пластифицирующие добавки. Это позволяет в разы увеличить срок службы плит.
Для изготовления напрягаемой арматуры предварительно напряженных плит используется стержневая термохимическая упрочненную арматурную сталь классов Ат-V, Ат-IV и Ат-IVC и горячекатаную классов А-V и Ат-IV.
Для изготовления ненапрягаемой арматуры применяется арматурная проволока класса Вр-I и стержневая арматурная сталь классов Ат-IIIC, А-III и А-I.
beton-karkas.ru
Как укладывать плиты дорожные — Фундамент своими руками
Что такое дорожные и аэродромные плиты?
При строительстве нового поселка или даже одиночного коттеджа принято начинать с подъездных дорог.
Обычно для таких сооружений требуется хорошее, т. е. твердое и прочное основание.
Проще всего и быстрее проложить автомобильную дорогу из готовых сборных элементов. Такими элементами являются дорожные железобетонные плиты. Автомобильная дорога, построенная из таких высокопрочных изделий с соблюдением несложных правил, послужит не только во время строительства, но и еще много десятилетий после него. Если же вы, по каким-то причинам, продав свой загородный дом, захотите переехать в другой район, вы можете забрать временную дорогу с собой и проложить ее в районе нового строительства. Для этого нужен подъемный кран. Самая широкая плита типа 1П 60.38, имеющая габаритные размеры 6 х 3,75 м имеет вес 7,85 тонны. Три плиты на КАМАЗ и две на прицеп – и 30 м дороги можно увезти на новое место. Если были использованы плиты типа 1П 60.18, то ширина одной плиты уменьшится до 1750 мм, т. е. более чем в 2 раза, а вес – будет всего 3 650 кг.
Что нужно проделать для прокладки новой дороги? Технология укладки плит.
Перед строительством дороги необходимо определить выделяемый бюджет и только тогда составлять смету. Вот, к слову, ознакомьтесь- дорожные плиты размеры ГОСТ.
Чтобы на новом месте проложить новую дорогу нужно проделать следующие действия:
1. Решите, какой ширины будет дорога:
— для подъезда/отъезда к дому легкового автомобиля достаточно 1 800 – 2 000 мм, т. е. одна плита типа 1ПББ – дорожная плита с двумя бортами или дорожная плита 1П 60.19, имеющая ширину 1 870 мм;
— для проезда двух машин, чтобы была возможность им разминуться на малой скорости движения достаточно 2, 0 – 2,2 м ширины легкового автомобиля и 2,5 – 2,7 м для грузового автомобиля. Поэтому минимальной шириной самой простой дороги должна быть ширина 4,5 м и по 30 – 50 см ширина обочины из щебня с каждой стороны твердого полотна.
2. Проложить на местности главную ось дороги.
3. Отмерить от оси по обе стороны по 2,75 м и поставить метки – деревянные колышки.
4. Удалить из размеченной зоны плодородный грунт на глубину не менее 40 – 55 см. Делают это бульдозером или скрепером (на большом строительстве). Удаленный грунт складируют в стороне для дальнейшего использования. Если грунт на территории будущей дороги не плодородный, то его можно (или нужно) вывезти для засыпки, например, начала оврага или в другое место.
5. Получившуюся широкую и мелкую траншею засыпать слоем щебня или гравия, толщиной не менее 150 – 200 мм и разровнять. Сверху засыпать слой песка такой же толщины. После разравнивания песок полить водой и утрамбовать вибродоской или трамбовкой.
6. Восстановить разметку главной оси дороги. Для этого лучше использовать отрезки арматуры.
7. Уложить плиты выбранного размера с помощью подъемного крана, максимально плотно. При этом грузоподъемный механизм может заезжать на уже уложенные плиты и тем самым уплотнять их посадку.
8. Чтобы плиты при эксплуатации не разошлись вправо-влево, используйте отрезки арматуры с главной оси дороги. С их помощью сварите петли соседних плит.
9. Приготовить цементно-песчаный раствор (в соотношении 1 : 3) и заполняя пустоты плит в зоне петель мелким гравием, забетонировать их вровень с поверхностью плиты. Заполнять только продольные швы. Поперечные швы предназначены выполнять роль термокомпенсаторов и должны заполняться битумной мастикой или другим эластичным материалом.
10. Обочины дороги – зону между плитой и краем «котлована» дороги следует заполнить щебнем или гравием. Если поблизости есть песчано-каменистый грунт или карьер, то заполнитель можно привезти оттуда. Заполнение должно быть с небольшим запасом на усадку.
Дорога построена, пользуйтесь до следующего переезда.
Как укладывают дорожные или аэродромные плиты? Правильная укладка дорожных плит, Компания
Что такое дорожные и аэродромные плиты? При строительстве нового поселка или даже одиночного коттеджа принято начинать с подъездных дорог. Обычно для таких сооружений требуется хорошее, т.
Источник: anler-group.ru
Укладка дорожных плит

Технология укладки дорожных плит
Кроме этого, используя дорожные плиты, становится возможным в кратчайшие сроки сделать качественное дорожное покрытие. В данной статье будет рассказано про виды дорожных плит и технологию их укладки.
Виды дорожных плит
Дорожная плита это плоское ЖБ изделие, имеющее толщину 14-18 см. Наибольшее применение дорожные плиты получили при обустройстве временных и постоянных дорог. Основными материалами для их изготовления, служит бетон и арматурные прутья, которые используются в качестве армирующих элементов.
Дорожные плиты, подразделяются в зависимости от своих характеристик на такие виды:
- 2П 30 — преимущественно используют при обустройстве временного покрытия, поскольку эти плиты, способны выдержать нагрузку не больше чем в 30 тонн;
- ПДП 3 — данный вид дорожных плит является универсальным. Он может использоваться как при обустройстве постоянных покрытий, так и для устройства временного основания.
- 1П30 плиты используются для строительства постоянных дорог.
Кроме того, существует специальный вид дорожных плит, маркируемый буквенным обозначением — ПДН.

Данные плиты имеют сверхпрочных каркас, а их основное предназначение, это строительство дорожных покрытий в крайне сложных условиях.
Технология укладки дорожных плит
Следует знать, что укладка дорожных плит, подразумевает определённый этап подготовки основания для этих целей, поскольку класть ЖБ плиты просто на землю нельзя. Для устройства основания, сначала снимается верхний грунт, затем производится разравнивание участка предназначенного под дорогу.
После этого, посредством спецтехники, разрывается траншея на глубину не менее чем в 30 см. Чтобы предотвратить в дальнейшем подмывание дорожных плит водой, на дно траншеи расстилается геотекстильная плёнка. Затем на геотекстиль укладывается подушка под дорожные плиты, состоящая на 10 см из слоя щебня и на 20 см из слоя речного песка.

Далее песчаную подушку обильно проливают водой и тщательным образом утрамбовывают с помощью виброплит или катка. Это очень важный этап устройства основания под дорожные плиты, во время которого постоянно производится контроль уровня грунта.
Укладка железобетонных плит может быть выполнена вплотную, либо же с некоторым зазором. Если выбран именно второй способ, то имеющиеся щели между плитами, после окончания всех работ, необходимо засыпать песком.
Технология укладки дорожных плит и устройство основания под них
Следует знать что технология укладки дорожных плит производится определённым образом, поскольку класть дорожные плиты просто на землю нельзя. Для этих целей
Источник: samastroyka.ru
Как укладывать дорожные плиты?
Дорожные плиты являются отличным способом быстрой организации инфраструктуры. Дело в том, что на собственном приусадебном участке вполне можно использовать обыкновенную тротуарную плитку. Однако, если речь идёт об организации дорог в коттеджном посёлке, то подобный метод не подходит, так как транспорт достаточно быстро уничтожит созданную дорогу.
Дорожные плиты выполняются из бетона. Благодаря этому они обладают высокой прочностью. Методика монтажа даёт возможность организовать временные дороги или стационарные подъезды за считанные дни. В нижеприведённой публикации опишем способ создания дороги из дорожных плит.
Принципы подготовки поверхности под дорожные плиты

Естественно, при создании дороги необходимо учитывать некоторые технические аспекты. К примеру, всегда рекомендуется выполнять технологический уклон. Он должен быть не более 3-5 градусов.
Но это позволит сделать так, чтобы дождевая вода естественным образом скатывалась с дороги. Благодаря этому даже в ливень будет сохраняться весьма качественное сцепление с дорогой (отсутствие аквапланирования).
Кроме того, не стоит забывать о том, что технически бетонные плиты могут стать эффективной основой для укладки слоя асфальта. В результате может получиться стационарная дорога, которая будет использоваться в течение длительной перспективы.
Между тем, финансово она обойдётся очень дёшево и вполне по силам в отношении денег для жителей коттеджного посёлка.
Технология создания дороги из дорожных плит

Ниже описаны этапы организации:
- предварительно грунт выравнивается при помощи бульдозера;
- затем роется относительно неглубокая траншея;
- траншея заполняется поочерёдно щебнем и песоком;
- выполняется вибропрессование для достижения ровной поверхности;
- устанавливаются при помощи подъёмного крана бетонные плиты.
Стоит отметить, что существуют два способа монтажа дорожных плит: влажный и сухой. Первый подразумевает использование цементно-песочного раствора. Эта методика используется лишь в случае, если подразумевается длительная эксплуатация дороги (годы).
Однако, если дорога временная, то в этом нет необходимости. Плиты подгоняются друг к другу до зазора в 3 мм. Затем этот зазор заполняется песком и проливается обыкновенной водой.
После этого дорога готова к эксплуатации.
Как укладывать дорожные плиты? Узнайте о самом простом способе организации дорог
Дорожные плиты являются отличным способом быстрой организации инфраструктуры. Дело в том, что на собственном приусадебном участке вполне можно использовать обыкновенную тротуарную плитку. Однако, если речь идёт об организации дорог в коттеджном посёлке, то подобный метод не подходит, так как
Источник: www.stroim-2014.ru
Строительство домов
Как бы ни хотели жители загородных поселков обитать поближе к природе, без некоторых элементов благоустройства, таких как дорожки, обойтись не получится. Они должны быть функциональными и удобными, а также хорошо облагораживать весь поселок. На своем участке можно использовать в качестве дорожки вымостку из натурального камня, но вместе с этим для общих улиц больше подойдет укладка дорожных плит, которые активно используются девелоперские фирмы и кооперативы граждан.
Предназначение дорожных плит
Железобетонные плиты называют уникальным материалом для изготовления дорог, который способен выдержать огромные нагрузки. Назначение подобных изделий бывает самым разным. Это возведение временных дорог для объектов строительства и создание постоянных подъездных путей к предприятиям, подъезда к малонаселенным пунктам в сельской местности, что удалены от основных дорог на небольшое расстояние.
Технология укладки железобетонных плит позволяет строить дороги абсолютно в любой местности и активно их использовать. К тому же на поверхности дорожных плит допускается монтаж асфальта, который защищает плиты и продлевает срок полезной эксплуатации полотна. Приятная особенность применения этих ЖБИ изделий – возможность повторной эксплуатации, если плиты сохранили свои характеристики, что позволяет существенно сэкономить. Из плит, что были в употреблении, вполне получится соорудить временное дорожное покрытие.

Когда временная площадка для складирования становится ненужной, подобное покрытие просто можно демонтировать и перевезти плиты в другое место, где их можно использовать без ограничений по основному назначению. Дорожные плиты, которые были в употреблении, от изделий, только что сделанных на заводе, отличаются исключительно внешним видом. Между тем, цена укладки дорожных плит, что были в употреблении, меньше монтажа новых на 40 – 50%.
Дорожные плиты можно использовать в широком диапазоне температур, что актуально для нашей страны — от минус 40 до плюс 55 градусов. Более высокой температурной стойкости можно достичь при помощи специальных примесей, что позволяют обеспечивать качественными дорожными покрытиями даже самые отдаленные уголки страны.

Главное преимущество железобетонных плит состоит в возможности их быстрого монтажа и относительно простой подготовке основания для устройства дорожного покрытия. Ещё одно достоинство использования дорожных плит при строительстве дорог – это быстрота разбрасывания плит. Дороги из железобетонных дорожных плит — не только эстетически привлекательные, но и приятны для водителей.
Однако с дорожными плитами не всё просто. Монтаж железобетонных плит имеет и свои недостатки. При производстве плиты укладывают на грунт, в результате чего возникают швы. Дорога из подобных плит в результате подвижек грунта может разойтись, поэтому в месте применения бетонных плит нужно постоянно следить за их видом и состоянием. Это способствует своевременному устранению различных негативных явлений и длительному использованию дорожного покрытия.
Конструкция дорожных плит
Дорожные плиты представляют из себя плоские прямоугольные плиты из железобетона, которые имеют толщину близко 14 – 18 сантиметров. Эти изделия выполняются на основе напряженной или ненапряженной арматуры. Рабочая поверхность железобетонных плит имеет рифление. Изделия по торцевым граням имеют монтажные петли, однако плиты могут сооружаться и под беспетлевые захваты. Монтажные петли располагаются в специально сформованных углублениях так, чтобы исключить возможность их попадания на внешнюю поверхность во время.
В них связующим веществом выступает бетон. Применяемый в дорожной плите железобетон придает стойкость изделия к любым атмосферным и механическим воздействиям. Чем выше использована марка бетона, тем большие нагрузки будет выдерживать такая конструкция. если вас интересует, сколько весит дорожная плита, то запомните, что её вес обычно составляет минимум 2 200 килограмм. Дорожные плиты изготавливают из бетона, что имеет плотность 2200 — 2500 килограмм на метр. Зачастую дорожные плиты изготавливают из бетона с морозостойкостью до W2 и F150.

Благодаря присутствию в конструкции стальных прутьев, она прослужит долгие годы и сохранит свои технические свойства. Для производства напряженных плит применяют арматуру классов Ат-5, Ат-4, А-5. В ненапрягаемых плитах используют стержневую арматуру классов A-3C, А-3 и А-1 и проволоку Вр-1. Сокрытая арматура защищена от солнечных лучей, механических воздействий и атмосферных осадков. При установке дорожные плиты возвращаются в исходное положение, и напряжение, которое образуется в штатном режиме, является минимальным.
Стандартом предусмотрены такие типовые размеры дорожных плит:
- длина 6 метров, ширина 1,75, 3, 1,87, 3,5 и 3,75 метров;
- длина 3,5 метров и ширина 2,75 метров;
- длина 3 и 1,75 метров;
- длина 1,75 метров и ширина полтора метра.
Дорожные плиты принято складировать в штабеля, что имеют высоту не больше 2 метров, нижний ряд при этом должен укладываться на выровненное и плотное основание. Каждая плита в штабеле укладывается на деревянные прокладки.
Классификация дорожных плит
Все дорожные плиты разделяют на два типа, чем и определяется их назначение: плиты для постоянных работ (плиты вида 1П) и для временного дорожного покрытия (2П). Дорожные плиты по своей форме бывают трех видов: в форме трапеции (плиты вида ПТ), прямоугольника и шестиугольника.
Плиты прямоугольной конфигурации бывают с 1 бортом по длинной стороне (плиты ПБ) и с 2 бортами по коротким сторонам (маркировка ПББ). Плиты в виде шестиугольника бывают диагональной ориентации (плиты ПДШ), поперечной ориентации (марка ПШП), шестигранной формы, разделенной пополам по диагонали (изделия ДПШ) и шестигранной формы, разделенной пополам поперек (плиты ППШ). Несмотря на многообразие конфигурации дорожных плит, которые предусмотрены стандартом, заводами железобетонных изделий в основном выпускаются только прямоугольные дорожные плиты для временных или постоянных автодорог.
Железобетонные плиты способны выдерживать нагрузки порядка 10 — 30 тонн. В маркировке изделия указывается допустимый уровень нагрузки. Наиболее распространёнными дорожными плитами выступают плиты ПДН (плиты дорожные с напряженной арматурой) 20-18-30. К сожалению, они имеют некие ограничения по нагрузкам при регулярном перемещении по ним большегрузных машин, однако для укладки в домашних условиях это не актуально.
Если вы можете себе позволить положить плиты аэродромные гладкие ПАГ, то это станет самым верным решением. Судя из названия, ПАГ изначально использовались при строительстве аэродромов, поэтому в их надежности нет сомнений. При их изготовлении применяется бетон высокой марки и усиленная арматура. Ещё одно достоинство аэродромных дорожных плит состоит в рифлёной поверхности, что также увеличивает их эксплуатационные характеристики.
Технология изготовления дорожных плит
Широкая популярность установки дорожных плит объясняется еще и несложной методикой их изготовления, для чего не требуется новое оборудование. Последовательность их изготовления такова:
- Подготовка формы – емкость очищается от присутствия старого бетона, на днище и борта наносится специальная смазка, которая снижает адгезию бетона к металлу использующей формы.
- Процесс армирования – 2 арматурные сетки укладываются в форму, устанавливаются фиксаторы, что гарантируют расстояние между сетками, и ограничители защитного слоя.
- Укладка бетонной смеси, которую уплотняют с помощью вибростолов.
- Отправление формы с забетонированной дорожной плитой в прогревочную камеру, где совершается ее термическая обработка.
- Произведение разопалубливания изделия, проверка качества железобетонных плит и нанесение маркировки.
- Отправка дорожных плит на склад готовой продукции, в котором они складываются штабелями.

Создание дорожки на участке
Функциональность дорожных плит позволяет их применять не только в местности, где требуется надежное и прочное покрытие для тяжелого транспорта, но также в домашних условиях. Данные изделия отлично подходят для этих целей, так как они являются достаточно прочными, на них не возникает наледь, потому что вода уходит быстро в пазы с замощенной поверхности, их просто ремонтировать – посредством замены одной плиты без проведения демонтажа всей дорожки, ездить по такой дорожке можно непосредственно после создания.
Выбор плит для дорожки
Железобетонными плитами легко можно выложить садовые тропинки, пешеходные дорожки, открытые площадки, автостоянку и солидный подъездной путь к дому. Формы дорожных плиток богаты собственным разнообразием. В продаже имеются квадратные, прямоугольные, треугольные, круглые, ромбовидные плиты, изделия неправильной формы, разных расцветок и размеров.
Для создания дорожки к дому можно использовать сочетание дорожных плит с мелким камнем, морской галькой, щебнем, пиленой брусчаткой. При обустройстве садовых дорожек можно использовать колотые дорожные плиты. Для колки изделий используют кувалду и зубило, обязательно нужно применять очки для защиты глаз от разлетающихся осколков. Наиболее популярные плиты для обустройства дорожек в домашних условиях – изделия с гладкой поверхностью.
Можно подобрать и плиты с рисунком или глубоким тиснением, которые имитируют мозаику, кирпич, плитку. Самый естественный вид дорожки можно получить при использовании плит с «колотой» поверхностью под натуральный камень. Однако лучше отдать предпочтение плитам с рифленой поверхностью, что обеспечивают безопасность при передвижении по дорожке в гололед или мокрую погоду.
Обустройство основания под плиты
Укладывать дорожные плиты прямо в почву нельзя. Сначала следует приготовить «ложе» для будущей дорожки и патио. Сначала срежьте верхний слой почвы, разровняв поверхность и убрав все неровности. Выройте траншеи по разметке глубиной близко 25-35 сантиметров. В низинах на суглинках и глинистых грунтах глубина траншеи должна быть не менее полметра. Дно необходимо выслать дренирующим нетканым материалом — геотекстилем.
Геотекстиль будет предотвращать прорастание сорняков и вымывание подобного песчано-гравийного основания. Затем засыпьте послойно траншею щебнем (5 сантиметров для садовых дорожек и 10 сантиметров для автостоянки или подъездного пути) и песком (10 сантиметров), уложите так называемую «песчаную подушку» с непременным трамбованием и поливанием водой через 5-7 сантиметров. Песок лучше использовать карьерный, потому что он менее ползучий и пылевой, чем речной, его легче будет утрамбовать.

Затем стоит песок уплотнить с помощью виброплиты. Можно также использовать виброкат, однако стоимость укладки дорожных плит посредством этой технологии несколько дороже. Протрамбовка и подсыпка должна обязательно контролироваться простым верёвочным маяком или нивелиром, что растянут по уровню. По окончанию трамбовки поверхность должна быть идеально ровной, так как по ней в дальнейшем укладывается железобетонное покрытие.
С учетом рельефа земельного участка оборудуйте небольшой уклон, чтобы дождевая и талая вода стекала без образования луж. К тому же можно создать основу для установки лотков ливневой канализации. Следующим шагом будет монтаж бортового камня или создание бордюр с пазом для проведения стыковки с рядовыми изделиями.
Мощение дорожки плитами
Дорожки представляют собой транспортные коммуникации на участке, а также являются важными элементами ландшафтного дизайна, которые отвечают за взаимодействие и взаимосвязь разных объектов садовой композиции. Поэтому при обустройстве маршруты не рекомендуется увлекаться витражами и резкими поворотами. Абсолютно прямые тропы также не являются вариантом, так как смотрятся неестественно.
Ширина дорожек должна подчиняться логике передвижения по территории и быть увязана с габаритными размерами уборочной техники, которую планируется использовать при обслуживании владения. Ширина дорожных плит, что используются в домашних условиях, составляет около полутора метра. Если вы планируете выложить пешеходные дорожки, будет достаточно ширины в 70-80 сантиметров. При обустройстве тропинок – полметра. Рекомендуемая ширина подъездного пути – 2,25 – 2,5 метра.

Существует две методики укладки твердого покрытия — «сухая» и «мокрая». В первом случае изделия правильной формы подгоняют плотно между собой (зазоры между плитами составляют не больше 2-3 миллиметров), после этого швы необходимо заполнить песком и пролить водой.
«Мокрая» технология укладки дорожных плит предполагает применение цементно-песчаного раствора, благодаря которому покрытие схватывается хорошо с песчано-гравийным основанием. В домашних условиях может практиковаться и промежуточный вариант — материал располагают на сухой цементно-песчаной смеси. После укладки дорожное покрытие проливают водой, затем камни и подстилающий слой схватываются.
Мы поступим следующим образом. Плиты рекомендуется размещать последовательно. Вдоль края дорожки натяните шнур, по нем вы будете выкладывать первый ряд плит. Поднимите первую плиту, в 5 точках на песок нанесите раствор, на который возвратите обратно плиту. Затем осадите её при помощи кувалды и доски. Уложите остальные плиты по такому же принципу. Вставьте между ними деревянные дощечки, что имеют толщину близко 8 миллиметров. Горизонтальность кладки контролируйте с помощью строительного уровня.

Укладывать их можно не только встык, но и с небольшим промежутком, который заполняют цементным раствором, камнем, песком. Во избежание царапания плит швы лучше расшивать влажным раствором, предварительно защитив дорожные плиты специальной клейкой пленкой. Дощечки вынимаются по окончанию работ, раствор застывает в течение двух дней. В промежутки также можно высаживать семена трав.
Вы уже поняли, что нельзя ни при каких обстоятельствах укладывать плиты непосредственно на голый грунт. Запомните ещё один момент. Если вы обустраиваете подъезд к дому или место для стоянки автомобиля, монтажные петли плит для надежности соединяют между собой на сварке с помощью стальных стержней, а пустоты заливают монолитным бетоном. Это позволит обустроить абсолютно ровную дорогу, чтобы избежать дальнейшего разъезжания и расползания плит. Поверх такого дорожного полотна желательно уложить асфальто-бетонную смесь.
Технология укладки дорожных плит, Строительный портал
Строительство домов Как бы ни хотели жители загородных поселков обитать поближе к природе, без некоторых элементов благоустройства, таких как дорожки, обойтись не получится. Они должны быть
Источник: strport.ru
Технология укладки дорожных плит при строительстве подъездных дорог
Укладка плит — один из самых эффективных способов обустройства временных дорог. Он не требует больших финансовых вложений и помогает в кратчайший срок положить покрытие там, где в нём есть необходимость.
Преимущества
Строительство дорог методом укладки крупных железобетонных плит имеет ряд существенных преимуществ:
- Высокая скорость работы. Нет необходимости ждать несколько недель, пока дорожное строительство будет завершено.
- Нет необходимости задействовать тяжёлую асфальтоукладочную технику.
- Использовать покрытие можно сразу же после окончания дорожного строительства.
- После того как необходимость в покрытии отпадёт, оно легко демонтируется. Железобетонные плиты могут быть использованы впоследствии повторно.
Дорожное строительство методом укладки железобетонных плит осуществляется повсеместно. Такие дороги можно увидеть в местах подъезда к строительным площадкам, в местностях с мягким, проседающим грунтом, возле стоянок или сельских аэродромов.
Универсальность — вот основное отличие данного метода строительства дорог. Укладывать плиты можно практически на любой грунт, чего нельзя сказать о классическом асфальтировании. Нет необходимости в подготовке основания, да и расходы на аренду спецтехники будут куда меньшими.
Возможность повторного использования — ещё один плюс в пользу плит. Справедливости ради следует отметить, что бывшие в употреблении плиты отличаются от новых только внешним видом и незначительными сколами в местах стыков. Стоят же они при этом на порядок меньше (в среднем на 40-45%).
Дорожное покрытие из плит не боится ни суровых климатических условий, ни резких температурных перепадов. Оно отлично ведёт себя в диапазоне температур от -45 до +55 °C. Более того, добавление в бетон специальных примесей способно ещё больше расширить этот температурный диапазон.
Требования к материалу
Существует ряд требований, предъявляемых к дорожным плитам при организации временных подъездов к строительным площадкам и промышленным объектам. Так, в частности, толщина этих плит не должна быть меньше 14 см. Внутрь в обязательном порядке должна быть встроена арматура, а плотность готового изделия должна находиться в диапазоне от 2,2 до 2,5 т/м. Что касается формы, то она может быть произвольной. Какая-то дорожная техника лучше производит укладку длинных прямоугольных железобетонных плит, какая-то — квадратных.
В зависимости от условий эксплуатации, поверхность плит может быть гладкой или рифлёной. Рифлёные плиты в большей степени защищены от образования наледи. С другой стороны, если по подъездным дорогам будет курсировать преимущественно гусеничная техника, то в создании рифлёной поверхности нет никакого смысла.
Немалые требования при дорожном строительстве подъездных путей предъявляются к качеству бетона. Именно от этого материала напрямую зависит, какие нагрузки сможет выдержать будущее покрытие и насколько хорошо оно будет сопротивляться атмосферным явлениям. Считается, что оптимальным для России является бетон, имеющий высокий класс устойчивости к морозу (F150). Если в дальнейшем планируется демонтаж плит и повторное дорожное строительство с их использованием, то желательно, чтобы в бетон были вмонтированы монтажные петли. Они должны находиться в специальных углублениях, чтобы не мешать движению автотранспорта после укладки.
Разновидности дорожных плит
Дорожные плиты различаются по форме и размеру. Размер указывается производителем в метрах, а для определения формы существует удобная система наименований. Так, к примеру, прямоугольные плиты обозначаются буквой «П», шестиугольные — «Ш». Есть и более сложные наименования. Например, «ППБ» обозначает: прямоугольная плита с двумя совмещёнными бортами.
Технология укладки железобетонных плит
Осуществляя дорожное строительство временных подъездных путей, необходимо помнить, что их прочность и эксплуатационные свойства напрямую зависят от соблюдения технологии укладки плит. Как и в случае с асфальтированием, подготовка грунта имеет далеко не второстепенное значение.
Подготовка грунта производится в следующем порядке:

- Верхний почвенный слой удаляется, а его поверхность разравнивается при помощи дорожной техники.
- Пользуясь услугами спецтехники, разрывается траншея глубиной от 30 до 50 см (в зависимости от типа грунта и целевой нагрузки на дорожное покрытие).
- Чтобы застраховать подъездную дорогу от размывания и прорастания сорняков, на дно прорытой траншеи укладывается геотекстиль.
- Поверх геотекстиля насыпается десятисантиметровый слой щебня, а поверх щебня около 20 см песка.
- Песчаную подушку поливают водой.
- Грунт тщательно утрамбовывается.
Для трамбовки грунта можно воспользоваться услугами спецтехники с виброплитой. Если устилать плитами нужно большую площадь, лучше применить каток. Не забывайте контролировать уровень грунта в процессе трамбовки (для этих целей используйте нивелир и верёвочный маяк).
После того как поверхность утрамбована, можно начинать укладку железобетонных плит. Если их размер не позволяет обходиться услугами имеющейся спецтехники, можно прибегнуть к аренде подъёмного крана на колёсах. Во избежание перекосов, первый ряд дорожных плит всегда укладывается вдоль растянутого шнура.
При строительстве подъездных дорог железобетонные плиты могут быть уложены с зазором либо вплотную одна к другой. В оставшиеся щели засыпается песок. С целью предотвращения появления трещин на дорожном покрытии швы предварительно расширяют влажным раствором, а сами плиты при этом покрывают плёнкой.
Если ожидается, что по подъездным дорогам будет перемещаться тяжёлая техника, их необходимо усилить. Для этого существует несколько способов. Самый простой — это добавить на этапе организации песчаной подушки цемент. Нередко для повышения прочностных характеристик дорожного покрытия монтажные петли бетонных плит сваривают вместе.
Технология укладки дорожных плит при строительстве подъездных дорог — устройство временных дорог и подъездных путей, полезная информация от компании «ВИК-95»
Укладка плит — один из самых эффективных способов обустройства временных дорог. Он не требует больших финансовых вложений и помогает в кратчайший срок положить покрытие там, где в нём есть необходимость.
Источник: vik95.ru
postroifundament.ru
Плиты дорожные железобетонные (П, ПБ, ПББ, ПТ, ПШ, ПШД, ПШП,ДШП, ППШ)
Из чего изготовляются и где применяются плиты дорожные?
Какие бывают типы железобетонных дорожных плит?
Как маркируются плиты дорожные железобетонные? Как расшифровываются условные обозначения маркировки?
Каковы нормативные требование к документу о качестве железобетонных дорожных плит, поставляемых потребителю?
Как правильно хранить и транспортировать плиты дорожные железобетонные?
Из чего изготовляются и где применяются плиты дорожные?
Ответ: Плиты дорожные железобетонные согласно требованиям ГОСТ 21924.0-84 изготавливаются из тяжелого бетона средней плотности не менее 2200 кг/м3 .
В качестве напрягаемой арматуры предварительно напряженных плит используют стержневую термомеханически упрочненную арматурную сталь классов Ат-V, Ат-IV и АТ-IVС и горячекатаную классов — А-V и Ат-IV.
В качестве ненапрягаемой арматуры должна применяться арматурная
проволока класса Вр-I и стержневая арматурная сталь классов Ат-IIIС,
А-III и А-I.
Плиты дорожные железобетонные предназначены для строительства автомобильных дорог с нагрузкой Н-30 (до 30 тонн) и расчетной температурой эксплуатации до минус 40°С.
Какие бывают типы железобетонных дорожных плит?
Ответ: Железобетонные дорожные плиты подразделяются на типы в зависимости от назначения и конфигурации.
В зависимости от назначения и вида эксплуатационного режима дорожные плиты подразделяются на :
1 – для постоянных автомобильных дорог;
2 – для временных автомобильных дорог.
В зависимости от конфигурации дорожные железобетонные плиты подразделяются на:
П – прямоугольная дорожная плита,
ПБ — прямоугольная дорожная плита с одним совмещенным бортом;
ПББ — прямоугольная дорожная плита с двумя совмещенными бортами;
ПТ — трапецеидальная дорожная плита;
ПШ — шестиугольная дорожная плита;
ПШД — шестиугольная осевая диагональная дорожная плита;
ПШП — шестиугольная осевая поперечная дорожная плита;
ДПШ — диагональная половина шестиугольной плиты;
ППШ — поперечная половина шестиугольной плиты
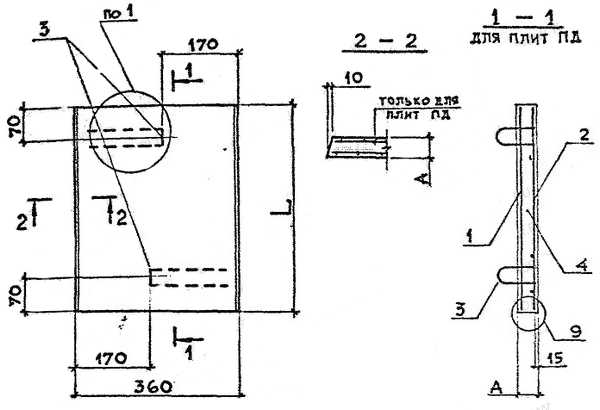
Как маркируются плиты дорожные железобетонные? Как расшифровываются условные обозначения маркировки?
Ответ: Плиты дорожные железобетонные маркируются в соответствии с требованиями ГОСТ 23009-78.
Марка железобетонной дорожной плиты состоит из буквенно-цифровых групп, разделенных дефисом.
Первая группа – обозначение типа плиты и ее размеров в дециметрах:
— для прямоугольных дорожных плит – длинна и ширина;
— для трапециевидных дорожных плит – только длина;
— для шестиугольных плит — диагональ.
Вторая группа – показатели допустимой нагрузки. Для предварительно напряженных плит – класс напрягаемой арматуры.
Третья группа – дополнительные сведения, например, отсутствие монтажных петель обозначается буквой «Б».
Пример условного обозначения:
1П30.18-30AV – железобетонная прямоугольная плита для постоянных автомобильных дорог, длиной 3000 мм, шириной 1750 мм, расчетной нагрузкой 30 тонн, с напрягаемой арматурой класса AV
|
Наименование изделия |
Марка бетона, класс |
Длина L, мм |
Ширина b, мм |
Высота (толщина) h, мм |
Эскиз |
|
1П-30-18-30AV |
В30 |
3000 |
1750 |
170 |
Каковы нормативные требование к документу о качестве железобетонных дорожных плит, поставляемых потребителю?
Ответ: Маркировочные надписи на железобетонных дорожных плитах должны наноситься на боковую или торцевую поверхность каждой плиты в соответствии с требованиями ГОСТ 13015.2-81.
В обязательном порядке, кроме общепринятых для всех железобетонных изделий, показателей качества , в сопроводительном документе должны указываться марки бетона по морозостойкости, водопроницаемости и водопоглощению
Как правильно хранить и транспортировать плиты дорожные железобетонные?
Ответ: Плиты железобетонные дорожные должны храниться в штабелях высотой не более 2 метров, рассортированные по маркам. Толщина прокладок между плитами должна быть не менее 50 мм.
Толщина прокладки между первой плитой и основанием должна быть не менее 100 мм.
Транспортировка плит железнодорожным или автомобильным транспортом должна производиться в рабочем положении с надежным закреплением, предохраняющим от смещения.
При подъеме и монтаже плит, конструкция которых не предполагает наличия арматурных петель необходимо использовать цанговые захваты.
sv777.ru
Дорожные плиты 2п – широкий сортамент, приятные цены
Плиты дорожные с ненапрягаемой арматурой
ПТК «Дорстрой» предлагает дорожные плиты с ненапрягаемой арматурой в широком ассортименте типов и размеров. У нас можно сделать заказ, в частности, на дорожные плиты 2п 30-18-30 для создания временных дорог и 1п – для возведения постоянно действующего подъездного пути. Мы гарантируем безупречное качество нашей продукции – этой характеристикой обладают и дорожные плиты 2п 30-18-30, внушительные производственные мощности, позволяющие обеспечить своевременное выполнение заказов, а также доступные цены.

| Типоразмер плиты | Длина | Ширина | Высота | Масса плиты,т |
| 1П 35.28 | 3500 | 2750 | 170 | 4,08 |
| 2П 35.28 | 3500 | 2750 | 170 | 4,08 |
| 1П 30.18 | 3000 | 1750 | 170 | 2,2 |
| 2П 30.18 | 3000 | 1750 | 170 | 2,2 |
| 1П 18.18 | 1750 | 1750 | 160 | 1,2 |
| 2П 18.18 | 1750 | 1750 | 160 | 1,2 |
| 1П 18.15 | 1750 | 1500 | 160 | 1,03 |
| 2П 18.15 | 1750 | 1500 | 160 | 1,03 |
Дорожная ж/б плита – отличное решение для устройства проезжей части
В сравнении с асфальтовым полотном, покрытие из дорожных ж/б плит имеет целый ряд неоспоримых преимуществ:
- Оно значительно более долговечное (добросовестно уложенная дорожная ж/б плита способна прослужить не один десяток лет даже при достаточно интенсивной нагрузке).
- Оно требует существенно меньше подготовительных работ – достаточно только провести срезку грунта по проекту, устроить песчаное основание и хорошенько его утрамбовать, а затем уже сверху вести монтаж дорожных ж/б плит, которые ровно лягут под воздействием собственного веса.
- Покрытие, изготовленное из дорожных ж/б плит, морозоустойчиво (может эксплуатироваться при температурах до -40 градусов Цельсия) и не боится химических воздействий (например, вследствие антигололёдной обработки).
- Оно гораздо более экономичное.
Полотно из дорожных плит гораздо более упругое, прекрасно гасящее вибрации, не образующее колеи и ямы, не требующее затратного и длительного ремонта раз в 3-5 лет, как обычная проезжая часть из асфальта.
Плита дорожная 30*18*30 – самый ходовой товар из данной серии
Наиболее популярным типоразмером является высокопрочная плита дорожная 30-18-30. Данное ж/б изделие относится к категории 1п, то есть к дорожным плитам для устройства постоянных покрытий, и рассчитана на автомобильную нагрузку Н-10 и Н-30.
Дорожные плиты 2п и 1п изготавливаются строго по стандартам ГОСТ 21924.2-84. И плита 1п, и плита 2п 30-18-30 производится из долговечного и износоустойчивого тяжелого бетона с расчётной плотностью в 2500 кг/куб. м (В22,5 и В30 – классы по прочности на сжатие) и с марками по морозоустойчивости и водонепроницаемости в F200 W4 и F150 W 2 – для постоянных и временных дорог.
У нас Вы можете заказать не только дорожные плиты 2п 30-18-30 или 1п в любом объеме, но также их доставку и укладку на Вашем объекте в границах СПб и Ленобласти.
ptk-dorstroy.ru
В нашем производстве имеются железобетонные плиты для строительства транспортных дорог, различных видов площадей и паркингов, также аэродромные плиты – всю линейку выпускаемых стандартизированных плит вы можете увидеть ниже, в приведенной таблице, или скачать каталог всей нашей продукции.
1(2) П ХХ.YY-ZZ1 (2) — тип дорогиП — прямоугольнаяXX — длинаYY — ширинаZZ — нагрузкаB — длина плитыH — ширина плитыL — высота плиты
|
sevparitet.ru
