Правила прогрева бетона: расчет, схема, график, методы
Для гражданского, промышленного, а также кустарного (домашнего) строительства при отрицательных температурах существуют различные способы прогрева бетона, позволяющие не останавливать работы на зимнее время. Такие вспомогательные процедуры позволяют не просто продолжать монтажные работы в мороз, но и увеличивают скорость застывания раствора, особенно с добавлением специальных химических ускорителей затвердевания.
Ниже мы поговорим о таких методах, в общем, и один из них (наиболее популярный) рассмотрим в частности, а также продемонстрируем вам видео в этой статье по теме электрического прогрева бетона.
Заливка бетона при минусовой температуре
Всё о прогреве
Какие применяют способы для прогрева
Электромат
- Самый примитивный способ заливки раствора в зимнее время, это обустройство над площадкой самого обычного шатра из целлофановой плёнки своими руками, где в средине можно установить горящую паяльную лампу или тепловую пушку
.
Метод предельно прост, только его можно применять только на объектах с небольшой площадью, да и над вертикальными конструкциями сложно соорудить такой купол. - Несколько проще в такой ситуации использовать электрические маты, которыми просто накрывают площадь заливки, установив регулятор в нужном режиме, в зависимости от температуры воздуха на улице. Но и здесь есть серьёзный недостаток — электроматы неудобно использовать при заливке больших площадей, к тому же матами можно накрывать только горизонтально расположенные ЖБК, но никак не стены, опоры или колонны.
Ультрафиолетовый излучатель
- Ультрафиолетовая установка прогрева бетона, пожалуй, наиболее удобная из всех существующих, так как не предполагает контакта с самим раствором, а тепловая интенсивность прибора просто регулируется расстоянием между УФ излучателем и объектом. Ещё одно преимущество такого способа, это возможность греть конструкции любой конфигурации и в любом положении (как в горизонтальном, так и в вертикальном), при этом опалубка не является препятствием.
Тем не менее, такой метод используется достаточно редко — для него нужно большое количество обогревателей.
Опалубка с подогревом
- Ещё один метод создания монолитных железобетонных конструкций в зимнее время, это применение опалубки с подогревом, только применим он исключительно для вертикальных ЖБК (стен, перегородок, опор). Это очень удобно, так как щиты здесь многоразового использования, а нагревательные элементы на них подлежат замене, причём сделать это достаточно просто. Главный недостаток такой опалубки, это очень высокая цена, что, впрочем, окупается при её частом использовании.
Прогрев электродами
- Для электродного прогрева железобетонных конструкций используется арматура или проволока катанка с сечением от 8 до 10 мм и понижающего трансформатора, но такой метод больше подходит для вертикально стоящих ЖБК
. Здесь греются не сами электроды, а влага между ними (кипятильник из двух лезвий работает по тому же принципу), только здесь расстояние между штырями составляет от 60 до 100 см — всё зависит от температуры воздуха.
Основным недостатком, несмотря на всю простоту, является очень большое потребление электроэнергии (один электрод потребляет порядка 45-50А), следовательно, стоимость строительства при этом возрастает.
| tᶛC во время заливки | Напряжение (В) | Расстояние между штырями-электродами (см) | Получаемая мощность (кВт/м3) |
| 1 | 2 | 3 | 4 |
| -5 | 55 | 20 | 25 |
| 63 | 30 | ||
| 75 | 50 | ||
| -10 | 55 | 10 | 3,0 |
| 65 | 25 | ||
| 75 | 40 | ||
| 85 | 50 | ||
| -15 | 65 | 15 | 3,5 |
| 75 | 30 | ||
| 85 | 45 | ||
| 95 | 55 | ||
| -20 | 75 | 20 | 4,5 |
| 85 | 30 | ||
| 95 | 40 |
Таблица прогрева
- В данном случае, чтобы выдерживать нужную температуру, её проверяют каждые два часа и для этого заранее изготавливают специальные скважины.
Во время разогрева раствора такое тестирование производится каждый час. Во время прохождения всего процесса необходимо постоянно следить за состоянием паек и контактов.
Провод ПНСВ и понижающий трансформатор
Примечание. ПНСВ (Провод Нагревательный Стальной Виниловая изоляция) может иметь разное сечение и применяется одноразово. После застывания массы он остаётся там навсегда.
Использование понижающего трансформатора
Вышеупомянутые методы прогрева бетона не так популярны, как тот, о котором речь пойдёт сейчас — это использование провода ПНСВ в качестве обогревателя и понижающего трансформатора для преобразования электроэнергии. Суть такого способа заключается в следующем — кабель укладывают петлями в месте заливки раствора, а его сечение будет зависеть от мощности трансформатора и температуры воздуха на улице (в здании), где проводятся работы.
В зависимости от температуры воздуха с понижающего трансформатора подаётся нагрузка на петли и начинается обогрев, но структура бетона при этом не изменяется, зато значительно увеличивается скорость застывания раствора.
| Диаметр жилы в мм | 1,2 | 2,0 | 3,0 |
| Ом/метр | 0,15 | 0,05 | 0,02 |
Сопротивление ПНСВ зависит от сечения провода
Важно! Перед укладкой ПНСВ в обязательном порядке следует убедиться в целостности провода и его оболочки. Дело в том, что контроль прогрева бетона осуществляется только в отношении температурного режима, а сам провод, в случае его перегорания, заменить невозможно, так как он полностью погружен в раствор (к тому же, его замыкание может привести к пожару). Поэтому, для таких целей лучше использовать новый материал.
| Напряжение от трансформатора (кВ) | Сечение (мм2) не более | Тип ЖБК (наличие арматурного каркаса) | Длина ПНСВ (м) | Тип ЖБК (наличие арматурного каркаса) | Длина ПНСВ (м) |
| 10 | 1,1 | + | 9,95 | — | 8,4 |
| 15 | 1,1 | + | 22,85 | — | 18,9 |
| 20 | 1,1 | + | 39,8 | — | 33,6 |
| 10 | 1,4 | + | 18,9 | — | 15,5 |
| 15 | 1,4 | + | 42,6 | — | 34,93 |
| 20 | 1,4 | + | 75,6 | — | 32,09 |
| 10 | 2,0 | + | 54,6 | — | 46,18 |
| 15 | 2,0 | + | 123,8 | — | 103,0 |
| 20 | 2,0 | + | 218,2 | — | 184,7 |
| 10 | 4,0 | + | 148,57 | — | 373,0 |
| 15 | 4,0 | + | 1009,0 | — | 841,0 |
| 20 | 4,0 | + | 1974,0 | — | 1495,0 |
Таблица оптимальной длины петли при разных сечениях провода и типах бетона
Принципиальная схема прогрева бетона
При укладке ПНСВ инструкция требует, чтобы на этом месте не было никакого мусора, который может повредить оболочку, что в свою очередь, приведёт к короткому замыканию и перегоранию кабеля (как мы уже говорили — заменить его невозможно).
Кроме того, при создании петли недопустимо делать резкие изгибы и оставлять «барашки», что приводит к излому провода — все повороты следует выполнять плавно.
Сама укладка обычно производится либо «змейкой», как это показано на схеме, либо одинарной петлёй — всё будет зависеть от длины ПНСВ и площади заливаемой конструкции. Нельзя ни в коем случае допускать пересечения греющих проводов друг с другом — оптимальное расстояние между жилами порядка 100 мм, хотя его можно изменять, в зависимости от длины и сечения ПНСВ, а также, от размеров рабочей площадки.
В любом случае греющий провод должен быть полностью залит бетоном (скрутки в том числе), так как на воздухе он будет перегреваться, а в результате сгорит, как изоляция, так и стальная жила. Кроме того, вам следует позаботиться о том, чтобы защитить трансформатор и, как следствие, всю обогревательную конструкцию, от перепадов напряжения, так как бросок может вызвать резкий перегрев и перегорание.
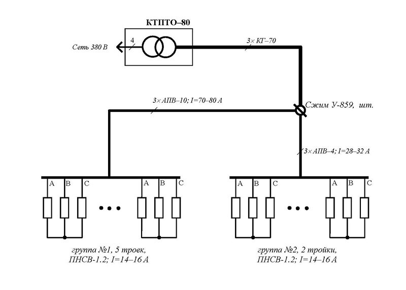
Понижающий трансформатор КТПТО-80
Чтобы представить наглядно схему подключения, давайте рассмотрим, как это делается в соответствии со СНиП 111-4-80/гл.
11 и ГОСТ 12.1.013-7 — в данном случае задействован понижающий трансформатор КТПТО-80, как на фото вверху.
Данный агрегат, перед сборкой электрической цепи следует занулить, и делается это с помощью четвёртой жилы кабеля питания на зажим N из блока XT6, шунтируя его с металлическим корпусом управленческого шкафа. Заземление производится от ножек-салазок агрегата, где для этого есть специальный болт с гайкой, а контур делают из стального провода, сечением не менее 4 мм.
Принципиальная схема КТПТО-80
По технике безопасности сопротивление изоляции должно быть не менее 0,5МОм, в чём следует убедиться перед подключением, а также нужно осуществить проверку всех скруток и контактных соединений. Затем установите путевые выключатели SQ1 и SQ2 так, чтобы была возможность надёжного замыкания одноименных контактов при открытии крышки кожуха и пульта управления. Кроме того, обязательно проверьте целостность предохранителей на случай КЗ.
Переключатель силового трансформатора устанавливаете в положение 1 (соответственно — 55В), а автовыключатель и SA3 приводите в положение «ВЫКЛ».
На ввод подаётся питание 380В, проверяем напряжение HL1 и HL3, после чего замыкается QF1 и, используя SB1 (аварийная кнопка «ВЫКЛ») пробуем аварийное отключение. После такого теста делается повторное включение — на KL1 подаём питание кнопкой SB3, после чего срабатывает магнитный пускатель KM1.
Карта прогрева бетона (начальная страница)
В соответствии со СНиП 3.03.01-87 (по нагреву несущих и ограждающих ЖБК при температуре до -40⁰C) используется технологическая карта на электрический обогрев проводами типа ПНСВ. Настоящий документ содержит технические и организационно-технологические решения вопросов по методу проводного обогрева со всеми используемыми техническими и технологическими параметрами, то есть, весь график прогрева бетона.
Температурный лист прогрева
Для контроля над прогревом, а также для возможности прогнозирования качества ЖБК после окончательного затвердевания используют лист прогрева бетона — бланк для которого всегда можно скачать через Интернет.
Такие данные позволяют точно выверить время и порядок твердения залитого раствора, то есть, это как бы пошаговое руководство достижения наибольшей прочности.
Контроль или расчет прогрева бетона осуществляют с помощью технического термометра — в залитой массе делают специальные воронки, куда закладывается трубка, а в неё уже опускается термометр. Температуру фиксируют через каждые два часа, а если толщина конструкции не превышает 10-115 см, то это делают каждые 4-5 часов.
Не следует забывать, что при нормальном нагреве ПНСВ — до 80⁰C — температура бетона при прогреве доходит до 40⁰C-50⁰C, и это происходит на морозе!
Использование сварочного аппарата в качестве понижающего трансформатора
В домашних условиях в качестве понижающего трансформатора можно использовать сварочный аппарат мощностью не ниже 250А, как на фото вверху, а сопротивление, следовательно. Количество провода ПНСВ в таких случаях можно рассчитать по формуле R=U/I.
Как правило, показатель U у нас будет 220-230В, и если мы используем агрегат вышеупомянутой мощности, то I=250А.
в таком случае R=U/I=220/250=0,88ом и, исходя из этого, можно воспользоваться таблицами для определения нужного сечения и длины провода.
Следует сказать, что погружая ПНСВ в массу бетона, с трансформатором его следует связывать алюминиевым проводом типа АПВ сечением не менее 4 мм, но скрутка при этом должна находиться в растворе.
Об этом моменте мы упомянули не зря — вам придётся соединять два неоднородных металла — сталь и алюминий, следовательно, соединение может оказаться неплотным, что приведёт к искрению, перегреву и перегоранию провода. Но переделать залитую раствором скрутку уже будет невозможно, поэтому, уделите особое внимание этому моменту — от него будет зависеть возможность завершения процесса вообще.
Заключение
В заключение можно сказать, что наиболее низкая стоимость работ по прогреву бетона — в случае с использованием кабеля ПНСВ и понижающего трансформатора, и хотя такой метод достаточно неудобно применять для вертикальных ЖБК, его всё равно иногда используют для экономии средств.
Несмотря на сложность укладки провода (занимает много времени), проводной прогрев ЖБ конструкций применяется чаще всего.
Технология электропрогрева бетона электродами, проводами в зимнее время
В процессе осуществлении бетонных работ при отрицательных температурах воздуха одной из основных проблем является кристаллизация воды и, соответственно, нарушение процесса образования монолитного блока. Одним из основных методов борьбы с такими явлениями считается электропрогрев. Он позволяет интенсифицировать процесс твердения бетона, обеспечив необходимые температурные условия непосредственно на строительной площадке или производственном предприятии.
При этом в литературе встречаются рекомендации по предпочтительному использованию для этих целей постоянного тока, что противоречит общераспространенной практике бетонирования, в которой преимущественно используется переменный ток.
В этой статье мы рассмотрим преимущества и недостатки каждого из методов на основании данных опытно-промышленных исследований.
Оглавление
- Особенности использования электроподогрева в зимний период
- Сравнение обработки бетона постоянным и переменным током
- Результаты испытаний
- Выводы
Особенности использования электроподогрева в зимний период
Технология электропрогрева заключается во включении свежеуложенной бетонной смеси в электрическую цепь в качестве активного сопротивления. При этом обеспечивается заданная температура смеси, а гидратация и структурообразование бетона протекает в условиях воздействия ряда физико-химических процессов, включая электрическое и электромагнитное воздействие.
Рисунок 1. Схемы электропрогрева бетонной конструкции электродамиК основным явлениям, которые рассматриваются в качестве факторов ускоренного твердения бетона, относят:
- температура — является основным моментом, который напрямую влияет на процесс.
Гидратация цемента происходит с выделением тепла экзотермических реакций (в начале процесса схватывания тепловыделение минимально, а в конце — достигает максимума). Условия окружающей среды являются определяющим фактором: сокращение времени схватывания наблюдается при росте температуры до 30°С, а затем наблюдается обратный эффект; - электрофорез — электрокинетическое явление, сопровождающееся перемещением дисперсных частиц в жидкой среде при пропускании через нее постоянного электротока;
- электроосмос — перемещение жидкости между электродами при пропускании постоянного электротока через бетонную смесь;
- электролиз — выделение на электроде контактной фазы из кислорода и водорода, происходящее вследствие разложения воды под действием постоянного тока.
Три последних фактора в производственных условиях оказывают незначительный эффект, однако в ряде источников им уделяется повышенное внимание.
В частности, в Московской ветеринарной академии предложен метод обработки бетона, арболита и аналогичных смесей на цементной основе за счет воздействия постоянного электрического тока знакопеременных импульсов. Указывается, что явления электроосмоса, электролиза и электрофореза при таком варианте технологии происходят более интенсивно, нежели при воздействии переменного тока промышленной частоты.
Это, в свою очередь, вызывает ускоренное диспергирование цементных частиц, способствует повышению реакционной способности компонентов бетона, определяет более полную гидратацию цемента и повышает равномерность распределения цементного клея между частицами заполнителя и непрогидратированными зернами цемента. Авторы этой работы утверждают, что распалубочная прочность бетона при такой обработке достигается уже спустя 1–3 часа после укладки.
Рисунок 3. Структура цементного камня при схватывании бетона при разном водоцементном соотношении и степени гидратацииЗа счет электроподогрева при отрицательных температурах бетон в проектные сроки набирает марочную прочность без ухудшения прочих эксплуатационных и физико-механических свойств, что позволяет сократить сроки сдачи конструкции под нагрузку.
Основным фактором, определяющим эффективность этого процесса, считается температура. В некоторых исследованиях ошибочно связывают ускорение процесса твердения с явлениями электроосмоса, электролиза и электрофореза.
Сравнение обработки бетона постоянным и переменным током
В ряде исследований обоснована несостоятельность гипотезы об ускорении структурообразования в бетоне при пропускании постоянного тока за счет интенсификации явлений электроосмоса, электролиза и электрофореза. В частности, НИИЖБ совместно с представителями Московского лесотехнического института и Московской ветеринарной академии провели производственный эксперимент по трамбованию арболитовых стеновых панелей 1,8х0,9х0,2 м в вертикальных формах с применением в электроподогрева.
Для получения сравнительной базы были исследованы два следующих варианта технологии:
- Панель №1 твердела под воздействием постоянного тока знакопеременных импульсов (питание от генератора П—91 50 кВА).
Время изменения направления токовых импульсов составляло 5 мин с интервалом 1 мин. Рабочее напряжение выбирали таким образом, чтобы обеспечить плотность тока на электродах 40 А/м2. - Панель №2 твердела под воздействием переменного тока промышленной частоты (питание от сварочного трансформатора ТД—500 У2). Напряжение регулировалось таким образом, чтобы температурный режим прогрева совпадал с условиями твердения панели №1.
Продолжительность электрообработки панелей составляла 70 мин. На протяжении этого времени зафиксирован рост температуры в центре изделий с 30°С до 45°С. По достижении этого значения электрическое воздействие было прекращено и оба ЖБИ после часового выдерживания распалубливания.
В ходе эксперимента выяснилось, что панели №1 и №2 сохраняют форму после снятия опалубки, однако визуальный осмотр выявил практически нулевую прочность арболита, поэтому снять изделия с поддона не представлялось возможным. Через сутки с большой осторожностью панели распилили на кубы 200х200 мм для проведения испытаний на сжатие.
Результаты испытаний
Испытания бетонных образцов, проведенные на 3, 7, 14, 28 и 90 сутки, показали, что в первые 7 суток при обработке постоянным током прочность арболита несколько выше, чем в случае обработки переменным током. Вероятно, этот эффект связан с удалением большего объема механически связанной влаги вследствие явления электроосмоса и процесса интенсификации кристаллизационного твердения цемента. Так как разница в показателях прочности составляет 4–5%, то обнаруженный эффект не имеет практического значения.
|
Сроки испытаний, сут |
Постоянным током знакопеременными импульсами |
Переменным током промышленной частоты |
|---|---|---|
| 3 | 0,58 | 0,52 |
| 7 | 0,75 | 0,70 |
| 14 | 0,92 | 1,00 |
| 28 | 0,95 | 1,17 |
| 90 | 2,02 | 2,05 |
При сроке от 14 до 28 суток прочность обработанного постоянным током арболита намного ниже в сравнении с материалом, подвергшимся воздействию переменным током.
Для образцов из панели №1 к 1 месяцу (к проектному возрасту) из-за избыточной влагопотери на начальном этапе твердения наблюдается недобор прочности на 25%, то прочность образцов из панели №2 практически достигла марочной.
Аналогичные результаты получены в ходе исследований, проведенных НИИЖБ и трестом Оргтехлесстрой В/О Союзлесстрой, а также экспериментов на Заводе «Стройдеталь» в Мытищах при изготовлении панелей ОС-5 из бетона класса В12,5. В ходе всех трех испытаний установлено, что после распалубки изделия сохраняют форму в обоих вариантах обработки, однако прочность бетона при этом незначительна.
| Способ обработки | Длительность обработки ч-мин | Температура бетона к концу обработки,°C | Прочность бетона, МПа, в возрасте, сут | Расход электроэнергии, (кВт╳ ╳ ч)м3 | |||
|---|---|---|---|---|---|---|---|
| 1 | 3 | 7 | 28 | ||||
| Постоянным током знакопеременными импульсами | |||||||
| 1-10 | 72 | 65 | — | — | 160 | 56 | |
| 2-45 | 63 | — | 80 | 150 | 155 | 53 | |
| 4-00 | 58 | 70 | — | 135 | 165 | 56 | |
| Переменным током промышленной частоты | |||||||
| 1-15 | 84 | 35 | 85 | 135 | 174 | 40 | |
| 1-35 | 60 | 35 | — | 135 | 175 | 32 | |
| 2-00 | 82 | — | — | 120 | 160 | 50 | |
| 2-30 | 72 | 60 | 108 | 125 | 150 | 52 | |
Данные исследований свидетельствуют о том, что даже через 1 сутки прочность материала не превышала 50%.
В интервале от 3 до 28 суток прочность бетона по обоим вариантам обработки практически одинакова, что свидетельствует о воздействии на этот процесс только температурного фактора.
Выводы
Проведенные производственные испытания подтвердили, что удельные расходы электрической энергии зависят от длительности нагрева бетона и температуры. При обработке постоянным током затраты электроэнергии на 20–25% выше. Это объясняется дополнительными потерями на преобразование переменного тока в постоянный, а также затратами электроэнергии на электролиз воды.
При обработке постоянным током из-за выделения кислорода в процессе электролиза воды наблюдается интенсивная коррозия стальной арматуры и стальных форм, в которых изготавливают сборные изделия.
В случае обработки бетона постоянным током знакопеременных импульсов электроосмос, электролиз и электрофорез почти не влияют на динамику твердения бетона, а интенсификация этого процесса обусловлена только температурным фактором.
Вследствие этого при прогреве изделий и конструкций из бетона и железобетона следует проводить обработку переменным током промышленной частоты. При этом обеспечивается аналогичный эффект, но не требуется использовать специальные генераторы для преобразования переменного тока в постоянный.
Часто задаваемые вопросы об установках и системах лучистого тепла
Укладка матов, проводов и плит STRATA_HEAT™
На какие основания можно укладывать маты STRATA_HEAT™?
Мат STRATA_HEAT™ можно укладывать непосредственно на плиту HYDRO BAN®, правильно подготовленный бетон, клееную фанеру для наружных работ, ОСП (только внутри), цементную опорную плиту, подложку из фиброцемента, существующую керамическую плитку и камень, слои из цементного раствора, цементную терраццо, гипсовую подложку. , легкий бетон.
Провод STRATA_HEAT (устанавливается с помощью дистанционных полос STRATA_HEAT) может быть установлен поверх HYDRO BAN Board, 170 Sound & Crack Isolation Mat, надлежащим образом подготовленного бетона, клееной фанеры для наружных работ, цементной опорной плиты, существующей керамической плитки/камня, существующей керамической плитки и камня, и цементные растворы для внутренних работ, только для горизонтального применения.
Связанные документы:
STRATA_HEAT™ Mat DS 026.1
STRATA_HEAT Wire DS 026.2
STRATA_HEAT Термостат DS 026.3
Термопакет STRATA_HEAT DS 107.7
Доска HYDRO BAN DS 040.0
170 Звукоизоляционный мат DS 170.0
Руководство по монтажу проволоки STRATA_HEAT DS 044.6
Можно ли сразу наносить шпатель непосредственно на проволоку и укладку STRATA_HEAT™?
Да. Просто введите раствор в проволоку и основание с помощью плоской стороны шпателя или резиновой терки, чтобы нанести гладкий слой усиленного латексом или полимером жидкого или крупного раствора для плитки (например, 257 Titanium или MULTIMAX™). LITE) по проводу STRATA_HEAT. Обязательно используйте достаточное количество раствора, чтобы полностью покрыть и защитить провод нагревательного элемента. Нанесите дополнительный раствор тонкой затирки и уложите плитку или камень за один прием.
Связанные документы:
STRATA_HEAT™ Mat DS 026.
1
STRATA_HEAT Wire DS 026.2
STRATA_HEAT Thermostat DS 026.3
STRATA_HEAT Thermal Pack DS 107.7
257 Titanium DS 292.0
MULTIMAX™ LITE DS 328.0
HYDRO BAN Board DS 040.0
STRATA_HEAT Wire Installation Manual DS 044.6
STRATA_HEAT Wire Installation Video – Щелкните здесь
Могу ли я заливать самовыравнивающуюся подложку поверх проволоки STRATA_HEAT™?
Да. Для установки поверх бетона или цементного раствора — уложите провод STRATA_HEAT™ на основание с помощью дистанционных полосок STRATA_HEAT. Загрунтуйте подложку и провод STRATA_HEAT грунтовкой NXT™ Primer или необходимой грунтовкой на основе подложки и дайте высохнуть до образования прозрачной пленки (2–3 часа при 70°F [21°C]). После того, как NXT Primer полностью высохнет, смешайте NXT Level Plus или NXT Level и залейте все поле. Убедитесь, что провод STRATA_HEAT полностью покрыт самовыравнивающейся подложкой, и дайте ему высохнуть. 9№ 0010
Для установки на наружную клееную фанеру, цементную опорную плиту или подложку из фиброцемента – уложите провод STRATA_HEAT на основание с помощью дистанционных полосок STRATA_HEAT.
Загрунтуйте основание грунтовкой NXT Primer или необходимой грунтовкой на основе подложки и дайте высохнуть до образования прозрачной пленки (2–3 часа при 70°F [21°C]). После надлежащего высыхания NXT Primer смешайте NXT Level Plus, NXT Level или другую самовыравнивающуюся подложку и залейте все поле. Убедитесь, что провод STRATA_HEAT полностью покрыт самовыравнивающейся подложкой, и дайте ему высохнуть.
Для укладки поверх существующей керамической плитки или камня – предварительно покройте существующую плитку или камень быстротвердеющим раствором, усиленным полимером (например, 254R Platinum Rapid), и дайте высохнуть в течение 2–4 часов при 70˚F (21˚). С). Уложите проволоку STRATA_HEAT на затвердевшее защитное покрытие, используя дистанционные полоски STRATA_HEAT. Загрунтуйте основание грунтовкой NXT Primer или необходимой грунтовкой на основе подложки и дайте высохнуть до образования прозрачной пленки (2–3 часа при 70°F [21°C]). После надлежащего высыхания NXT Primer смешайте NXT™ Level Plus или NXT Level и нанесите на все поле.
Убедитесь, что провод STRATA_HEAT™ полностью покрыт самовыравнивающейся подложкой, и дайте ему высохнуть.
Связанные документы:
STRATA_HEAT™ Mat DS 026.1
STRATA_HEAT Wire DS 026.2
STRATA_HEAT Thermostat DS 026.3
STRATA_HEAT Thermal Pack DS 107.7
NXT Level Plus DS 505.0
NXT Level DS 504.0
NXT Primer DS 502.0
254R Platinum Rapid DS 729.0
STRATA_HEAT Wire Installation Manual DS 044.6
Видео по установке проводов STRATA_HEAT – щелкните здесь
Могу ли я нанести слой покрытия на провод STRATA_HEAT™, а затем установить плитку позже?
Да. Слегка покройте провод STRATA_HEAT™ тонким слоем, усиленным полимером (например, 257 Titanium, 254 Platinum, MULTIMAX™ LITE и т. д.), используя плоскую сторону шпателя или резиновой терки, и дайте высохнуть. На следующий день плитку можно укладывать прямо на шпаклевку.
Связанные документы:
STRATA_HEAT™ Mat DS 026.
1
STRATA_HEAT Wire DS 026.2
Термостат STRATA_HEAT DS 026.3
Термопакет STRATA_HEAT DS 107.7
254 Platinum DS 677.0
257 Titanium DS 292.0
MULTIMAX™ LITE DS 328.0
HYDRO BAN Board DS 040.0
Руководство по монтажу проводов STRATA_HEAT DS 044.6
Видео по монтажу проводов STRATA_HEAT – нажмите здесь
В зависимости от основания, для укладки проволоки STRATA_HEAT™ Wire можно использовать любой усиленный полимером LATICRETE® тонкослойный (например, 257 Titanium, 254 Platinum и т. д.) или крупногабаритный тяжелый раствор для плитки (например, MULTIMAX LITE).
Связанные документы:
STRATA_HEAT™ Mat DS 026.1
STRATA_HEAT Wire DS 026.2
STRATA_HEAT Thermostat DS 026.3
STRATA_HEAT Thermal Pack DS 107.7
257 Titanium DS 292.0
MULTIMAX™ LITE DS 328.0
254 Platinum DS 677.0
STRATA_HEAT Wire Installation Manual DS 044.6
What floor finishes можно ли установить поверх коврика STRATA_HEAT™?
Мат STRATA_HEAT™ и проволока STRATA_HEAT специально разработаны только для укладки плитки и камня.
Связанные документы:
STRATA_HEAT™ Mat DS 026.1
Провод STRATA_HEAT DS 026.2
Руководство по установке провода STRATA_HEAT DS 044.6
Можно ли использовать провод STRATA_HEAT™ в душевых?
Да, но душевые могут быть только на 120 В. При установке системы STRATA_HEAT™ Wire в душе она должна располагаться между двумя негорючими материалами.
Установите систему STRATA_HEAT Wire поверх наклонного поддона, если душевой поддон представляет собой залитый раствор. Затем покрыть тонким слоем и уложить плиткой. Не устанавливайте провод STRATA_HEAT непосредственно поверх резиновой влагозащитной мембраны. Мы также не советуем заделывать проволоку STRATA_HEAT в слой раствора, так как это может привести к длительному нагреву. В случае строительных панелей, таких как подложка или доска HYDRO BAN®, вы можете установить STRATA_HEAT Wire непосредственно поверх плит. Пожалуйста, обратитесь к соответствующему руководству по установке для получения дополнительной информации.
Связанные документы:
STRATA_HEAT™ Mat DS 026.1
STRATA_HEAT Wire DS 026.2
Термостат STRATA_HEAT DS 026.3
STRATA_HEAT Wire Руководство по установке DS 044.6
Можно ли STRATA_HEAT™ Wire прикреплять скобами к любой другой подходящей внешней основе из клея или дерева (согласно Совету по плитке Северной Америки) подложка?
Нет. Провод STRATA_HEAT™ должен быть установлен с использованием дистанционных полос STRATA_HEAT или коврика STRATA_HEAT.
Связанные документы:
STRATA_HEAT™ Mat DS 026.1
STRATA_HEAT Wire DS 026.2
STRATA_HEAT Wire Руководство по установке DS 044.6
Сколько времени потребуется, чтобы нагреть пол с помощью STRATA_HEAT™ Wire?
Каждая установка STRATA_HEAT™ зависит от нескольких факторов; Толщина плитки или камня, тип основания, толщина плитки и температура окружающей среды будут играть роль в том, как быстро прогреется пол.
Хорошее эмпирическое правило: в среднем на 10–12˚F (5,6–6,7˚C) теплее в час.
Связанные документы:
STRATA_HEAT™ Mat DS 026.1
STRATA_HEAT Wire DS 026.2
STRATA_HEAT Термостат DS 026.3
Термопакет STRATA_HEAT DS 107.7
STRATA_HEAT Wire Руководство по установке DS 044.6
Можно ли использовать провод вместе с гидроизоляционной мембраной STREAT™ Wire?
Да. HYDRO BAN®, гидроизоляционная мембрана 9235, HYDRO BAN Quick Cure и HYDRO BARRIER могут быть установлены под укрепленный полимером LATICRETE тонкий слой (например, 257 Titanium, 254 Platinum, MULTIMAX™ LITE и т. д.), который используется для герметизации STRATA_HEAT. ™ система. Эти мембраны LATICRETE необходимо укладывать поверх сухого NXT™ Level Plus, сухого NXT Level или другого подходящего основания перед укладкой плитки или камня. Эти мембраны могут выдерживать температуры до 280°F (138°C).
Связанные документы:
STRATA_HEAT™ Mat DS 026.
1
STRATA_HEAT Wire DS 026.2
STRATA_HEAT Thermostat DS 026.3
STRATA_HEAT Thermal Pack DS 107.7
NXT Level Plus DS 505.0
NXT Level DS 504.0
NXT Primer DS 502.0
257 Titanium DS 292.0
MULTIMAX™ LITE DS 328.0
254 Platinum DS 677.0
Руководство по установке провода STRATA_HEAT DS 044.6
Как проложить провод STRATA_HEAT™ перед установкой?
См. руководство по установке проводов STRATA_HEAT™ (DS 044.6), свяжитесь с местным дистрибьютором LATICRETE или позвоните в службу технической поддержки LATICRETE по телефону 1-800-243-4788 x1235 для получения дополнительной информации.
Связанные документы:
Руководство по установке проводов STRATA_HEAT™ DS 044.6
Распространяется ли гарантия LATICRETE® на коврик STRATA_HEAT™ и провод STRATA_HEAT?
Да. Провод STRATA_HEAT предусмотрен пожизненной гарантией LATICRETE® на плитку и камень (DS 230.
99), 25-летней гарантией LATICRETE (DS 025.0), 10-летней гарантией LATICRETE (DS 230.10) и 5-летней гарантией LATICRETE (DS 230.05). как компонент полной системы продуктов. Для получения дополнительной информации о гарантиях LATICRETE посетите наш веб-сайт www.laticrete.com или обратитесь в службу технической поддержки LATICRETE по телефону 1-800-243-4788 x1235.
Связанные документы:
LaticRete® Lifetime Tile & Stone System Гарантия DS 230,99
Laticrete 25 -летняя гарантия Tile & Stone System DS 025.0
Laticrete 10 -летняя плитка и каменная система гарантия DS 230.10
LaticRete 5 -летняя и каменная гарантия DS 230.05
LATICRETE. STRATA_HEAT™ Mat DS 026.1
STRATA_HEAT Wire DS 026.2
Как настроить/программировать термостат STRATA_HEAT™?
Существует несколько ссылок, которые помогут вам запрограммировать термостат STRATA_HEAT™. Они доступны на сайте https://laticrete.
com или по следующим ссылкам:
Связанные документы:
Интеллектуальный Wi-Fi-термостат. Простое руководство по настройке DS 046.4
. Руководство по эксплуатации Wi-Fi-термостата. DS 046.2. STRATA_HEAT Провод включен?
Термостат STRATA_HEAT™ и провод STRATA_HEAT не следует включать до тех пор, пока вся укладка плитки (включая раствор) полностью не затвердеет (обычно 7 дней при 70°F [21°C]). Более низкие температуры окружающей среды требуют более длительного времени отверждения.
Связанные документы:
STRATA_HEAT™ Mat DS 026.1
STRATA_HEAT Wire DS 026.2
Термостат STRATA_HEAT DS 026.3
STRATA_HEAT™ Wire Руководство по установке DS 044.6
Электрика
Должен ли профессиональный электрик подключить мой провод STRATA_HEAT™ к термостату STRATA_HEAT и проводке?
Да.
Согласно большинству строительных норм и правил, только профессиональный электрик должен выполнять все соединения любой электропроводки. Если электрические соединения не будут выполнены лицензированным электриком, это аннулирует любую гарантию LATICRETE и, вполне возможно, может привести к аннулированию страховки любого домовладельца.
Связанные документы:
STRATA_HEAT Провод ДС 026.2
Термостат STRATA_HEAT DS 026.3
Руководство по установке проводов STRATA_HEAT™ DS 044.6
Какие электрические требования предъявляются к проводу STRATA_HEAT™?
Для провода STRATA_HEAT требуется выделенная цепь с током не менее 20 ампер, и его должен устанавливать профессиональный электрик.
Связанные документы:
Провод STRATA_HEAT DS 026.2
Термостат STRATA_HEAT DS 026.3
Руководство по установке провода STRATA_HEAT™ DS 044.6
Сколько стоит эксплуатация провода STRATA_HEAT™?
Формула для определения того, сколько вы тратите каждый год на использование вашего STRATA_HEAT, выглядит следующим образом: ватты / 1000 = киловатты * часы в день использования = кВтч * ставка, которую вы платите от электроэнергетической компании за кВтч = стоимость в день x 365 = стоимость в год.
Доступны ли провода STRATA_HEAT™ Wire и термостат STRATA_HEAT в конфигурации на 240 В, а также в конфигурации на 120 В?
Да. Провод STRATA_HEAT™ доступен как в конфигурациях на 120 В, так и на 240 В. Очень важно, чтобы напряжение приобретаемых вами компонентов Floor HEAT соответствовало напряжению в электросети вашего дома или здания. Термостат STRATA_HEAT предназначен для использования с проводом STRATA_HEAT на 120 и 240 В.
Связанные документы:
Провод STRATA_HEAT™ DS 026.2
Термостат STRATA_HEAT DS 026.3
Руководство по установке провода STRATA_HEAT DS 044.6
Сколько катушек провода STRATA_HEAT™ можно установить на один термостат?
Это зависит от размера катушек. Вы не можете превышать 15 ампер на одном термостате. Пожалуйста, обратитесь в службу технической поддержки LATICRETE по телефону 1-800-243-4788 x1235 или свяжитесь со своим профессиональным электриком для получения дополнительной информации.
Связанные документы:
Провод STRATA_HEAT™ DS 026.2
Термостат STRATA_HEAT DS 026.3
Руководство по установке проводов STRATA_HEAT DS 044.6
Можно ли соединить две (2) катушки STRATA_HEAT™ вместе, соединив их провода?
Нет. Катушки с проволокой STRATA_HEAT™ нельзя соединять встык. Приложения, требующие более одной катушки STRATA_HEAT, должны быть подключены профессиональным электриком к параллельному соединению и соединены в распределительной коробке или реле, а затем подключены к тому же термостату.
Связанные документы:
Провод STRATA_HEAT™ DS 026.2
Термостат STRATA_HEAT DS 026.3
Руководство по установке провода STRATA_HEAT DS 044.6
Можно ли обрезать синий нагревательный элемент (провод) STRATA_HEAT™, если у меня осталось слишком много?
Нет, ни по какой причине нельзя перерезать провод STRATA_HEAT.
Если вы перережете провод, вы можете навсегда повредить провод. Однако, если у вас слишком много проводов для обогрева пола для вашей конфигурации пола, есть несколько вариантов.
Во-первых, лучше тщательно измерить желаемую площадь обогрева перед заказом изделия, чтобы избежать ненужных задержек с установкой.
Если у вас есть лишняя проволока, можно отрегулировать расстояние между проволоками. Например, если провода расположены на расстоянии 3 (76 мм) друг от друга, вы можете уменьшить расстояние. Примечание. Никогда не размещайте провода ближе 2 дюймов (50 мм).
Если вы использовали 4-дюймовую (102 мм) границу, вместо этого сделайте 2-дюймовую (50 мм) границу. Разместите провод в секциях комнаты. в настоящее время не накрыт, чтобы использовать дополнительный провод Всегда помните, что нельзя размещать провод под какими-либо постоянными приспособлениями и не располагать их ближе, чем на расстоянии 2 дюйма (50 мм) друг от друга.
В некоторых случаях вы, возможно, просто неправильно рассчитали, сколько проводов для обогрева пола необходимо, и у вас их слишком много.
В этом случае вам придется заново измерить пространство и запросить другой размер.
Напоминаем, что перед заказом изделия необходимо тщательно измерить желаемую площадь обогрева, чтобы избежать ненужных задержек с установкой. Несоблюдение этого требования аннулирует любые гарантии или претензии.
Связанные документы:
Руководство по ремонту соединений STRATA_HEAT™ DS 049.2
Что произойдет, если синий нагревательный элемент (проволока) STRATA_HEAT™ будет порезан, изношен или надколот?
Имеются ремонтные комплекты. Пожалуйста, свяжитесь со службой технической поддержки LATICRETE по телефону 1.800.243.4788 x1235, чтобы получить комплект и инструкции по ремонту.
Связанные документы:
Руководство по ремонту стыков STRATA_HEAT™ DS 049.2
Можно ли накладывать один синий нагревательный элемент (провод) STRATA_HEAT™ на другой?
Нет.
Синие нагревательные элементы (провод) ни в коем случае нельзя укладывать друг на друга или каким-либо образом соприкасаться. Для получения дополнительной информации обратитесь к лицензированному электрику или в службу технической поддержки LATICRETE по телефону 1.800.243.4788 x1235.
Я слегка надрезал провод STRATA_HEAT™. Нужен ли ремонтный комплект?
Провод STRATA_HEAT™ состоит из двух внутренних проводников, каждый из которых изолирован, затем окружен заземляющей оплеткой и последней оболочкой кабеля. Очень легкое царапание кабеля может показать только заземляющую оплетку.
Если это так, должно быть достаточно плотно обернуть область термоусадкой. Если это так, должно быть достаточно плотно обернуть область термоусадкой. Однако, если оплетке были нанесены какие-либо повреждения, необходимо провести надлежащий ремонт. Любое повреждение, даже незначительное, может привести к проблемам в будущем. Но так же может быть и неправильный ремонт, поэтому установщик должен взвесить все за и против и степень повреждения кабеля.
Связанные документы:
Руководство по ремонту соединений STRATA_HEAT™ DS 049.2
Можно ли удлинить холодный провод провода STRATA_HEAT™?
Ваш электрик должен быть в состоянии удлинить холодный хвостовой провод с помощью кабеля Romex и проложить провод(а) к распределительной коробке. Это позволит вам подключить кабельную систему к термостату в выбранном вами месте. Пожалуйста, обратитесь к руководству по установке для получения дополнительной информации.
Связанные документы:
Руководство по установке проводов STRATA_HEAT™ DS 044.6
Почему мой пол в некоторых местах кажется теплее?
Ваш пол может нагреваться до более высоких температур в некоторых местах, где мебель, коврики, лежаки для собак или другие приспособления удерживают тепло. Не кладите на пол с подогревом толстые маты, коврики и мебель вровень с полом, особенно в области, где расположен зонд датчика.
Они ограничивают передачу тепла от кабелей и приводят к тому, что область пола под ними теплее, чем другие области.
Более теплые точки также могут быть вызваны тем, что расстояние между проводами в одних частях меньше, чем в других. Во время установки убедитесь, что расстояние между проводами одинаково. Кроме того, это может произойти в том случае, если при установке используется больше раствора или самонивелирующегося слоя поверх проводов в разных местах.
Расстояние между проводами и ровность пола могут иметь большое значение. Если расстояние между проводами и высота пола не совпадают, ваш пол может нагреваться неравномерно.
Связанные документы:
Руководство по установке провода STRATA_HEAT™ DS 044.6
Где должен быть установлен заводской стык провода STRATA_HEAT™?
Заводской шов ДОЛЖЕН быть установлен в полу. Если он не установлен в полу, стык может дать трещину, и ваша система больше не будет работать.
Мало того, что ваша гарантия будет аннулирована, вам придется отремонтировать соединение и положить его обратно в пол. Чтобы помочь с высотой, которую добавляет стык, рассмотрите возможность вырезания канала в черновом полу для стыка. Это поможет избежать увеличения высоты и сохранить ровность пола.
Связанные документы:
Руководство по установке провода STRATA_HEAT™ DS 044.6
Каков уровень электрического магнитного поля (ЭМП) провода STRATA_HEAT™?
Наш кабель был протестирован и измерено 0,5 мГс на 1/2 дюйма (типичное расстояние между кабелем и вашими ногами). Это составляет 1/200 от допустимого значения 100 мГ, установленного ВОЗ и Intertek/ETL. Поэтому он соответствует стандарту EN50366. Любое значение ниже 100 мГ обычно определяется как не имеющее измеримого воздействия на человека.
Опасения по поводу ЭМП были связаны с высокочастотными элементами, такими как промышленное оборудование и линии высокого напряжения в жилых районах.
Ни микроволновки, ни сотовые телефоны, ни системы подогрева пола. Воздействие ЭМП на человека не является проблемой при таких очень низких уровнях.
Имея в виду, что продукция, используемая для обогрева пола, будет измерять от 2 до 3 мГс (до 19 мТл для одножильного кабеля), а иногда и ниже 1 мГс, вот некоторые сравнительные уровни ЭМП;
- Пылесосы 300 мг
- Микроволновые печи 200 мг
- Посудомоечные машины 20 мг
- Электрическая сушилка 3 мг
При измерении ЭДС кабелей обогрева пола показания будут различаться в зависимости от того, измеряются ли они на одножильных или двухжильных кабелях. Таким образом, важным соображением для потребителя является то, рассматриваете ли вы «одножильный» или «двухжильный» кабельный продукт. Все системы STRATA_HEAT™ Wire являются двойными проводниками.
Как установить теплый пол в бетоне
Бетон изменил взгляды мира на разработку и строительство.
В результате этой невероятной химической смеси здания становятся намного прочнее, по дорогам легче ездить, а дома меньше подвержены проблемам с фундаментом.
Несмотря на все огромные преимущества бетона, он также создает холодную и влажную жилую среду, что далеко не идеально. Никто не хочет, чтобы их дом был неудобным, холодным и дорогим для отопления. К счастью, есть доступное и эффективное решение этой проблемы – теплый пол.
Что такое теплый пол?
Лучистое отопление пола — это метод, при котором тепло генерируется с помощью электрических проводов, проложенных под вашим полом. Электричество нагревает пол, а поскольку тепло поднимается вверх, пол нагревает остальную часть дома, покрывая все жилое пространство.
Это новое слово в отоплении помещений, доступное по цене, простое в установке и невероятно эффективное. После установки он не требует технического обслуживания, бесшумен, высокоэффективен и обеспечивает равномерное распределение тепла по всему дому без переноса аллергенов.
Лучистое отопление пола отлично работает с бетоном
Лучистое отопление исключительно хорошо работает с бетоном, поскольку он обладает идеальными свойствами сохранения тепла. Система лучистого отопления также может быть скрыта внутри бетона во время его заливки, поэтому ее никогда не видно.
Вместо холодных полов, по которым неудобно ходить, вы можете сделать теплые полы, приятные для ног. Это не проблема!
Процесс установки
Некоторые проекты по благоустройству дома относительно просты, а другие невероятно сложны. Этот конкретный процесс установки относится к последней категории, поскольку требует специальных знаний по установке электричества и бетона.
Не забывайте учиться и решать, что лучше для вас. Если вы сомневаетесь, найдите проверенного и квалифицированного установщика в вашем регионе, который поможет вам. Они смогут провести вас через весь процесс и объяснить, чего ожидать.
Если вы заинтересованы в том, чтобы самостоятельно заняться процессом установки, вот шаги по установке системы напольного отопления в бетон:
Шаг первый
Перед установкой определите, где должны быть размещены ваш термостат, распределительная коробка и панель реле.
Они позволяют изменять температуру системы лучистого отопления после ее установки. Поместите его в легкодоступное место, но в стороне.
Шаг второй
С помощью цифрового омметра проверьте сопротивление нагревательного элемента между двумя проводниками. Убедитесь, что это значение указано правильно в теге CSA продукта. Вы также должны потратить это время на то, чтобы с помощью мегомметра проверить нагревательный элемент между проводниками и заземляющим элементом.
Шаг третий
Уложите на нижний слой от восьми до двенадцати дюймов щебня. Затем установите два дюйма изоляции поверх этого. Наконец, установите проволочную сетку или арматуру, чтобы укрепить слои, используя проволочные стулья или бетонную брусчатку, чтобы закрепить их на месте.
Шаг четвертый
Установите датчики и нагревательные кабели или излучающие нагревательные маты, соединив их с проволочной сеткой. Избегайте наложения, пересечения или касания двух нагревательных проводов на этом этапе.
После того, как все будет установлено, обязательно проверьте кабели и датчик с помощью омметра, прежде чем размещать кабелепровод, соединяющий их с распределительной коробкой на стене.
Шаг пятый
Теперь, когда система лучистого отопления полностью установлена, закончите заливку бетона. Над нагревательными элементами должно быть от четырех до шести дюймов плиты. Не забудьте проверить кабель с помощью омметра, чтобы убедиться, что он все еще работает.
Шаг шестой
Когда бетон затвердеет, завершите монтаж всей проводки для панели реле, распределительной коробки и термостата. Как только это будет сделано, вы должны включить выключатели и протестировать систему. Если все работает, то вы закончили!
Как установить теплый пол в уже залитый бетон
Если вы уже работаете с существующим бетоном и не хотите начинать с нуля, процесс немного отличается. На самом деле у вас есть несколько вариантов.
Во-первых, вы можете установить прямо поверх полированного бетона.
Метод предельно прост, только его можно применять только на объектах с небольшой площадью, да и над вертикальными конструкциями сложно соорудить такой купол.