Бетоносмесительная установка — это… Что такое Бетоносмесительная установка?
- Бетоносмесительная установка
- комплект технологического оборудования ЦБЗ для выполнения технологических операций по приготовлению цементобетонных смесей; имеет в комплекте блок дозирования каменных материалов, расходный бункер цемента с дозатором, смесительный блок со смесителем непрерывного или циклического действия, систему дозирования воды и химических добавок. Управление всеми процессами автоматизировано.
Источник: Справочник дорожных терминов
Строительный словарь.
- Бетоноотделочная машина
- Бетоноукладочная машина (распределительная)
Смотреть что такое «Бетоносмесительная установка» в других словарях:
установка бетоносмесительная — Комплекс машин для приготовления бетонной смеси различных марок, состоящий из бункерного отделения с устройствами для приёма и выдачи заполнителей и вяжущих материалов, из дозаторов и бетоносмесителей [Терминологический словарь по строительству… … Справочник технического переводчика
УСТАНОВКА БЕТОНОСМЕСИТЕЛЬНАЯ — комплекс машин для приготовления бетонной смеси различных марок, состоящий из бункерного отделения с устройствами для приёма и выдачи заполнителей и вяжущих материалов, из дозаторов и бетоносмесителей (Болгарский язык; Български) бетоносмесителна … Строительный словарь
БСУ — бесконтактная станция управления Словарь: С. Фадеев. Словарь сокращений современного русского языка. С. Пб.: Политехника, 1997. 527 с. БСУ блок сравнения и усиления БСУ бетоносмесительный узел БСУ бортовая система … Словарь сокращений и аббревиатур
РБУ- — ракетно бомбовая установка воен. РБУ Источник: http://www.bigler.ru/bestmonths.php?page=6&month=4&year=2002 РБУ Пример использования РБУ 6000 РБУ растворо бетоносмесительная установка в ма … Словарь сокращений и аббревиатур
БСУ — 3.18 БСУ: Бетоносмесительная установка. Источник: ОДМ 218.2.014 2011: Методические рекомендации по применению сталефибробетона при ремонте мостовых сооружений … Словарь-справочник терминов нормативно-технической документации
ОДМ 218.2.014-2011: Методические рекомендации по применению сталефибробетона при ремонте мостовых сооружений — Терминология ОДМ 218.2.014 2011: Методические рекомендации по применению сталефибробетона при ремонте мостовых сооружений: 3.6 Rb, Rbt, Rtb : Расчетное сопротивление бетона соответственно осевому сжатию, растяжению, растяжению при изгибе.… … Словарь-справочник терминов нормативно-технической документации
dic.academic.ru
классификация, как выбрать бетонную установку
- Строительство автомобильных дорог, аэродромов, мостов, железнодорожных магистралей, дамб и плотин.
- Изготовление товарного бетона, плит, блоков, перекрытий, бордюров, колец и других железобетонных изделий.

Бетоносмесительное оборудование этого типа предоставляет пользователям большое количество преимуществ:
- Широкие возможности по автоматизации технологического процесса.
- Экономный расход материалов.
- Точное поддержание заданных технологических параметров.
- Высокая производительность работы.
- Сжатые сроки монтажа и запуска в эксплуатацию.
Бетоносмесительная установка существенно сокращает трудоемкость такого сложного технологического процесса, как приготовление бетона в промышленных объемах.
Как выбрать установку для получения бетона?
Главными критериями, которыми следует руководствоваться при выборе бетоносмесительного оборудования, выступают:
- Максимальный объем емкости для перемешивания компонентов.
- Суммарная величина потребления электроэнергии.
- Стоимость оборудования.
Бетонная установка подбирается под определенный объем раствора, который необходим для производства работ в течение одной рабочей смены. Это позволяет оптимизировать затраты рабочего времени, расходных материалов и электроэнергии. Каждый пользователь перед покупкой бетоносмесительного оборудования должен руководствоваться не только ценой и функциональностью, но также учитывать местные условия эксплуатации. Так, для северных районов России подходит исключительно всесезонный тип оборудования, где предусмотрена система подогрева перемешиваемых компонентов.

Классификация
Бетонорастворный узел может иметь различные конструктивные и функциональные особенности, на основании которых все оборудование подразделяют по следующим критериям:
- Степень мобильности. В зависимости от сложности и скорости перемещения бетоносмесительных установок, их подразделяют на стационарные, полустационарные (разборные) и мобильные.
- Допустимый диапазон температуры эксплуатации. Бетонно-смесительная установка с дополнительной системы подогрева, которая эксплуатируется в течение всего года, именуется всесезонной. При отсутствии системы поддержания положительной температуры раствора оборудование допускается эксплуатировать только в теплый период года (БСУ летнего типа).
- Производительность. Этот параметр указывает на максимальный объем бетонного раствора, который способен изготовить бетонный узел за один час. В соответствии с этим критерием все оборудование подразделяют на следующие категории: мини установки (до 25 м3/час), средней производительности (до 400 м3/час), высокой производительности (более 400 м3/час).
- Уровень автоматизации производственных процессов. Характеризует возможности управления работой оборудования по заданным параметрам, без участия человека. В соответствии с этим критерием выделяют автоматизированные, полуавтоматизированные и неавтоматизированные установки.
- Тип управления исполнительными механизмами. Бетоносмесительная установка может управляться вручную, электромеханическими устройствами, гидравлическими механизмами, пневматическим вспомогательным оборудованием.
- Способ загрузки. Оказывает большое влияние на производительность, поэтому необходимо тщательное внимание уделять этому рабочему параметру. Различают узлы оснащенные специальным пневматическим дозатором, скиповым подъемником или ручной загрузкой.
- Основной принцип перемешивания компонентов. В зависимости от этого параметра различают установки с гравитационным, принудительным, комбинированным и целевым пневматическим принципом работы.
- Способ складирования основных компонентов: вертикальные, лотковые, горизонтальные, тарельчатые, планетарные, роторные, двухвальные, турбулентные, одновальные.
- Принцип работы. Характеризует продолжительность технологического производственного цикла: непрерывного действия и циклические.
- По назначению. В зависимости от основного целевого назначения бетоносмесительное оборудование подразделяют на установки растворного и бетонного типа. Первые предназначены для производства раствора на строительных площадках временного типа, а вторые эксплуатируют в составе стационарных заводов по производству железобетонных изделий и товарного бетона.
- По компоновке оборудования. В настоящее время распространено два основных типа компоновки бетоносмесительных установок: одноступенчатые и двухступенчатые. Первый тип оборудования работает за счет воздействия силы тяжести. Строительный раствор готовится в четыре основных этапа: прием, дозировка, перемешивание и подача. В двухступенчатых установках сырье при помощи подачи на конвейере или скиповом подъемнике проходит два этапа в расходомере (дозирование) и смесителе (перемешивание). Двухступенчатый тип оборудования требует наличия большого количества свободного места, что не всегда является возможным.

Заключение
Бетоносмесительные установки получили широкое распространение за счет широких возможностей в подборе оборудования с требуемыми параметрами производительности. Они позволяют автоматизировать технологический процесс получения бетонного раствора, что эффективно повышает производительность при снижении трудоемкости работ. Современные бетоносмесительные узлы комплектуют системами блокировки, дистанционными пультами управления, датчиками контроля температуры, уровня и других технологических параметров. Благодаря этому значительно улучшается качество готовой бетонной смеси и производительность работы технологической линии.
« к списку статей
www.elkon.ru
УСТАНОВКА БЕТОНОСМЕСИТЕЛЬНАЯ — это… Что такое УСТАНОВКА БЕТОНОСМЕСИТЕЛЬНАЯ?
- УСТАНОВКА БЕТОНОСМЕСИТЕЛЬНАЯ
- комплекс машин для приготовления бетонной смеси различных марок, состоящий из бункерного отделения с устройствами для приёма и выдачи заполнителей и вяжущих материалов, из дозаторов и бетоносмесителей (Болгарский язык; Български) — бетоносмесителна уредба
(Чешский язык; Čeština) — betonárna
(Немецкий язык; Deutsch) — Betonmischanlage
(Венгерский язык; Magyar) — betonkeverő berendezés
(Монгольский язык) — бетон холигч төхөөрөмж
(Польский язык; Polska) — stacja przygotowania betonu
(Румынский язык; Român) — instalaţie de amestecare a betonului
(Сербско-хорватский язык; Српски језик; Hrvatski jezik) — fabrika betona
(Испанский язык; Español) — planta de hormigonado
(Английский язык; English) — concrete mixing plant
(Французский язык; Français) — installation de malaxage de béton
Источник: Терминологический словарь по строительству на 12 языках
Строительный словарь.
- УСТАНОВКА БАКТЕРИЦИДНАЯ
- УСТАНОВКА БИОГЕННАЯ
Смотреть что такое «УСТАНОВКА БЕТОНОСМЕСИТЕЛЬНАЯ» в других словарях:
установка бетоносмесительная — Комплекс машин для приготовления бетонной смеси различных марок, состоящий из бункерного отделения с устройствами для приёма и выдачи заполнителей и вяжущих материалов, из дозаторов и бетоносмесителей [Терминологический словарь по строительству… … Справочник технического переводчика
Бетоносмесительная установка — комплект технологического оборудования ЦБЗ для выполнения технологических операций по приготовлению цементобетонных смесей; имеет в комплекте блок дозирования каменных материалов, расходный бункер цемента с дозатором, смесительный блок со… … Строительный словарь
БСУ — бесконтактная станция управления Словарь: С. Фадеев. Словарь сокращений современного русского языка. С. Пб.: Политехника, 1997. 527 с. БСУ блок сравнения и усиления БСУ бетоносмесительный узел БСУ бортовая система … Словарь сокращений и аббревиатур
РБУ- — ракетно бомбовая установка воен. РБУ Источник: http://www.bigler.ru/bestmonths.php?page=6&month=4&year=2002 РБУ Пример использования РБУ 6000 РБУ растворо бетоносмесительная установка в ма … Словарь сокращений и аббревиатур
БСУ — 3.18 БСУ: Бетоносмесительная установка. Источник: ОДМ 218.2.014 2011: Методические рекомендации по применению сталефибробетона при ремонте мостовых сооружений … Словарь-справочник терминов нормативно-технической документации
ОДМ 218.2.014-2011: Методические рекомендации по применению сталефибробетона при ремонте мостовых сооружений — Терминология ОДМ 218.2.014 2011: Методические рекомендации по применению сталефибробетона при ремонте мостовых сооружений: 3.6 Rb, Rbt, Rtb : Расчетное сопротивление бетона соответственно осевому сжатию, растяжению, растяжению при изгибе.… … Словарь-справочник терминов нормативно-технической документации
dic.academic.ru
Бетоносмесительные установки
Категория: Бетонные работы
Бетоносмесительные установки
Бетоносмесительные установки используют на бетонных заводах в качестве передвижных и временных бетонных цехов, а также в стационарных бетоносмесительных цехах по производству сборного железобетона.
Бетоносмесительные установки выполняют в башенной (вертикальной) и двухступенчатой (партерной) компоновках.
В башенных установках составляющие бетонной смеси один раз поднимают на необходимую высоту, а затем под действием собственной силы тяжести они перемещаются вниз по ходу технологического процесса. В двухступенчатых установках составляющие сначала поднимают в расходные бункера, затем они опускаются самотеком, проходят через дозаторы, попадают в общую приемную воронку и снова поднимаются вверх для загрузки в бетоносмеситель.
При башенной компоновке составляющие бетонной смеси со склада подаются конвейерами в расходные бункера, откуда, пройдя через дозаторы, попадают в бетоносмеситель. Готовая смесь поступает в раздаточный бункер и из него отгружается в транспортные средства.
Башенные установки компактнее и экономичнее, занимают подъемник или конвейер небольшое место в плане, но из-за значительной высоты (до 35 м) их сложно монтировать.

Рис. 1. Схемы компоновки бетоносмесительных установок: а — башенная (вертикальная), б — двухступенчатая (партерная): 1 — конвейер склада заполнителей, 2 — конвейер подачи заполнителей в расходные бункера, 3, 9, 10 — поворотная направляющая, распределительная воронка, 4 — расходный бункер, 5 — труба пнев-моподачи цемента, 6…8— дозаторы цемента, заполнителей, воды, 11 — бетоносмеситель, 12 — раздаточный бункер, 13 — автобетоновоз, 14 — автоцементовоз, 15 — скиповый
По двухступенчатой схеме (рис. 1, б) эти операции выполняются в двух уровнях.
Двухступенчатые установки занимают значительно большее место в плане, но высота их небольшая.
Более прогрессивной является башенная двухсекционная схема с двумя типами бетоносмесительных установок принудительного и гравитационного действия, с двумя комплектами бункеров для заполнителей, резервуаром для добавок, бункером для извести и различными системами дозаторов. При такой схеме производство максимально механизировано, а всеми процессами по дозированию и перемешиванию управляют дистанционно с пульта. Наличие двух типов смесителей позволяет приготовлять различные бетонные смеси: на плотных и легких заполнителях, подвижные и жесткие.
Бетоносмесительный цех цикличного действия с автоматизированным управлением состоит из двух секций, каждая из которых имеет автономное бункерное, дозировочное и смесительное отделения, расположенные по вертикальной схеме.
Бункерное отделение состоит из шести — восьми отсеков: три-четыре — для крупного заполнителя, два — для цемента и один-два — для песка. Цемент и заполнители поступают со складов в надбункерное пространство, откуда автоматически по сигналам датчиков уровня распределяются по расходным бункерам.

Рис. 25. Бетоносмесительный цех: 1 — конвейер, 2 — воронка поворотная, 3 — циклон, 4 — шнек, 5 — бак для дооавок, 6 —бак для воды, 7 — дозатор жидкости, S — дозатор крупного заполнителя, 9 дозатор мелкого заполнителя. 10 – дозатор цемента 11 — сборная воронка, 12 – трубопровод, 13 – гравитационный бетоносмеситель, 14—расходный бункер
В дозировочном отделении, расположенном под бункерным, установлены дозаторы для сыпучих материалов и воды. Для подачи водных растворов добавок используют резервуар, специальные дозаторы и систему трубопроводов. Отдозированные компоненты подаются в бетоносмесители. Узел выдачи готовой бетонной смеси оборудован двумя расходными бункерами.
Бетоносмесительные установки СБ-145-2, СБ-145-3, СБ-145-4 выполняются в партерном исполнении с производительностью 30…40 м3/ч. Установки изготовляют мобильными, блочнопере-базируемыми. Используют дозаторы типа ВДБ, а также комплект дозаторов КД-1500-1 с микропроцессорной системой управления. Все системы имеют летнее и зимнее исполнения, что позволяет их эксплуатировать круглогодично.
Менее производительные установки СБ-140 со смесителем СБ-169 производительностью 12 м3/ч, а также СБ-134А с двумя гравитационными смесителями типа СБ-91А производительностью до 20 м3/ч используются преимущественно при возведении объектов монолитного домостроения.
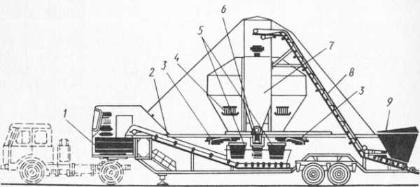
Бетоносмесительная установка СБ-134А циклического действия с двухступенчатой подачей исходных материалов предназначена для приготовления подвижных бетонных смесей, ее производительность до 20 м3/ч. Установка укомплектована современным технологическим оборудованием с электро-, гидро- и пневмоуправлением. Она состоит из четырех блоков: первый блок — смесительно-дозировочный включает два смесителя , распределительную воронку, два дозатора (воды и цемента), и скиповый подъемник, включающий ковш, стрелу и кабину машиниста; второй блок включает склад цемента, который состоит из емкости с винтовым конвейером; третий блок — склад заполнителей включает секторный распределитель, на котором смонтировано опорно-поворотное устройство стрелового скрепера; четвертый блок — дозатор заполнителей с бункером расположен под секторным распределителем.

Рис. 3. Бетоносмесительная установка СБ-134А: 1 — склад заполнителей, 2 — ковш, 3 — стрела, 4,5 — кабина, 6 — смеситель, 7, 10 — дозаторы воды и цемента, 8 — рама, 9 — воронка, 11 — конвейер, 12 — емкость для хранения цемента, 13— направляющая
Более мощными установками являются СБ-109А производительностью до 120 м3/ч, СБ-167 в комплекте с двумя смесителями СБ-138 производительностью 60 м3/ч и СБ-171 производительностью 60 м3/ч. Данные установки работают по принципу непрерывного действия, их применяют на стационарных заводах.
Для приготовления бетонной смеси и раствора на рассредоточенных объектах строительства, особенно в сельской местности, используется передвижная мобильная механизированная установка СБ-61А непрерывного действия производительностью до 5 м3/ч.
Установка монтируется на шасси двухосного пнев-моколесного прицепа и состоит из двухвального смесителя, расходных бункеров заполнителей и вяжущего, дозаторов цемента и заполнителей, ленточных питателей и ленточных конвейеров. Для подогрева составляющих используется отопительный регистр.
В процессе эксплуатации платформа установки опирается на аутригеры. После выполнения заданного объема работ установка легко демонтируется и дислоцируется на новое место.
В монолитном строительстве при необходимости доставки бетонной смеси на удаленные объекты ее приготовление осуществляют в автобетоносмесителях. В этом случае на заводе товарного бетона загружают сухую или частично затворенную смесь, а ее окончательное приготовление производят в процессе доставки или непосредственно на строительной площадке. Отечественной промышленностью выпускают автобетоносмесители объемом готового замеса от 2,5 до 9,0 м3 на базовых автомобилях типа МАЗ, КамАЗ, КрАЗ и др.

Рис. 4. Схема мобильной автоматизированной бетоносмесительной установки СБ-61: 1 —смеситель, 2, 8— ленточный конвейер, 3 — ленточный питатель, 4 — отопительный регистр, 5 – дозатор заполнителей, 6 — дозатор вяжущих, 7 — бункер вяжущих, 9 — приемный бункеп заполнителей
Одним из условий повышения качества работ в процессах приготовления бетонных смесей является переход на автоматическое управление производством. Автоматизация предусматривает управление транспортированием заполнителей и вяжущих со склада в расходные бункера, дозированием составляющих, процессами смешивания и выдачи готовой смеси, а также систему заказа смеси.
Налажен выпуск комплекта оборудования для автоматизированного управления технологическими процессами приготовления бетонных смесей.
Автоматическое управление операциями осуществляется с помощью станций управления СУБ-31 и СУБ-32 и др. Станция СУБ-31 позволяет управлять тремя дозаторами заполнителей, дозаторами цемента и двумя дозаторами жидкости. Станция СУБ-32 обеспечивает программное дистанционное управление подачей материалов из расходных бункеров, дозирование, перемешивание и выгрузку готовой смеси. Она позволяет организовать приготовление многорецептурной бетонной смеси.
Для автоматического регулирования и дистанционного управления технологическим процессом приготовления бетонной смеси используют систему управления ЦИКЛ БС. Она устанавливается в одно- и двухсекционных смесительных узлах периодического действия, выполненных в башенной компоновке. Система ЦИКЛ БС обеспечивает дистанционное управление механизмами подачи цемента и заполнителей, загрузкой шести отсеков расходного бункера заполнителей и двух отсеков расходного бункера цемента, оперативной и аварийной сигнализацией, механизмами смесительного отделения.
Система ЦИКЛ БС позволяет в автоматическом режиме приготавливать любую из 12 классов бетонных смесей с заданием до 99 замесов каждого класса и времени перемешивания каждого замеса в отдельности 1…9 мин. Выполняет функции сигнализации заказа класса бетонной смеси и число замесов, сигнализации перегрузки каждого из дозаторов и их разгруженного состояния, учета расхода цемента, контроля за ходом технологического процесса, а также регистрации на диаграммной ленте процесса дозирования в любом дозаторе.
Наиболее совершенной системой автоматического контроля приготовления бетонной смеси является комплект оборудования КД-1500, в котором функции управления выполняет пульт БМУ.
Пульт управления БМК включает блоки: информации (БИН), дублирующих индикаторов (БДИ), логического контроллера (БЛК), дистанционного управления (БДУ) и питания (БП).
Блок БЛК включает в состав мнемосхему и обеспечивает считывание требуемой рецептуры смеси, которое происходит при вдожении перфошаблона в считывающее устройство. На перфо-шаблоне в двоичном коде записаны значения масс всех компонентов смеси для данной рецептуры; управление всеми механизмами и устройствами; контроль выполнения исполнительными механизмами управляющих сигналов; задание оператором по задатчику числа замесов; выработку сигналов на прекращение загрузки дозаторов при достижении заданных значений доз с учетом влажности заполнителей; учет израсходованного цемента; контроль и правильность задания доз.
Измерение влажности песка производится датчиком влагомера ВПС-205. Датчик устанавливают в расходном бункере, а блок преобразователя влагомера ВПС-205 располагают на пульте БМУ. Входным сигналом для бетона является значение влажности и заданное значение массы песка. Выходной сигнал влагомера на блок БЛК обеспечивает автоматическую компенсацию влияния влажности. На лицевую панель пульта выведены две ручки, с помощью которых оператор может вручную вводить значения влажности песка и щебня мелкой фракции по цифровым шкалам. При этом система автоматически компенсирует вводимые данные.

Рис. 5. Перфошаблон для автоматизированного приготовления бетонных смесей.
Блок контроля задания КБЗ позволяет также визуально контролировать задания по восьми компонентам бетонной смеси и времени перемешивания.
Бетонные работы — Бетоносмесительные установки
gardenweb.ru
БСУ (Бетоносмесительные установки) по доступным ценам
Что такое БСУ?
БСУ – это бетоносмесительная установка, представленная комплектом технологического оборудования. Основной задачей конструкции выступает решение операций промышленного масштаба. Установка отвечает за приготовление смесей на основе цемента и бетона. Высокая производительность обусловлена слаженным функционированием всех составляющих: блока дозирования, смесителя, дозатора воды и химических добавок. Процесс управления – автоматизированный.
БСУ получили широкое распространение на бетонных заводах и временных цехах. Производятся в двух компоновках: вертикальной и партерной. В вертикальной конструкции бетонная смесь поднимается на необходимую высоту, затем перемещается вниз по ходу технологического процесса. Партерная установка осуществляет подъем расходных материалов, прохождение их через приемную воронку и снова поднятие на высоту для загрузки.
Технические характеристики БСУ
Технические характеристики установок способны варьироваться, в зависимости от типа конструкции.
Максимальная производительность оборудования составляет 60 м³/час (колеблется в зависимости от температурных показателей).
Емкость установки – до 100 тонн, габариты – 18800х7800х13900мм.
Мощность электрического привода – до 133 кВт, максимальная масса – 38 000 кг.

Преимущества БСУ
Бетоносмесительные установки отличаются массой преимуществ. Согласно проведенным испытаниям, они характеризуются:
- компактностью и мобильностью;
- простотой в процессе эксплуатации;
- надежностью;
- автоматизацией;
- экономичностью.
Конструктивные особенности позволяют использовать оборудование на промышленных и строительных площадках, с сохранением свободного пространства. Транспортировка осуществляется посредством тягачей или железнодорожного транспорта.
Простота в эксплуатации не вызывает трудностей в процессе работы. Установка легко монтируется, демонтируется и транспортируется.
Оборудование предназначено для бесперебойного функционирования в условиях промышленных и строительных площадок. Конструктивные особенности обеспечивают простое и надежное использование, вне зависимости от погодных условий и времени года.
БСУ – полностью автоматизированы. Работа осуществляется по заданному алгоритму, без механического воздействия. Это повышает производительность труда и его качество.
Ценовая политика БСУ находится в приемлемом диапазоне. Установки доступные в процесс эксплуатации, они не требуют дополнительного ухода и обслуживания. Функционируют по отлаженной схеме.
Виды БСУ
Различают несколько типов БСУ, широко используемых на современных промышленных площадках. Распространенными вариантами являются:
- стационарные;
- контейнерные;
- мобильные.
Стационарные БСУ отвечают за бесперебойное производство бетонных смесей и растворов для строительных площадок. Работают с плотными заполнителями и вяжущими материалами. Оптимальный температурный показатель варьируется от — 40 °С до + 40 °С.
БСУ контейнерного типа предназначены для возведения высокоскоростных железных дорог. Конструктивные особенности БСУ полностью отвечают требованиям высокоскоростного железнодорожного строительства.
Преимуществом мобильных БСУ выступает возможность беспрепятственного перемещения в условиях промышленных и строительных площадок. При этом конструкция не занимает много пространства и не требует мощного фундамента. БСУ легко монтируется, демонтируется и перемещается на другой объект. Установка мобильного типа – оптимальное решение для отдельных строительных комплексов.
Конусная дробилка
sunlong.kz
Типы и классификация уровней от Герчика – Terminal
Уровень – цена, на которой эмитент изменил свое решение покупать или продавать (точка изменения направления тренда). Уровни могут быть образованы хвостами и телами баров.
Болтанка: Цена проходит уровень туда и обратно несколько раз
Проторговка: Цена долгое время находится внутри канала
Уровень гэпа: Цена открытия после большого разрыва ценового графикаПрежде, чем более конкретно классифицировать уровни по их силе, нужно ввести несколько понятий
БСУ (бар, сформировавший уровень) – определяется после того, как того же уровня коснулась следующая свеча
БПУ (бар, подтверждающий уровень) – следующий за БСУМежду БСУ и БПУ1 может находиться любое количество баров, они могут находиться по разные стороны уровня от уровня, но между ними не должно быть никаких зазоров, то есть они должны “биться” в уровень пункт-в-пункт.
Уровень может быть образован как телами, так и тенями.
Основное условие – уровень не должен пробиваться.
Между БПУ1 и БПУ2 никаких промежуточных баров быть НЕ может, они должны идти друг за другом. Тем не менее, БПУ2 может не добивать до уровня на размер люфта.
Классификация уровней (от слабого к сильному)
- Воздушный
- Воздушный + круглое число
- Исторический
- Исторический + круглое число
- Зеркальный
- Зеркальный + круглое число
Воздушный уровень – не подтвержденный на истории, формируется тремя барами, идущими пучком друг за другом
Исторический уровень – идет следующим в списке и является более сильным, уровень, который подтвержден на истории (между БСУ и БПУ1 есть промежуток)
Зеркальный уровень – тот, который был поддержкой, а стал сопротивлением или наоборот (тела БСУ и БПУ находятся по разные стороны уровня, однако БПУ1 и БПУ2 должны находиться на одной стороне)
Для зеркального и исторического уровней должны соблюдаться базовые правила: БСУ и БПУ1 бьют в уровень пункт-в-пункт, а БПУ1 и БПУ2 должны идти друг за другом, при этом (!) БПУ2 может не добивать до уровня на размер люфта
Если цена уровня заканчивается на круглую цифру (+00; +25; +50; +75), то такой уровень будет сильнееКроме того, существует понятие Плавающего Уровня (уровня, который часто “прошивается”). После того, как покупатели или продавцы одержали верх, начинается импульс.
Like this:
Like Loading…
Похожее
eugenebox.wordpress.com
Для чего нужна БСУ установка
Бсу (бетоносмесительная установка) — возможность обеспечения качественным бетоном строительных объектов большого масштаба в тех объемах, который необходим в данный момент. Это можно сделать, если установить на строительной площадке бсу установку, оснащенную по последнему слову техники, соответствующую современным стандартам. Компании поставляет свою продукцию на территории России.
БСУ – надежные, мобильные, и вполне доступные по стоимости бетонные заводы. Доставка осуществляется в довольно короткие сроки, согласно договору. Продажа бетонных заводов здесь в сезон возможна в лизинг.
Преимущества БСУ
Что дает бетонная установка ее владельцам:
- Мобильность завода позволяет в быстрые сроки переместить его на нужную стройплощадку, что способствует снижению себестоимости.
- Есть стационарные БСУ. Для их передислокации потребуется разборка. Но производительность таких установок превосходная.
- Все операции проводятся циклично: прием необходимых ингредиентов – смешивание состава — готовая продукция.
Сегодня здания возводятся с применением технологии монолитного строительства, бетона требуется все больше, поэтому строительные компании заинтересованы в приобретении собственных бетонных заводов. Это вдвойне выгодно:
- Можно контролировать качество приготовления бетона, готовить его в нужном количестве.
- С экономической точки зрения – значительная экономия средств.
Если российские строительные компании решаются на приобретение современного бсу, дающего качественный бетон, то у них отпадает необходимость искать высококвалифицированных специалистов. Ведь для обеспечения работы надежного завода БСУ не нужны какие-то специальные знания и навыки, поскольку работает на автоматике. А вот возможность получения свежего бетона высокого качества в нужных количествах — это большой плюс, который позволяет не снижать темпов строительства.
При покупке быстромонтируемого завода, если у вас возникнут какие-либо вопросы по мощности или его комплектации, всегда помогут квалифицированные специалисты компании продавца, дадут нужные разъяснения. Компании в свою очередь гарантируют:
- Поставку высококачественного и надежного оборудования.
- Сроки поставки не расходятся с договором.
Строительные же компании, приобретя БСУ, получают явные преимущества, так как модули можно доставить к месту работы на любом транспорте. А привести бетонный завод в состояние готовности, не сложно. К тому же, есть и небольшие установки, которым не потребуется много места. Компания работает на территории России и поэтому выезжать куда-либо за покупкой техники не потребуется: приобрести заводы БСУ можно на месте.
Поделитесь статьей !!!
stroymarket38.ru